Bar Footrest Dimensions . With other brackets, the proper bar foot rail height is fixed. Footrails are the most essential in bar & in your kitchen as a footrest to provide comfort for your legs. Learn what a bar foot rail is, why bars have them, and how to measure and install them. They are essentially a footrest that would run the length. The ideal foot rail height for a bar is 6 inches or 15.24 centimeters from the ground. We are metal fabricator specialists in custom footrails. Generally, the footrails should be between 150mm to 215mm from your finish floor. Installing a bar foot rail involves precise measurements to ensure a comfortable and functional fit. Check this guide for the details on bar foot rail. Use a measuring tape to calculate the dimensions of the bar and create a rough layout sketch to determine the ideal position of foot. Find out the standard bar foot rail height and. How high should a bar footrail be? For certain brackets, you can decide the height of a bar foot rail from the floor.
from www.ecrater.com
Installing a bar foot rail involves precise measurements to ensure a comfortable and functional fit. How high should a bar footrail be? Learn what a bar foot rail is, why bars have them, and how to measure and install them. Use a measuring tape to calculate the dimensions of the bar and create a rough layout sketch to determine the ideal position of foot. Check this guide for the details on bar foot rail. They are essentially a footrest that would run the length. Footrails are the most essential in bar & in your kitchen as a footrest to provide comfort for your legs. With other brackets, the proper bar foot rail height is fixed. Find out the standard bar foot rail height and. The ideal foot rail height for a bar is 6 inches or 15.24 centimeters from the ground.
KegWorks Bar Foot Rail Kit Gunmetal Grey 2" Tubing, 23 Brackets, 23
Bar Footrest Dimensions Generally, the footrails should be between 150mm to 215mm from your finish floor. Footrails are the most essential in bar & in your kitchen as a footrest to provide comfort for your legs. Generally, the footrails should be between 150mm to 215mm from your finish floor. With other brackets, the proper bar foot rail height is fixed. How high should a bar footrail be? The ideal foot rail height for a bar is 6 inches or 15.24 centimeters from the ground. Learn what a bar foot rail is, why bars have them, and how to measure and install them. They are essentially a footrest that would run the length. Installing a bar foot rail involves precise measurements to ensure a comfortable and functional fit. Find out the standard bar foot rail height and. We are metal fabricator specialists in custom footrails. For certain brackets, you can decide the height of a bar foot rail from the floor. Use a measuring tape to calculate the dimensions of the bar and create a rough layout sketch to determine the ideal position of foot. Check this guide for the details on bar foot rail.
From www.kegworks.com
Matte Black Bar Foot Rail Kit KegWorks Bar Footrest Dimensions Installing a bar foot rail involves precise measurements to ensure a comfortable and functional fit. For certain brackets, you can decide the height of a bar foot rail from the floor. We are metal fabricator specialists in custom footrails. Generally, the footrails should be between 150mm to 215mm from your finish floor. They are essentially a footrest that would run. Bar Footrest Dimensions.
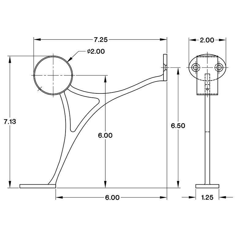
From exyxjjpag.blob.core.windows.net
Bar Stools Height Cm at Michael Miner blog Bar Footrest Dimensions Learn what a bar foot rail is, why bars have them, and how to measure and install them. The ideal foot rail height for a bar is 6 inches or 15.24 centimeters from the ground. Check this guide for the details on bar foot rail. For certain brackets, you can decide the height of a bar foot rail from the. Bar Footrest Dimensions.
From nextluxury.com
Top 40 Best Bar Foot Rail Ideas Home Saloon Designs Bar Footrest Dimensions Learn what a bar foot rail is, why bars have them, and how to measure and install them. Footrails are the most essential in bar & in your kitchen as a footrest to provide comfort for your legs. How high should a bar footrail be? Generally, the footrails should be between 150mm to 215mm from your finish floor. Use a. Bar Footrest Dimensions.
From www.pinterest.com
Pin on Sitting bar height Bar Footrest Dimensions They are essentially a footrest that would run the length. Find out the standard bar foot rail height and. Generally, the footrails should be between 150mm to 215mm from your finish floor. Check this guide for the details on bar foot rail. We are metal fabricator specialists in custom footrails. Footrails are the most essential in bar & in your. Bar Footrest Dimensions.
From klaubgmaz.blob.core.windows.net
Bar Stool Footrest Height at Lan Johnson blog Bar Footrest Dimensions Learn what a bar foot rail is, why bars have them, and how to measure and install them. For certain brackets, you can decide the height of a bar foot rail from the floor. Find out the standard bar foot rail height and. The ideal foot rail height for a bar is 6 inches or 15.24 centimeters from the ground.. Bar Footrest Dimensions.
From www.pinterest.co.kr
Bar Stool Size Guide What Height and width Should my bar stool be Bar Footrest Dimensions They are essentially a footrest that would run the length. Footrails are the most essential in bar & in your kitchen as a footrest to provide comfort for your legs. Check this guide for the details on bar foot rail. Generally, the footrails should be between 150mm to 215mm from your finish floor. With other brackets, the proper bar foot. Bar Footrest Dimensions.
From fyoanvumu.blob.core.windows.net
Average Height Of Bar Foot Rail at Mary Moss blog Bar Footrest Dimensions Check this guide for the details on bar foot rail. How high should a bar footrail be? Use a measuring tape to calculate the dimensions of the bar and create a rough layout sketch to determine the ideal position of foot. Footrails are the most essential in bar & in your kitchen as a footrest to provide comfort for your. Bar Footrest Dimensions.
From www.s3i.co.uk
Bar Foot Rail Bracket 90 Degree Brass Finish S3i Group Bar Footrest Dimensions Generally, the footrails should be between 150mm to 215mm from your finish floor. How high should a bar footrail be? Use a measuring tape to calculate the dimensions of the bar and create a rough layout sketch to determine the ideal position of foot. For certain brackets, you can decide the height of a bar foot rail from the floor.. Bar Footrest Dimensions.
From www.youtube.com
Bar Foot Rails from KegWorks YouTube Bar Footrest Dimensions Learn what a bar foot rail is, why bars have them, and how to measure and install them. We are metal fabricator specialists in custom footrails. How high should a bar footrail be? Check this guide for the details on bar foot rail. Use a measuring tape to calculate the dimensions of the bar and create a rough layout sketch. Bar Footrest Dimensions.
From klaubgmaz.blob.core.windows.net
Bar Stool Footrest Height at Lan Johnson blog Bar Footrest Dimensions Check this guide for the details on bar foot rail. Use a measuring tape to calculate the dimensions of the bar and create a rough layout sketch to determine the ideal position of foot. Installing a bar foot rail involves precise measurements to ensure a comfortable and functional fit. They are essentially a footrest that would run the length. Learn. Bar Footrest Dimensions.
From jaredhisbrotherpcgrandsale.blogspot.com
8++ Guidances For Kitchen Island Foot Rest Bar Footrest Dimensions With other brackets, the proper bar foot rail height is fixed. Check this guide for the details on bar foot rail. Find out the standard bar foot rail height and. Learn what a bar foot rail is, why bars have them, and how to measure and install them. They are essentially a footrest that would run the length. We are. Bar Footrest Dimensions.
From www.hardwoodsincorporated.com
Bar Foot Rail Kit Hardwoods Incorporated Bar Footrest Dimensions Use a measuring tape to calculate the dimensions of the bar and create a rough layout sketch to determine the ideal position of foot. Installing a bar foot rail involves precise measurements to ensure a comfortable and functional fit. For certain brackets, you can decide the height of a bar foot rail from the floor. Check this guide for the. Bar Footrest Dimensions.
From www.pinterest.com
Bar Foot Rail, Beautifully Handcrafted Steel Contemporary / Rustic Bar Footrest Dimensions Footrails are the most essential in bar & in your kitchen as a footrest to provide comfort for your legs. Use a measuring tape to calculate the dimensions of the bar and create a rough layout sketch to determine the ideal position of foot. Check this guide for the details on bar foot rail. Generally, the footrails should be between. Bar Footrest Dimensions.
From gallerymetalworks.com
Footrails Guide Foot rails for Bar & Kitchen Island Gallery Metalworks Bar Footrest Dimensions They are essentially a footrest that would run the length. The ideal foot rail height for a bar is 6 inches or 15.24 centimeters from the ground. With other brackets, the proper bar foot rail height is fixed. We are metal fabricator specialists in custom footrails. Learn what a bar foot rail is, why bars have them, and how to. Bar Footrest Dimensions.
From content.kegworks.com
Planning & Installing Bar Foot Rails Bar Footrest Dimensions Generally, the footrails should be between 150mm to 215mm from your finish floor. They are essentially a footrest that would run the length. How high should a bar footrail be? Footrails are the most essential in bar & in your kitchen as a footrest to provide comfort for your legs. For certain brackets, you can decide the height of a. Bar Footrest Dimensions.
From www.pinterest.com
bar foot rail height ChainCuttersUnion Interior decorating kitchen Bar Footrest Dimensions Use a measuring tape to calculate the dimensions of the bar and create a rough layout sketch to determine the ideal position of foot. Generally, the footrails should be between 150mm to 215mm from your finish floor. With other brackets, the proper bar foot rail height is fixed. Check this guide for the details on bar foot rail. How high. Bar Footrest Dimensions.
From cabaretdesigners.com
Bar Layout Dimensions for DIY Bar Design Bar Footrest Dimensions Check this guide for the details on bar foot rail. They are essentially a footrest that would run the length. The ideal foot rail height for a bar is 6 inches or 15.24 centimeters from the ground. With other brackets, the proper bar foot rail height is fixed. Footrails are the most essential in bar & in your kitchen as. Bar Footrest Dimensions.
From www.haefele.de
Foot rail support, bar railing system online at HÄFELE Bar Footrest Dimensions The ideal foot rail height for a bar is 6 inches or 15.24 centimeters from the ground. Use a measuring tape to calculate the dimensions of the bar and create a rough layout sketch to determine the ideal position of foot. Generally, the footrails should be between 150mm to 215mm from your finish floor. With other brackets, the proper bar. Bar Footrest Dimensions.
From www.railing.design
bar foot railing height Railings Design Resources Bar Footrest Dimensions With other brackets, the proper bar foot rail height is fixed. They are essentially a footrest that would run the length. Learn what a bar foot rail is, why bars have them, and how to measure and install them. For certain brackets, you can decide the height of a bar foot rail from the floor. Use a measuring tape to. Bar Footrest Dimensions.
From www.hardwoodsincorporated.com
Foot Rail Installation Options Hardwoods Incorporated Bar Footrest Dimensions Generally, the footrails should be between 150mm to 215mm from your finish floor. Footrails are the most essential in bar & in your kitchen as a footrest to provide comfort for your legs. Learn what a bar foot rail is, why bars have them, and how to measure and install them. The ideal foot rail height for a bar is. Bar Footrest Dimensions.
From fittedyourway.co.uk
Bar Area Foot Rest FITTED Your Way Bar Footrest Dimensions Use a measuring tape to calculate the dimensions of the bar and create a rough layout sketch to determine the ideal position of foot. Learn what a bar foot rail is, why bars have them, and how to measure and install them. Installing a bar foot rail involves precise measurements to ensure a comfortable and functional fit. Generally, the footrails. Bar Footrest Dimensions.
From www.kegworks.com
Polished Brass Bar Foot Rail Kit KegWorks Bar Footrest Dimensions They are essentially a footrest that would run the length. Footrails are the most essential in bar & in your kitchen as a footrest to provide comfort for your legs. With other brackets, the proper bar foot rail height is fixed. Check this guide for the details on bar foot rail. We are metal fabricator specialists in custom footrails. Generally,. Bar Footrest Dimensions.
From furnitureroots.com
Restaurant Bar Counter Designs Ideas, Dimensions & Images Bar Footrest Dimensions The ideal foot rail height for a bar is 6 inches or 15.24 centimeters from the ground. Learn what a bar foot rail is, why bars have them, and how to measure and install them. We are metal fabricator specialists in custom footrails. Use a measuring tape to calculate the dimensions of the bar and create a rough layout sketch. Bar Footrest Dimensions.
From damarisfersmendoza.blogspot.com
What Is the Height of a Bar Foot Rail Bar Footrest Dimensions With other brackets, the proper bar foot rail height is fixed. Check this guide for the details on bar foot rail. Find out the standard bar foot rail height and. They are essentially a footrest that would run the length. For certain brackets, you can decide the height of a bar foot rail from the floor. Use a measuring tape. Bar Footrest Dimensions.
From www.ecrater.com
KegWorks Bar Foot Rail Kit Gunmetal Grey 2" Tubing, 23 Brackets, 23 Bar Footrest Dimensions Use a measuring tape to calculate the dimensions of the bar and create a rough layout sketch to determine the ideal position of foot. Find out the standard bar foot rail height and. Generally, the footrails should be between 150mm to 215mm from your finish floor. We are metal fabricator specialists in custom footrails. They are essentially a footrest that. Bar Footrest Dimensions.
From www.pinterest.com
Combo bar footrest Bar Footrest Dimensions Footrails are the most essential in bar & in your kitchen as a footrest to provide comfort for your legs. For certain brackets, you can decide the height of a bar foot rail from the floor. How high should a bar footrail be? Learn what a bar foot rail is, why bars have them, and how to measure and install. Bar Footrest Dimensions.
From www.agcaddesigns.com
Standard Commercial Bar Dimensions, Typical Heights (310) 4317860 Bar Footrest Dimensions Footrails are the most essential in bar & in your kitchen as a footrest to provide comfort for your legs. How high should a bar footrail be? Installing a bar foot rail involves precise measurements to ensure a comfortable and functional fit. Generally, the footrails should be between 150mm to 215mm from your finish floor. They are essentially a footrest. Bar Footrest Dimensions.
From designingidea.com
Bar Dimensions (Layout & Size Guide) Designing Idea Bar Footrest Dimensions Installing a bar foot rail involves precise measurements to ensure a comfortable and functional fit. Find out the standard bar foot rail height and. Generally, the footrails should be between 150mm to 215mm from your finish floor. Footrails are the most essential in bar & in your kitchen as a footrest to provide comfort for your legs. With other brackets,. Bar Footrest Dimensions.
From www.hardwoodsincorporated.com
Foot Rail Installation Options Hardwoods Incorporated Bar Footrest Dimensions Find out the standard bar foot rail height and. They are essentially a footrest that would run the length. How high should a bar footrail be? We are metal fabricator specialists in custom footrails. Learn what a bar foot rail is, why bars have them, and how to measure and install them. For certain brackets, you can decide the height. Bar Footrest Dimensions.
From nextluxury.com
Top 40 Best Bar Foot Rail Ideas Home Saloon Designs Bar Footrest Dimensions Installing a bar foot rail involves precise measurements to ensure a comfortable and functional fit. Find out the standard bar foot rail height and. Footrails are the most essential in bar & in your kitchen as a footrest to provide comfort for your legs. Check this guide for the details on bar foot rail. They are essentially a footrest that. Bar Footrest Dimensions.
From designingidea.com
Bar Dimensions (Layout & Size Guide) Bar Footrest Dimensions They are essentially a footrest that would run the length. How high should a bar footrail be? Learn what a bar foot rail is, why bars have them, and how to measure and install them. Installing a bar foot rail involves precise measurements to ensure a comfortable and functional fit. Generally, the footrails should be between 150mm to 215mm from. Bar Footrest Dimensions.
From content.kegworks.com
Planning & Installing Bar Foot Rails Bar Footrest Dimensions Find out the standard bar foot rail height and. Learn what a bar foot rail is, why bars have them, and how to measure and install them. For certain brackets, you can decide the height of a bar foot rail from the floor. Check this guide for the details on bar foot rail. Installing a bar foot rail involves precise. Bar Footrest Dimensions.
From www.s3i.co.uk
Bar Foot Rail Bracket 90 Degree Offset, Brass Finish S3i Group Bar Footrest Dimensions Installing a bar foot rail involves precise measurements to ensure a comfortable and functional fit. Footrails are the most essential in bar & in your kitchen as a footrest to provide comfort for your legs. Check this guide for the details on bar foot rail. We are metal fabricator specialists in custom footrails. For certain brackets, you can decide the. Bar Footrest Dimensions.
From www.corliving.ca
Antonio Faux Leather Bar Height Bar Stool with Footrest — CorLiving Bar Footrest Dimensions Use a measuring tape to calculate the dimensions of the bar and create a rough layout sketch to determine the ideal position of foot. Installing a bar foot rail involves precise measurements to ensure a comfortable and functional fit. Generally, the footrails should be between 150mm to 215mm from your finish floor. With other brackets, the proper bar foot rail. Bar Footrest Dimensions.
From www.kegworks.com
Bar Foot Rail Tubing Brushed Stainless Steel 2" OD KegWorks Bar Footrest Dimensions Learn what a bar foot rail is, why bars have them, and how to measure and install them. Check this guide for the details on bar foot rail. For certain brackets, you can decide the height of a bar foot rail from the floor. Footrails are the most essential in bar & in your kitchen as a footrest to provide. Bar Footrest Dimensions.