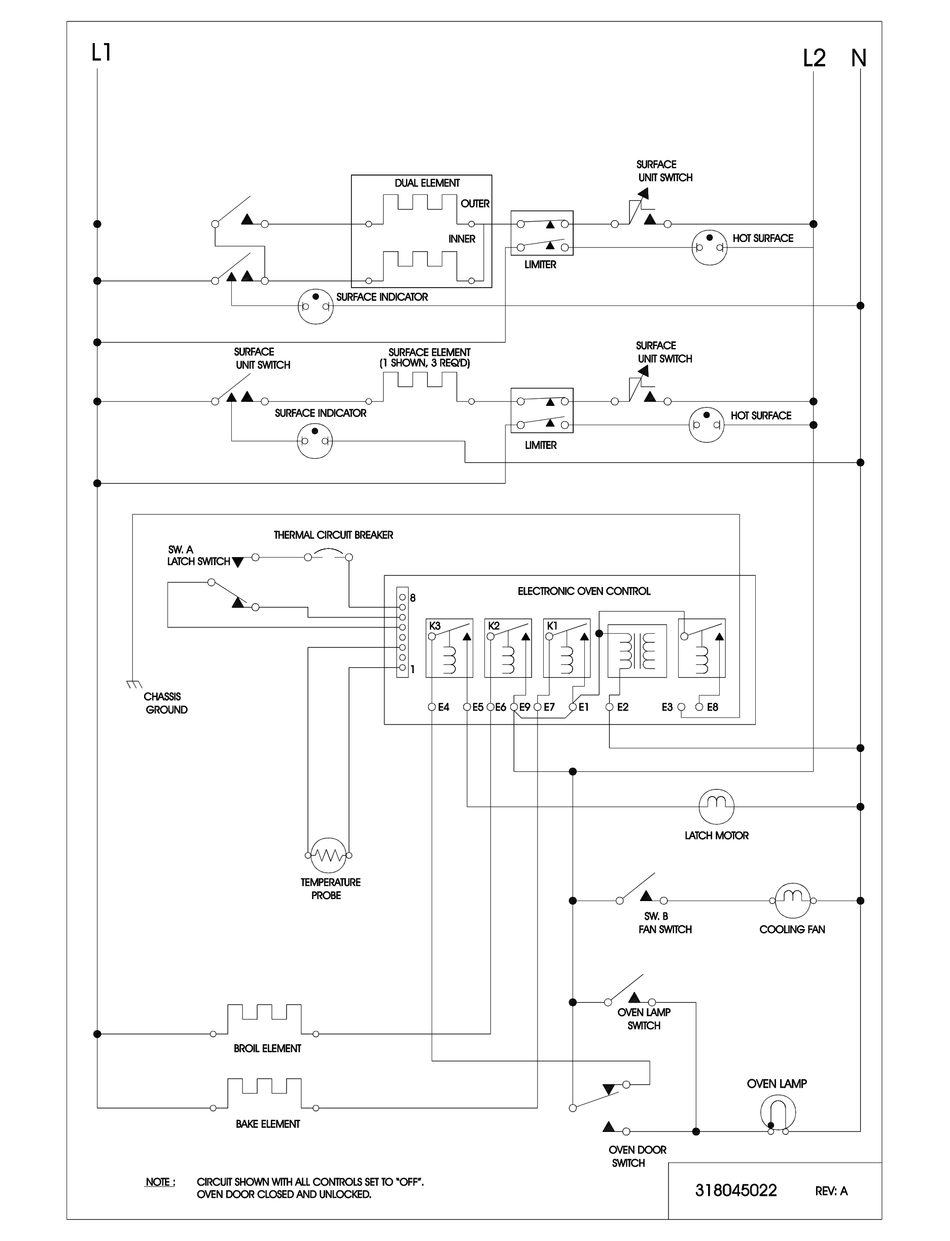
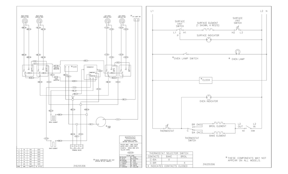
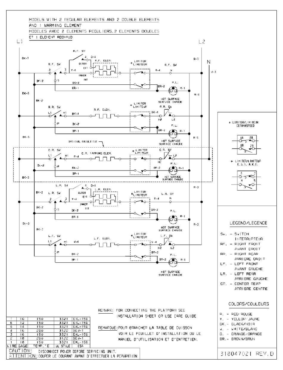
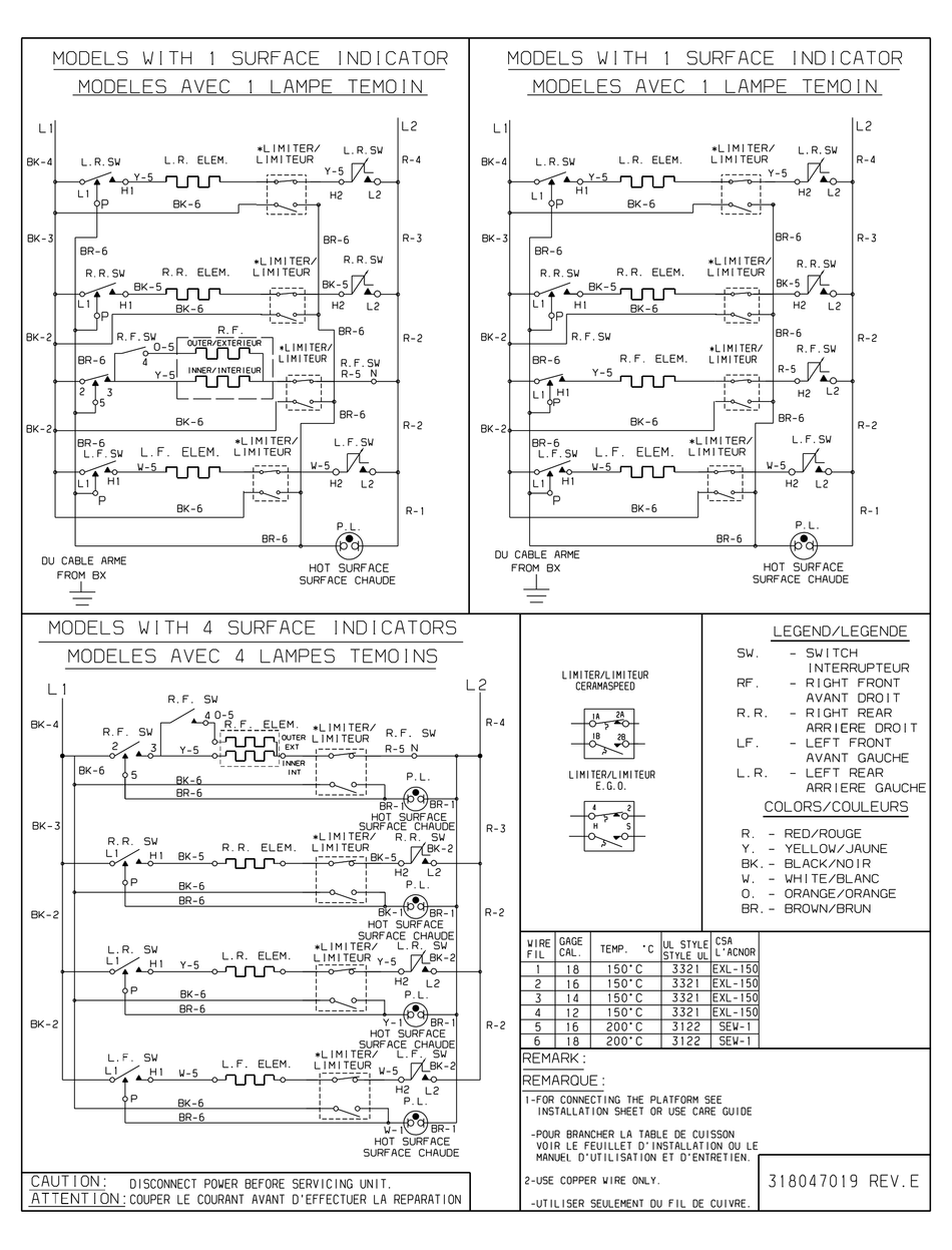
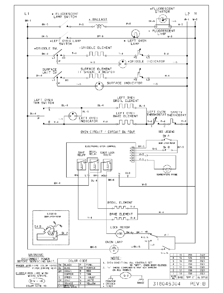
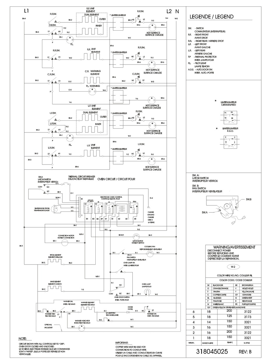
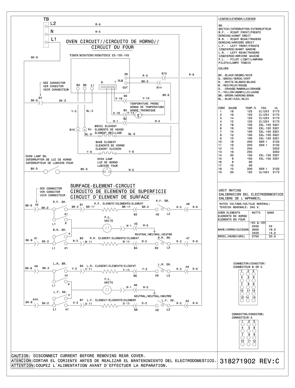
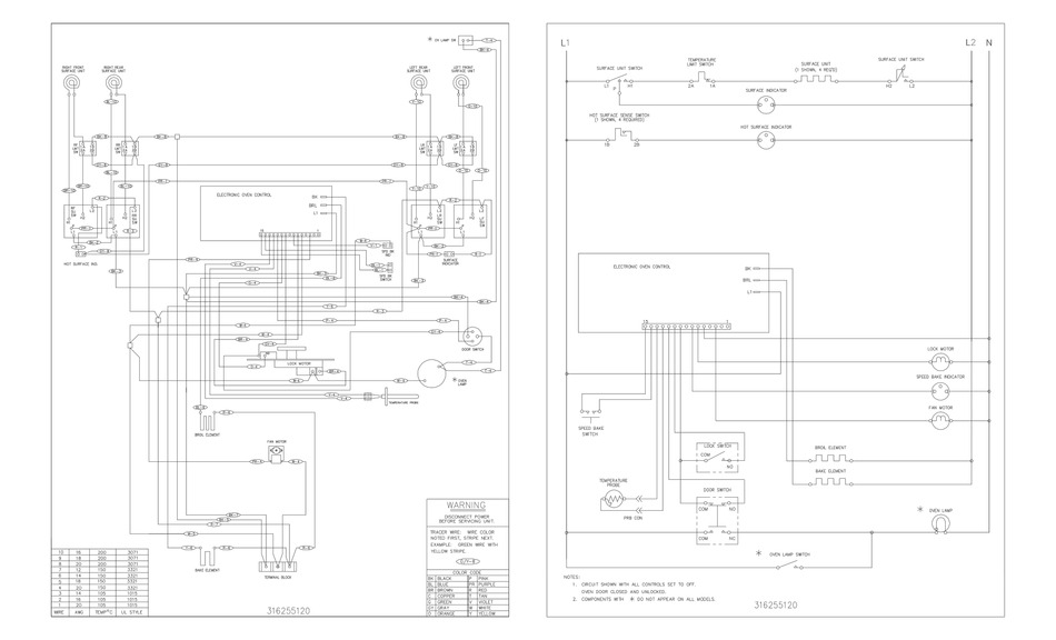
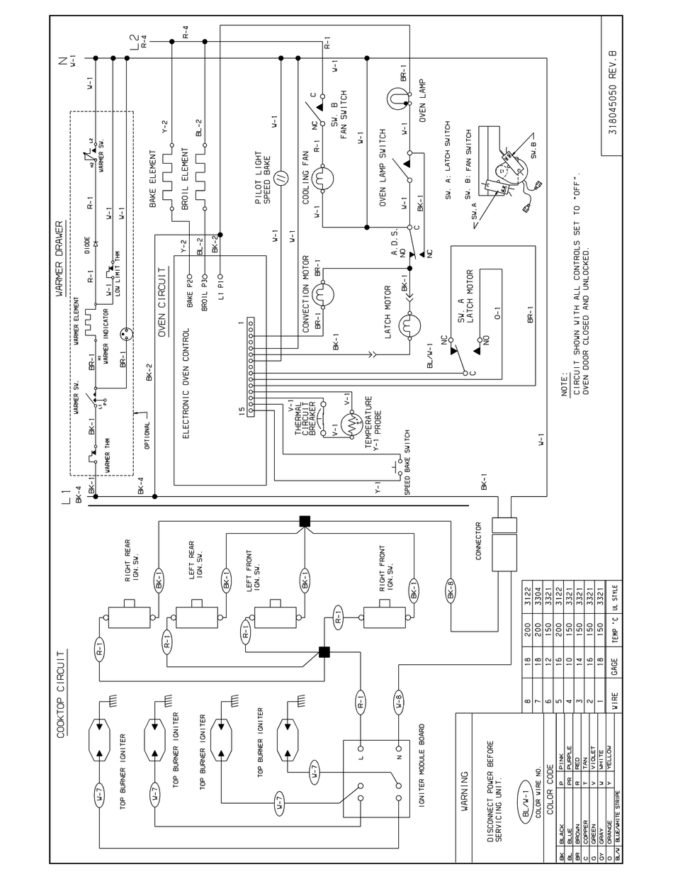
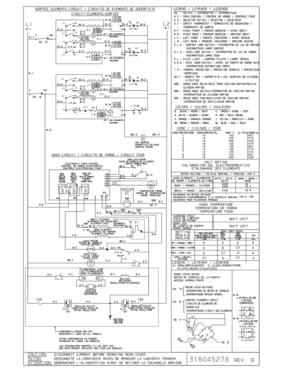
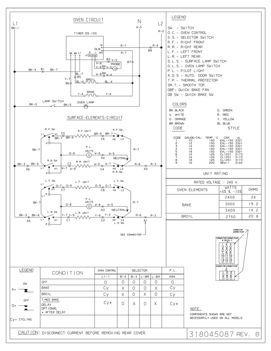
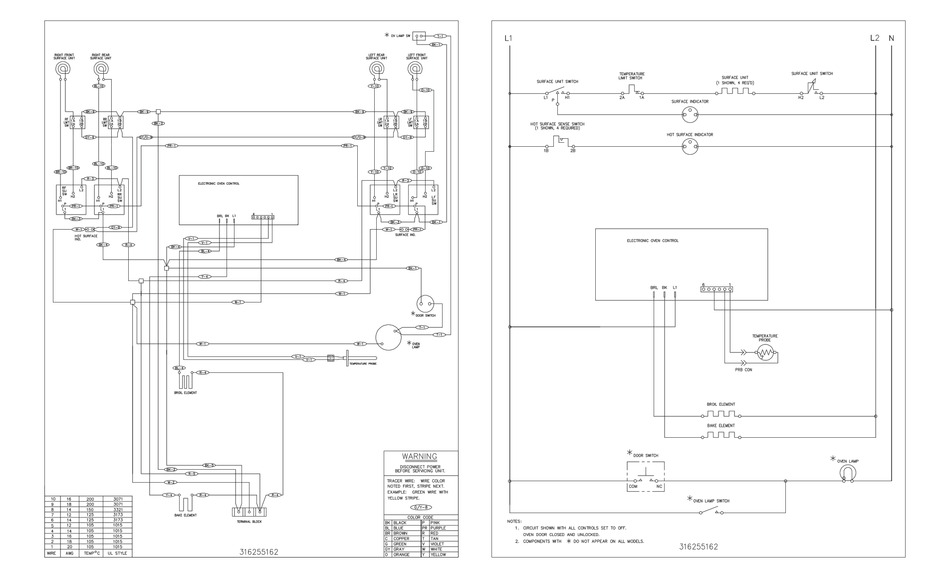
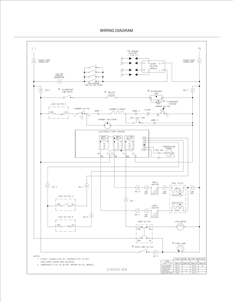
Frigidaire Cooktop Wiring Diagram . The wiring diagram for a frigidaire electric range typically includes information about the power supply, control board, heating elements, and. Models with 1/2/3/4 surface indicator. View and download frigidaire fec32s6asc wiring diagram online. Electric cooktop installation instructions cooktop installation 1. All ceramic‑glass cooktops visually inspect the cooktop for damage. Also make sure all cooktop. Check wiring between lock switch and oven relay board. A complete guide to your ffec3025ub frigidaire cooktop at partselect. View and download frigidaire plcf489ccf wiring diagram online. A complete guide to your ffeh3054usa frigidaire range at partselect. Verify with ohmmeter if the switch makes contact properly (verify continuity with.
from www.manualslib.com
View and download frigidaire plcf489ccf wiring diagram online. View and download frigidaire fec32s6asc wiring diagram online. Also make sure all cooktop. Electric cooktop installation instructions cooktop installation 1. Verify with ohmmeter if the switch makes contact properly (verify continuity with. The wiring diagram for a frigidaire electric range typically includes information about the power supply, control board, heating elements, and. Models with 1/2/3/4 surface indicator. All ceramic‑glass cooktops visually inspect the cooktop for damage. Check wiring between lock switch and oven relay board. A complete guide to your ffeh3054usa frigidaire range at partselect.
FRIGIDAIRE FEC6X8XH COOKTOP WIRING DIAGRAM ManualsLib
Frigidaire Cooktop Wiring Diagram The wiring diagram for a frigidaire electric range typically includes information about the power supply, control board, heating elements, and. View and download frigidaire fec32s6asc wiring diagram online. Models with 1/2/3/4 surface indicator. A complete guide to your ffeh3054usa frigidaire range at partselect. View and download frigidaire plcf489ccf wiring diagram online. The wiring diagram for a frigidaire electric range typically includes information about the power supply, control board, heating elements, and. A complete guide to your ffec3025ub frigidaire cooktop at partselect. Electric cooktop installation instructions cooktop installation 1. All ceramic‑glass cooktops visually inspect the cooktop for damage. Verify with ohmmeter if the switch makes contact properly (verify continuity with. Also make sure all cooktop. Check wiring between lock switch and oven relay board.
From diagramweb.net
Frigidaire Electric Range Stove Oven Timer Wiring Diagram Pdf Frigidaire Cooktop Wiring Diagram View and download frigidaire plcf489ccf wiring diagram online. Verify with ohmmeter if the switch makes contact properly (verify continuity with. Also make sure all cooktop. Check wiring between lock switch and oven relay board. The wiring diagram for a frigidaire electric range typically includes information about the power supply, control board, heating elements, and. A complete guide to your ffec3025ub. Frigidaire Cooktop Wiring Diagram.
From diagramwiringschema.blogspot.com
Frigidaire Oven Control Board Wiring Diagram diagramwirings Frigidaire Cooktop Wiring Diagram All ceramic‑glass cooktops visually inspect the cooktop for damage. The wiring diagram for a frigidaire electric range typically includes information about the power supply, control board, heating elements, and. View and download frigidaire fec32s6asc wiring diagram online. A complete guide to your ffeh3054usa frigidaire range at partselect. Also make sure all cooktop. Models with 1/2/3/4 surface indicator. Verify with ohmmeter. Frigidaire Cooktop Wiring Diagram.
From www.manualslib.com
FRIGIDAIRE FEF450WFWB COOKTOP WIRING DIAGRAM ManualsLib Frigidaire Cooktop Wiring Diagram Check wiring between lock switch and oven relay board. Models with 1/2/3/4 surface indicator. All ceramic‑glass cooktops visually inspect the cooktop for damage. Electric cooktop installation instructions cooktop installation 1. The wiring diagram for a frigidaire electric range typically includes information about the power supply, control board, heating elements, and. View and download frigidaire fec32s6asc wiring diagram online. Verify with. Frigidaire Cooktop Wiring Diagram.
From www.manualslib.com
FRIGIDAIRE GLES388CSB COOKTOP WIRING DIAGRAM ManualsLib Frigidaire Cooktop Wiring Diagram Check wiring between lock switch and oven relay board. All ceramic‑glass cooktops visually inspect the cooktop for damage. Also make sure all cooktop. Verify with ohmmeter if the switch makes contact properly (verify continuity with. View and download frigidaire plcf489ccf wiring diagram online. View and download frigidaire fec32s6asc wiring diagram online. The wiring diagram for a frigidaire electric range typically. Frigidaire Cooktop Wiring Diagram.
From www.manualslib.com
FRIGIDAIRE FCS388WHCC COOKTOP WIRING DIAGRAM ManualsLib Frigidaire Cooktop Wiring Diagram Models with 1/2/3/4 surface indicator. View and download frigidaire fec32s6asc wiring diagram online. A complete guide to your ffeh3054usa frigidaire range at partselect. Verify with ohmmeter if the switch makes contact properly (verify continuity with. The wiring diagram for a frigidaire electric range typically includes information about the power supply, control board, heating elements, and. A complete guide to your. Frigidaire Cooktop Wiring Diagram.
From www.manualslib.com
FRIGIDAIRE FED300ESC COOKTOP WIRING DIAGRAM ManualsLib Frigidaire Cooktop Wiring Diagram View and download frigidaire fec32s6asc wiring diagram online. View and download frigidaire plcf489ccf wiring diagram online. Also make sure all cooktop. Models with 1/2/3/4 surface indicator. Verify with ohmmeter if the switch makes contact properly (verify continuity with. All ceramic‑glass cooktops visually inspect the cooktop for damage. A complete guide to your ffec3025ub frigidaire cooktop at partselect. Electric cooktop installation. Frigidaire Cooktop Wiring Diagram.
From www.manualslib.com
FRIGIDAIRE FED300DSB COOKTOP WIRING DIAGRAM ManualsLib Frigidaire Cooktop Wiring Diagram Models with 1/2/3/4 surface indicator. A complete guide to your ffec3025ub frigidaire cooktop at partselect. View and download frigidaire plcf489ccf wiring diagram online. Verify with ohmmeter if the switch makes contact properly (verify continuity with. View and download frigidaire fec32s6asc wiring diagram online. Also make sure all cooktop. Electric cooktop installation instructions cooktop installation 1. Check wiring between lock switch. Frigidaire Cooktop Wiring Diagram.
From www.manualslib.com
FRIGIDAIRE FEF376ASE COOKTOP WIRING DIAGRAM ManualsLib Frigidaire Cooktop Wiring Diagram The wiring diagram for a frigidaire electric range typically includes information about the power supply, control board, heating elements, and. A complete guide to your ffec3025ub frigidaire cooktop at partselect. Models with 1/2/3/4 surface indicator. All ceramic‑glass cooktops visually inspect the cooktop for damage. Also make sure all cooktop. Check wiring between lock switch and oven relay board. A complete. Frigidaire Cooktop Wiring Diagram.
From www.manualslib.com
FRIGIDAIRE GLCS376ASA COOKTOP WIRING DIAGRAM ManualsLib Frigidaire Cooktop Wiring Diagram All ceramic‑glass cooktops visually inspect the cooktop for damage. Also make sure all cooktop. View and download frigidaire plcf489ccf wiring diagram online. View and download frigidaire fec32s6asc wiring diagram online. A complete guide to your ffeh3054usa frigidaire range at partselect. Models with 1/2/3/4 surface indicator. The wiring diagram for a frigidaire electric range typically includes information about the power supply,. Frigidaire Cooktop Wiring Diagram.
From www.manualslib.com
FRIGIDAIRE FED355CCTI COOKTOP WIRING DIAGRAM ManualsLib Frigidaire Cooktop Wiring Diagram A complete guide to your ffec3025ub frigidaire cooktop at partselect. View and download frigidaire fec32s6asc wiring diagram online. Models with 1/2/3/4 surface indicator. Electric cooktop installation instructions cooktop installation 1. A complete guide to your ffeh3054usa frigidaire range at partselect. Also make sure all cooktop. Verify with ohmmeter if the switch makes contact properly (verify continuity with. All ceramic‑glass cooktops. Frigidaire Cooktop Wiring Diagram.
From www.manualslib.com
FRIGIDAIRE FEF336BCC COOKTOP WIRING DIAGRAM ManualsLib Frigidaire Cooktop Wiring Diagram The wiring diagram for a frigidaire electric range typically includes information about the power supply, control board, heating elements, and. A complete guide to your ffeh3054usa frigidaire range at partselect. View and download frigidaire plcf489ccf wiring diagram online. Also make sure all cooktop. View and download frigidaire fec32s6asc wiring diagram online. Verify with ohmmeter if the switch makes contact properly. Frigidaire Cooktop Wiring Diagram.
From diagramweb.net
Frigidaire Electric Range Stove Oven Timer Wiring Diagram Pdf Frigidaire Cooktop Wiring Diagram A complete guide to your ffec3025ub frigidaire cooktop at partselect. View and download frigidaire fec32s6asc wiring diagram online. Also make sure all cooktop. All ceramic‑glass cooktops visually inspect the cooktop for damage. Verify with ohmmeter if the switch makes contact properly (verify continuity with. Electric cooktop installation instructions cooktop installation 1. Check wiring between lock switch and oven relay board.. Frigidaire Cooktop Wiring Diagram.
From www.manualslib.com
FRIGIDAIRE FEF316BSF COOKTOP WIRING DIAGRAM ManualsLib Frigidaire Cooktop Wiring Diagram A complete guide to your ffec3025ub frigidaire cooktop at partselect. Also make sure all cooktop. The wiring diagram for a frigidaire electric range typically includes information about the power supply, control board, heating elements, and. A complete guide to your ffeh3054usa frigidaire range at partselect. Electric cooktop installation instructions cooktop installation 1. Verify with ohmmeter if the switch makes contact. Frigidaire Cooktop Wiring Diagram.
From www.manualslib.com
FRIGIDAIRE FEB756CETF OVEN WIRING DIAGRAM ManualsLib Frigidaire Cooktop Wiring Diagram A complete guide to your ffeh3054usa frigidaire range at partselect. Electric cooktop installation instructions cooktop installation 1. View and download frigidaire plcf489ccf wiring diagram online. All ceramic‑glass cooktops visually inspect the cooktop for damage. View and download frigidaire fec32s6asc wiring diagram online. Also make sure all cooktop. A complete guide to your ffec3025ub frigidaire cooktop at partselect. Check wiring between. Frigidaire Cooktop Wiring Diagram.
From www.manualslib.com
FRIGIDAIRE FGF358CGSF COOKTOP WIRING DIAGRAM ManualsLib Frigidaire Cooktop Wiring Diagram Verify with ohmmeter if the switch makes contact properly (verify continuity with. Check wiring between lock switch and oven relay board. Also make sure all cooktop. Electric cooktop installation instructions cooktop installation 1. View and download frigidaire fec32s6asc wiring diagram online. The wiring diagram for a frigidaire electric range typically includes information about the power supply, control board, heating elements,. Frigidaire Cooktop Wiring Diagram.
From www.manualslib.com
FRIGIDAIRE FEC6X8XH COOKTOP WIRING DIAGRAM ManualsLib Frigidaire Cooktop Wiring Diagram View and download frigidaire plcf489ccf wiring diagram online. A complete guide to your ffeh3054usa frigidaire range at partselect. The wiring diagram for a frigidaire electric range typically includes information about the power supply, control board, heating elements, and. Also make sure all cooktop. Electric cooktop installation instructions cooktop installation 1. Check wiring between lock switch and oven relay board. Verify. Frigidaire Cooktop Wiring Diagram.
From www.manualslib.com
FRIGIDAIRE FEF336WHSD COOKTOP WIRING DIAGRAM ManualsLib Frigidaire Cooktop Wiring Diagram A complete guide to your ffeh3054usa frigidaire range at partselect. View and download frigidaire plcf489ccf wiring diagram online. The wiring diagram for a frigidaire electric range typically includes information about the power supply, control board, heating elements, and. Verify with ohmmeter if the switch makes contact properly (verify continuity with. A complete guide to your ffec3025ub frigidaire cooktop at partselect.. Frigidaire Cooktop Wiring Diagram.
From www.manualslib.com
FRIGIDAIRE FED367CETE COOKTOP WIRING DIAGRAM ManualsLib Frigidaire Cooktop Wiring Diagram A complete guide to your ffec3025ub frigidaire cooktop at partselect. Models with 1/2/3/4 surface indicator. View and download frigidaire plcf489ccf wiring diagram online. All ceramic‑glass cooktops visually inspect the cooktop for damage. Verify with ohmmeter if the switch makes contact properly (verify continuity with. View and download frigidaire fec32s6asc wiring diagram online. A complete guide to your ffeh3054usa frigidaire range. Frigidaire Cooktop Wiring Diagram.
From diagramweb.net
Frigidaire Electric Range Stove Oven Timer Wiring Diagram Pdf Frigidaire Cooktop Wiring Diagram View and download frigidaire fec32s6asc wiring diagram online. Also make sure all cooktop. Check wiring between lock switch and oven relay board. A complete guide to your ffec3025ub frigidaire cooktop at partselect. A complete guide to your ffeh3054usa frigidaire range at partselect. Verify with ohmmeter if the switch makes contact properly (verify continuity with. View and download frigidaire plcf489ccf wiring. Frigidaire Cooktop Wiring Diagram.
From www.manualslib.com
FRIGIDAIRE FED387CHSC COOKTOP WIRING DIAGRAM ManualsLib Frigidaire Cooktop Wiring Diagram Check wiring between lock switch and oven relay board. All ceramic‑glass cooktops visually inspect the cooktop for damage. A complete guide to your ffeh3054usa frigidaire range at partselect. Models with 1/2/3/4 surface indicator. Verify with ohmmeter if the switch makes contact properly (verify continuity with. View and download frigidaire plcf489ccf wiring diagram online. View and download frigidaire fec32s6asc wiring diagram. Frigidaire Cooktop Wiring Diagram.
From www.manualslib.com
FRIGIDAIRE FGFL89CCB COOKTOP WIRING DIAGRAM ManualsLib Frigidaire Cooktop Wiring Diagram A complete guide to your ffeh3054usa frigidaire range at partselect. Check wiring between lock switch and oven relay board. All ceramic‑glass cooktops visually inspect the cooktop for damage. The wiring diagram for a frigidaire electric range typically includes information about the power supply, control board, heating elements, and. Verify with ohmmeter if the switch makes contact properly (verify continuity with.. Frigidaire Cooktop Wiring Diagram.
From www.manualslib.com
FRIGIDAIRE FEF367CGSE COOKTOP WIRING DIAGRAM ManualsLib Frigidaire Cooktop Wiring Diagram Electric cooktop installation instructions cooktop installation 1. A complete guide to your ffeh3054usa frigidaire range at partselect. View and download frigidaire fec32s6asc wiring diagram online. Models with 1/2/3/4 surface indicator. A complete guide to your ffec3025ub frigidaire cooktop at partselect. Verify with ohmmeter if the switch makes contact properly (verify continuity with. View and download frigidaire plcf489ccf wiring diagram online.. Frigidaire Cooktop Wiring Diagram.
From www.manualslib.com
FRIGIDAIRE FGB33WHSB COOKTOP WIRING DIAGRAM ManualsLib Frigidaire Cooktop Wiring Diagram Also make sure all cooktop. Electric cooktop installation instructions cooktop installation 1. A complete guide to your ffec3025ub frigidaire cooktop at partselect. Models with 1/2/3/4 surface indicator. The wiring diagram for a frigidaire electric range typically includes information about the power supply, control board, heating elements, and. A complete guide to your ffeh3054usa frigidaire range at partselect. View and download. Frigidaire Cooktop Wiring Diagram.
From www.manualslib.com
FRIGIDAIRE GLEF379DSB COOKTOP WIRING DIAGRAM ManualsLib Frigidaire Cooktop Wiring Diagram Electric cooktop installation instructions cooktop installation 1. A complete guide to your ffec3025ub frigidaire cooktop at partselect. A complete guide to your ffeh3054usa frigidaire range at partselect. The wiring diagram for a frigidaire electric range typically includes information about the power supply, control board, heating elements, and. View and download frigidaire fec32s6asc wiring diagram online. Models with 1/2/3/4 surface indicator.. Frigidaire Cooktop Wiring Diagram.
From guidepartpragmatic.z13.web.core.windows.net
Frigidaire Range Wiring Diagram Frigidaire Cooktop Wiring Diagram View and download frigidaire fec32s6asc wiring diagram online. Check wiring between lock switch and oven relay board. Models with 1/2/3/4 surface indicator. Electric cooktop installation instructions cooktop installation 1. View and download frigidaire plcf489ccf wiring diagram online. All ceramic‑glass cooktops visually inspect the cooktop for damage. A complete guide to your ffeh3054usa frigidaire range at partselect. Verify with ohmmeter if. Frigidaire Cooktop Wiring Diagram.
From www.manualslib.com
FRIGIDAIRE FEC32S6HSA COOKTOP WIRING DIAGRAM ManualsLib Frigidaire Cooktop Wiring Diagram A complete guide to your ffec3025ub frigidaire cooktop at partselect. Check wiring between lock switch and oven relay board. Models with 1/2/3/4 surface indicator. Electric cooktop installation instructions cooktop installation 1. A complete guide to your ffeh3054usa frigidaire range at partselect. View and download frigidaire plcf489ccf wiring diagram online. Verify with ohmmeter if the switch makes contact properly (verify continuity. Frigidaire Cooktop Wiring Diagram.
From www.manualslib.com
FRIGIDAIRE FEC32S6ASC COOKTOP WIRING DIAGRAM ManualsLib Frigidaire Cooktop Wiring Diagram The wiring diagram for a frigidaire electric range typically includes information about the power supply, control board, heating elements, and. Also make sure all cooktop. A complete guide to your ffeh3054usa frigidaire range at partselect. Verify with ohmmeter if the switch makes contact properly (verify continuity with. View and download frigidaire plcf489ccf wiring diagram online. A complete guide to your. Frigidaire Cooktop Wiring Diagram.
From www.manualslib.com
FRIGIDAIRE FGF316WGTH COOKTOP WIRING DIAGRAM ManualsLib Frigidaire Cooktop Wiring Diagram Verify with ohmmeter if the switch makes contact properly (verify continuity with. View and download frigidaire plcf489ccf wiring diagram online. Also make sure all cooktop. All ceramic‑glass cooktops visually inspect the cooktop for damage. A complete guide to your ffeh3054usa frigidaire range at partselect. Check wiring between lock switch and oven relay board. View and download frigidaire fec32s6asc wiring diagram. Frigidaire Cooktop Wiring Diagram.
From www.manualslib.com
FRIGIDAIRE FGFL83DSE COOKTOP WIRING DIAGRAM ManualsLib Frigidaire Cooktop Wiring Diagram View and download frigidaire fec32s6asc wiring diagram online. Check wiring between lock switch and oven relay board. A complete guide to your ffeh3054usa frigidaire range at partselect. Also make sure all cooktop. Models with 1/2/3/4 surface indicator. All ceramic‑glass cooktops visually inspect the cooktop for damage. Verify with ohmmeter if the switch makes contact properly (verify continuity with. The wiring. Frigidaire Cooktop Wiring Diagram.
From www.manualslib.com
FRIGIDAIRE FGC6X9XGTA COOKTOP WIRING DIAGRAM ManualsLib Frigidaire Cooktop Wiring Diagram A complete guide to your ffec3025ub frigidaire cooktop at partselect. Verify with ohmmeter if the switch makes contact properly (verify continuity with. View and download frigidaire fec32s6asc wiring diagram online. Check wiring between lock switch and oven relay board. Also make sure all cooktop. View and download frigidaire plcf489ccf wiring diagram online. Models with 1/2/3/4 surface indicator. A complete guide. Frigidaire Cooktop Wiring Diagram.
From schematicmanualbrian.z19.web.core.windows.net
Wiring Diagram For Frigidaire Refrigerator Frigidaire Cooktop Wiring Diagram The wiring diagram for a frigidaire electric range typically includes information about the power supply, control board, heating elements, and. Also make sure all cooktop. View and download frigidaire fec32s6asc wiring diagram online. Models with 1/2/3/4 surface indicator. A complete guide to your ffeh3054usa frigidaire range at partselect. View and download frigidaire plcf489ccf wiring diagram online. A complete guide to. Frigidaire Cooktop Wiring Diagram.
From www.manualslib.com
FRIGIDAIRE OVEN WIRING DIAGRAM Pdf Download ManualsLib Frigidaire Cooktop Wiring Diagram View and download frigidaire plcf489ccf wiring diagram online. A complete guide to your ffec3025ub frigidaire cooktop at partselect. All ceramic‑glass cooktops visually inspect the cooktop for damage. View and download frigidaire fec32s6asc wiring diagram online. Electric cooktop installation instructions cooktop installation 1. Check wiring between lock switch and oven relay board. A complete guide to your ffeh3054usa frigidaire range at. Frigidaire Cooktop Wiring Diagram.
From design1systems.com
The Ultimate Frigidaire Oven Control Board Wiring Diagram Simplified Guide Frigidaire Cooktop Wiring Diagram Check wiring between lock switch and oven relay board. The wiring diagram for a frigidaire electric range typically includes information about the power supply, control board, heating elements, and. View and download frigidaire plcf489ccf wiring diagram online. Models with 1/2/3/4 surface indicator. All ceramic‑glass cooktops visually inspect the cooktop for damage. View and download frigidaire fec32s6asc wiring diagram online. A. Frigidaire Cooktop Wiring Diagram.
From www.manualslib.com
FRIGIDAIRE FEFB68CJSA COOKTOP WIRING DIAGRAM ManualsLib Frigidaire Cooktop Wiring Diagram Models with 1/2/3/4 surface indicator. View and download frigidaire plcf489ccf wiring diagram online. View and download frigidaire fec32s6asc wiring diagram online. The wiring diagram for a frigidaire electric range typically includes information about the power supply, control board, heating elements, and. Check wiring between lock switch and oven relay board. A complete guide to your ffec3025ub frigidaire cooktop at partselect.. Frigidaire Cooktop Wiring Diagram.