Nissan Rogue Wiper Service Position . The rain sensor is typically located on the rearview mirror's backside or the dashboard's forward edge near the windshield. Ipdm e/r detects the front wiper auto stop signal from the position of the front wiper motor (stop position/ except stop position). This action will cause the wipers to automatically take the service position. Rapidly lift the windshield wiper and washer lever a upwards twice within 0.5 seconds. Move front wiper into the service position by turning the ignition switch on, then quickly push the wiper washer switch to the mist position two times within 0.5 seconds. This automotive maintenance tutorial was specifically written to assist owners of the second generation 2014,. Once you locate the sensor, it's easy to test with a garden. This is how to put the wipers in service position so that it's easy to change the blades when.
from www.youtube.com
Once you locate the sensor, it's easy to test with a garden. This automotive maintenance tutorial was specifically written to assist owners of the second generation 2014,. This action will cause the wipers to automatically take the service position. The rain sensor is typically located on the rearview mirror's backside or the dashboard's forward edge near the windshield. Move front wiper into the service position by turning the ignition switch on, then quickly push the wiper washer switch to the mist position two times within 0.5 seconds. Rapidly lift the windshield wiper and washer lever a upwards twice within 0.5 seconds. Ipdm e/r detects the front wiper auto stop signal from the position of the front wiper motor (stop position/ except stop position). This is how to put the wipers in service position so that it's easy to change the blades when.
2015 Nissan Rogue Select Windshield Wiper and Washer Controls YouTube
Nissan Rogue Wiper Service Position Rapidly lift the windshield wiper and washer lever a upwards twice within 0.5 seconds. Rapidly lift the windshield wiper and washer lever a upwards twice within 0.5 seconds. Move front wiper into the service position by turning the ignition switch on, then quickly push the wiper washer switch to the mist position two times within 0.5 seconds. Once you locate the sensor, it's easy to test with a garden. The rain sensor is typically located on the rearview mirror's backside or the dashboard's forward edge near the windshield. This automotive maintenance tutorial was specifically written to assist owners of the second generation 2014,. This action will cause the wipers to automatically take the service position. This is how to put the wipers in service position so that it's easy to change the blades when. Ipdm e/r detects the front wiper auto stop signal from the position of the front wiper motor (stop position/ except stop position).
From www.youtube.com
2021 Nissan Rogue Windshield Wiper and Washer Controls YouTube Nissan Rogue Wiper Service Position Ipdm e/r detects the front wiper auto stop signal from the position of the front wiper motor (stop position/ except stop position). Once you locate the sensor, it's easy to test with a garden. This is how to put the wipers in service position so that it's easy to change the blades when. The rain sensor is typically located on. Nissan Rogue Wiper Service Position.
From www.nirogue.com
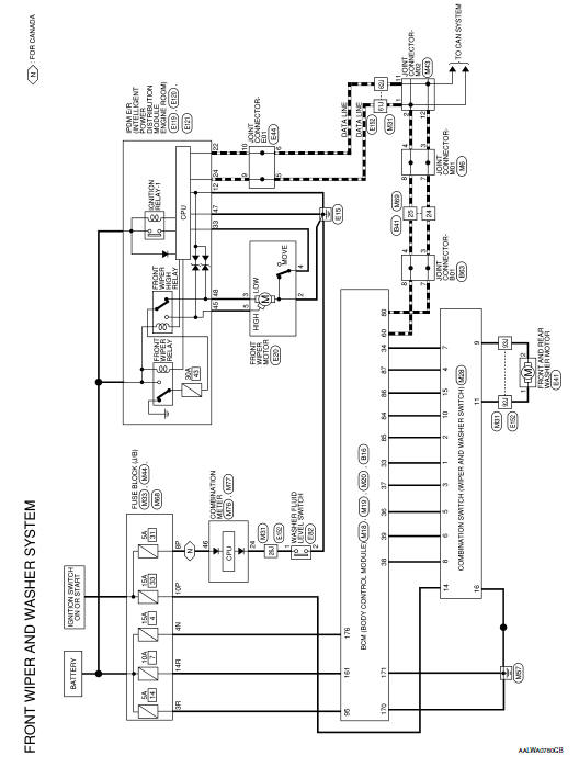
Nissan Rogue Service Manual Front wiper and washer system Wiring Nissan Rogue Wiper Service Position Rapidly lift the windshield wiper and washer lever a upwards twice within 0.5 seconds. This automotive maintenance tutorial was specifically written to assist owners of the second generation 2014,. This action will cause the wipers to automatically take the service position. Move front wiper into the service position by turning the ignition switch on, then quickly push the wiper washer. Nissan Rogue Wiper Service Position.
From www.youtube.com
2014 Nissan Rogue Select Windshield Wiper and Washer Controls YouTube Nissan Rogue Wiper Service Position Move front wiper into the service position by turning the ignition switch on, then quickly push the wiper washer switch to the mist position two times within 0.5 seconds. The rain sensor is typically located on the rearview mirror's backside or the dashboard's forward edge near the windshield. This action will cause the wipers to automatically take the service position.. Nissan Rogue Wiper Service Position.
From www.wipereasy.com
What's the 2017 Nissan Rogue wiper blade size and all troubleshooting Nissan Rogue Wiper Service Position Ipdm e/r detects the front wiper auto stop signal from the position of the front wiper motor (stop position/ except stop position). Rapidly lift the windshield wiper and washer lever a upwards twice within 0.5 seconds. This is how to put the wipers in service position so that it's easy to change the blades when. This action will cause the. Nissan Rogue Wiper Service Position.
From www.nirogue.com
Nissan Rogue Service Manual Rear wiper and washer system Wiring Nissan Rogue Wiper Service Position Move front wiper into the service position by turning the ignition switch on, then quickly push the wiper washer switch to the mist position two times within 0.5 seconds. This action will cause the wipers to automatically take the service position. The rain sensor is typically located on the rearview mirror's backside or the dashboard's forward edge near the windshield.. Nissan Rogue Wiper Service Position.
From www.youtube.com
Easily change wiper blades on 2015 Nissan rogue.. Change wiper blades Nissan Rogue Wiper Service Position This automotive maintenance tutorial was specifically written to assist owners of the second generation 2014,. Rapidly lift the windshield wiper and washer lever a upwards twice within 0.5 seconds. Move front wiper into the service position by turning the ignition switch on, then quickly push the wiper washer switch to the mist position two times within 0.5 seconds. Once you. Nissan Rogue Wiper Service Position.
From measurementstuff.com
Nissan Rogue Wiper Blade Size [Here is all you should know] Nissan Rogue Wiper Service Position This action will cause the wipers to automatically take the service position. The rain sensor is typically located on the rearview mirror's backside or the dashboard's forward edge near the windshield. This is how to put the wipers in service position so that it's easy to change the blades when. Move front wiper into the service position by turning the. Nissan Rogue Wiper Service Position.
From measuringstuff.com
Nissan Rogue Wiper Blade Size Guide (20082023) Measuring Stuff Nissan Rogue Wiper Service Position Rapidly lift the windshield wiper and washer lever a upwards twice within 0.5 seconds. This automotive maintenance tutorial was specifically written to assist owners of the second generation 2014,. This action will cause the wipers to automatically take the service position. Once you locate the sensor, it's easy to test with a garden. Ipdm e/r detects the front wiper auto. Nissan Rogue Wiper Service Position.
From www.wipereasy.com
What's the 2016 Nissan Rogue wiper blade size and all troubleshooting Nissan Rogue Wiper Service Position Rapidly lift the windshield wiper and washer lever a upwards twice within 0.5 seconds. Ipdm e/r detects the front wiper auto stop signal from the position of the front wiper motor (stop position/ except stop position). Once you locate the sensor, it's easy to test with a garden. This automotive maintenance tutorial was specifically written to assist owners of the. Nissan Rogue Wiper Service Position.
From www.youtube.com
How To Replace Rear Wiper Arm 200820 Nissan Rogue YouTube Nissan Rogue Wiper Service Position Once you locate the sensor, it's easy to test with a garden. Rapidly lift the windshield wiper and washer lever a upwards twice within 0.5 seconds. Move front wiper into the service position by turning the ignition switch on, then quickly push the wiper washer switch to the mist position two times within 0.5 seconds. Ipdm e/r detects the front. Nissan Rogue Wiper Service Position.
From www.youtube.com
How to Replace Rear Wiper Blade 20082013 Nissan Rogue YouTube Nissan Rogue Wiper Service Position This automotive maintenance tutorial was specifically written to assist owners of the second generation 2014,. This action will cause the wipers to automatically take the service position. Rapidly lift the windshield wiper and washer lever a upwards twice within 0.5 seconds. The rain sensor is typically located on the rearview mirror's backside or the dashboard's forward edge near the windshield.. Nissan Rogue Wiper Service Position.
From www.paulstravelpictures.com
20142018NissanRogueRearWindowWiperBladeReplacementGuide010 Nissan Rogue Wiper Service Position This is how to put the wipers in service position so that it's easy to change the blades when. Move front wiper into the service position by turning the ignition switch on, then quickly push the wiper washer switch to the mist position two times within 0.5 seconds. Rapidly lift the windshield wiper and washer lever a upwards twice within. Nissan Rogue Wiper Service Position.
From www.youtube.com
2019 Nissan Rogue HEV Windshield Wiper and Washer Controls YouTube Nissan Rogue Wiper Service Position Rapidly lift the windshield wiper and washer lever a upwards twice within 0.5 seconds. This action will cause the wipers to automatically take the service position. Ipdm e/r detects the front wiper auto stop signal from the position of the front wiper motor (stop position/ except stop position). Once you locate the sensor, it's easy to test with a garden.. Nissan Rogue Wiper Service Position.
From www.youtube.com
🚗 🚕 2011 Nissan Rogue Wiper Blade Replacement Size 🔴 YouTube Nissan Rogue Wiper Service Position Once you locate the sensor, it's easy to test with a garden. Ipdm e/r detects the front wiper auto stop signal from the position of the front wiper motor (stop position/ except stop position). Move front wiper into the service position by turning the ignition switch on, then quickly push the wiper washer switch to the mist position two times. Nissan Rogue Wiper Service Position.
From www.measuringknowhow.com
Nissan Rogue Wiper Blade Size Guide Fit Right MeasuringKnowHow Nissan Rogue Wiper Service Position The rain sensor is typically located on the rearview mirror's backside or the dashboard's forward edge near the windshield. This action will cause the wipers to automatically take the service position. Ipdm e/r detects the front wiper auto stop signal from the position of the front wiper motor (stop position/ except stop position). Move front wiper into the service position. Nissan Rogue Wiper Service Position.
From www.youtube.com
2018 Nissan Rogue Sport Windshield Wiper and Washer Controls YouTube Nissan Rogue Wiper Service Position Ipdm e/r detects the front wiper auto stop signal from the position of the front wiper motor (stop position/ except stop position). This automotive maintenance tutorial was specifically written to assist owners of the second generation 2014,. Once you locate the sensor, it's easy to test with a garden. Rapidly lift the windshield wiper and washer lever a upwards twice. Nissan Rogue Wiper Service Position.
From www.youtube.com
2015 Nissan Rogue Select Windshield Wiper and Washer Controls YouTube Nissan Rogue Wiper Service Position This action will cause the wipers to automatically take the service position. This is how to put the wipers in service position so that it's easy to change the blades when. Once you locate the sensor, it's easy to test with a garden. Ipdm e/r detects the front wiper auto stop signal from the position of the front wiper motor. Nissan Rogue Wiper Service Position.
From www.youtube.com
Nissan Rogue Windshield Wiper Replacement YouTube Nissan Rogue Wiper Service Position Ipdm e/r detects the front wiper auto stop signal from the position of the front wiper motor (stop position/ except stop position). This automotive maintenance tutorial was specifically written to assist owners of the second generation 2014,. Move front wiper into the service position by turning the ignition switch on, then quickly push the wiper washer switch to the mist. Nissan Rogue Wiper Service Position.
From www.wipereasy.com
What's the 2018 Nissan Rogue wiper blade size and all troubleshooting Nissan Rogue Wiper Service Position The rain sensor is typically located on the rearview mirror's backside or the dashboard's forward edge near the windshield. Ipdm e/r detects the front wiper auto stop signal from the position of the front wiper motor (stop position/ except stop position). This automotive maintenance tutorial was specifically written to assist owners of the second generation 2014,. Move front wiper into. Nissan Rogue Wiper Service Position.
From www.youtube.com
How to Replace Rear Wiper Arm 20082013 Nissan Rogue YouTube Nissan Rogue Wiper Service Position Move front wiper into the service position by turning the ignition switch on, then quickly push the wiper washer switch to the mist position two times within 0.5 seconds. Once you locate the sensor, it's easy to test with a garden. The rain sensor is typically located on the rearview mirror's backside or the dashboard's forward edge near the windshield.. Nissan Rogue Wiper Service Position.
From www.youtube.com
Install Bosch wiper Blades on Nissan Rogue 2021 YouTube Nissan Rogue Wiper Service Position This action will cause the wipers to automatically take the service position. Rapidly lift the windshield wiper and washer lever a upwards twice within 0.5 seconds. Ipdm e/r detects the front wiper auto stop signal from the position of the front wiper motor (stop position/ except stop position). Move front wiper into the service position by turning the ignition switch. Nissan Rogue Wiper Service Position.
From zinref.ru
Nissan Rogue. Manual part 1267 Nissan Rogue Wiper Service Position This automotive maintenance tutorial was specifically written to assist owners of the second generation 2014,. Rapidly lift the windshield wiper and washer lever a upwards twice within 0.5 seconds. This action will cause the wipers to automatically take the service position. This is how to put the wipers in service position so that it's easy to change the blades when.. Nissan Rogue Wiper Service Position.
From www.measuringknowhow.com
Nissan Rogue Wiper Blade Size Guide Fit Right MeasuringKnowHow Nissan Rogue Wiper Service Position Ipdm e/r detects the front wiper auto stop signal from the position of the front wiper motor (stop position/ except stop position). Rapidly lift the windshield wiper and washer lever a upwards twice within 0.5 seconds. Once you locate the sensor, it's easy to test with a garden. Move front wiper into the service position by turning the ignition switch. Nissan Rogue Wiper Service Position.
From www.youtube.com
2014 Nissan Rogue Windshield Wiper and Washer Controls YouTube Nissan Rogue Wiper Service Position Move front wiper into the service position by turning the ignition switch on, then quickly push the wiper washer switch to the mist position two times within 0.5 seconds. Rapidly lift the windshield wiper and washer lever a upwards twice within 0.5 seconds. This is how to put the wipers in service position so that it's easy to change the. Nissan Rogue Wiper Service Position.
From www.nirogue.com
Nissan Rogue Service Manual Rear wiper and washer system Wiring Nissan Rogue Wiper Service Position This action will cause the wipers to automatically take the service position. Ipdm e/r detects the front wiper auto stop signal from the position of the front wiper motor (stop position/ except stop position). Once you locate the sensor, it's easy to test with a garden. This automotive maintenance tutorial was specifically written to assist owners of the second generation. Nissan Rogue Wiper Service Position.
From www.nirogue.com
Nissan Rogue Service Manual Front wiper and washer system Wiring Nissan Rogue Wiper Service Position Ipdm e/r detects the front wiper auto stop signal from the position of the front wiper motor (stop position/ except stop position). Move front wiper into the service position by turning the ignition switch on, then quickly push the wiper washer switch to the mist position two times within 0.5 seconds. The rain sensor is typically located on the rearview. Nissan Rogue Wiper Service Position.
From www.measuringknowhow.com
Nissan Rogue Wiper Blade Size Guide Fit Right MeasuringKnowHow Nissan Rogue Wiper Service Position This automotive maintenance tutorial was specifically written to assist owners of the second generation 2014,. Ipdm e/r detects the front wiper auto stop signal from the position of the front wiper motor (stop position/ except stop position). This action will cause the wipers to automatically take the service position. The rain sensor is typically located on the rearview mirror's backside. Nissan Rogue Wiper Service Position.
From www.youtube.com
How to Replace Wiper Blades 20082013 Nissan Rogue YouTube Nissan Rogue Wiper Service Position Once you locate the sensor, it's easy to test with a garden. Move front wiper into the service position by turning the ignition switch on, then quickly push the wiper washer switch to the mist position two times within 0.5 seconds. The rain sensor is typically located on the rearview mirror's backside or the dashboard's forward edge near the windshield.. Nissan Rogue Wiper Service Position.
From www.youtube.com
Nissan Rogue Rear Wiper Arm Removal Step By Step YouTube Nissan Rogue Wiper Service Position This is how to put the wipers in service position so that it's easy to change the blades when. Once you locate the sensor, it's easy to test with a garden. Ipdm e/r detects the front wiper auto stop signal from the position of the front wiper motor (stop position/ except stop position). This automotive maintenance tutorial was specifically written. Nissan Rogue Wiper Service Position.
From www.measuringknowhow.com
Nissan Rogue Wiper Blade Size Guide Fit Right MeasuringKnowHow Nissan Rogue Wiper Service Position Move front wiper into the service position by turning the ignition switch on, then quickly push the wiper washer switch to the mist position two times within 0.5 seconds. This is how to put the wipers in service position so that it's easy to change the blades when. Ipdm e/r detects the front wiper auto stop signal from the position. Nissan Rogue Wiper Service Position.
From www.youtube.com
2017 Nissan Rogue Windshield Wiper and Washer Controls YouTube Nissan Rogue Wiper Service Position This is how to put the wipers in service position so that it's easy to change the blades when. Ipdm e/r detects the front wiper auto stop signal from the position of the front wiper motor (stop position/ except stop position). This automotive maintenance tutorial was specifically written to assist owners of the second generation 2014,. Once you locate the. Nissan Rogue Wiper Service Position.
From www.wipereasy.com
What's the 2018 Nissan Rogue wiper blade size and all troubleshooting Nissan Rogue Wiper Service Position This action will cause the wipers to automatically take the service position. This is how to put the wipers in service position so that it's easy to change the blades when. Move front wiper into the service position by turning the ignition switch on, then quickly push the wiper washer switch to the mist position two times within 0.5 seconds.. Nissan Rogue Wiper Service Position.
From www.wipereasy.com
2015 nissan rogue wiper blades size and all troubleshooting Best Nissan Rogue Wiper Service Position Ipdm e/r detects the front wiper auto stop signal from the position of the front wiper motor (stop position/ except stop position). This is how to put the wipers in service position so that it's easy to change the blades when. This action will cause the wipers to automatically take the service position. The rain sensor is typically located on. Nissan Rogue Wiper Service Position.
From www.youcanic.com
2017+ Nissan Rogue Sport Windshield Wiper Blade Replacement YOUCANIC Nissan Rogue Wiper Service Position This is how to put the wipers in service position so that it's easy to change the blades when. This action will cause the wipers to automatically take the service position. The rain sensor is typically located on the rearview mirror's backside or the dashboard's forward edge near the windshield. Move front wiper into the service position by turning the. Nissan Rogue Wiper Service Position.
From www.youtube.com
🚗 🚕 2020 Nissan Rogue Sport Wiper Blade Replacement Size 🔴 YouTube Nissan Rogue Wiper Service Position Once you locate the sensor, it's easy to test with a garden. Ipdm e/r detects the front wiper auto stop signal from the position of the front wiper motor (stop position/ except stop position). Move front wiper into the service position by turning the ignition switch on, then quickly push the wiper washer switch to the mist position two times. Nissan Rogue Wiper Service Position.