Kia Sportage Injector Problems . Once an injector filter basket becomes clogged, usually it is too late for intake or fuel rail injector cleaner to resolve the problem. Measure resistance between the injector terminals 1 and 2. P0200 is a common obd ii error code that can occur in the kia sportage. Which it seems your car is still under. You take it over to kia because kia dealers handle kia warranty work. How reliable is the 2020 kia sportage? My missing problems started around 10k. It indicates an issue with your vehicle’s fuel. Turn the ignition switch off. Check that the resistance is within the. See the most common repairs performed and learn if your vehicle is at risk for major repairs. I too have had 2 bad fuel injectors & harnesses replaced at 20k.
from www.youtube.com
Measure resistance between the injector terminals 1 and 2. See the most common repairs performed and learn if your vehicle is at risk for major repairs. It indicates an issue with your vehicle’s fuel. Turn the ignition switch off. Check that the resistance is within the. How reliable is the 2020 kia sportage? P0200 is a common obd ii error code that can occur in the kia sportage. Once an injector filter basket becomes clogged, usually it is too late for intake or fuel rail injector cleaner to resolve the problem. My missing problems started around 10k. You take it over to kia because kia dealers handle kia warranty work.
MAP SENSOR REPLACEMENT REMOVAL LOCATION KIA SORENTO, KIA SPORTAGE YouTube
Kia Sportage Injector Problems I too have had 2 bad fuel injectors & harnesses replaced at 20k. You take it over to kia because kia dealers handle kia warranty work. P0200 is a common obd ii error code that can occur in the kia sportage. Once an injector filter basket becomes clogged, usually it is too late for intake or fuel rail injector cleaner to resolve the problem. Check that the resistance is within the. My missing problems started around 10k. See the most common repairs performed and learn if your vehicle is at risk for major repairs. Which it seems your car is still under. Turn the ignition switch off. I too have had 2 bad fuel injectors & harnesses replaced at 20k. It indicates an issue with your vehicle’s fuel. How reliable is the 2020 kia sportage? Measure resistance between the injector terminals 1 and 2.
From www.justanswer.com
Kia Sportage Injector Replacement Expert Q&A Kia Sportage Injector Problems It indicates an issue with your vehicle’s fuel. See the most common repairs performed and learn if your vehicle is at risk for major repairs. Turn the ignition switch off. Which it seems your car is still under. Check that the resistance is within the. I too have had 2 bad fuel injectors & harnesses replaced at 20k. Once an. Kia Sportage Injector Problems.
From www.youtube.com
Automatic Transmission Fluid Change Kia sportage (video 62) YouTube Kia Sportage Injector Problems It indicates an issue with your vehicle’s fuel. Once an injector filter basket becomes clogged, usually it is too late for intake or fuel rail injector cleaner to resolve the problem. You take it over to kia because kia dealers handle kia warranty work. See the most common repairs performed and learn if your vehicle is at risk for major. Kia Sportage Injector Problems.
From www.youtube.com
SYMPTOMS OF LEAKING FUEL INJECTOR ON KIA SORENTO, KIA SPORTAGE YouTube Kia Sportage Injector Problems I too have had 2 bad fuel injectors & harnesses replaced at 20k. Check that the resistance is within the. My missing problems started around 10k. It indicates an issue with your vehicle’s fuel. Once an injector filter basket becomes clogged, usually it is too late for intake or fuel rail injector cleaner to resolve the problem. Turn the ignition. Kia Sportage Injector Problems.
From www.youtube.com
FUEL RAIL PRESSURE SENSOR LOCATION REPLACEMENT KIA SORENTO, KIA Kia Sportage Injector Problems Measure resistance between the injector terminals 1 and 2. How reliable is the 2020 kia sportage? See the most common repairs performed and learn if your vehicle is at risk for major repairs. It indicates an issue with your vehicle’s fuel. You take it over to kia because kia dealers handle kia warranty work. Turn the ignition switch off. Check. Kia Sportage Injector Problems.
From hometowneautorepairandtireofwoodbridge.com
Engine problems on Kia Sportage Kia Sportage Injector Problems Measure resistance between the injector terminals 1 and 2. Turn the ignition switch off. You take it over to kia because kia dealers handle kia warranty work. I too have had 2 bad fuel injectors & harnesses replaced at 20k. Check that the resistance is within the. It indicates an issue with your vehicle’s fuel. How reliable is the 2020. Kia Sportage Injector Problems.
From www.youtube.com
Problème injecteur kia sportage YouTube Kia Sportage Injector Problems Measure resistance between the injector terminals 1 and 2. It indicates an issue with your vehicle’s fuel. Which it seems your car is still under. Once an injector filter basket becomes clogged, usually it is too late for intake or fuel rail injector cleaner to resolve the problem. Turn the ignition switch off. My missing problems started around 10k. See. Kia Sportage Injector Problems.
From www.youtube.com
1999 Kia Sportage Injector, MAP Cleaning YouTube Kia Sportage Injector Problems Measure resistance between the injector terminals 1 and 2. My missing problems started around 10k. Once an injector filter basket becomes clogged, usually it is too late for intake or fuel rail injector cleaner to resolve the problem. Turn the ignition switch off. P0200 is a common obd ii error code that can occur in the kia sportage. You take. Kia Sportage Injector Problems.
From www.youtube.com
Seized injector Kia sportage 🙈 YouTube Kia Sportage Injector Problems P0200 is a common obd ii error code that can occur in the kia sportage. You take it over to kia because kia dealers handle kia warranty work. Which it seems your car is still under. My missing problems started around 10k. It indicates an issue with your vehicle’s fuel. Check that the resistance is within the. I too have. Kia Sportage Injector Problems.
From www.youtube.com
Kia sportage injectors pt1 YouTube Kia Sportage Injector Problems I too have had 2 bad fuel injectors & harnesses replaced at 20k. Turn the ignition switch off. It indicates an issue with your vehicle’s fuel. You take it over to kia because kia dealers handle kia warranty work. My missing problems started around 10k. Measure resistance between the injector terminals 1 and 2. Check that the resistance is within. Kia Sportage Injector Problems.
From www.youtube.com
SYMPTOMS OF BAD CRANKSHAFT POSITION SENSOR KIA SORENTO KIA SPORTAGE Kia Sportage Injector Problems It indicates an issue with your vehicle’s fuel. I too have had 2 bad fuel injectors & harnesses replaced at 20k. See the most common repairs performed and learn if your vehicle is at risk for major repairs. You take it over to kia because kia dealers handle kia warranty work. Once an injector filter basket becomes clogged, usually it. Kia Sportage Injector Problems.
From www.kiapartsnow.com
353413L100 Genuine Kia HarnessInjector,RH Kia Sportage Injector Problems Check that the resistance is within the. P0200 is a common obd ii error code that can occur in the kia sportage. See the most common repairs performed and learn if your vehicle is at risk for major repairs. How reliable is the 2020 kia sportage? Turn the ignition switch off. My missing problems started around 10k. You take it. Kia Sportage Injector Problems.
From www.youtube.com
kia sportage injector ECU Circuit Diagram YouTube Kia Sportage Injector Problems P0200 is a common obd ii error code that can occur in the kia sportage. Once an injector filter basket becomes clogged, usually it is too late for intake or fuel rail injector cleaner to resolve the problem. Check that the resistance is within the. I too have had 2 bad fuel injectors & harnesses replaced at 20k. My missing. Kia Sportage Injector Problems.
From www.wheelsjoint.com
Kia Sportage won't start causes and how to troubleshoot Kia Sportage Injector Problems I too have had 2 bad fuel injectors & harnesses replaced at 20k. My missing problems started around 10k. You take it over to kia because kia dealers handle kia warranty work. P0200 is a common obd ii error code that can occur in the kia sportage. How reliable is the 2020 kia sportage? See the most common repairs performed. Kia Sportage Injector Problems.
From www.youtube.com
THROTTLE BODY REPLACEMENT REMOVAL KIA SORENTO, KIA SPORTAGE YouTube Kia Sportage Injector Problems I too have had 2 bad fuel injectors & harnesses replaced at 20k. Once an injector filter basket becomes clogged, usually it is too late for intake or fuel rail injector cleaner to resolve the problem. You take it over to kia because kia dealers handle kia warranty work. It indicates an issue with your vehicle’s fuel. Which it seems. Kia Sportage Injector Problems.
From www.youtube.com
หัวฉีด รถยนต์ Kia Sportage Injector YouTube Kia Sportage Injector Problems P0200 is a common obd ii error code that can occur in the kia sportage. You take it over to kia because kia dealers handle kia warranty work. Measure resistance between the injector terminals 1 and 2. My missing problems started around 10k. Once an injector filter basket becomes clogged, usually it is too late for intake or fuel rail. Kia Sportage Injector Problems.
From www.justanswer.com
Kia Sportage Q&A Fuel Pressure Regulator, Crank Sensor & More Kia Sportage Injector Problems How reliable is the 2020 kia sportage? See the most common repairs performed and learn if your vehicle is at risk for major repairs. Once an injector filter basket becomes clogged, usually it is too late for intake or fuel rail injector cleaner to resolve the problem. Measure resistance between the injector terminals 1 and 2. You take it over. Kia Sportage Injector Problems.
From www.youtube.com
HOW TO REMOVE AND REPLACE FUEL INJECTORS ON KIA FORTE YouTube Kia Sportage Injector Problems My missing problems started around 10k. It indicates an issue with your vehicle’s fuel. How reliable is the 2020 kia sportage? Once an injector filter basket becomes clogged, usually it is too late for intake or fuel rail injector cleaner to resolve the problem. You take it over to kia because kia dealers handle kia warranty work. I too have. Kia Sportage Injector Problems.
From www.youtube.com
VALVE COVER GASKET REPLACEMENT REMOVAL KIA SORENTO KIA SPORTAGE, VALVE Kia Sportage Injector Problems My missing problems started around 10k. It indicates an issue with your vehicle’s fuel. See the most common repairs performed and learn if your vehicle is at risk for major repairs. You take it over to kia because kia dealers handle kia warranty work. How reliable is the 2020 kia sportage? Check that the resistance is within the. Once an. Kia Sportage Injector Problems.
From www.youtube.com
MAP SENSOR REPLACEMENT REMOVAL LOCATION KIA SORENTO, KIA SPORTAGE YouTube Kia Sportage Injector Problems Measure resistance between the injector terminals 1 and 2. It indicates an issue with your vehicle’s fuel. You take it over to kia because kia dealers handle kia warranty work. See the most common repairs performed and learn if your vehicle is at risk for major repairs. Check that the resistance is within the. Which it seems your car is. Kia Sportage Injector Problems.
From www.ksportagegl.com
Kia Sportage Injector Troubleshooting Engine Control System Kia Sportage Injector Problems How reliable is the 2020 kia sportage? Which it seems your car is still under. It indicates an issue with your vehicle’s fuel. Turn the ignition switch off. Once an injector filter basket becomes clogged, usually it is too late for intake or fuel rail injector cleaner to resolve the problem. I too have had 2 bad fuel injectors &. Kia Sportage Injector Problems.
From casamulherevida.com.br
feux dartifice Renseigner dictionnaire injecteur kia sportage 2011 Kia Sportage Injector Problems P0200 is a common obd ii error code that can occur in the kia sportage. I too have had 2 bad fuel injectors & harnesses replaced at 20k. It indicates an issue with your vehicle’s fuel. Measure resistance between the injector terminals 1 and 2. Which it seems your car is still under. Turn the ignition switch off. Once an. Kia Sportage Injector Problems.
From alohagrace.blogspot.com
2002 Kium Sportage Engine Diagram Fuel System Wiring Diagram Kia Sportage Injector Problems Measure resistance between the injector terminals 1 and 2. I too have had 2 bad fuel injectors & harnesses replaced at 20k. Turn the ignition switch off. It indicates an issue with your vehicle’s fuel. You take it over to kia because kia dealers handle kia warranty work. My missing problems started around 10k. See the most common repairs performed. Kia Sportage Injector Problems.
From www.youtube.com
Changing Kia ignition coils step by step YouTube Kia Sportage Injector Problems Check that the resistance is within the. I too have had 2 bad fuel injectors & harnesses replaced at 20k. How reliable is the 2020 kia sportage? Turn the ignition switch off. My missing problems started around 10k. It indicates an issue with your vehicle’s fuel. You take it over to kia because kia dealers handle kia warranty work. Measure. Kia Sportage Injector Problems.
From www.kia-forums.com
New Sportage injector problem Kia Forum Kia Sportage Injector Problems I too have had 2 bad fuel injectors & harnesses replaced at 20k. Which it seems your car is still under. How reliable is the 2020 kia sportage? Once an injector filter basket becomes clogged, usually it is too late for intake or fuel rail injector cleaner to resolve the problem. My missing problems started around 10k. P0200 is a. Kia Sportage Injector Problems.
From www.youtube.com
SYMPTOMS OF BAD FUEL PUMP ON HYUNDAI KIA YouTube Kia Sportage Injector Problems Check that the resistance is within the. It indicates an issue with your vehicle’s fuel. Turn the ignition switch off. Once an injector filter basket becomes clogged, usually it is too late for intake or fuel rail injector cleaner to resolve the problem. You take it over to kia because kia dealers handle kia warranty work. See the most common. Kia Sportage Injector Problems.
From hometowneautorepairandtireofwoodbridge.com
Engine problems on Kia Sportage Kia Sportage Injector Problems It indicates an issue with your vehicle’s fuel. How reliable is the 2020 kia sportage? Once an injector filter basket becomes clogged, usually it is too late for intake or fuel rail injector cleaner to resolve the problem. See the most common repairs performed and learn if your vehicle is at risk for major repairs. I too have had 2. Kia Sportage Injector Problems.
From www.justanswer.com
Kia Sportage Misfire Problems Troubleshooting P0301 & P0303 JustAnswer Kia Sportage Injector Problems Measure resistance between the injector terminals 1 and 2. My missing problems started around 10k. See the most common repairs performed and learn if your vehicle is at risk for major repairs. Once an injector filter basket becomes clogged, usually it is too late for intake or fuel rail injector cleaner to resolve the problem. P0200 is a common obd. Kia Sportage Injector Problems.
From www.kispmanual.com
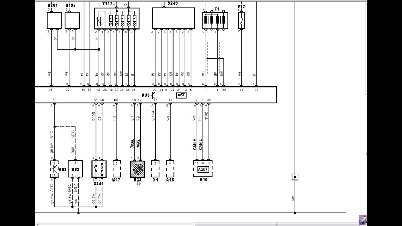
Kia Sportage Injector Schematic Diagrams Engine Control System Kia Sportage Injector Problems It indicates an issue with your vehicle’s fuel. Once an injector filter basket becomes clogged, usually it is too late for intake or fuel rail injector cleaner to resolve the problem. My missing problems started around 10k. Measure resistance between the injector terminals 1 and 2. You take it over to kia because kia dealers handle kia warranty work. See. Kia Sportage Injector Problems.
From www.youtube.com
SYMPTOMS OF LEAKING FUEL INJECTOR HYUNDAI KIA GDI 1.6 2.0 2.4 2.5 YouTube Kia Sportage Injector Problems Which it seems your car is still under. How reliable is the 2020 kia sportage? P0200 is a common obd ii error code that can occur in the kia sportage. Check that the resistance is within the. Turn the ignition switch off. Once an injector filter basket becomes clogged, usually it is too late for intake or fuel rail injector. Kia Sportage Injector Problems.
From www.kia-forums.com
Fuel leaking at injectors. Kia Forum Kia Sportage Injector Problems Which it seems your car is still under. It indicates an issue with your vehicle’s fuel. How reliable is the 2020 kia sportage? Turn the ignition switch off. Measure resistance between the injector terminals 1 and 2. Once an injector filter basket becomes clogged, usually it is too late for intake or fuel rail injector cleaner to resolve the problem.. Kia Sportage Injector Problems.
From carproper.com
How To Replace Fuel Injectors In Your Car Car Proper Kia Sportage Injector Problems You take it over to kia because kia dealers handle kia warranty work. I too have had 2 bad fuel injectors & harnesses replaced at 20k. Check that the resistance is within the. My missing problems started around 10k. See the most common repairs performed and learn if your vehicle is at risk for major repairs. Once an injector filter. Kia Sportage Injector Problems.
From www.youtube.com
Kia Sportage Rebuild Misfire Diagnosis YouTube Kia Sportage Injector Problems I too have had 2 bad fuel injectors & harnesses replaced at 20k. Once an injector filter basket becomes clogged, usually it is too late for intake or fuel rail injector cleaner to resolve the problem. It indicates an issue with your vehicle’s fuel. See the most common repairs performed and learn if your vehicle is at risk for major. Kia Sportage Injector Problems.
From www.motorbiscuit.com
3 Most Common Kia Sportage Problems Reported by Hundreds of Real Owners Kia Sportage Injector Problems P0200 is a common obd ii error code that can occur in the kia sportage. Which it seems your car is still under. Once an injector filter basket becomes clogged, usually it is too late for intake or fuel rail injector cleaner to resolve the problem. It indicates an issue with your vehicle’s fuel. I too have had 2 bad. Kia Sportage Injector Problems.
From www.walmart.com
Genuine OEM Kia Injector Air Shroud Hose 19972002 Sportage 0K013 Kia Sportage Injector Problems It indicates an issue with your vehicle’s fuel. Check that the resistance is within the. You take it over to kia because kia dealers handle kia warranty work. Which it seems your car is still under. See the most common repairs performed and learn if your vehicle is at risk for major repairs. My missing problems started around 10k. Once. Kia Sportage Injector Problems.
From www.youtube.com
how to remove kia Sportage gdi engine fuel injectors .. طريقه فك رشاشات Kia Sportage Injector Problems It indicates an issue with your vehicle’s fuel. Measure resistance between the injector terminals 1 and 2. Once an injector filter basket becomes clogged, usually it is too late for intake or fuel rail injector cleaner to resolve the problem. How reliable is the 2020 kia sportage? Which it seems your car is still under. I too have had 2. Kia Sportage Injector Problems.