Mb Walk Behind Sweeper Parts . Always consult the factory for specific details related to your. Enter the part number in the box below and click search. the manuals below are to be for general information only. 64 rows find the perfect replacement brush for your sweeper needs in many sizes. Materials can be chosen from poly, wire or a combination of poly and. Clean and clear snow, dirt, debris and grass anywhere in any season.
from www.m-bco.com
Materials can be chosen from poly, wire or a combination of poly and. 64 rows find the perfect replacement brush for your sweeper needs in many sizes. the manuals below are to be for general information only. Always consult the factory for specific details related to your. Enter the part number in the box below and click search. Clean and clear snow, dirt, debris and grass anywhere in any season.
MB Companies Tow Behind Broom
Mb Walk Behind Sweeper Parts the manuals below are to be for general information only. Always consult the factory for specific details related to your. 64 rows find the perfect replacement brush for your sweeper needs in many sizes. Materials can be chosen from poly, wire or a combination of poly and. the manuals below are to be for general information only. Enter the part number in the box below and click search. Clean and clear snow, dirt, debris and grass anywhere in any season.
From www.asphaltsealcoatingdirect.com
MB Hydra 48 Inch SelfPropelled Walk Behind Asphalt Power Broom For Mb Walk Behind Sweeper Parts Enter the part number in the box below and click search. Clean and clear snow, dirt, debris and grass anywhere in any season. Always consult the factory for specific details related to your. 64 rows find the perfect replacement brush for your sweeper needs in many sizes. Materials can be chosen from poly, wire or a combination of poly. Mb Walk Behind Sweeper Parts.
From auctionresource.com
MB Walk Behind Sweeper Lot 30, Online Only Equipment Auction, 2/12 Mb Walk Behind Sweeper Parts Always consult the factory for specific details related to your. 64 rows find the perfect replacement brush for your sweeper needs in many sizes. the manuals below are to be for general information only. Materials can be chosen from poly, wire or a combination of poly and. Clean and clear snow, dirt, debris and grass anywhere in any. Mb Walk Behind Sweeper Parts.
From www.asphaltsealcoatingdirect.com
MB Hydra 36 Inch Gas Powered Horizontal Shaft Walk Behind Broom For Mb Walk Behind Sweeper Parts Materials can be chosen from poly, wire or a combination of poly and. 64 rows find the perfect replacement brush for your sweeper needs in many sizes. Enter the part number in the box below and click search. the manuals below are to be for general information only. Clean and clear snow, dirt, debris and grass anywhere in. Mb Walk Behind Sweeper Parts.
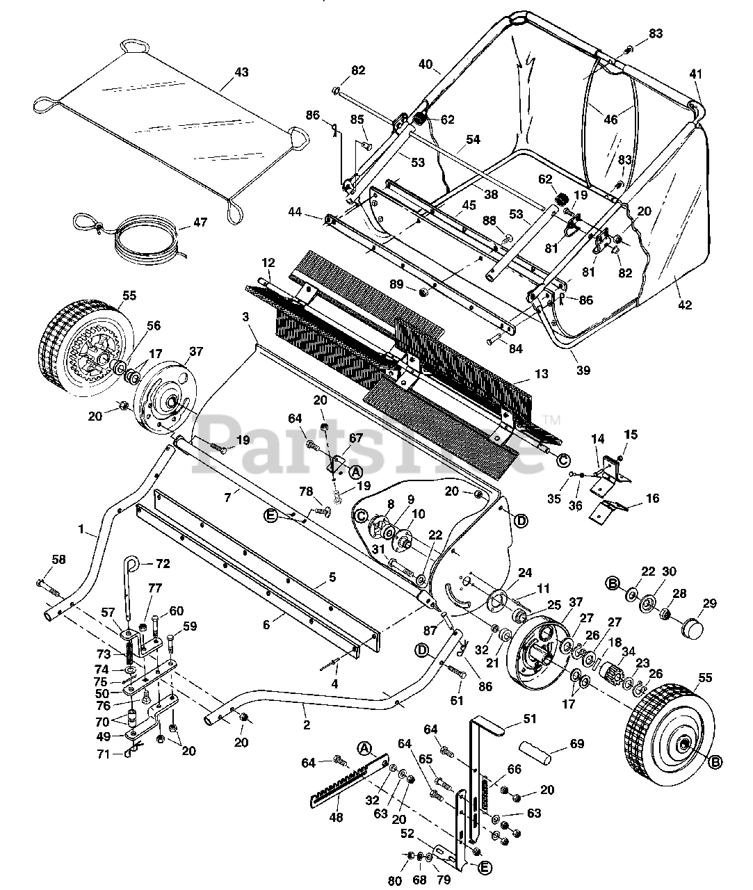
From www.partstree.com
Husqvarna 450352 Husqvarna 38" Towbehind Sweeper (200506) Repair Mb Walk Behind Sweeper Parts Materials can be chosen from poly, wire or a combination of poly and. Always consult the factory for specific details related to your. 64 rows find the perfect replacement brush for your sweeper needs in many sizes. Clean and clear snow, dirt, debris and grass anywhere in any season. Enter the part number in the box below and click. Mb Walk Behind Sweeper Parts.
From www.kijiji.ca
MB walk behind snow sweeper Snowblowers Calgary Kijiji Mb Walk Behind Sweeper Parts Enter the part number in the box below and click search. Materials can be chosen from poly, wire or a combination of poly and. the manuals below are to be for general information only. Always consult the factory for specific details related to your. 64 rows find the perfect replacement brush for your sweeper needs in many sizes.. Mb Walk Behind Sweeper Parts.
From www.m-bco.com
MB Companies Tow Behind Broom Mb Walk Behind Sweeper Parts Clean and clear snow, dirt, debris and grass anywhere in any season. Materials can be chosen from poly, wire or a combination of poly and. Enter the part number in the box below and click search. 64 rows find the perfect replacement brush for your sweeper needs in many sizes. the manuals below are to be for general. Mb Walk Behind Sweeper Parts.
From www.ebay.com
MB Companies Walk Behind Sweeper Broom 48" eBay Mb Walk Behind Sweeper Parts the manuals below are to be for general information only. Clean and clear snow, dirt, debris and grass anywhere in any season. 64 rows find the perfect replacement brush for your sweeper needs in many sizes. Always consult the factory for specific details related to your. Enter the part number in the box below and click search. Materials. Mb Walk Behind Sweeper Parts.
From dir.indiamart.com
Battery Operated Walk Behind Sweeper Walk Behind Broom Latest Price Mb Walk Behind Sweeper Parts 64 rows find the perfect replacement brush for your sweeper needs in many sizes. Materials can be chosen from poly, wire or a combination of poly and. Clean and clear snow, dirt, debris and grass anywhere in any season. Enter the part number in the box below and click search. Always consult the factory for specific details related to. Mb Walk Behind Sweeper Parts.
From smith-equipment.com
Walk Behind Sweeper Sweeper Attachments Smith Equip. Mb Walk Behind Sweeper Parts Materials can be chosen from poly, wire or a combination of poly and. the manuals below are to be for general information only. 64 rows find the perfect replacement brush for your sweeper needs in many sizes. Clean and clear snow, dirt, debris and grass anywhere in any season. Enter the part number in the box below and. Mb Walk Behind Sweeper Parts.
From shop.hingule.com
Manual Walk Behind Sweeper HWBMS 980 Hingule Engineering Mb Walk Behind Sweeper Parts Clean and clear snow, dirt, debris and grass anywhere in any season. Always consult the factory for specific details related to your. 64 rows find the perfect replacement brush for your sweeper needs in many sizes. the manuals below are to be for general information only. Materials can be chosen from poly, wire or a combination of poly. Mb Walk Behind Sweeper Parts.
From smith-equipment.com
Walk Behind Sweeper Sweeper Attachments Smith Equip. Mb Walk Behind Sweeper Parts the manuals below are to be for general information only. Clean and clear snow, dirt, debris and grass anywhere in any season. Always consult the factory for specific details related to your. Enter the part number in the box below and click search. 64 rows find the perfect replacement brush for your sweeper needs in many sizes. Materials. Mb Walk Behind Sweeper Parts.
From www.asphaltsealcoatingdirect.com
MB Hydra 48 Inch SelfPropelled Walk Behind Asphalt Power Broom For Mb Walk Behind Sweeper Parts 64 rows find the perfect replacement brush for your sweeper needs in many sizes. Always consult the factory for specific details related to your. Clean and clear snow, dirt, debris and grass anywhere in any season. the manuals below are to be for general information only. Enter the part number in the box below and click search. Materials. Mb Walk Behind Sweeper Parts.
From www.sweeping-brush.com
Customized Size Multipurpose WalkBehind Sweeper Main Broom For All Mb Walk Behind Sweeper Parts Clean and clear snow, dirt, debris and grass anywhere in any season. Materials can be chosen from poly, wire or a combination of poly and. the manuals below are to be for general information only. 64 rows find the perfect replacement brush for your sweeper needs in many sizes. Enter the part number in the box below and. Mb Walk Behind Sweeper Parts.
From www.smith-equipment.com
Walk Behind Sweeper Sweeper Attachments Smith Equip. Mb Walk Behind Sweeper Parts 64 rows find the perfect replacement brush for your sweeper needs in many sizes. Clean and clear snow, dirt, debris and grass anywhere in any season. Materials can be chosen from poly, wire or a combination of poly and. the manuals below are to be for general information only. Always consult the factory for specific details related to. Mb Walk Behind Sweeper Parts.
From aqua-engineers.com
KM 70/20 C WALKBEHIND FLOOR SWEEPER Aqua Engineers Mb Walk Behind Sweeper Parts Materials can be chosen from poly, wire or a combination of poly and. Always consult the factory for specific details related to your. Enter the part number in the box below and click search. 64 rows find the perfect replacement brush for your sweeper needs in many sizes. Clean and clear snow, dirt, debris and grass anywhere in any. Mb Walk Behind Sweeper Parts.
From www.jackssmallengines.com
AgriFab 4504561 44" Lawn Sweeper Parts Diagram for Parts List Mb Walk Behind Sweeper Parts the manuals below are to be for general information only. Materials can be chosen from poly, wire or a combination of poly and. Clean and clear snow, dirt, debris and grass anywhere in any season. Enter the part number in the box below and click search. Always consult the factory for specific details related to your. 64 rows. Mb Walk Behind Sweeper Parts.
From www.indiamart.com
Walk Behind Sweeper, 800 Watt, 1000 mm at Rs 25000 in Badlapur ID Mb Walk Behind Sweeper Parts Clean and clear snow, dirt, debris and grass anywhere in any season. Enter the part number in the box below and click search. the manuals below are to be for general information only. Always consult the factory for specific details related to your. 64 rows find the perfect replacement brush for your sweeper needs in many sizes. Materials. Mb Walk Behind Sweeper Parts.
From www.youtube.com
Sweepster WSP24 Walk Behind Power Broom YouTube Mb Walk Behind Sweeper Parts Always consult the factory for specific details related to your. Materials can be chosen from poly, wire or a combination of poly and. Enter the part number in the box below and click search. 64 rows find the perfect replacement brush for your sweeper needs in many sizes. the manuals below are to be for general information only.. Mb Walk Behind Sweeper Parts.
From www.kijiji.ca
MB walk behind snow sweeper Snowblowers Calgary Kijiji Mb Walk Behind Sweeper Parts 64 rows find the perfect replacement brush for your sweeper needs in many sizes. Enter the part number in the box below and click search. Always consult the factory for specific details related to your. Materials can be chosen from poly, wire or a combination of poly and. the manuals below are to be for general information only.. Mb Walk Behind Sweeper Parts.
From usermanual.wiki
PARTS PUBLISHER Workbench PB Collector 34 B (6404.23) Powerboss 3 walk Mb Walk Behind Sweeper Parts Materials can be chosen from poly, wire or a combination of poly and. the manuals below are to be for general information only. Always consult the factory for specific details related to your. Enter the part number in the box below and click search. 64 rows find the perfect replacement brush for your sweeper needs in many sizes.. Mb Walk Behind Sweeper Parts.
From www.youtube.com
MB Hydra Walk Behind Sweeper YouTube Mb Walk Behind Sweeper Parts Clean and clear snow, dirt, debris and grass anywhere in any season. Materials can be chosen from poly, wire or a combination of poly and. the manuals below are to be for general information only. 64 rows find the perfect replacement brush for your sweeper needs in many sizes. Always consult the factory for specific details related to. Mb Walk Behind Sweeper Parts.
From www.ebay.com
MB Companies Walk Behind Sweeper Broom 48" eBay Mb Walk Behind Sweeper Parts Materials can be chosen from poly, wire or a combination of poly and. the manuals below are to be for general information only. Always consult the factory for specific details related to your. Enter the part number in the box below and click search. 64 rows find the perfect replacement brush for your sweeper needs in many sizes.. Mb Walk Behind Sweeper Parts.
From usermanual.wiki
Hako Flipper FE 6273 walk behind floor sweeper parts and operator manual Mb Walk Behind Sweeper Parts Enter the part number in the box below and click search. 64 rows find the perfect replacement brush for your sweeper needs in many sizes. the manuals below are to be for general information only. Materials can be chosen from poly, wire or a combination of poly and. Clean and clear snow, dirt, debris and grass anywhere in. Mb Walk Behind Sweeper Parts.
From www.ebay.com
MB Companies Walk Behind Sweeper Broom 48" eBay Mb Walk Behind Sweeper Parts 64 rows find the perfect replacement brush for your sweeper needs in many sizes. Always consult the factory for specific details related to your. Materials can be chosen from poly, wire or a combination of poly and. the manuals below are to be for general information only. Enter the part number in the box below and click search.. Mb Walk Behind Sweeper Parts.
From www.partstree.com
Gravely 985403 Gravely Rapid M WalkBehind 2Wheel Tractor (SN Mb Walk Behind Sweeper Parts Clean and clear snow, dirt, debris and grass anywhere in any season. Always consult the factory for specific details related to your. 64 rows find the perfect replacement brush for your sweeper needs in many sizes. the manuals below are to be for general information only. Materials can be chosen from poly, wire or a combination of poly. Mb Walk Behind Sweeper Parts.
From www.jackssmallengines.com
Bunton, Bobcat, Ryan 7370632 Lawn Sweeper LS340 (Jacobsen) Parts Mb Walk Behind Sweeper Parts Enter the part number in the box below and click search. Always consult the factory for specific details related to your. Clean and clear snow, dirt, debris and grass anywhere in any season. the manuals below are to be for general information only. 64 rows find the perfect replacement brush for your sweeper needs in many sizes. Materials. Mb Walk Behind Sweeper Parts.
From www.averncleaningsupplies.com
SW250 Walk Behind Powered Sweeper Nilfisk Avern Cleaning Supplies Mb Walk Behind Sweeper Parts Materials can be chosen from poly, wire or a combination of poly and. Always consult the factory for specific details related to your. the manuals below are to be for general information only. 64 rows find the perfect replacement brush for your sweeper needs in many sizes. Enter the part number in the box below and click search.. Mb Walk Behind Sweeper Parts.
From www.nss.com
27in Walk Behind Cordless Sweeper Sidewinder 27 MB NSS Enterprises Mb Walk Behind Sweeper Parts Materials can be chosen from poly, wire or a combination of poly and. Enter the part number in the box below and click search. the manuals below are to be for general information only. Always consult the factory for specific details related to your. Clean and clear snow, dirt, debris and grass anywhere in any season. 64 rows. Mb Walk Behind Sweeper Parts.
From www.asphaltsealcoatingdirect.com
MB Hydra 48 Inch SelfPropelled Walk Behind Asphalt Power Broom For Mb Walk Behind Sweeper Parts Materials can be chosen from poly, wire or a combination of poly and. Always consult the factory for specific details related to your. Enter the part number in the box below and click search. Clean and clear snow, dirt, debris and grass anywhere in any season. the manuals below are to be for general information only. 64 rows. Mb Walk Behind Sweeper Parts.
From auctionresource.com
MB Walk Behind Sweeper Lot 30, Online Only Equipment Auction, 2/12 Mb Walk Behind Sweeper Parts Materials can be chosen from poly, wire or a combination of poly and. Enter the part number in the box below and click search. Always consult the factory for specific details related to your. the manuals below are to be for general information only. 64 rows find the perfect replacement brush for your sweeper needs in many sizes.. Mb Walk Behind Sweeper Parts.
From www.upcitemdb.com
UPC 052613103630 AgriFab Lawn Equipment Parts 44 in. 25 cu. ft. Tow Mb Walk Behind Sweeper Parts Clean and clear snow, dirt, debris and grass anywhere in any season. 64 rows find the perfect replacement brush for your sweeper needs in many sizes. Always consult the factory for specific details related to your. the manuals below are to be for general information only. Enter the part number in the box below and click search. Materials. Mb Walk Behind Sweeper Parts.
From www.ebay.com
MB Companies Walk Behind Sweeper Broom 48" eBay Mb Walk Behind Sweeper Parts Materials can be chosen from poly, wire or a combination of poly and. the manuals below are to be for general information only. Clean and clear snow, dirt, debris and grass anywhere in any season. Always consult the factory for specific details related to your. Enter the part number in the box below and click search. 64 rows. Mb Walk Behind Sweeper Parts.
From www.smith-equipment.com
Walk Behind Sweeper Sweeper Attachments Smith Equip. Mb Walk Behind Sweeper Parts Clean and clear snow, dirt, debris and grass anywhere in any season. 64 rows find the perfect replacement brush for your sweeper needs in many sizes. Enter the part number in the box below and click search. Materials can be chosen from poly, wire or a combination of poly and. Always consult the factory for specific details related to. Mb Walk Behind Sweeper Parts.
From www.asphaltsealcoatingdirect.com
MB Hydra 36 Inch Gas Powered Horizontal Shaft Walk Behind Broom For Mb Walk Behind Sweeper Parts Materials can be chosen from poly, wire or a combination of poly and. 64 rows find the perfect replacement brush for your sweeper needs in many sizes. the manuals below are to be for general information only. Enter the part number in the box below and click search. Always consult the factory for specific details related to your.. Mb Walk Behind Sweeper Parts.
From municibid.com
MB WALK BEHIND POWER SWEEPER Online Government Auctions of Government Mb Walk Behind Sweeper Parts Clean and clear snow, dirt, debris and grass anywhere in any season. Materials can be chosen from poly, wire or a combination of poly and. Enter the part number in the box below and click search. Always consult the factory for specific details related to your. the manuals below are to be for general information only. 64 rows. Mb Walk Behind Sweeper Parts.