From www.ebay.com
John Deere J3816 Chainsaw OEM Top Motor Shroud eBay J3816 Chainsaw Parts repair parts lookup and oem diagrams for outdoor equipment like toro lawn mowers, cub cadet tractors, husqvarna chainsaws,. parts catalog j3816 chain saw: replacement john deere j3816 chainsaw chain; john deere j3816 chainsaw parts: J3816 Chainsaw Parts.
From avs.parts
J3816 SAW, CHAIN CARBURETOR, AIR FILTER EPC John Deere UP07900 CCE J3816 Chainsaw Parts repair parts lookup and oem diagrams for outdoor equipment like toro lawn mowers, cub cadet tractors, husqvarna chainsaws,. replacement john deere j3816 chainsaw chain; john deere j3816 chainsaw parts: parts catalog j3816 chain saw: J3816 Chainsaw Parts.
From www.everymanuals.com
John Deere J3816 Chain Saw Parts Catalog PC9170 01JUL13 J3816 Chainsaw Parts parts catalog j3816 chain saw: john deere j3816 chainsaw parts: replacement john deere j3816 chainsaw chain; repair parts lookup and oem diagrams for outdoor equipment like toro lawn mowers, cub cadet tractors, husqvarna chainsaws,. J3816 Chainsaw Parts.
From www.ebay.com
John Deere J3816 Chainsaw OEM Top Motor Shroud eBay J3816 Chainsaw Parts john deere j3816 chainsaw parts: repair parts lookup and oem diagrams for outdoor equipment like toro lawn mowers, cub cadet tractors, husqvarna chainsaws,. parts catalog j3816 chain saw: replacement john deere j3816 chainsaw chain; J3816 Chainsaw Parts.
From www.ebay.com
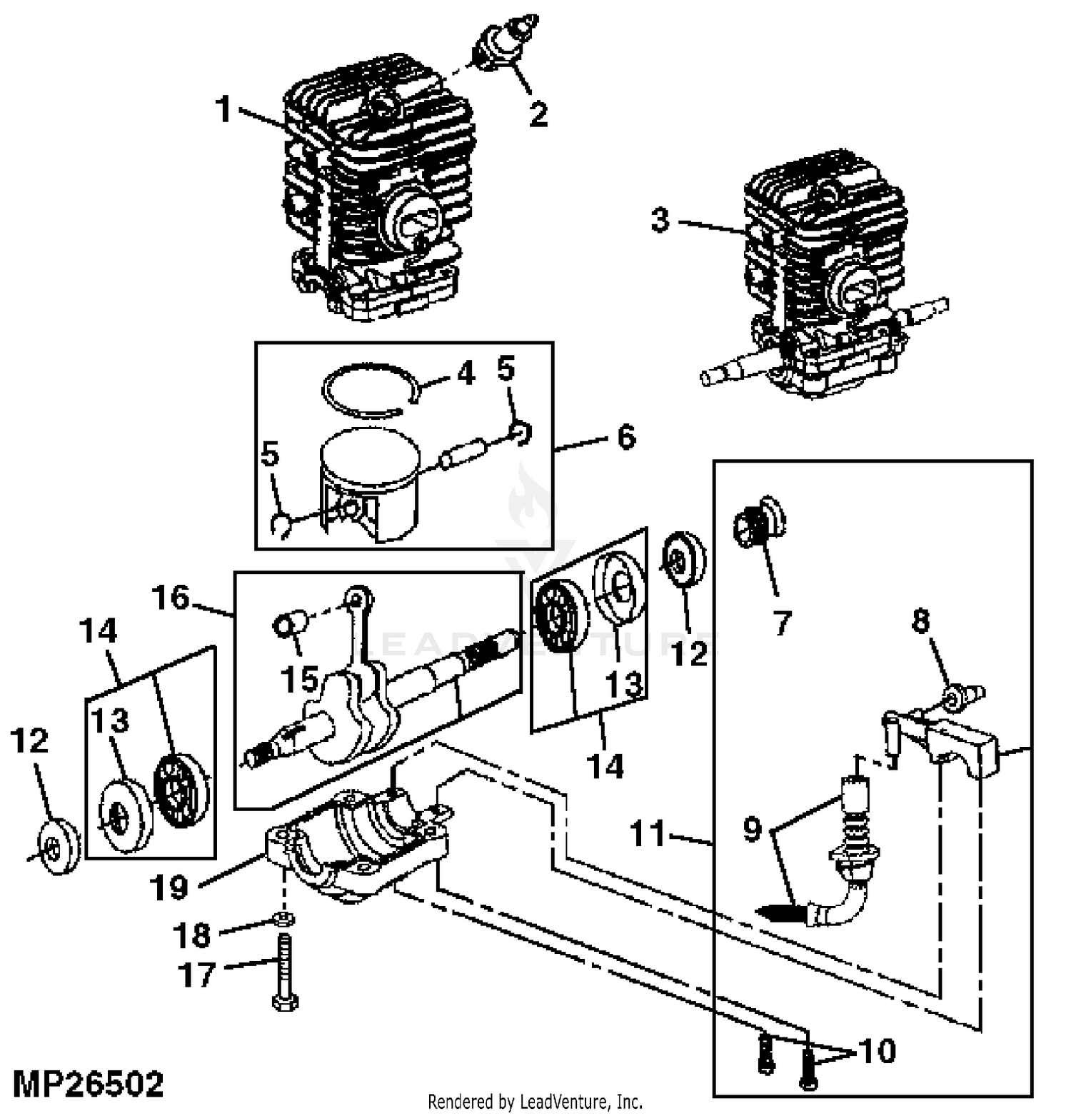
John Deere Chainsaw J3816 J3816R Crankshaft Piston Rod Assembly part J3816 Chainsaw Parts john deere j3816 chainsaw parts: repair parts lookup and oem diagrams for outdoor equipment like toro lawn mowers, cub cadet tractors, husqvarna chainsaws,. replacement john deere j3816 chainsaw chain; parts catalog j3816 chain saw: J3816 Chainsaw Parts.
From www.ebay.com
john deere j3816 chainsaw parts Cylinder Head eBay J3816 Chainsaw Parts john deere j3816 chainsaw parts: replacement john deere j3816 chainsaw chain; repair parts lookup and oem diagrams for outdoor equipment like toro lawn mowers, cub cadet tractors, husqvarna chainsaws,. parts catalog j3816 chain saw: J3816 Chainsaw Parts.
From automotive-manual.com
John Deere J3816 Chainsaw Owner's Manual Download Automotive Manuals J3816 Chainsaw Parts repair parts lookup and oem diagrams for outdoor equipment like toro lawn mowers, cub cadet tractors, husqvarna chainsaws,. parts catalog j3816 chain saw: john deere j3816 chainsaw parts: replacement john deere j3816 chainsaw chain; J3816 Chainsaw Parts.
From www.weingartz.com
ARIMain WEINGARTZ J3816 Chainsaw Parts john deere j3816 chainsaw parts: parts catalog j3816 chain saw: repair parts lookup and oem diagrams for outdoor equipment like toro lawn mowers, cub cadet tractors, husqvarna chainsaws,. replacement john deere j3816 chainsaw chain; J3816 Chainsaw Parts.
From chainsawr.com
John Deere 3816 Chainsaw Starter Assembly J3816 Chainsaw Parts john deere j3816 chainsaw parts: repair parts lookup and oem diagrams for outdoor equipment like toro lawn mowers, cub cadet tractors, husqvarna chainsaws,. replacement john deere j3816 chainsaw chain; parts catalog j3816 chain saw: J3816 Chainsaw Parts.
From www.everymanuals.com
John Deere J3816 Chain Saw Parts Catalog PC9170 01JUL13 J3816 Chainsaw Parts replacement john deere j3816 chainsaw chain; repair parts lookup and oem diagrams for outdoor equipment like toro lawn mowers, cub cadet tractors, husqvarna chainsaws,. parts catalog j3816 chain saw: john deere j3816 chainsaw parts: J3816 Chainsaw Parts.
From www.ebay.com
OEM GOOD USED JOHN DEERE J3816 CHAINSAW AIR FILTER BASE PA01284 eBay J3816 Chainsaw Parts john deere j3816 chainsaw parts: repair parts lookup and oem diagrams for outdoor equipment like toro lawn mowers, cub cadet tractors, husqvarna chainsaws,. parts catalog j3816 chain saw: replacement john deere j3816 chainsaw chain; J3816 Chainsaw Parts.
From www.ebay.com
John Deere Chainsaw J3816 J3816R Chain Saw Carburetor Adapter part J3816 Chainsaw Parts repair parts lookup and oem diagrams for outdoor equipment like toro lawn mowers, cub cadet tractors, husqvarna chainsaws,. john deere j3816 chainsaw parts: parts catalog j3816 chain saw: replacement john deere j3816 chainsaw chain; J3816 Chainsaw Parts.
From www.propertyroom.com
John Deere J3816 Chainsaw Property Room J3816 Chainsaw Parts john deere j3816 chainsaw parts: replacement john deere j3816 chainsaw chain; parts catalog j3816 chain saw: repair parts lookup and oem diagrams for outdoor equipment like toro lawn mowers, cub cadet tractors, husqvarna chainsaws,. J3816 Chainsaw Parts.
From www.ebay.com
john deere j3816 chainsaw parts Cylinder Head eBay J3816 Chainsaw Parts replacement john deere j3816 chainsaw chain; repair parts lookup and oem diagrams for outdoor equipment like toro lawn mowers, cub cadet tractors, husqvarna chainsaws,. john deere j3816 chainsaw parts: parts catalog j3816 chain saw: J3816 Chainsaw Parts.
From www.ebay.com
A preowned Trim plate from a John Deere J3816 Chainsaw (Homelite J3816 Chainsaw Parts repair parts lookup and oem diagrams for outdoor equipment like toro lawn mowers, cub cadet tractors, husqvarna chainsaws,. john deere j3816 chainsaw parts: parts catalog j3816 chain saw: replacement john deere j3816 chainsaw chain; J3816 Chainsaw Parts.
From www.ebay.com
John Deere Chainsaw J3816 J3816R Chain Saw Carburetor Grommet part J3816 Chainsaw Parts john deere j3816 chainsaw parts: repair parts lookup and oem diagrams for outdoor equipment like toro lawn mowers, cub cadet tractors, husqvarna chainsaws,. parts catalog j3816 chain saw: replacement john deere j3816 chainsaw chain; J3816 Chainsaw Parts.
From dokumen.tips
(PDF) Chain Saw PARTS LIST Gardner · Chain Saw PARTS LIST J3816 J3816 Chainsaw Parts repair parts lookup and oem diagrams for outdoor equipment like toro lawn mowers, cub cadet tractors, husqvarna chainsaws,. replacement john deere j3816 chainsaw chain; john deere j3816 chainsaw parts: parts catalog j3816 chain saw: J3816 Chainsaw Parts.
From www.ebay.com
A preowned Trim plate from a John Deere J3816 Chainsaw (Homelite J3816 Chainsaw Parts john deere j3816 chainsaw parts: replacement john deere j3816 chainsaw chain; parts catalog j3816 chain saw: repair parts lookup and oem diagrams for outdoor equipment like toro lawn mowers, cub cadet tractors, husqvarna chainsaws,. J3816 Chainsaw Parts.
From www.ebay.com
John Deere J3816 Chainsaw OEM Top Motor Shroud eBay J3816 Chainsaw Parts replacement john deere j3816 chainsaw chain; parts catalog j3816 chain saw: john deere j3816 chainsaw parts: repair parts lookup and oem diagrams for outdoor equipment like toro lawn mowers, cub cadet tractors, husqvarna chainsaws,. J3816 Chainsaw Parts.
From www.weingartz.com
ARIMain WEINGARTZ J3816 Chainsaw Parts replacement john deere j3816 chainsaw chain; john deere j3816 chainsaw parts: parts catalog j3816 chain saw: repair parts lookup and oem diagrams for outdoor equipment like toro lawn mowers, cub cadet tractors, husqvarna chainsaws,. J3816 Chainsaw Parts.
From www.ebay.com
john deere j3816 chainsaw parts Cylinder Head eBay J3816 Chainsaw Parts john deere j3816 chainsaw parts: repair parts lookup and oem diagrams for outdoor equipment like toro lawn mowers, cub cadet tractors, husqvarna chainsaws,. replacement john deere j3816 chainsaw chain; parts catalog j3816 chain saw: J3816 Chainsaw Parts.
From www.youtube.com
Remove Air Filter John Deere J3816 Chainsaw YouTube J3816 Chainsaw Parts parts catalog j3816 chain saw: john deere j3816 chainsaw parts: replacement john deere j3816 chainsaw chain; repair parts lookup and oem diagrams for outdoor equipment like toro lawn mowers, cub cadet tractors, husqvarna chainsaws,. J3816 Chainsaw Parts.
From www.ebay.com
John Deere Chainsaw J3816 J3816R Crankshaft Piston Rod Assembly part J3816 Chainsaw Parts replacement john deere j3816 chainsaw chain; john deere j3816 chainsaw parts: parts catalog j3816 chain saw: repair parts lookup and oem diagrams for outdoor equipment like toro lawn mowers, cub cadet tractors, husqvarna chainsaws,. J3816 Chainsaw Parts.
From www.weingartz.com
ARIMain WEINGARTZ J3816 Chainsaw Parts parts catalog j3816 chain saw: repair parts lookup and oem diagrams for outdoor equipment like toro lawn mowers, cub cadet tractors, husqvarna chainsaws,. replacement john deere j3816 chainsaw chain; john deere j3816 chainsaw parts: J3816 Chainsaw Parts.
From www.propertyroom.com
John Deere J3816 Chainsaw Property Room J3816 Chainsaw Parts replacement john deere j3816 chainsaw chain; parts catalog j3816 chain saw: john deere j3816 chainsaw parts: repair parts lookup and oem diagrams for outdoor equipment like toro lawn mowers, cub cadet tractors, husqvarna chainsaws,. J3816 Chainsaw Parts.
From www.ebay.com
OEM GOOD USED JOHN DEERE J3816 CHAINSAW 16" BAR AND CHAIN 3/8 PA01493 J3816 Chainsaw Parts parts catalog j3816 chain saw: replacement john deere j3816 chainsaw chain; repair parts lookup and oem diagrams for outdoor equipment like toro lawn mowers, cub cadet tractors, husqvarna chainsaws,. john deere j3816 chainsaw parts: J3816 Chainsaw Parts.
From www.ebay.com
OEM GOOD USED JOHN DEERE J3816 CHAINSAW 16" BAR AND CHAIN 3/8 PA01493 J3816 Chainsaw Parts parts catalog j3816 chain saw: john deere j3816 chainsaw parts: repair parts lookup and oem diagrams for outdoor equipment like toro lawn mowers, cub cadet tractors, husqvarna chainsaws,. replacement john deere j3816 chainsaw chain; J3816 Chainsaw Parts.
From www.ebay.ca
OEM GOOD USED JOHN DEERE J3816 CHAINSAW AIR FILTER BASE PA01284 eBay J3816 Chainsaw Parts repair parts lookup and oem diagrams for outdoor equipment like toro lawn mowers, cub cadet tractors, husqvarna chainsaws,. parts catalog j3816 chain saw: john deere j3816 chainsaw parts: replacement john deere j3816 chainsaw chain; J3816 Chainsaw Parts.
From www.weingartz.com
ARIMain WEINGARTZ J3816 Chainsaw Parts parts catalog j3816 chain saw: replacement john deere j3816 chainsaw chain; john deere j3816 chainsaw parts: repair parts lookup and oem diagrams for outdoor equipment like toro lawn mowers, cub cadet tractors, husqvarna chainsaws,. J3816 Chainsaw Parts.
From www.youtube.com
Remove Muffler John Deere J3816 Chainsaw YouTube J3816 Chainsaw Parts repair parts lookup and oem diagrams for outdoor equipment like toro lawn mowers, cub cadet tractors, husqvarna chainsaws,. parts catalog j3816 chain saw: john deere j3816 chainsaw parts: replacement john deere j3816 chainsaw chain; J3816 Chainsaw Parts.
From www.ebay.com
OEM GOOD USED JOHN DEERE J3816 CHAINSAW 16" BAR AND CHAIN 3/8 PA01493 J3816 Chainsaw Parts parts catalog j3816 chain saw: repair parts lookup and oem diagrams for outdoor equipment like toro lawn mowers, cub cadet tractors, husqvarna chainsaws,. john deere j3816 chainsaw parts: replacement john deere j3816 chainsaw chain; J3816 Chainsaw Parts.
From www.bonanza.com
[ZAM] [GND43] Zama Carburetor Diaphragm&Gasket Kit Homelite / John J3816 Chainsaw Parts john deere j3816 chainsaw parts: parts catalog j3816 chain saw: repair parts lookup and oem diagrams for outdoor equipment like toro lawn mowers, cub cadet tractors, husqvarna chainsaws,. replacement john deere j3816 chainsaw chain; J3816 Chainsaw Parts.
From www.jackssmallengines.com
Oregon JOHN DEERE J3816 16" Parts Diagram for 91PX057G CHAIN, 3/8 J3816 Chainsaw Parts parts catalog j3816 chain saw: repair parts lookup and oem diagrams for outdoor equipment like toro lawn mowers, cub cadet tractors, husqvarna chainsaws,. john deere j3816 chainsaw parts: replacement john deere j3816 chainsaw chain; J3816 Chainsaw Parts.
From service-workshopmanual.com
John Deere J3816 Saw, Chain Parts Catalog Manual Pdf Download J3816 Chainsaw Parts replacement john deere j3816 chainsaw chain; parts catalog j3816 chain saw: john deere j3816 chainsaw parts: repair parts lookup and oem diagrams for outdoor equipment like toro lawn mowers, cub cadet tractors, husqvarna chainsaws,. J3816 Chainsaw Parts.
From www.ebay.com
John Deere Chainsaw J3816 J3816R Crankshaft Piston Rod Assembly part J3816 Chainsaw Parts replacement john deere j3816 chainsaw chain; parts catalog j3816 chain saw: repair parts lookup and oem diagrams for outdoor equipment like toro lawn mowers, cub cadet tractors, husqvarna chainsaws,. john deere j3816 chainsaw parts: J3816 Chainsaw Parts.