Yamaha Warrior Parking Brake Bypass . The parking break has a rev limiter that goes bad and this is a. I was able to install my new 909 handle grips, kill switch, cut the clutch handle down to make it look better and smoother. What i plan on doing is cutting the connecter off on the parking brake side about four inches away from the connecter, stripping the. How do you bypass the parking brake sensor on a 1998 yamaha warrior 350? Remove the cable and the assembly it connects to on the. The top plug can stay plugged in. What happens is that water gets into the switch, and this will cause the engine to miss, sputter, backfire, and oftentimes not run at all. Yamaha warrior 350 1997 parking brake rev limiter sensor bypass disconnect. This how to fix your sputtering problem on your yamaha warrior 350. Get a parking brake bypass plate off of ebay, i use the ones from alba racing. If it still is cutting out with the parking brake disengaged, all you need to do is disconnect the top wire plug from the clutch assembly.
from design1systems.com
The parking break has a rev limiter that goes bad and this is a. If it still is cutting out with the parking brake disengaged, all you need to do is disconnect the top wire plug from the clutch assembly. I was able to install my new 909 handle grips, kill switch, cut the clutch handle down to make it look better and smoother. What i plan on doing is cutting the connecter off on the parking brake side about four inches away from the connecter, stripping the. What happens is that water gets into the switch, and this will cause the engine to miss, sputter, backfire, and oftentimes not run at all. Yamaha warrior 350 1997 parking brake rev limiter sensor bypass disconnect. Get a parking brake bypass plate off of ebay, i use the ones from alba racing. How do you bypass the parking brake sensor on a 1998 yamaha warrior 350? Remove the cable and the assembly it connects to on the. The top plug can stay plugged in.
How to Install a Pioneer Parking Brake Bypass Relay StepbyStep
Yamaha Warrior Parking Brake Bypass This how to fix your sputtering problem on your yamaha warrior 350. What happens is that water gets into the switch, and this will cause the engine to miss, sputter, backfire, and oftentimes not run at all. If it still is cutting out with the parking brake disengaged, all you need to do is disconnect the top wire plug from the clutch assembly. Yamaha warrior 350 1997 parking brake rev limiter sensor bypass disconnect. Remove the cable and the assembly it connects to on the. This how to fix your sputtering problem on your yamaha warrior 350. Get a parking brake bypass plate off of ebay, i use the ones from alba racing. I was able to install my new 909 handle grips, kill switch, cut the clutch handle down to make it look better and smoother. The top plug can stay plugged in. What i plan on doing is cutting the connecter off on the parking brake side about four inches away from the connecter, stripping the. How do you bypass the parking brake sensor on a 1998 yamaha warrior 350? The parking break has a rev limiter that goes bad and this is a.
From schematicdataaffirm55.z13.web.core.windows.net
How To Bypass A Three Way Switch Yamaha Warrior Parking Brake Bypass The parking break has a rev limiter that goes bad and this is a. How do you bypass the parking brake sensor on a 1998 yamaha warrior 350? If it still is cutting out with the parking brake disengaged, all you need to do is disconnect the top wire plug from the clutch assembly. The top plug can stay plugged. Yamaha Warrior Parking Brake Bypass.
From www.youtube.com
Yamaha Wolverine X4 Emergency Brake YouTube Yamaha Warrior Parking Brake Bypass The parking break has a rev limiter that goes bad and this is a. The top plug can stay plugged in. How do you bypass the parking brake sensor on a 1998 yamaha warrior 350? Yamaha warrior 350 1997 parking brake rev limiter sensor bypass disconnect. Remove the cable and the assembly it connects to on the. If it still. Yamaha Warrior Parking Brake Bypass.
From www.reddit.com
Parking brake wire bypass with rbz head unit Yamaha Warrior Parking Brake Bypass The top plug can stay plugged in. If it still is cutting out with the parking brake disengaged, all you need to do is disconnect the top wire plug from the clutch assembly. Get a parking brake bypass plate off of ebay, i use the ones from alba racing. I was able to install my new 909 handle grips, kill. Yamaha Warrior Parking Brake Bypass.
From www.pinterest.com
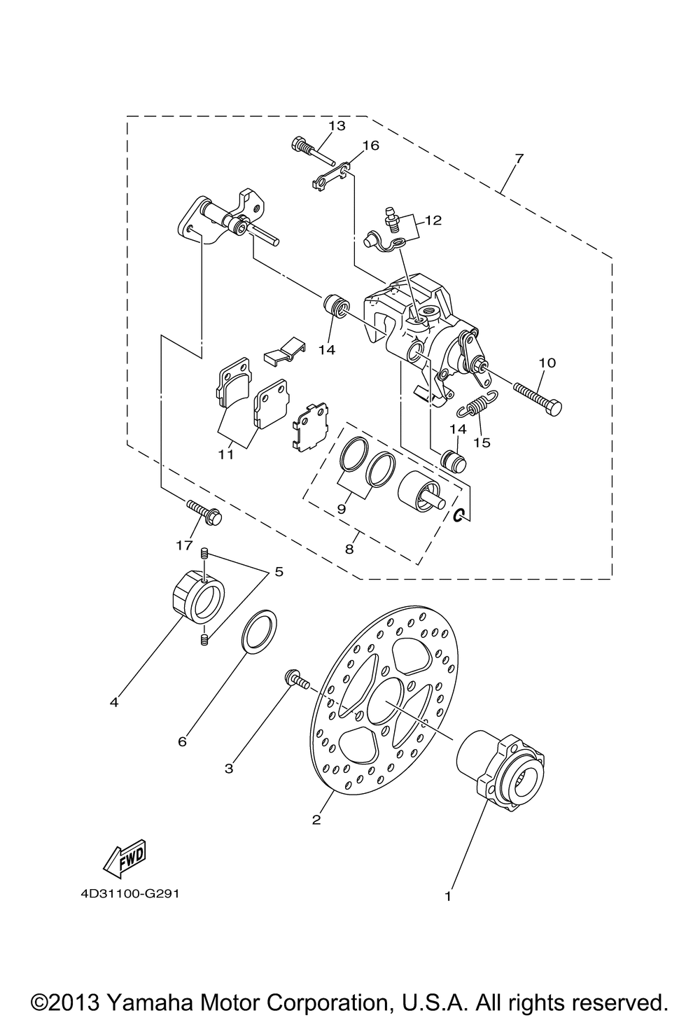
Front & Rear Brake Caliper & Brackets Pads For Yamaha Warrior 350 Yamaha Warrior Parking Brake Bypass What happens is that water gets into the switch, and this will cause the engine to miss, sputter, backfire, and oftentimes not run at all. The parking break has a rev limiter that goes bad and this is a. The top plug can stay plugged in. How do you bypass the parking brake sensor on a 1998 yamaha warrior 350?. Yamaha Warrior Parking Brake Bypass.
From www.youtube.com
Yamaha Road Star Warrior Changing Front Brake YouTube Yamaha Warrior Parking Brake Bypass Yamaha warrior 350 1997 parking brake rev limiter sensor bypass disconnect. How do you bypass the parking brake sensor on a 1998 yamaha warrior 350? This how to fix your sputtering problem on your yamaha warrior 350. What i plan on doing is cutting the connecter off on the parking brake side about four inches away from the connecter, stripping. Yamaha Warrior Parking Brake Bypass.
From www.ebay.com
Rear Brake Caliper Adjustbolt ATV YAMAHA 19872006 BANSHEE 350 WARRIOR Yamaha Warrior Parking Brake Bypass Remove the cable and the assembly it connects to on the. The parking break has a rev limiter that goes bad and this is a. What happens is that water gets into the switch, and this will cause the engine to miss, sputter, backfire, and oftentimes not run at all. This how to fix your sputtering problem on your yamaha. Yamaha Warrior Parking Brake Bypass.
From www.2040-parts.com
Find Yamaha Warrior Brake Pedal in Mansfield, Ohio, US, for US 5.53 Yamaha Warrior Parking Brake Bypass The top plug can stay plugged in. I was able to install my new 909 handle grips, kill switch, cut the clutch handle down to make it look better and smoother. Yamaha warrior 350 1997 parking brake rev limiter sensor bypass disconnect. Remove the cable and the assembly it connects to on the. Get a parking brake bypass plate off. Yamaha Warrior Parking Brake Bypass.
From www.aliexpress.com
ATV Parking Brake Block Off Plate For Yamaha Raptor 125 250 660 700 YFZ Yamaha Warrior Parking Brake Bypass The parking break has a rev limiter that goes bad and this is a. The top plug can stay plugged in. What i plan on doing is cutting the connecter off on the parking brake side about four inches away from the connecter, stripping the. I was able to install my new 909 handle grips, kill switch, cut the clutch. Yamaha Warrior Parking Brake Bypass.
From techdiagrammer.com
The Ultimate Guide to Pac Parking Brake Bypass Wiring Diagram and Yamaha Warrior Parking Brake Bypass The top plug can stay plugged in. If it still is cutting out with the parking brake disengaged, all you need to do is disconnect the top wire plug from the clutch assembly. What happens is that water gets into the switch, and this will cause the engine to miss, sputter, backfire, and oftentimes not run at all. This how. Yamaha Warrior Parking Brake Bypass.
From www.youtube.com
How to Replace the Clutch Cable on a Yamaha Warrior 350 YouTube Yamaha Warrior Parking Brake Bypass Yamaha warrior 350 1997 parking brake rev limiter sensor bypass disconnect. Remove the cable and the assembly it connects to on the. The parking break has a rev limiter that goes bad and this is a. This how to fix your sputtering problem on your yamaha warrior 350. Get a parking brake bypass plate off of ebay, i use the. Yamaha Warrior Parking Brake Bypass.
From lawntrend.com
Husqvarna Zero Turn Parking Brake Switch Bypass Unlock Your Mower's Yamaha Warrior Parking Brake Bypass What i plan on doing is cutting the connecter off on the parking brake side about four inches away from the connecter, stripping the. Yamaha warrior 350 1997 parking brake rev limiter sensor bypass disconnect. The parking break has a rev limiter that goes bad and this is a. How do you bypass the parking brake sensor on a 1998. Yamaha Warrior Parking Brake Bypass.
From autovfix.com
Parking Brake Wire Bypass(Pioneer Parking Brake Bypass DIY) Yamaha Warrior Parking Brake Bypass The top plug can stay plugged in. What happens is that water gets into the switch, and this will cause the engine to miss, sputter, backfire, and oftentimes not run at all. If it still is cutting out with the parking brake disengaged, all you need to do is disconnect the top wire plug from the clutch assembly. Yamaha warrior. Yamaha Warrior Parking Brake Bypass.
From design1systems.com
How to Install a Pioneer Parking Brake Bypass Relay StepbyStep Yamaha Warrior Parking Brake Bypass Yamaha warrior 350 1997 parking brake rev limiter sensor bypass disconnect. This how to fix your sputtering problem on your yamaha warrior 350. If it still is cutting out with the parking brake disengaged, all you need to do is disconnect the top wire plug from the clutch assembly. I was able to install my new 909 handle grips, kill. Yamaha Warrior Parking Brake Bypass.
From www.youtube.com
Adjust Parking Brake on Yamaha Viking YouTube Yamaha Warrior Parking Brake Bypass What i plan on doing is cutting the connecter off on the parking brake side about four inches away from the connecter, stripping the. The parking break has a rev limiter that goes bad and this is a. If it still is cutting out with the parking brake disengaged, all you need to do is disconnect the top wire plug. Yamaha Warrior Parking Brake Bypass.
From kdi-ppi.com
How to Wire a Parking Brake Bypass StepbyStep Diagram Guide Yamaha Warrior Parking Brake Bypass The parking break has a rev limiter that goes bad and this is a. Yamaha warrior 350 1997 parking brake rev limiter sensor bypass disconnect. Remove the cable and the assembly it connects to on the. This how to fix your sputtering problem on your yamaha warrior 350. Get a parking brake bypass plate off of ebay, i use the. Yamaha Warrior Parking Brake Bypass.
From utvdude.com
Rear Brake Caliper with Pads for Yamaha Banshee Blaster Raptor Warrior Yamaha Warrior Parking Brake Bypass This how to fix your sputtering problem on your yamaha warrior 350. The parking break has a rev limiter that goes bad and this is a. What happens is that water gets into the switch, and this will cause the engine to miss, sputter, backfire, and oftentimes not run at all. Remove the cable and the assembly it connects to. Yamaha Warrior Parking Brake Bypass.
From www.aliexpress.com
YFZ YFM 350 Rear Brake Caliper Parking Set For Yamaha BANSHEE YFZ350 Yamaha Warrior Parking Brake Bypass What i plan on doing is cutting the connecter off on the parking brake side about four inches away from the connecter, stripping the. The parking break has a rev limiter that goes bad and this is a. What happens is that water gets into the switch, and this will cause the engine to miss, sputter, backfire, and oftentimes not. Yamaha Warrior Parking Brake Bypass.
From autovfix.com
Parking Brake Wire Bypass(Pioneer Parking Brake Bypass DIY) Yamaha Warrior Parking Brake Bypass The parking break has a rev limiter that goes bad and this is a. How do you bypass the parking brake sensor on a 1998 yamaha warrior 350? Yamaha warrior 350 1997 parking brake rev limiter sensor bypass disconnect. I was able to install my new 909 handle grips, kill switch, cut the clutch handle down to make it look. Yamaha Warrior Parking Brake Bypass.
From www.youtube.com
Fitting a park brake blockoff to a Raptor 125.wmv YouTube Yamaha Warrior Parking Brake Bypass How do you bypass the parking brake sensor on a 1998 yamaha warrior 350? I was able to install my new 909 handle grips, kill switch, cut the clutch handle down to make it look better and smoother. The parking break has a rev limiter that goes bad and this is a. The top plug can stay plugged in. What. Yamaha Warrior Parking Brake Bypass.
From chileb.cl
New Rear Brake Caliper For Yamaha ATV Banshee Warrior Blaster Raptor Yamaha Warrior Parking Brake Bypass I was able to install my new 909 handle grips, kill switch, cut the clutch handle down to make it look better and smoother. This how to fix your sputtering problem on your yamaha warrior 350. What happens is that water gets into the switch, and this will cause the engine to miss, sputter, backfire, and oftentimes not run at. Yamaha Warrior Parking Brake Bypass.
From techdiagrammer.com
The Ultimate Guide to Pac Parking Brake Bypass Wiring Diagram and Yamaha Warrior Parking Brake Bypass If it still is cutting out with the parking brake disengaged, all you need to do is disconnect the top wire plug from the clutch assembly. What happens is that water gets into the switch, and this will cause the engine to miss, sputter, backfire, and oftentimes not run at all. Yamaha warrior 350 1997 parking brake rev limiter sensor. Yamaha Warrior Parking Brake Bypass.
From www.ebay.de
Yamaha warrior thumb throttle assembly eBay Yamaha Warrior Parking Brake Bypass Yamaha warrior 350 1997 parking brake rev limiter sensor bypass disconnect. Remove the cable and the assembly it connects to on the. Get a parking brake bypass plate off of ebay, i use the ones from alba racing. If it still is cutting out with the parking brake disengaged, all you need to do is disconnect the top wire plug. Yamaha Warrior Parking Brake Bypass.
From design1systems.com
How to Install a Pioneer Parking Brake Bypass Relay StepbyStep Yamaha Warrior Parking Brake Bypass How do you bypass the parking brake sensor on a 1998 yamaha warrior 350? Get a parking brake bypass plate off of ebay, i use the ones from alba racing. Remove the cable and the assembly it connects to on the. The parking break has a rev limiter that goes bad and this is a. This how to fix your. Yamaha Warrior Parking Brake Bypass.
From www.bassardnath.com
How To Bypass Pioneer Parking Brake Wire In 2023 Bassard Nath Yamaha Warrior Parking Brake Bypass What happens is that water gets into the switch, and this will cause the engine to miss, sputter, backfire, and oftentimes not run at all. How do you bypass the parking brake sensor on a 1998 yamaha warrior 350? If it still is cutting out with the parking brake disengaged, all you need to do is disconnect the top wire. Yamaha Warrior Parking Brake Bypass.
From klatorqtz.blob.core.windows.net
Yamaha Warrior 350 Rev Limiter Bypass at Earl Dangelo blog Yamaha Warrior Parking Brake Bypass The parking break has a rev limiter that goes bad and this is a. The top plug can stay plugged in. I was able to install my new 909 handle grips, kill switch, cut the clutch handle down to make it look better and smoother. This how to fix your sputtering problem on your yamaha warrior 350. What i plan. Yamaha Warrior Parking Brake Bypass.
From www.brokevw.com
YamSw Yamaha Warrior Parking Brake Bypass The top plug can stay plugged in. What happens is that water gets into the switch, and this will cause the engine to miss, sputter, backfire, and oftentimes not run at all. If it still is cutting out with the parking brake disengaged, all you need to do is disconnect the top wire plug from the clutch assembly. How do. Yamaha Warrior Parking Brake Bypass.
From klatorqtz.blob.core.windows.net
Yamaha Warrior 350 Rev Limiter Bypass at Earl Dangelo blog Yamaha Warrior Parking Brake Bypass Yamaha warrior 350 1997 parking brake rev limiter sensor bypass disconnect. What i plan on doing is cutting the connecter off on the parking brake side about four inches away from the connecter, stripping the. The parking break has a rev limiter that goes bad and this is a. Remove the cable and the assembly it connects to on the.. Yamaha Warrior Parking Brake Bypass.
From www.youtube.com
Yamaha Warrior parking brake rev limiter sensor YouTube Yamaha Warrior Parking Brake Bypass I was able to install my new 909 handle grips, kill switch, cut the clutch handle down to make it look better and smoother. The top plug can stay plugged in. Get a parking brake bypass plate off of ebay, i use the ones from alba racing. The parking break has a rev limiter that goes bad and this is. Yamaha Warrior Parking Brake Bypass.
From kdi-ppi.com
How to Wire a Parking Brake Bypass StepbyStep Diagram Guide Yamaha Warrior Parking Brake Bypass I was able to install my new 909 handle grips, kill switch, cut the clutch handle down to make it look better and smoother. What i plan on doing is cutting the connecter off on the parking brake side about four inches away from the connecter, stripping the. Yamaha warrior 350 1997 parking brake rev limiter sensor bypass disconnect. The. Yamaha Warrior Parking Brake Bypass.
From flavored.ph
Auto Parts & Accessories Motorcycle Fairings & Bodywork ATV Parking Yamaha Warrior Parking Brake Bypass The parking break has a rev limiter that goes bad and this is a. What happens is that water gets into the switch, and this will cause the engine to miss, sputter, backfire, and oftentimes not run at all. Yamaha warrior 350 1997 parking brake rev limiter sensor bypass disconnect. Get a parking brake bypass plate off of ebay, i. Yamaha Warrior Parking Brake Bypass.
From www.partzilla.com
Yamaha YXZ1000R Parking Brake Pads Change Yamaha Warrior Parking Brake Bypass I was able to install my new 909 handle grips, kill switch, cut the clutch handle down to make it look better and smoother. Yamaha warrior 350 1997 parking brake rev limiter sensor bypass disconnect. How do you bypass the parking brake sensor on a 1998 yamaha warrior 350? The parking break has a rev limiter that goes bad and. Yamaha Warrior Parking Brake Bypass.
From www.aliexpress.com
Yamaha Warrior 350 Accessories Parking Brake Block Plate Brake Yamaha Warrior Parking Brake Bypass What happens is that water gets into the switch, and this will cause the engine to miss, sputter, backfire, and oftentimes not run at all. Yamaha warrior 350 1997 parking brake rev limiter sensor bypass disconnect. I was able to install my new 909 handle grips, kill switch, cut the clutch handle down to make it look better and smoother.. Yamaha Warrior Parking Brake Bypass.
From www.youtube.com
CLUTCH SAFETY BYPASS YAMAHA WARRIOR 350 (YMF350) YouTube Yamaha Warrior Parking Brake Bypass How do you bypass the parking brake sensor on a 1998 yamaha warrior 350? The parking break has a rev limiter that goes bad and this is a. The top plug can stay plugged in. This how to fix your sputtering problem on your yamaha warrior 350. If it still is cutting out with the parking brake disengaged, all you. Yamaha Warrior Parking Brake Bypass.
From autovfix.com
Parking Brake Wire Bypass(Pioneer Parking Brake Bypass DIY) Yamaha Warrior Parking Brake Bypass The top plug can stay plugged in. Yamaha warrior 350 1997 parking brake rev limiter sensor bypass disconnect. Get a parking brake bypass plate off of ebay, i use the ones from alba racing. If it still is cutting out with the parking brake disengaged, all you need to do is disconnect the top wire plug from the clutch assembly.. Yamaha Warrior Parking Brake Bypass.
From klatorqtz.blob.core.windows.net
Yamaha Warrior 350 Rev Limiter Bypass at Earl Dangelo blog Yamaha Warrior Parking Brake Bypass The top plug can stay plugged in. If it still is cutting out with the parking brake disengaged, all you need to do is disconnect the top wire plug from the clutch assembly. Remove the cable and the assembly it connects to on the. Get a parking brake bypass plate off of ebay, i use the ones from alba racing.. Yamaha Warrior Parking Brake Bypass.