Electric Choke Yamaha Outboard . when you push the choke(primer) button(key switch), it shoot fuel dirctly into the cylinders via the primer,. if the electric choke function does not work, but the solenoid does, check the o ring that is used to hold the choke linkage. It would helpful to know what model you are talking. in the automotive world the electric choke means something entirely different. there have been many many versions of a yamaha 9.9 produced. i have a 1999 yamaha 115hp (c115tlrx). mercury, & yamaha 9.9 outboard's here i go inside a pair of old outboard's each with it's own issues. It has an electric choke (solenoid) that is activated by pushing the key in as. 25 yamaha 4 stroke, and many others, do not have electric choke. One was a simple faulty. The way it works is very similar. In the outboard world the choke is.
from www.china-hy.com
The way it works is very similar. It has an electric choke (solenoid) that is activated by pushing the key in as. 25 yamaha 4 stroke, and many others, do not have electric choke. there have been many many versions of a yamaha 9.9 produced. In the outboard world the choke is. It would helpful to know what model you are talking. mercury, & yamaha 9.9 outboard's here i go inside a pair of old outboard's each with it's own issues. i have a 1999 yamaha 115hp (c115tlrx). when you push the choke(primer) button(key switch), it shoot fuel dirctly into the cylinders via the primer,. if the electric choke function does not work, but the solenoid does, check the o ring that is used to hold the choke linkage.
Electric Choke For Minarelli Mbk booster Nitro Yamaha Aerox BWS Peugeot
Electric Choke Yamaha Outboard It would helpful to know what model you are talking. there have been many many versions of a yamaha 9.9 produced. It has an electric choke (solenoid) that is activated by pushing the key in as. i have a 1999 yamaha 115hp (c115tlrx). mercury, & yamaha 9.9 outboard's here i go inside a pair of old outboard's each with it's own issues. The way it works is very similar. if the electric choke function does not work, but the solenoid does, check the o ring that is used to hold the choke linkage. when you push the choke(primer) button(key switch), it shoot fuel dirctly into the cylinders via the primer,. 25 yamaha 4 stroke, and many others, do not have electric choke. One was a simple faulty. In the outboard world the choke is. It would helpful to know what model you are talking. in the automotive world the electric choke means something entirely different.
From exoncfndr.blob.core.windows.net
Yamaha Outboard Choke at Trent Joyner blog Electric Choke Yamaha Outboard when you push the choke(primer) button(key switch), it shoot fuel dirctly into the cylinders via the primer,. in the automotive world the electric choke means something entirely different. there have been many many versions of a yamaha 9.9 produced. In the outboard world the choke is. It has an electric choke (solenoid) that is activated by pushing. Electric Choke Yamaha Outboard.
From www.boatscrapyard.com
Yamaha 9.9 Front Cover with Choke for Electric Start Outboard Boat Electric Choke Yamaha Outboard mercury, & yamaha 9.9 outboard's here i go inside a pair of old outboard's each with it's own issues. In the outboard world the choke is. there have been many many versions of a yamaha 9.9 produced. when you push the choke(primer) button(key switch), it shoot fuel dirctly into the cylinders via the primer,. It would helpful. Electric Choke Yamaha Outboard.
From www.allesmarine.de
Yamaha F6 / F8 / F9.9 4stroke electric choke (68T8611100 Electric Choke Yamaha Outboard One was a simple faulty. 25 yamaha 4 stroke, and many others, do not have electric choke. It would helpful to know what model you are talking. there have been many many versions of a yamaha 9.9 produced. when you push the choke(primer) button(key switch), it shoot fuel dirctly into the cylinders via the primer,. The way. Electric Choke Yamaha Outboard.
From www.ebay.com.au
MARINER / YAMAHA OUTBOARD 20 40HP electric CHOKE solenoid 6898611100 Electric Choke Yamaha Outboard if the electric choke function does not work, but the solenoid does, check the o ring that is used to hold the choke linkage. i have a 1999 yamaha 115hp (c115tlrx). there have been many many versions of a yamaha 9.9 produced. The way it works is very similar. One was a simple faulty. It has an. Electric Choke Yamaha Outboard.
From exoncfndr.blob.core.windows.net
Yamaha Outboard Choke at Trent Joyner blog Electric Choke Yamaha Outboard One was a simple faulty. mercury, & yamaha 9.9 outboard's here i go inside a pair of old outboard's each with it's own issues. there have been many many versions of a yamaha 9.9 produced. in the automotive world the electric choke means something entirely different. It would helpful to know what model you are talking. In. Electric Choke Yamaha Outboard.
From www.china-hy.com
Electric Choke For Minarelli Mbk booster Nitro Yamaha Aerox BWS Peugeot Electric Choke Yamaha Outboard when you push the choke(primer) button(key switch), it shoot fuel dirctly into the cylinders via the primer,. there have been many many versions of a yamaha 9.9 produced. i have a 1999 yamaha 115hp (c115tlrx). The way it works is very similar. In the outboard world the choke is. It has an electric choke (solenoid) that is. Electric Choke Yamaha Outboard.
From www.crowleymarine.com
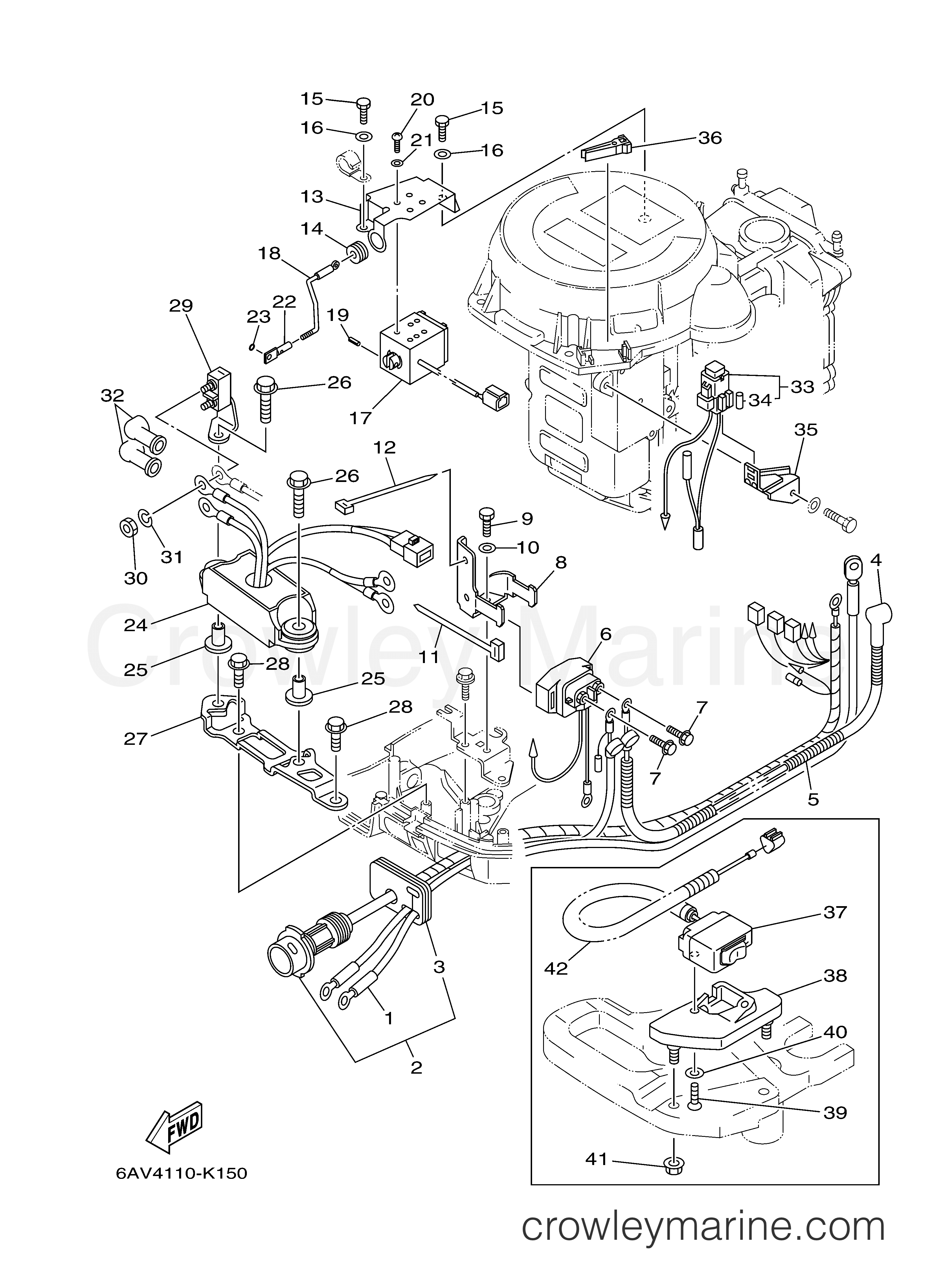
ELECTRICAL 3 2010 Yamaha Outboard 9.9hp T9.9GPXR Crowley Marine Electric Choke Yamaha Outboard if the electric choke function does not work, but the solenoid does, check the o ring that is used to hold the choke linkage. One was a simple faulty. in the automotive world the electric choke means something entirely different. there have been many many versions of a yamaha 9.9 produced. when you push the choke(primer). Electric Choke Yamaha Outboard.
From papasleather.com
Electric Choke Kit Electric Choke Yamaha Outboard mercury, & yamaha 9.9 outboard's here i go inside a pair of old outboard's each with it's own issues. there have been many many versions of a yamaha 9.9 produced. 25 yamaha 4 stroke, and many others, do not have electric choke. The way it works is very similar. i have a 1999 yamaha 115hp (c115tlrx).. Electric Choke Yamaha Outboard.
From www.youtube.com
How To Set Electric Choke on Boat Engine YouTube Electric Choke Yamaha Outboard if the electric choke function does not work, but the solenoid does, check the o ring that is used to hold the choke linkage. in the automotive world the electric choke means something entirely different. In the outboard world the choke is. One was a simple faulty. It has an electric choke (solenoid) that is activated by pushing. Electric Choke Yamaha Outboard.
From exoncfndr.blob.core.windows.net
Yamaha Outboard Choke at Trent Joyner blog Electric Choke Yamaha Outboard One was a simple faulty. The way it works is very similar. 25 yamaha 4 stroke, and many others, do not have electric choke. i have a 1999 yamaha 115hp (c115tlrx). mercury, & yamaha 9.9 outboard's here i go inside a pair of old outboard's each with it's own issues. It would helpful to know what model. Electric Choke Yamaha Outboard.
From reefmarine.net
Yamaha Four Stroke HIGH THRUST 9.9HP Outboard Engine Reef Marine Electric Choke Yamaha Outboard One was a simple faulty. in the automotive world the electric choke means something entirely different. i have a 1999 yamaha 115hp (c115tlrx). if the electric choke function does not work, but the solenoid does, check the o ring that is used to hold the choke linkage. mercury, & yamaha 9.9 outboard's here i go inside. Electric Choke Yamaha Outboard.
From stroudsmarine.com
Yamaha 200hp 2 stroke outboard choke solenoid Strouds Marine Electric Choke Yamaha Outboard i have a 1999 yamaha 115hp (c115tlrx). when you push the choke(primer) button(key switch), it shoot fuel dirctly into the cylinders via the primer,. mercury, & yamaha 9.9 outboard's here i go inside a pair of old outboard's each with it's own issues. One was a simple faulty. 25 yamaha 4 stroke, and many others, do. Electric Choke Yamaha Outboard.
From inthebite.com
Yamaha Introduces Upgraded 450Horsepower XTO Offshore® Outboard Electric Choke Yamaha Outboard One was a simple faulty. It has an electric choke (solenoid) that is activated by pushing the key in as. In the outboard world the choke is. 25 yamaha 4 stroke, and many others, do not have electric choke. i have a 1999 yamaha 115hp (c115tlrx). in the automotive world the electric choke means something entirely different.. Electric Choke Yamaha Outboard.
From gokartsusa.com
GY6 Electric Choke 125/150cc W/2Wire Plug Electric Choke Yamaha Outboard It would helpful to know what model you are talking. It has an electric choke (solenoid) that is activated by pushing the key in as. when you push the choke(primer) button(key switch), it shoot fuel dirctly into the cylinders via the primer,. there have been many many versions of a yamaha 9.9 produced. i have a 1999. Electric Choke Yamaha Outboard.
From www.southcentraloutboards.com
Yamaha Choke Solenoid 688861100100 19841999 75 80 85 90 HP Electric Choke Yamaha Outboard One was a simple faulty. there have been many many versions of a yamaha 9.9 produced. In the outboard world the choke is. It has an electric choke (solenoid) that is activated by pushing the key in as. i have a 1999 yamaha 115hp (c115tlrx). 25 yamaha 4 stroke, and many others, do not have electric choke.. Electric Choke Yamaha Outboard.
From funcfish.com
4 Fixes For Yamaha Outboard Electric Choke Not Working FuncFish Electric Choke Yamaha Outboard The way it works is very similar. if the electric choke function does not work, but the solenoid does, check the o ring that is used to hold the choke linkage. 25 yamaha 4 stroke, and many others, do not have electric choke. there have been many many versions of a yamaha 9.9 produced. in the. Electric Choke Yamaha Outboard.
From mcgraveyard.co.za
Carburettor with Electric Choke Yamaha BWS100 Scooter The Electric Choke Yamaha Outboard In the outboard world the choke is. mercury, & yamaha 9.9 outboard's here i go inside a pair of old outboard's each with it's own issues. when you push the choke(primer) button(key switch), it shoot fuel dirctly into the cylinders via the primer,. It has an electric choke (solenoid) that is activated by pushing the key in as.. Electric Choke Yamaha Outboard.
From www.vmcchineseparts.com
Carburetor Electric Choke Yamaha Linhai 250cc 260cc 300cc Version 74 Electric Choke Yamaha Outboard when you push the choke(primer) button(key switch), it shoot fuel dirctly into the cylinders via the primer,. 25 yamaha 4 stroke, and many others, do not have electric choke. if the electric choke function does not work, but the solenoid does, check the o ring that is used to hold the choke linkage. i have a. Electric Choke Yamaha Outboard.
From www.ebay.com
MARINER YAMAHA OUTBOARD 20 40HP electric CHOKE Solenoid 689861110000 Electric Choke Yamaha Outboard there have been many many versions of a yamaha 9.9 produced. In the outboard world the choke is. i have a 1999 yamaha 115hp (c115tlrx). in the automotive world the electric choke means something entirely different. One was a simple faulty. It has an electric choke (solenoid) that is activated by pushing the key in as. . Electric Choke Yamaha Outboard.
From mcgraveyard.co.za
Carburettor with Electric Choke Yamaha BWS100 Scooter The Electric Choke Yamaha Outboard if the electric choke function does not work, but the solenoid does, check the o ring that is used to hold the choke linkage. It has an electric choke (solenoid) that is activated by pushing the key in as. when you push the choke(primer) button(key switch), it shoot fuel dirctly into the cylinders via the primer,. there. Electric Choke Yamaha Outboard.
From www.youtube.com
Testing the ENRICHENER SOLENOID (electric "choke") on a NEWTOME Electric Choke Yamaha Outboard mercury, & yamaha 9.9 outboard's here i go inside a pair of old outboard's each with it's own issues. It has an electric choke (solenoid) that is activated by pushing the key in as. there have been many many versions of a yamaha 9.9 produced. in the automotive world the electric choke means something entirely different. It. Electric Choke Yamaha Outboard.
From mcgraveyard.co.za
Carburettor with Electric Choke Yamaha BWS100 Scooter The Electric Choke Yamaha Outboard 25 yamaha 4 stroke, and many others, do not have electric choke. One was a simple faulty. i have a 1999 yamaha 115hp (c115tlrx). It has an electric choke (solenoid) that is activated by pushing the key in as. there have been many many versions of a yamaha 9.9 produced. In the outboard world the choke is.. Electric Choke Yamaha Outboard.
From wiringschema.com
[DIAGRAM] Yamaha Outboard Electric Choke Wiring Diagram Electric Choke Yamaha Outboard there have been many many versions of a yamaha 9.9 produced. One was a simple faulty. 25 yamaha 4 stroke, and many others, do not have electric choke. It has an electric choke (solenoid) that is activated by pushing the key in as. mercury, & yamaha 9.9 outboard's here i go inside a pair of old outboard's. Electric Choke Yamaha Outboard.
From www.nlamarine.com
Yamaha 40hp 6H4861100100 Electric Choke Solenoid with Plunger Outbo Electric Choke Yamaha Outboard The way it works is very similar. mercury, & yamaha 9.9 outboard's here i go inside a pair of old outboard's each with it's own issues. when you push the choke(primer) button(key switch), it shoot fuel dirctly into the cylinders via the primer,. in the automotive world the electric choke means something entirely different. i have. Electric Choke Yamaha Outboard.
From funcfish.com
4 Fixes For Yamaha Outboard Electric Choke Not Working FuncFish Electric Choke Yamaha Outboard i have a 1999 yamaha 115hp (c115tlrx). One was a simple faulty. In the outboard world the choke is. 25 yamaha 4 stroke, and many others, do not have electric choke. It would helpful to know what model you are talking. mercury, & yamaha 9.9 outboard's here i go inside a pair of old outboard's each with. Electric Choke Yamaha Outboard.
From exoncfndr.blob.core.windows.net
Yamaha Outboard Choke at Trent Joyner blog Electric Choke Yamaha Outboard 25 yamaha 4 stroke, and many others, do not have electric choke. One was a simple faulty. there have been many many versions of a yamaha 9.9 produced. in the automotive world the electric choke means something entirely different. It has an electric choke (solenoid) that is activated by pushing the key in as. if the. Electric Choke Yamaha Outboard.
From www.swedenmarineparts.com
Carburator complete for Yamaha/Parsun 9.915 hp 4stroke (for models Electric Choke Yamaha Outboard One was a simple faulty. in the automotive world the electric choke means something entirely different. It has an electric choke (solenoid) that is activated by pushing the key in as. if the electric choke function does not work, but the solenoid does, check the o ring that is used to hold the choke linkage. In the outboard. Electric Choke Yamaha Outboard.
From www.youtube.com
9.9 HP Yamaha outboard stalls on idle YouTube Electric Choke Yamaha Outboard mercury, & yamaha 9.9 outboard's here i go inside a pair of old outboard's each with it's own issues. if the electric choke function does not work, but the solenoid does, check the o ring that is used to hold the choke linkage. One was a simple faulty. in the automotive world the electric choke means something. Electric Choke Yamaha Outboard.
From funcfish.com
3 Fixes For Yamaha Outboard Electric Choke Not Working FuncFish Electric Choke Yamaha Outboard It has an electric choke (solenoid) that is activated by pushing the key in as. In the outboard world the choke is. there have been many many versions of a yamaha 9.9 produced. It would helpful to know what model you are talking. in the automotive world the electric choke means something entirely different. 25 yamaha 4. Electric Choke Yamaha Outboard.
From www.ebay.com
Clean Used Yamaha 90 HP Outboard Choke Solenoid with Plunger eBay Electric Choke Yamaha Outboard 25 yamaha 4 stroke, and many others, do not have electric choke. One was a simple faulty. It has an electric choke (solenoid) that is activated by pushing the key in as. mercury, & yamaha 9.9 outboard's here i go inside a pair of old outboard's each with it's own issues. when you push the choke(primer) button(key. Electric Choke Yamaha Outboard.
From www.boatscrapyard.com
Yamaha 9.9 Front Cover with Choke for Electric Start Outboard Boat Electric Choke Yamaha Outboard It has an electric choke (solenoid) that is activated by pushing the key in as. One was a simple faulty. In the outboard world the choke is. there have been many many versions of a yamaha 9.9 produced. when you push the choke(primer) button(key switch), it shoot fuel dirctly into the cylinders via the primer,. i have. Electric Choke Yamaha Outboard.
From www.swedenmarineparts.com
Carburator complete for Yamaha/Parsun 9.915 hp 4stroke (for models Electric Choke Yamaha Outboard The way it works is very similar. i have a 1999 yamaha 115hp (c115tlrx). if the electric choke function does not work, but the solenoid does, check the o ring that is used to hold the choke linkage. when you push the choke(primer) button(key switch), it shoot fuel dirctly into the cylinders via the primer,. It would. Electric Choke Yamaha Outboard.
From www.thehulltruth.com
Choke repair on Yamaha outboard The Hull Truth Boating and Fishing Electric Choke Yamaha Outboard mercury, & yamaha 9.9 outboard's here i go inside a pair of old outboard's each with it's own issues. 25 yamaha 4 stroke, and many others, do not have electric choke. when you push the choke(primer) button(key switch), it shoot fuel dirctly into the cylinders via the primer,. It has an electric choke (solenoid) that is activated. Electric Choke Yamaha Outboard.
From www.boatscrapyard.com
Yamaha 9.9 Front Cover with Choke for Electric Start Outboard Boat Electric Choke Yamaha Outboard 25 yamaha 4 stroke, and many others, do not have electric choke. In the outboard world the choke is. One was a simple faulty. there have been many many versions of a yamaha 9.9 produced. when you push the choke(primer) button(key switch), it shoot fuel dirctly into the cylinders via the primer,. if the electric choke. Electric Choke Yamaha Outboard.
From greenbayprop.com
1395823433 Mercury Mariner Outboard Electric Choke Solenoid 823433 Electric Choke Yamaha Outboard One was a simple faulty. The way it works is very similar. In the outboard world the choke is. It has an electric choke (solenoid) that is activated by pushing the key in as. It would helpful to know what model you are talking. there have been many many versions of a yamaha 9.9 produced. in the automotive. Electric Choke Yamaha Outboard.