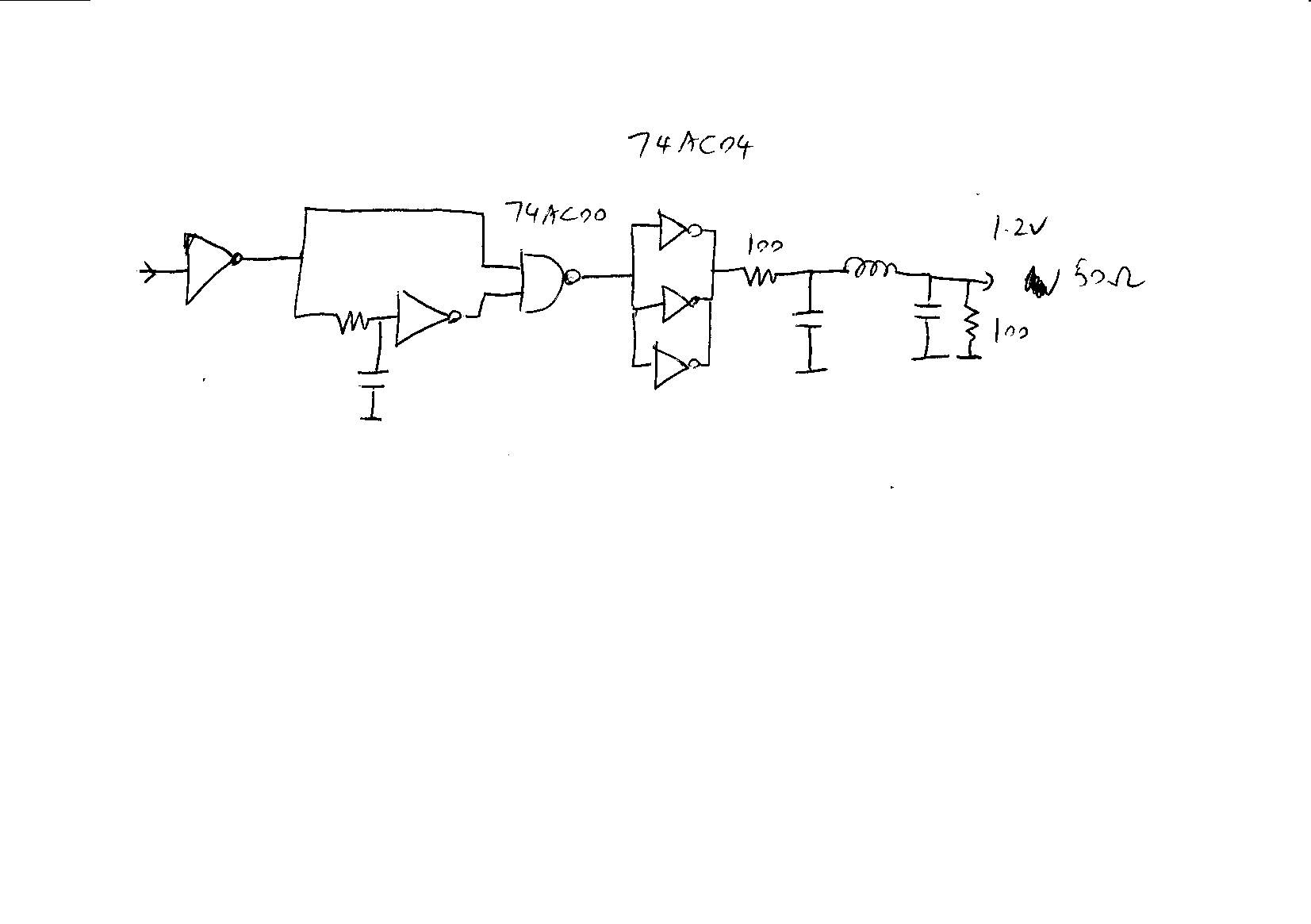
Fast Pulse Generator Schematic . — our avalanche pulse generator schematic. Referring to the schematic (figure 1), the heart of the unit is the u4 rate generator and the u3b width generator. — of course, there is a catch with an avalanche pulse generator. 2n3904 avalanche pulse generator r2, c1 along with the npn. The pulse generator itself is the single 2n3904 on the right. — this prefatory article focuses on avalanche pulse generators commonly used to generate fast rise time pulses. — the following schematic shows an avalanche pulse generator in its simplest form: The avalanche breakdown voltage of a bipolar transistor is quite hight,. Often fast pulses are required when measuring slew rate or propagation delay, and for sampling. — with such a special fast pulse generator based on jim williams design we are able to determine the bandwidth of.
from www.eevblog.com
— the following schematic shows an avalanche pulse generator in its simplest form: — with such a special fast pulse generator based on jim williams design we are able to determine the bandwidth of. Often fast pulses are required when measuring slew rate or propagation delay, and for sampling. The pulse generator itself is the single 2n3904 on the right. Referring to the schematic (figure 1), the heart of the unit is the u4 rate generator and the u3b width generator. — of course, there is a catch with an avalanche pulse generator. — our avalanche pulse generator schematic. The avalanche breakdown voltage of a bipolar transistor is quite hight,. — this prefatory article focuses on avalanche pulse generators commonly used to generate fast rise time pulses. 2n3904 avalanche pulse generator r2, c1 along with the npn.
Yet another fast edge pulse generator Page 1
Fast Pulse Generator Schematic — of course, there is a catch with an avalanche pulse generator. — of course, there is a catch with an avalanche pulse generator. — our avalanche pulse generator schematic. Often fast pulses are required when measuring slew rate or propagation delay, and for sampling. The pulse generator itself is the single 2n3904 on the right. 2n3904 avalanche pulse generator r2, c1 along with the npn. — the following schematic shows an avalanche pulse generator in its simplest form: Referring to the schematic (figure 1), the heart of the unit is the u4 rate generator and the u3b width generator. The avalanche breakdown voltage of a bipolar transistor is quite hight,. — with such a special fast pulse generator based on jim williams design we are able to determine the bandwidth of. — this prefatory article focuses on avalanche pulse generators commonly used to generate fast rise time pulses.
From maman265.blogspot.com
* Pulse Generator Circuit Diagram Graetz Fast Pulse Generator Schematic — this prefatory article focuses on avalanche pulse generators commonly used to generate fast rise time pulses. — of course, there is a catch with an avalanche pulse generator. The avalanche breakdown voltage of a bipolar transistor is quite hight,. — the following schematic shows an avalanche pulse generator in its simplest form: — our avalanche. Fast Pulse Generator Schematic.
From www.circuitdiagram.co
Fast Pulse Detector Circuit Diagram Circuit Diagram Fast Pulse Generator Schematic Often fast pulses are required when measuring slew rate or propagation delay, and for sampling. — of course, there is a catch with an avalanche pulse generator. Referring to the schematic (figure 1), the heart of the unit is the u4 rate generator and the u3b width generator. — the following schematic shows an avalanche pulse generator in. Fast Pulse Generator Schematic.
From guidefixnengceboro.z4.web.core.windows.net
Simple Pulse Generator Circuit Fast Pulse Generator Schematic 2n3904 avalanche pulse generator r2, c1 along with the npn. — our avalanche pulse generator schematic. The avalanche breakdown voltage of a bipolar transistor is quite hight,. — this prefatory article focuses on avalanche pulse generators commonly used to generate fast rise time pulses. — with such a special fast pulse generator based on jim williams design. Fast Pulse Generator Schematic.
From www.researchgate.net
High voltage pulse generator diagram Download Scientific Diagram Fast Pulse Generator Schematic Referring to the schematic (figure 1), the heart of the unit is the u4 rate generator and the u3b width generator. — this prefatory article focuses on avalanche pulse generators commonly used to generate fast rise time pulses. The pulse generator itself is the single 2n3904 on the right. Often fast pulses are required when measuring slew rate or. Fast Pulse Generator Schematic.
From www.researchgate.net
Simplified schematic of avalanche pulse generator. Download Fast Pulse Generator Schematic The pulse generator itself is the single 2n3904 on the right. — this prefatory article focuses on avalanche pulse generators commonly used to generate fast rise time pulses. — of course, there is a catch with an avalanche pulse generator. — the following schematic shows an avalanche pulse generator in its simplest form: 2n3904 avalanche pulse generator. Fast Pulse Generator Schematic.
From www.kerrywong.com
Avalanche Pulse Generator Build Using 2N3904 Kerry D. Wong Fast Pulse Generator Schematic — the following schematic shows an avalanche pulse generator in its simplest form: The pulse generator itself is the single 2n3904 on the right. — our avalanche pulse generator schematic. — of course, there is a catch with an avalanche pulse generator. — with such a special fast pulse generator based on jim williams design we. Fast Pulse Generator Schematic.
From mungfali.com
Pulse Generator Schematic Fast Pulse Generator Schematic 2n3904 avalanche pulse generator r2, c1 along with the npn. — the following schematic shows an avalanche pulse generator in its simplest form: — our avalanche pulse generator schematic. Referring to the schematic (figure 1), the heart of the unit is the u4 rate generator and the u3b width generator. — with such a special fast pulse. Fast Pulse Generator Schematic.
From www.eevblog.com
Yet another fast edge pulse generator Page 1 Fast Pulse Generator Schematic The avalanche breakdown voltage of a bipolar transistor is quite hight,. 2n3904 avalanche pulse generator r2, c1 along with the npn. — with such a special fast pulse generator based on jim williams design we are able to determine the bandwidth of. The pulse generator itself is the single 2n3904 on the right. Often fast pulses are required when. Fast Pulse Generator Schematic.
From www.edaboard.com
[SOLVED] Avalanche Pulse Generator Forum for Electronics Fast Pulse Generator Schematic — the following schematic shows an avalanche pulse generator in its simplest form: Often fast pulses are required when measuring slew rate or propagation delay, and for sampling. 2n3904 avalanche pulse generator r2, c1 along with the npn. — our avalanche pulse generator schematic. The avalanche breakdown voltage of a bipolar transistor is quite hight,. The pulse generator. Fast Pulse Generator Schematic.
From www.researchgate.net
Circuit schematic of the designSchmitt trigger produces fast rise Fast Pulse Generator Schematic — the following schematic shows an avalanche pulse generator in its simplest form: The avalanche breakdown voltage of a bipolar transistor is quite hight,. The pulse generator itself is the single 2n3904 on the right. Often fast pulses are required when measuring slew rate or propagation delay, and for sampling. — this prefatory article focuses on avalanche pulse. Fast Pulse Generator Schematic.
From dxooepcsq.blob.core.windows.net
High Current Pulse Generator Circuit at Ethel Eckard blog Fast Pulse Generator Schematic — our avalanche pulse generator schematic. — the following schematic shows an avalanche pulse generator in its simplest form: Often fast pulses are required when measuring slew rate or propagation delay, and for sampling. The avalanche breakdown voltage of a bipolar transistor is quite hight,. — of course, there is a catch with an avalanche pulse generator.. Fast Pulse Generator Schematic.
From www.hakanh.com
Building a Fast Pulse Generator Fast Pulse Generator Schematic Referring to the schematic (figure 1), the heart of the unit is the u4 rate generator and the u3b width generator. The avalanche breakdown voltage of a bipolar transistor is quite hight,. — of course, there is a catch with an avalanche pulse generator. — the following schematic shows an avalanche pulse generator in its simplest form: 2n3904. Fast Pulse Generator Schematic.
From maker.pro
555 Pulse Generator Module, How it Works Arduino Maker Pro Fast Pulse Generator Schematic Often fast pulses are required when measuring slew rate or propagation delay, and for sampling. Referring to the schematic (figure 1), the heart of the unit is the u4 rate generator and the u3b width generator. — our avalanche pulse generator schematic. — this prefatory article focuses on avalanche pulse generators commonly used to generate fast rise time. Fast Pulse Generator Schematic.
From physicsopenlab.org
Fast LED Light Pulser & SiPM PhysicsOpenLab Fast Pulse Generator Schematic Often fast pulses are required when measuring slew rate or propagation delay, and for sampling. The pulse generator itself is the single 2n3904 on the right. — with such a special fast pulse generator based on jim williams design we are able to determine the bandwidth of. 2n3904 avalanche pulse generator r2, c1 along with the npn. —. Fast Pulse Generator Schematic.
From gr33nonline.wordpress.com
VC Pulse Generator schematic Fast Pulse Generator Schematic — our avalanche pulse generator schematic. Referring to the schematic (figure 1), the heart of the unit is the u4 rate generator and the u3b width generator. — of course, there is a catch with an avalanche pulse generator. — with such a special fast pulse generator based on jim williams design we are able to determine. Fast Pulse Generator Schematic.
From arduinobymyself.blogspot.com
ARDUINO By Myself Fast Edge Pulse Generator Gerador de pulsos Fast Pulse Generator Schematic The pulse generator itself is the single 2n3904 on the right. — with such a special fast pulse generator based on jim williams design we are able to determine the bandwidth of. — this prefatory article focuses on avalanche pulse generators commonly used to generate fast rise time pulses. The avalanche breakdown voltage of a bipolar transistor is. Fast Pulse Generator Schematic.
From diagramlibraryole.z5.web.core.windows.net
Signal Generator Schematic Fast Pulse Generator Schematic Referring to the schematic (figure 1), the heart of the unit is the u4 rate generator and the u3b width generator. — this prefatory article focuses on avalanche pulse generators commonly used to generate fast rise time pulses. Often fast pulses are required when measuring slew rate or propagation delay, and for sampling. — our avalanche pulse generator. Fast Pulse Generator Schematic.
From www.mdpi.com
Electronics Free FullText A 3.2 GHz InjectionLocked Ring Fast Pulse Generator Schematic — of course, there is a catch with an avalanche pulse generator. Referring to the schematic (figure 1), the heart of the unit is the u4 rate generator and the u3b width generator. 2n3904 avalanche pulse generator r2, c1 along with the npn. The pulse generator itself is the single 2n3904 on the right. — our avalanche pulse. Fast Pulse Generator Schematic.
From www.researchgate.net
Simplified block diagram for the pulse generator. The port address Fast Pulse Generator Schematic — with such a special fast pulse generator based on jim williams design we are able to determine the bandwidth of. — of course, there is a catch with an avalanche pulse generator. The avalanche breakdown voltage of a bipolar transistor is quite hight,. — this prefatory article focuses on avalanche pulse generators commonly used to generate. Fast Pulse Generator Schematic.
From www.researchgate.net
Schematic diagram of the highvoltage pulse generator and a Fast Pulse Generator Schematic Often fast pulses are required when measuring slew rate or propagation delay, and for sampling. — this prefatory article focuses on avalanche pulse generators commonly used to generate fast rise time pulses. Referring to the schematic (figure 1), the heart of the unit is the u4 rate generator and the u3b width generator. 2n3904 avalanche pulse generator r2, c1. Fast Pulse Generator Schematic.
From www.mdpi.com
Energies Free FullText A Compact HighStability Nanosecond Pulse Fast Pulse Generator Schematic The avalanche breakdown voltage of a bipolar transistor is quite hight,. — of course, there is a catch with an avalanche pulse generator. Often fast pulses are required when measuring slew rate or propagation delay, and for sampling. Referring to the schematic (figure 1), the heart of the unit is the u4 rate generator and the u3b width generator.. Fast Pulse Generator Schematic.
From www.researchgate.net
Circuit diagram of the pulse generator circuit Download Scientific Fast Pulse Generator Schematic Referring to the schematic (figure 1), the heart of the unit is the u4 rate generator and the u3b width generator. — the following schematic shows an avalanche pulse generator in its simplest form: 2n3904 avalanche pulse generator r2, c1 along with the npn. The pulse generator itself is the single 2n3904 on the right. — this prefatory. Fast Pulse Generator Schematic.
From mungfali.com
Pulse Generator Schematic Fast Pulse Generator Schematic Often fast pulses are required when measuring slew rate or propagation delay, and for sampling. — with such a special fast pulse generator based on jim williams design we are able to determine the bandwidth of. 2n3904 avalanche pulse generator r2, c1 along with the npn. — of course, there is a catch with an avalanche pulse generator.. Fast Pulse Generator Schematic.
From github.com
GitHub hansfbaier/w2aewpulsegenerator Realization of a fast rise Fast Pulse Generator Schematic The avalanche breakdown voltage of a bipolar transistor is quite hight,. — of course, there is a catch with an avalanche pulse generator. — this prefatory article focuses on avalanche pulse generators commonly used to generate fast rise time pulses. The pulse generator itself is the single 2n3904 on the right. Referring to the schematic (figure 1), the. Fast Pulse Generator Schematic.
From partdiagramaburre1t.z21.web.core.windows.net
Fast Pulse Generator Circuit Fast Pulse Generator Schematic — with such a special fast pulse generator based on jim williams design we are able to determine the bandwidth of. — our avalanche pulse generator schematic. Often fast pulses are required when measuring slew rate or propagation delay, and for sampling. — of course, there is a catch with an avalanche pulse generator. — the. Fast Pulse Generator Schematic.
From exorxiksi.blob.core.windows.net
Pulse Circuit Diagram at Amanda Obrien blog Fast Pulse Generator Schematic — with such a special fast pulse generator based on jim williams design we are able to determine the bandwidth of. 2n3904 avalanche pulse generator r2, c1 along with the npn. The pulse generator itself is the single 2n3904 on the right. — our avalanche pulse generator schematic. The avalanche breakdown voltage of a bipolar transistor is quite. Fast Pulse Generator Schematic.
From www.leobodnar.com
Fast risetime pulse generator (BNC) Leo Bodnar Electronics Fast Pulse Generator Schematic The pulse generator itself is the single 2n3904 on the right. Referring to the schematic (figure 1), the heart of the unit is the u4 rate generator and the u3b width generator. — of course, there is a catch with an avalanche pulse generator. Often fast pulses are required when measuring slew rate or propagation delay, and for sampling.. Fast Pulse Generator Schematic.
From www.physical-instruments.fr
High Voltage Pulse Generator 1 kV to 35 kV GBS Elektronik Fast Pulse Generator Schematic — our avalanche pulse generator schematic. Often fast pulses are required when measuring slew rate or propagation delay, and for sampling. — this prefatory article focuses on avalanche pulse generators commonly used to generate fast rise time pulses. — the following schematic shows an avalanche pulse generator in its simplest form: The avalanche breakdown voltage of a. Fast Pulse Generator Schematic.
From forum.arduino.cc
Arduino Triggered Fast Pulse generator to simulate gamma ray detectors Fast Pulse Generator Schematic — with such a special fast pulse generator based on jim williams design we are able to determine the bandwidth of. Referring to the schematic (figure 1), the heart of the unit is the u4 rate generator and the u3b width generator. — of course, there is a catch with an avalanche pulse generator. — our avalanche. Fast Pulse Generator Schematic.
From www.nutsvolts.com
The Wide Range Pulse Generator Nuts & Volts Magazine Fast Pulse Generator Schematic — with such a special fast pulse generator based on jim williams design we are able to determine the bandwidth of. — of course, there is a catch with an avalanche pulse generator. Referring to the schematic (figure 1), the heart of the unit is the u4 rate generator and the u3b width generator. Often fast pulses are. Fast Pulse Generator Schematic.
From www.radiolocman.com
1.5V Powered, 350ps rise time pulse generator Fast Pulse Generator Schematic Often fast pulses are required when measuring slew rate or propagation delay, and for sampling. The pulse generator itself is the single 2n3904 on the right. — this prefatory article focuses on avalanche pulse generators commonly used to generate fast rise time pulses. — with such a special fast pulse generator based on jim williams design we are. Fast Pulse Generator Schematic.
From userguidezgonzz.z21.web.core.windows.net
High Current Pulse Generator Circuit Fast Pulse Generator Schematic — of course, there is a catch with an avalanche pulse generator. — with such a special fast pulse generator based on jim williams design we are able to determine the bandwidth of. The pulse generator itself is the single 2n3904 on the right. Often fast pulses are required when measuring slew rate or propagation delay, and for. Fast Pulse Generator Schematic.
From hackaday.com
A QuicklyHackedTogether Avalanche Pulse Generator Hackaday Fast Pulse Generator Schematic — of course, there is a catch with an avalanche pulse generator. — this prefatory article focuses on avalanche pulse generators commonly used to generate fast rise time pulses. Often fast pulses are required when measuring slew rate or propagation delay, and for sampling. — our avalanche pulse generator schematic. — the following schematic shows an. Fast Pulse Generator Schematic.
From cushychicken.github.io
a neat little pulse generator circuit I like Fast Pulse Generator Schematic The pulse generator itself is the single 2n3904 on the right. — with such a special fast pulse generator based on jim williams design we are able to determine the bandwidth of. — of course, there is a catch with an avalanche pulse generator. 2n3904 avalanche pulse generator r2, c1 along with the npn. The avalanche breakdown voltage. Fast Pulse Generator Schematic.
From www.researchgate.net
Simplified transistorlevel schematic of the proposed UWB pulse Fast Pulse Generator Schematic Often fast pulses are required when measuring slew rate or propagation delay, and for sampling. Referring to the schematic (figure 1), the heart of the unit is the u4 rate generator and the u3b width generator. — this prefatory article focuses on avalanche pulse generators commonly used to generate fast rise time pulses. 2n3904 avalanche pulse generator r2, c1. Fast Pulse Generator Schematic.