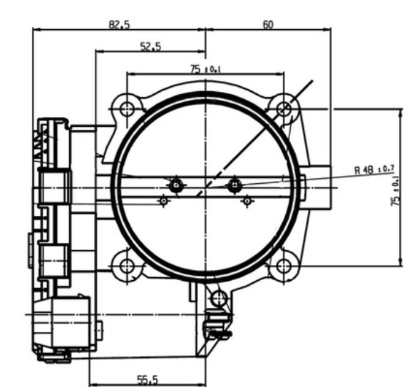
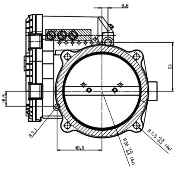
Bosch 82Mm Throttle Body Wiring . Electronic throttle body 46 mm. Hi all, i have installed an bosch 82mm throttle body but am having a few issues with the wiring colouring. Electronic throttle body 32 mm. Easily adapted to a custom or existing manifold when a large bore drive by wire. I have the following wire colours but can open the throttle body but still having fault. The throttle body is designed to control the fresh air of spark ignition engines in combination with an electronic throttle control system. Bolt spacing is 75mm x 75mm for m6 x 45mm cap screws. Electronic throttle body 40 mm. Electronic throttle body 44 mm. Genuine bosch motorsports 82mm electronic throttle body.
from www.wiringspecialties.com
Easily adapted to a custom or existing manifold when a large bore drive by wire. The throttle body is designed to control the fresh air of spark ignition engines in combination with an electronic throttle control system. I have the following wire colours but can open the throttle body but still having fault. Electronic throttle body 40 mm. Electronic throttle body 46 mm. Bolt spacing is 75mm x 75mm for m6 x 45mm cap screws. Hi all, i have installed an bosch 82mm throttle body but am having a few issues with the wiring colouring. Electronic throttle body 32 mm. Genuine bosch motorsports 82mm electronic throttle body. Electronic throttle body 44 mm.
Bosch 82mm Electronic Throttle Body Wiring Specialties
Bosch 82Mm Throttle Body Wiring Electronic throttle body 46 mm. Genuine bosch motorsports 82mm electronic throttle body. Easily adapted to a custom or existing manifold when a large bore drive by wire. Hi all, i have installed an bosch 82mm throttle body but am having a few issues with the wiring colouring. Electronic throttle body 46 mm. The throttle body is designed to control the fresh air of spark ignition engines in combination with an electronic throttle control system. I have the following wire colours but can open the throttle body but still having fault. Bolt spacing is 75mm x 75mm for m6 x 45mm cap screws. Electronic throttle body 40 mm. Electronic throttle body 32 mm. Electronic throttle body 44 mm.
From plazmaman.com
Bosch DBW 82mm Electronic Throttle Body Bosch 82Mm Throttle Body Wiring Genuine bosch motorsports 82mm electronic throttle body. Electronic throttle body 32 mm. Hi all, i have installed an bosch 82mm throttle body but am having a few issues with the wiring colouring. Electronic throttle body 44 mm. Easily adapted to a custom or existing manifold when a large bore drive by wire. The throttle body is designed to control the. Bosch 82Mm Throttle Body Wiring.
From www.jdmyard.com
GENUINE BOSCH MOTORSPORTS 82MM DRIVE BY WIRE DBW THROTTLE BODY Bosch 82Mm Throttle Body Wiring Genuine bosch motorsports 82mm electronic throttle body. Electronic throttle body 46 mm. Electronic throttle body 40 mm. Easily adapted to a custom or existing manifold when a large bore drive by wire. Hi all, i have installed an bosch 82mm throttle body but am having a few issues with the wiring colouring. The throttle body is designed to control the. Bosch 82Mm Throttle Body Wiring.
From www.jdmyard.com
GENUINE BOSCH MOTORSPORTS 82MM DRIVE BY WIRE DBW THROTTLE BODY Bosch 82Mm Throttle Body Wiring Electronic throttle body 44 mm. Bolt spacing is 75mm x 75mm for m6 x 45mm cap screws. Electronic throttle body 46 mm. I have the following wire colours but can open the throttle body but still having fault. The throttle body is designed to control the fresh air of spark ignition engines in combination with an electronic throttle control system.. Bosch 82Mm Throttle Body Wiring.
From www.jbtuned.com
JBtuned RBC to Bosch 82mm Drive By Wire Throttle Body Adapter Kit JBtuned Bosch 82Mm Throttle Body Wiring Genuine bosch motorsports 82mm electronic throttle body. Electronic throttle body 40 mm. Easily adapted to a custom or existing manifold when a large bore drive by wire. Hi all, i have installed an bosch 82mm throttle body but am having a few issues with the wiring colouring. Electronic throttle body 44 mm. I have the following wire colours but can. Bosch 82Mm Throttle Body Wiring.
From www.tiperformance.com.au
Bosch 82mm Drive By Wire Throttle Body (Includes Plug And Pins) T.I Bosch 82Mm Throttle Body Wiring Electronic throttle body 32 mm. Easily adapted to a custom or existing manifold when a large bore drive by wire. Hi all, i have installed an bosch 82mm throttle body but am having a few issues with the wiring colouring. Genuine bosch motorsports 82mm electronic throttle body. Electronic throttle body 46 mm. The throttle body is designed to control the. Bosch 82Mm Throttle Body Wiring.
From forums.linkecu.com
2007 wrx (ej255) dbw wiring for Bosch 82mm throttle body G4+ Forums Bosch 82Mm Throttle Body Wiring Bolt spacing is 75mm x 75mm for m6 x 45mm cap screws. Hi all, i have installed an bosch 82mm throttle body but am having a few issues with the wiring colouring. I have the following wire colours but can open the throttle body but still having fault. Electronic throttle body 46 mm. Genuine bosch motorsports 82mm electronic throttle body.. Bosch 82Mm Throttle Body Wiring.
From www.dicktator.co.za
82mm Bosch Motorsport DriveByWire Throttle Body Dicktator Bosch 82Mm Throttle Body Wiring Electronic throttle body 44 mm. Genuine bosch motorsports 82mm electronic throttle body. I have the following wire colours but can open the throttle body but still having fault. Hi all, i have installed an bosch 82mm throttle body but am having a few issues with the wiring colouring. Electronic throttle body 40 mm. Easily adapted to a custom or existing. Bosch 82Mm Throttle Body Wiring.
From www.magnusmotorsports.com
Bosch 82mm Throttle Body Magnus Motorsports Bosch 82Mm Throttle Body Wiring Genuine bosch motorsports 82mm electronic throttle body. Electronic throttle body 40 mm. Hi all, i have installed an bosch 82mm throttle body but am having a few issues with the wiring colouring. The throttle body is designed to control the fresh air of spark ignition engines in combination with an electronic throttle control system. Electronic throttle body 44 mm. Easily. Bosch 82Mm Throttle Body Wiring.
From msel.co.nz
Bosch 82mm Drive by Wire Throttle Body Motorsport Electronics Limited Bosch 82Mm Throttle Body Wiring The throttle body is designed to control the fresh air of spark ignition engines in combination with an electronic throttle control system. Bolt spacing is 75mm x 75mm for m6 x 45mm cap screws. Hi all, i have installed an bosch 82mm throttle body but am having a few issues with the wiring colouring. Electronic throttle body 32 mm. Electronic. Bosch 82Mm Throttle Body Wiring.
From www.iagperformance.com
IAG Bosch 82mm Throttle Body & Adapter Package for Subaru STI Process Bosch 82Mm Throttle Body Wiring Electronic throttle body 40 mm. Electronic throttle body 46 mm. Electronic throttle body 32 mm. Electronic throttle body 44 mm. I have the following wire colours but can open the throttle body but still having fault. Bolt spacing is 75mm x 75mm for m6 x 45mm cap screws. Easily adapted to a custom or existing manifold when a large bore. Bosch 82Mm Throttle Body Wiring.
From www.dtechmotorsport.com
Bosch 82mm Throttle Body — Dtech Performance & Motorsport Centre Bosch 82Mm Throttle Body Wiring I have the following wire colours but can open the throttle body but still having fault. Electronic throttle body 44 mm. The throttle body is designed to control the fresh air of spark ignition engines in combination with an electronic throttle control system. Electronic throttle body 32 mm. Easily adapted to a custom or existing manifold when a large bore. Bosch 82Mm Throttle Body Wiring.
From forums.linkecu.com
2007 wrx (ej255) dbw wiring for Bosch 82mm throttle body G4+ Forums Bosch 82Mm Throttle Body Wiring Electronic throttle body 40 mm. Electronic throttle body 32 mm. Bolt spacing is 75mm x 75mm for m6 x 45mm cap screws. I have the following wire colours but can open the throttle body but still having fault. Electronic throttle body 44 mm. Electronic throttle body 46 mm. Easily adapted to a custom or existing manifold when a large bore. Bosch 82Mm Throttle Body Wiring.
From www.wiringspecialties.com
Bosch 82mm Electronic Throttle Body Wiring Specialties Bosch 82Mm Throttle Body Wiring Bolt spacing is 75mm x 75mm for m6 x 45mm cap screws. The throttle body is designed to control the fresh air of spark ignition engines in combination with an electronic throttle control system. Electronic throttle body 40 mm. Easily adapted to a custom or existing manifold when a large bore drive by wire. Genuine bosch motorsports 82mm electronic throttle. Bosch 82Mm Throttle Body Wiring.
From www.pacperformance.com.au
BOSCH 82MM ELECTRONIC DBW THROTTLE BODY. Pac Performance Racing Bosch 82Mm Throttle Body Wiring Electronic throttle body 32 mm. Electronic throttle body 46 mm. The throttle body is designed to control the fresh air of spark ignition engines in combination with an electronic throttle control system. I have the following wire colours but can open the throttle body but still having fault. Hi all, i have installed an bosch 82mm throttle body but am. Bosch 82Mm Throttle Body Wiring.
From msel.co.nz
Bosch 82mm Drive by Wire Throttle Body Motorsport Electronics Limited Bosch 82Mm Throttle Body Wiring Easily adapted to a custom or existing manifold when a large bore drive by wire. I have the following wire colours but can open the throttle body but still having fault. Electronic throttle body 44 mm. Genuine bosch motorsports 82mm electronic throttle body. Electronic throttle body 40 mm. Electronic throttle body 32 mm. Bolt spacing is 75mm x 75mm for. Bosch 82Mm Throttle Body Wiring.
From www.jdmyard.com
GENUINE BOSCH MOTORSPORTS 82MM DRIVE BY WIRE DBW THROTTLE BODY Bosch 82Mm Throttle Body Wiring Electronic throttle body 32 mm. Electronic throttle body 44 mm. The throttle body is designed to control the fresh air of spark ignition engines in combination with an electronic throttle control system. Genuine bosch motorsports 82mm electronic throttle body. Easily adapted to a custom or existing manifold when a large bore drive by wire. Hi all, i have installed an. Bosch 82Mm Throttle Body Wiring.
From www.possumbournemotorsport.com
BOSCH 82MM Drive By Wire Throttle Body (Includes Plug And Pins) Bosch 82Mm Throttle Body Wiring Bolt spacing is 75mm x 75mm for m6 x 45mm cap screws. Easily adapted to a custom or existing manifold when a large bore drive by wire. Electronic throttle body 32 mm. Electronic throttle body 44 mm. Electronic throttle body 40 mm. Electronic throttle body 46 mm. The throttle body is designed to control the fresh air of spark ignition. Bosch 82Mm Throttle Body Wiring.
From wiringdiagram.2bitboer.com
Bosch Throttle Body Wiring Diagram Wiring Diagram Bosch 82Mm Throttle Body Wiring I have the following wire colours but can open the throttle body but still having fault. Hi all, i have installed an bosch 82mm throttle body but am having a few issues with the wiring colouring. Electronic throttle body 32 mm. Electronic throttle body 46 mm. Bolt spacing is 75mm x 75mm for m6 x 45mm cap screws. Electronic throttle. Bosch 82Mm Throttle Body Wiring.
From www.mazworx.com
Bosch Bosch 82MM DBW throttle body BOS0280750473 Bosch 82Mm Throttle Body Wiring Electronic throttle body 32 mm. Hi all, i have installed an bosch 82mm throttle body but am having a few issues with the wiring colouring. I have the following wire colours but can open the throttle body but still having fault. The throttle body is designed to control the fresh air of spark ignition engines in combination with an electronic. Bosch 82Mm Throttle Body Wiring.
From www.nzefi.com
Bosch 82mm Drive By Wire Throttle Body NZEFI Bosch 82Mm Throttle Body Wiring Electronic throttle body 32 mm. Bolt spacing is 75mm x 75mm for m6 x 45mm cap screws. The throttle body is designed to control the fresh air of spark ignition engines in combination with an electronic throttle control system. Electronic throttle body 44 mm. Genuine bosch motorsports 82mm electronic throttle body. I have the following wire colours but can open. Bosch 82Mm Throttle Body Wiring.
From www.wiringspecialties.com
Bosch 82mm Electronic Throttle Body Wiring Specialties Bosch 82Mm Throttle Body Wiring Electronic throttle body 40 mm. Easily adapted to a custom or existing manifold when a large bore drive by wire. Electronic throttle body 46 mm. Hi all, i have installed an bosch 82mm throttle body but am having a few issues with the wiring colouring. Genuine bosch motorsports 82mm electronic throttle body. Electronic throttle body 32 mm. Bolt spacing is. Bosch 82Mm Throttle Body Wiring.
From msel.co.nz
Bosch 82mm Drive by Wire Throttle Body Motorsport Electronics Limited Bosch 82Mm Throttle Body Wiring Electronic throttle body 46 mm. Electronic throttle body 40 mm. Easily adapted to a custom or existing manifold when a large bore drive by wire. Hi all, i have installed an bosch 82mm throttle body but am having a few issues with the wiring colouring. Bolt spacing is 75mm x 75mm for m6 x 45mm cap screws. Electronic throttle body. Bosch 82Mm Throttle Body Wiring.
From www.iagperformance.com
IAG Bosch 82mm Throttle Body & Adapter Package for Subaru STI Process Bosch 82Mm Throttle Body Wiring The throttle body is designed to control the fresh air of spark ignition engines in combination with an electronic throttle control system. Bolt spacing is 75mm x 75mm for m6 x 45mm cap screws. Electronic throttle body 44 mm. Genuine bosch motorsports 82mm electronic throttle body. Easily adapted to a custom or existing manifold when a large bore drive by. Bosch 82Mm Throttle Body Wiring.
From magnusmotorsports.com
Bosch 82mm Throttle Body Magnus Motorsports Bosch 82Mm Throttle Body Wiring Electronic throttle body 32 mm. Genuine bosch motorsports 82mm electronic throttle body. The throttle body is designed to control the fresh air of spark ignition engines in combination with an electronic throttle control system. I have the following wire colours but can open the throttle body but still having fault. Easily adapted to a custom or existing manifold when a. Bosch 82Mm Throttle Body Wiring.
From elatemfg.com
BOSCH 82MM DBW THROTTLE BODY ELATE MFG. PERFORMANCE SUPERCHARGER Bosch 82Mm Throttle Body Wiring Electronic throttle body 40 mm. Easily adapted to a custom or existing manifold when a large bore drive by wire. Electronic throttle body 32 mm. Genuine bosch motorsports 82mm electronic throttle body. Electronic throttle body 44 mm. Bolt spacing is 75mm x 75mm for m6 x 45mm cap screws. Hi all, i have installed an bosch 82mm throttle body but. Bosch 82Mm Throttle Body Wiring.
From www.efihardware.com
Bosch 82 mm Electronic Throttle Body 0280750473 Bosch 82Mm Throttle Body Wiring Genuine bosch motorsports 82mm electronic throttle body. Electronic throttle body 40 mm. I have the following wire colours but can open the throttle body but still having fault. Electronic throttle body 44 mm. Electronic throttle body 32 mm. Easily adapted to a custom or existing manifold when a large bore drive by wire. Electronic throttle body 46 mm. Hi all,. Bosch 82Mm Throttle Body Wiring.
From plazmaman.com
Bosch DBW 82mm Electronic Throttle Body Plazmaman Bosch 82Mm Throttle Body Wiring Genuine bosch motorsports 82mm electronic throttle body. Electronic throttle body 32 mm. The throttle body is designed to control the fresh air of spark ignition engines in combination with an electronic throttle control system. Hi all, i have installed an bosch 82mm throttle body but am having a few issues with the wiring colouring. I have the following wire colours. Bosch 82Mm Throttle Body Wiring.
From www.venomautomotive.com.au
1UZFE, 2UZFE & 3UZFE VVTi Bosch 82mm DBW Throttle Body Adaptor Bosch 82Mm Throttle Body Wiring Electronic throttle body 32 mm. Electronic throttle body 44 mm. Genuine bosch motorsports 82mm electronic throttle body. Easily adapted to a custom or existing manifold when a large bore drive by wire. The throttle body is designed to control the fresh air of spark ignition engines in combination with an electronic throttle control system. Hi all, i have installed an. Bosch 82Mm Throttle Body Wiring.
From www.efisolutions.com.au
Genuine Bosch Motorsports 82mm Electronic Throttle Body ETB Drive By Bosch 82Mm Throttle Body Wiring Electronic throttle body 44 mm. Easily adapted to a custom or existing manifold when a large bore drive by wire. Hi all, i have installed an bosch 82mm throttle body but am having a few issues with the wiring colouring. I have the following wire colours but can open the throttle body but still having fault. Electronic throttle body 40. Bosch 82Mm Throttle Body Wiring.
From ehmotors.co.nz
Link Electronic Throttle Body Kit 82mm E&H Motors Bosch 82Mm Throttle Body Wiring Electronic throttle body 46 mm. Electronic throttle body 44 mm. Electronic throttle body 32 mm. The throttle body is designed to control the fresh air of spark ignition engines in combination with an electronic throttle control system. Hi all, i have installed an bosch 82mm throttle body but am having a few issues with the wiring colouring. Easily adapted to. Bosch 82Mm Throttle Body Wiring.
From www.powerhouseracing.com
Bosch 82mm Drive By Wire Throttle Body, DBW Powerhouse Racing Bosch 82Mm Throttle Body Wiring I have the following wire colours but can open the throttle body but still having fault. Electronic throttle body 46 mm. Easily adapted to a custom or existing manifold when a large bore drive by wire. Genuine bosch motorsports 82mm electronic throttle body. Electronic throttle body 44 mm. Hi all, i have installed an bosch 82mm throttle body but am. Bosch 82Mm Throttle Body Wiring.
From doritodesign.com.au
FD3S Throttle body adapter Bosch 82mm Drive by wire Dorito Design Bosch 82Mm Throttle Body Wiring Bolt spacing is 75mm x 75mm for m6 x 45mm cap screws. I have the following wire colours but can open the throttle body but still having fault. Electronic throttle body 46 mm. Electronic throttle body 40 mm. Electronic throttle body 32 mm. Genuine bosch motorsports 82mm electronic throttle body. Hi all, i have installed an bosch 82mm throttle body. Bosch 82Mm Throttle Body Wiring.
From shop.gmcracing.com
HALTECH Bosch 82mm Electronic Throttle Body Includes connector and pins Bosch 82Mm Throttle Body Wiring I have the following wire colours but can open the throttle body but still having fault. The throttle body is designed to control the fresh air of spark ignition engines in combination with an electronic throttle control system. Electronic throttle body 46 mm. Electronic throttle body 44 mm. Hi all, i have installed an bosch 82mm throttle body but am. Bosch 82Mm Throttle Body Wiring.
From www.efisolutions.com.au
Genuine Bosch Motorsports 82mm Electronic Throttle Body ETB Drive By Bosch 82Mm Throttle Body Wiring Electronic throttle body 46 mm. Bolt spacing is 75mm x 75mm for m6 x 45mm cap screws. The throttle body is designed to control the fresh air of spark ignition engines in combination with an electronic throttle control system. Electronic throttle body 40 mm. Hi all, i have installed an bosch 82mm throttle body but am having a few issues. Bosch 82Mm Throttle Body Wiring.
From msel.co.nz
Bosch 82mm Drive by Wire Throttle Body Motorsport Electronics Limited Bosch 82Mm Throttle Body Wiring I have the following wire colours but can open the throttle body but still having fault. The throttle body is designed to control the fresh air of spark ignition engines in combination with an electronic throttle control system. Hi all, i have installed an bosch 82mm throttle body but am having a few issues with the wiring colouring. Electronic throttle. Bosch 82Mm Throttle Body Wiring.