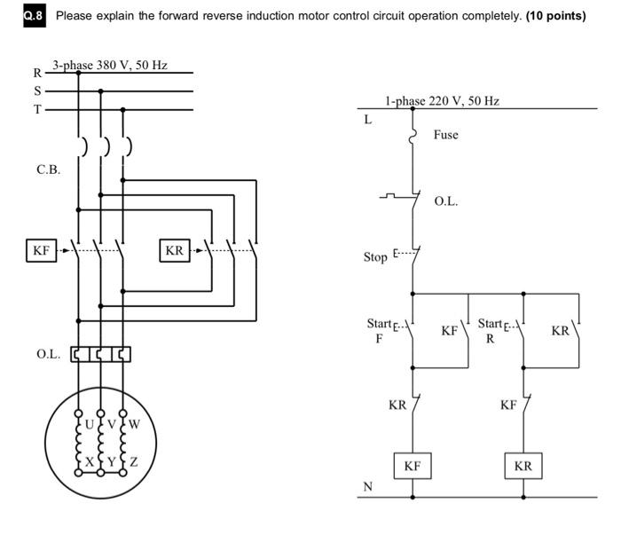
Control Circuit Diagram Forward Reverse . a forward reverse motor control wiring diagram usually includes two main control circuits: the reverse forward motor control operation can be achieved using various methods, including using a contactor and relay. a forward reverse with limit switch diagram is a schematic representation of a control circuit used to control the direction of rotation of a motor. a forward reverse wiring diagram is a schematic representation of the electrical connections within a circuit that. The diagram illustrates the connections and components involved in the circuit, including the forward and reverse contactors, limit switches, and power supply. a dc motor forward reverse control circuit diagram comprises three key components: Basic reverse forward control circuit diagram. when it comes to controlling the direction of a dc motor, a forward reverse control circuit diagram is an essential tool. A power supply, a motor, and an interface device that. + when the main contact of kf contactor is closed, the motor runs in the forward direction.
from wiringdiagram.2bitboer.com
the reverse forward motor control operation can be achieved using various methods, including using a contactor and relay. The diagram illustrates the connections and components involved in the circuit, including the forward and reverse contactors, limit switches, and power supply. Basic reverse forward control circuit diagram. A power supply, a motor, and an interface device that. a dc motor forward reverse control circuit diagram comprises three key components: a forward reverse wiring diagram is a schematic representation of the electrical connections within a circuit that. + when the main contact of kf contactor is closed, the motor runs in the forward direction. when it comes to controlling the direction of a dc motor, a forward reverse control circuit diagram is an essential tool. a forward reverse motor control wiring diagram usually includes two main control circuits: a forward reverse with limit switch diagram is a schematic representation of a control circuit used to control the direction of rotation of a motor.
Motor Control Circuit Diagram Forward Reverse Wiring Diagram
Control Circuit Diagram Forward Reverse a forward reverse wiring diagram is a schematic representation of the electrical connections within a circuit that. when it comes to controlling the direction of a dc motor, a forward reverse control circuit diagram is an essential tool. the reverse forward motor control operation can be achieved using various methods, including using a contactor and relay. A power supply, a motor, and an interface device that. a forward reverse wiring diagram is a schematic representation of the electrical connections within a circuit that. The diagram illustrates the connections and components involved in the circuit, including the forward and reverse contactors, limit switches, and power supply. Basic reverse forward control circuit diagram. a dc motor forward reverse control circuit diagram comprises three key components: a forward reverse with limit switch diagram is a schematic representation of a control circuit used to control the direction of rotation of a motor. + when the main contact of kf contactor is closed, the motor runs in the forward direction. a forward reverse motor control wiring diagram usually includes two main control circuits:
From www.myelectrical2015.com
Control Circuit of Forward Reverse Starter Electrical Revolution Control Circuit Diagram Forward Reverse when it comes to controlling the direction of a dc motor, a forward reverse control circuit diagram is an essential tool. + when the main contact of kf contactor is closed, the motor runs in the forward direction. the reverse forward motor control operation can be achieved using various methods, including using a contactor and relay. The diagram. Control Circuit Diagram Forward Reverse.
From circuitadossataz.z14.web.core.windows.net
Forward And Reverse Control Circuit Diagram Control Circuit Diagram Forward Reverse Basic reverse forward control circuit diagram. when it comes to controlling the direction of a dc motor, a forward reverse control circuit diagram is an essential tool. a dc motor forward reverse control circuit diagram comprises three key components: The diagram illustrates the connections and components involved in the circuit, including the forward and reverse contactors, limit switches,. Control Circuit Diagram Forward Reverse.
From zametnazvschematic.z14.web.core.windows.net
Forward Reverse With Limit Switch Diagram Control Circuit Diagram Forward Reverse when it comes to controlling the direction of a dc motor, a forward reverse control circuit diagram is an essential tool. a forward reverse motor control wiring diagram usually includes two main control circuits: a forward reverse with limit switch diagram is a schematic representation of a control circuit used to control the direction of rotation of. Control Circuit Diagram Forward Reverse.
From www.electricalonline4u.com
Forward Reverse Motor Control Diagram For 3 Phase Motor Control Circuit Diagram Forward Reverse a forward reverse with limit switch diagram is a schematic representation of a control circuit used to control the direction of rotation of a motor. + when the main contact of kf contactor is closed, the motor runs in the forward direction. the reverse forward motor control operation can be achieved using various methods, including using a contactor. Control Circuit Diagram Forward Reverse.
From circuithoarronnehorodc.z4.web.core.windows.net
Forward Reverse Motor Control Wiring Diagram Control Circuit Diagram Forward Reverse the reverse forward motor control operation can be achieved using various methods, including using a contactor and relay. a forward reverse motor control wiring diagram usually includes two main control circuits: The diagram illustrates the connections and components involved in the circuit, including the forward and reverse contactors, limit switches, and power supply. Basic reverse forward control circuit. Control Circuit Diagram Forward Reverse.
From www.organised-sound.com
Single Phase Motor Forward Reverse Wiring Diagram Pdf Wiring Diagram Control Circuit Diagram Forward Reverse a forward reverse with limit switch diagram is a schematic representation of a control circuit used to control the direction of rotation of a motor. a dc motor forward reverse control circuit diagram comprises three key components: a forward reverse motor control wiring diagram usually includes two main control circuits: The diagram illustrates the connections and components. Control Circuit Diagram Forward Reverse.
From enginemanualerik.z19.web.core.windows.net
Reverse Forward Control Circuit Diagram Control Circuit Diagram Forward Reverse a dc motor forward reverse control circuit diagram comprises three key components: a forward reverse with limit switch diagram is a schematic representation of a control circuit used to control the direction of rotation of a motor. + when the main contact of kf contactor is closed, the motor runs in the forward direction. A power supply, a. Control Circuit Diagram Forward Reverse.
From www.electricalblog.org
Reverse Forward Motor Control Circuit Diagram For 3 Phase Motor Control Circuit Diagram Forward Reverse Basic reverse forward control circuit diagram. a forward reverse motor control wiring diagram usually includes two main control circuits: + when the main contact of kf contactor is closed, the motor runs in the forward direction. a forward reverse with limit switch diagram is a schematic representation of a control circuit used to control the direction of rotation. Control Circuit Diagram Forward Reverse.
From schematicpartclaudia.z19.web.core.windows.net
Reverse Forward Motor Control Circuit Diagram Control Circuit Diagram Forward Reverse a forward reverse wiring diagram is a schematic representation of the electrical connections within a circuit that. The diagram illustrates the connections and components involved in the circuit, including the forward and reverse contactors, limit switches, and power supply. A power supply, a motor, and an interface device that. Basic reverse forward control circuit diagram. a dc motor. Control Circuit Diagram Forward Reverse.
From circuithoarronnehorodc.z4.web.core.windows.net
Forward Reverse Control Circuit Diagram Control Circuit Diagram Forward Reverse a forward reverse motor control wiring diagram usually includes two main control circuits: the reverse forward motor control operation can be achieved using various methods, including using a contactor and relay. Basic reverse forward control circuit diagram. The diagram illustrates the connections and components involved in the circuit, including the forward and reverse contactors, limit switches, and power. Control Circuit Diagram Forward Reverse.
From guidekammerkornf.z14.web.core.windows.net
Auto Reverse Forward Circuit Diagram Control Circuit Diagram Forward Reverse a forward reverse with limit switch diagram is a schematic representation of a control circuit used to control the direction of rotation of a motor. A power supply, a motor, and an interface device that. the reverse forward motor control operation can be achieved using various methods, including using a contactor and relay. + when the main contact. Control Circuit Diagram Forward Reverse.
From www.youtube.com
Control circuit for forward and reverse motor YouTube Control Circuit Diagram Forward Reverse a dc motor forward reverse control circuit diagram comprises three key components: a forward reverse motor control wiring diagram usually includes two main control circuits: when it comes to controlling the direction of a dc motor, a forward reverse control circuit diagram is an essential tool. the reverse forward motor control operation can be achieved using. Control Circuit Diagram Forward Reverse.
From electrical-eng-world.blogspot.com
Forward & Reverse 3 Phase AC Motor Control Circuit Diagram Control Circuit Diagram Forward Reverse The diagram illustrates the connections and components involved in the circuit, including the forward and reverse contactors, limit switches, and power supply. Basic reverse forward control circuit diagram. the reverse forward motor control operation can be achieved using various methods, including using a contactor and relay. + when the main contact of kf contactor is closed, the motor runs. Control Circuit Diagram Forward Reverse.
From www.youtube.com
reverse forward motor control circuit diagramš„ YouTube Control Circuit Diagram Forward Reverse The diagram illustrates the connections and components involved in the circuit, including the forward and reverse contactors, limit switches, and power supply. a dc motor forward reverse control circuit diagram comprises three key components: the reverse forward motor control operation can be achieved using various methods, including using a contactor and relay. A power supply, a motor, and. Control Circuit Diagram Forward Reverse.
From circuitadossataz.z14.web.core.windows.net
Forward And Reverse Control Circuit Diagram Control Circuit Diagram Forward Reverse a forward reverse wiring diagram is a schematic representation of the electrical connections within a circuit that. the reverse forward motor control operation can be achieved using various methods, including using a contactor and relay. Basic reverse forward control circuit diagram. a dc motor forward reverse control circuit diagram comprises three key components: a forward reverse. Control Circuit Diagram Forward Reverse.
From hubpages.com
How to Learn DOL Electric Motor Control A Basic Motor Controller Control Circuit Diagram Forward Reverse the reverse forward motor control operation can be achieved using various methods, including using a contactor and relay. a forward reverse motor control wiring diagram usually includes two main control circuits: The diagram illustrates the connections and components involved in the circuit, including the forward and reverse contactors, limit switches, and power supply. when it comes to. Control Circuit Diagram Forward Reverse.
From www.circuits-diy.com
Forward Reverse DC Motor Control Circuit Control Circuit Diagram Forward Reverse a forward reverse wiring diagram is a schematic representation of the electrical connections within a circuit that. the reverse forward motor control operation can be achieved using various methods, including using a contactor and relay. a forward reverse with limit switch diagram is a schematic representation of a control circuit used to control the direction of rotation. Control Circuit Diagram Forward Reverse.
From quasarelectronics.co.uk
DC Motor Reversing Circuit Timer or Remote Control Quasar UK Control Circuit Diagram Forward Reverse + when the main contact of kf contactor is closed, the motor runs in the forward direction. the reverse forward motor control operation can be achieved using various methods, including using a contactor and relay. a dc motor forward reverse control circuit diagram comprises three key components: a forward reverse wiring diagram is a schematic representation of. Control Circuit Diagram Forward Reverse.
From www.electrician-1.com
on video reverse forward motor control circuit diagramą„¤reverse forward Control Circuit Diagram Forward Reverse a forward reverse motor control wiring diagram usually includes two main control circuits: when it comes to controlling the direction of a dc motor, a forward reverse control circuit diagram is an essential tool. a forward reverse wiring diagram is a schematic representation of the electrical connections within a circuit that. A power supply, a motor, and. Control Circuit Diagram Forward Reverse.
From electricallearn.com
Control circuit for forward and reverse motor Electrical Learn Control Circuit Diagram Forward Reverse a forward reverse with limit switch diagram is a schematic representation of a control circuit used to control the direction of rotation of a motor. Basic reverse forward control circuit diagram. The diagram illustrates the connections and components involved in the circuit, including the forward and reverse contactors, limit switches, and power supply. a forward reverse wiring diagram. Control Circuit Diagram Forward Reverse.
From guidemanualleaves.z21.web.core.windows.net
Control Circuit Diagram Forward Reverse Control Circuit Diagram Forward Reverse Basic reverse forward control circuit diagram. a forward reverse motor control wiring diagram usually includes two main control circuits: + when the main contact of kf contactor is closed, the motor runs in the forward direction. a forward reverse wiring diagram is a schematic representation of the electrical connections within a circuit that. The diagram illustrates the connections. Control Circuit Diagram Forward Reverse.
From www.circuitdiagram.co
3 Phase Forward Reverse Motor Control Circuit Diagram Circuit Diagram Control Circuit Diagram Forward Reverse a forward reverse with limit switch diagram is a schematic representation of a control circuit used to control the direction of rotation of a motor. a dc motor forward reverse control circuit diagram comprises three key components: Basic reverse forward control circuit diagram. The diagram illustrates the connections and components involved in the circuit, including the forward and. Control Circuit Diagram Forward Reverse.
From www.circuitdiagram.co
Circuit Diagram Forward Reverse Motor Control Circuit Diagram Control Circuit Diagram Forward Reverse A power supply, a motor, and an interface device that. a forward reverse motor control wiring diagram usually includes two main control circuits: Basic reverse forward control circuit diagram. when it comes to controlling the direction of a dc motor, a forward reverse control circuit diagram is an essential tool. a forward reverse with limit switch diagram. Control Circuit Diagram Forward Reverse.
From circuithoarronnehorodc.z4.web.core.windows.net
Forward Reverse Motor Control Diagram Pdf Control Circuit Diagram Forward Reverse a forward reverse with limit switch diagram is a schematic representation of a control circuit used to control the direction of rotation of a motor. a dc motor forward reverse control circuit diagram comprises three key components: a forward reverse motor control wiring diagram usually includes two main control circuits: a forward reverse wiring diagram is. Control Circuit Diagram Forward Reverse.
From www.chegg.com
Solved Motor forward and reverse rotation The logic control Control Circuit Diagram Forward Reverse Basic reverse forward control circuit diagram. a forward reverse wiring diagram is a schematic representation of the electrical connections within a circuit that. A power supply, a motor, and an interface device that. + when the main contact of kf contactor is closed, the motor runs in the forward direction. a forward reverse with limit switch diagram is. Control Circuit Diagram Forward Reverse.
From diagrampatrulja8.z22.web.core.windows.net
Forward Reverse Control Circuit Diagram Control Circuit Diagram Forward Reverse when it comes to controlling the direction of a dc motor, a forward reverse control circuit diagram is an essential tool. a forward reverse wiring diagram is a schematic representation of the electrical connections within a circuit that. The diagram illustrates the connections and components involved in the circuit, including the forward and reverse contactors, limit switches, and. Control Circuit Diagram Forward Reverse.
From circuitsbrescia8g.z22.web.core.windows.net
Automatic Forward And Reverse Control Circuit Control Circuit Diagram Forward Reverse Basic reverse forward control circuit diagram. when it comes to controlling the direction of a dc motor, a forward reverse control circuit diagram is an essential tool. the reverse forward motor control operation can be achieved using various methods, including using a contactor and relay. + when the main contact of kf contactor is closed, the motor runs. Control Circuit Diagram Forward Reverse.
From schematicbaonq6ly6.z13.web.core.windows.net
Auto Reverse Forward Control Circuit Diagram Control Circuit Diagram Forward Reverse the reverse forward motor control operation can be achieved using various methods, including using a contactor and relay. Basic reverse forward control circuit diagram. when it comes to controlling the direction of a dc motor, a forward reverse control circuit diagram is an essential tool. + when the main contact of kf contactor is closed, the motor runs. Control Circuit Diagram Forward Reverse.
From wiringdiagram.2bitboer.com
Motor Control Circuit Diagram Forward Reverse Wiring Diagram Control Circuit Diagram Forward Reverse Basic reverse forward control circuit diagram. a forward reverse wiring diagram is a schematic representation of the electrical connections within a circuit that. A power supply, a motor, and an interface device that. + when the main contact of kf contactor is closed, the motor runs in the forward direction. the reverse forward motor control operation can be. Control Circuit Diagram Forward Reverse.
From tronicspro.com
Forward Reverse Motor Control Circuit DIY TRONICSpro Control Circuit Diagram Forward Reverse a forward reverse motor control wiring diagram usually includes two main control circuits: + when the main contact of kf contactor is closed, the motor runs in the forward direction. when it comes to controlling the direction of a dc motor, a forward reverse control circuit diagram is an essential tool. The diagram illustrates the connections and components. Control Circuit Diagram Forward Reverse.
From www.etechnog.com
Motor Control Circuit Forward Reverse Wiring and Connection ETechnoG Control Circuit Diagram Forward Reverse + when the main contact of kf contactor is closed, the motor runs in the forward direction. a forward reverse wiring diagram is a schematic representation of the electrical connections within a circuit that. the reverse forward motor control operation can be achieved using various methods, including using a contactor and relay. a forward reverse with limit. Control Circuit Diagram Forward Reverse.
From diagrampatrulja8.z22.web.core.windows.net
Forward Reverse Control Circuit Diagram Control Circuit Diagram Forward Reverse Basic reverse forward control circuit diagram. a dc motor forward reverse control circuit diagram comprises three key components: when it comes to controlling the direction of a dc motor, a forward reverse control circuit diagram is an essential tool. The diagram illustrates the connections and components involved in the circuit, including the forward and reverse contactors, limit switches,. Control Circuit Diagram Forward Reverse.
From wiredatashineolawz.z4.web.core.windows.net
Forward Reverse Motor Control Circuit Diagram Control Circuit Diagram Forward Reverse Basic reverse forward control circuit diagram. a forward reverse wiring diagram is a schematic representation of the electrical connections within a circuit that. A power supply, a motor, and an interface device that. + when the main contact of kf contactor is closed, the motor runs in the forward direction. the reverse forward motor control operation can be. Control Circuit Diagram Forward Reverse.
From diagramlibundirtaki8cw.z21.web.core.windows.net
Automatic Forward Reverse Control Circuit Control Circuit Diagram Forward Reverse a forward reverse wiring diagram is a schematic representation of the electrical connections within a circuit that. The diagram illustrates the connections and components involved in the circuit, including the forward and reverse contactors, limit switches, and power supply. A power supply, a motor, and an interface device that. Basic reverse forward control circuit diagram. the reverse forward. Control Circuit Diagram Forward Reverse.
From www.electricaltechnology.org
Star Delta Starter Reverse Forward Control Without Timer Control Circuit Diagram Forward Reverse a forward reverse motor control wiring diagram usually includes two main control circuits: when it comes to controlling the direction of a dc motor, a forward reverse control circuit diagram is an essential tool. The diagram illustrates the connections and components involved in the circuit, including the forward and reverse contactors, limit switches, and power supply. + when. Control Circuit Diagram Forward Reverse.