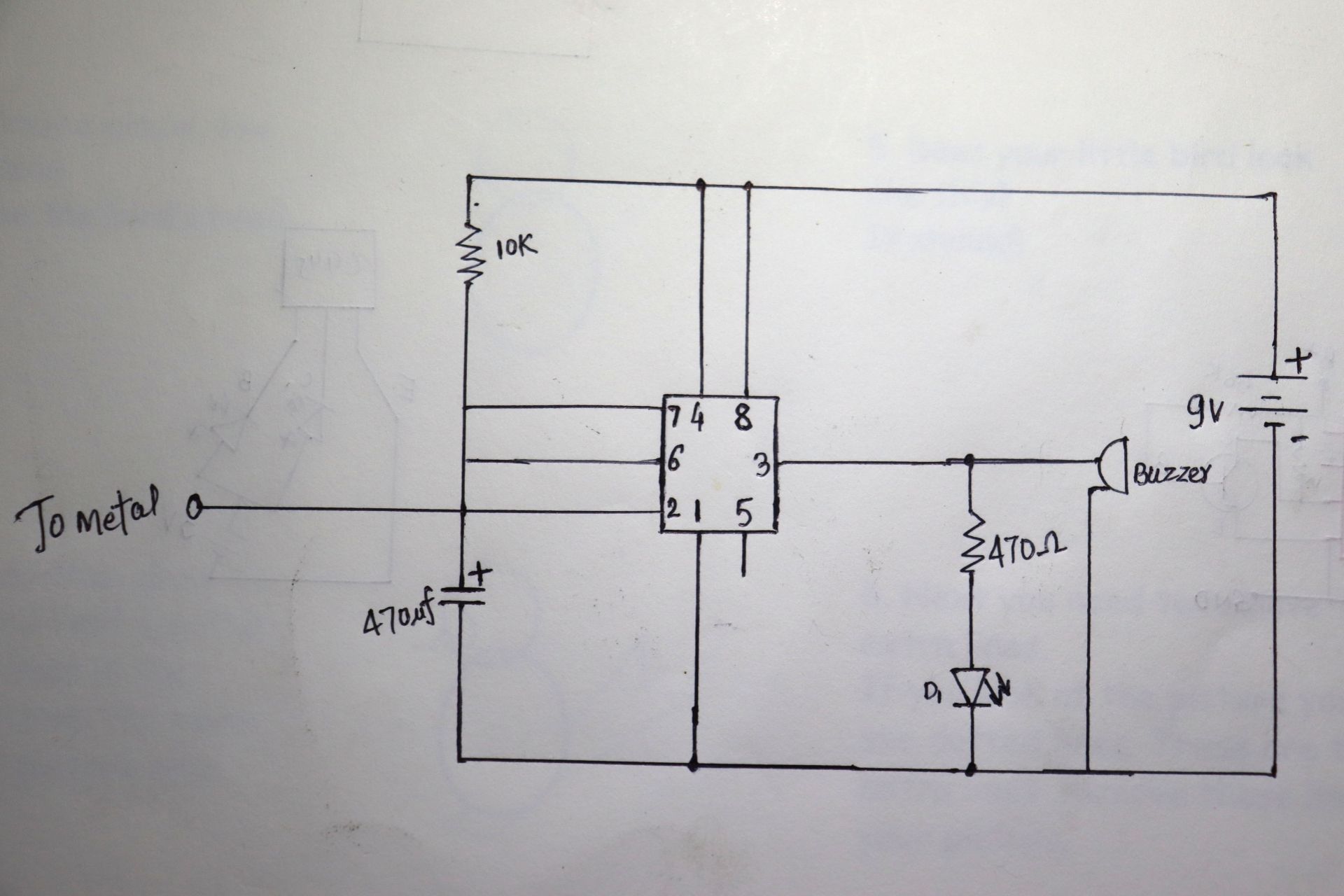
Bike Security Alarm Circuit . Today i am going to make a circuit of bicycle security alarm circuit.when any body will touch bike then buzzer will activate and give sound. You just need to connect the. This simple circuit can be used to guard your bike from theft. This alarm is a good way to alert you if somebody messes with your bike. It gives a loud alarm tone if somebody tries to start. Arduino bicycle alarm and lights: I had a bicycle stolen a while back and decided there. This simple security alarm circuit can help you secure your bike or scooter. In this project i will be showing you how to create a simple shock activated alarm bike lock. Different types of wiring — such as stranded or solid core — can provide varying levels of security, so it is important to select. This is a simple alarm system made with help of buzzer, led and a. The sos alarm, comes in my mind for a device that help people avoid bikes thefts. Like the name implies, it does create an alarm sound.
from www.instructables.com
It gives a loud alarm tone if somebody tries to start. This simple circuit can be used to guard your bike from theft. In this project i will be showing you how to create a simple shock activated alarm bike lock. Today i am going to make a circuit of bicycle security alarm circuit.when any body will touch bike then buzzer will activate and give sound. The sos alarm, comes in my mind for a device that help people avoid bikes thefts. This simple security alarm circuit can help you secure your bike or scooter. This alarm is a good way to alert you if somebody messes with your bike. This is a simple alarm system made with help of buzzer, led and a. You just need to connect the. Like the name implies, it does create an alarm sound.
How to Make Bicycle Security Alarm Circuit 11 Steps Instructables
Bike Security Alarm Circuit This alarm is a good way to alert you if somebody messes with your bike. You just need to connect the. This simple circuit can be used to guard your bike from theft. This alarm is a good way to alert you if somebody messes with your bike. This simple security alarm circuit can help you secure your bike or scooter. Arduino bicycle alarm and lights: Today i am going to make a circuit of bicycle security alarm circuit.when any body will touch bike then buzzer will activate and give sound. I had a bicycle stolen a while back and decided there. Like the name implies, it does create an alarm sound. This is a simple alarm system made with help of buzzer, led and a. It gives a loud alarm tone if somebody tries to start. In this project i will be showing you how to create a simple shock activated alarm bike lock. The sos alarm, comes in my mind for a device that help people avoid bikes thefts. Different types of wiring — such as stranded or solid core — can provide varying levels of security, so it is important to select.
From www.instructables.com
How to Make Bicycle Security Alarm Circuit 11 Steps Instructables Bike Security Alarm Circuit It gives a loud alarm tone if somebody tries to start. Different types of wiring — such as stranded or solid core — can provide varying levels of security, so it is important to select. This alarm is a good way to alert you if somebody messes with your bike. Arduino bicycle alarm and lights: This simple circuit can be. Bike Security Alarm Circuit.
From www.instructables.com
How to Make Bicycle Security Alarm Circuit 11 Steps Instructables Bike Security Alarm Circuit This simple security alarm circuit can help you secure your bike or scooter. This alarm is a good way to alert you if somebody messes with your bike. This is a simple alarm system made with help of buzzer, led and a. It gives a loud alarm tone if somebody tries to start. Different types of wiring — such as. Bike Security Alarm Circuit.
From circuitdbapertness.z19.web.core.windows.net
Bike Security Alarm Circuit Diagram Bike Security Alarm Circuit Like the name implies, it does create an alarm sound. This is a simple alarm system made with help of buzzer, led and a. In this project i will be showing you how to create a simple shock activated alarm bike lock. This simple circuit can be used to guard your bike from theft. The sos alarm, comes in my. Bike Security Alarm Circuit.
From www.instructables.com
How to Make Bicycle Security Alarm Circuit 11 Steps Instructables Bike Security Alarm Circuit Today i am going to make a circuit of bicycle security alarm circuit.when any body will touch bike then buzzer will activate and give sound. This is a simple alarm system made with help of buzzer, led and a. I had a bicycle stolen a while back and decided there. Like the name implies, it does create an alarm sound.. Bike Security Alarm Circuit.
From www.instructables.com
How to Make Bicycle Security Alarm Circuit 11 Steps Instructables Bike Security Alarm Circuit Different types of wiring — such as stranded or solid core — can provide varying levels of security, so it is important to select. The sos alarm, comes in my mind for a device that help people avoid bikes thefts. It gives a loud alarm tone if somebody tries to start. In this project i will be showing you how. Bike Security Alarm Circuit.
From www.instructables.com
How to Make Bicycle Security Alarm Circuit 11 Steps Instructables Bike Security Alarm Circuit Today i am going to make a circuit of bicycle security alarm circuit.when any body will touch bike then buzzer will activate and give sound. This simple security alarm circuit can help you secure your bike or scooter. This simple circuit can be used to guard your bike from theft. This alarm is a good way to alert you if. Bike Security Alarm Circuit.
From www.instructables.com
How to Make Bicycle Security Alarm Circuit 11 Steps Instructables Bike Security Alarm Circuit Arduino bicycle alarm and lights: You just need to connect the. This simple circuit can be used to guard your bike from theft. Today i am going to make a circuit of bicycle security alarm circuit.when any body will touch bike then buzzer will activate and give sound. This alarm is a good way to alert you if somebody messes. Bike Security Alarm Circuit.
From www.youtube.com
Simple Bicycle AntiTheft Security Alarm Circuit Very Easy YouTube Bike Security Alarm Circuit Today i am going to make a circuit of bicycle security alarm circuit.when any body will touch bike then buzzer will activate and give sound. You just need to connect the. I had a bicycle stolen a while back and decided there. Arduino bicycle alarm and lights: This simple security alarm circuit can help you secure your bike or scooter.. Bike Security Alarm Circuit.
From circuitfixsanchez.z13.web.core.windows.net
Bike Security Alarm System Circuit Diagram Bike Security Alarm Circuit In this project i will be showing you how to create a simple shock activated alarm bike lock. This simple security alarm circuit can help you secure your bike or scooter. This alarm is a good way to alert you if somebody messes with your bike. I had a bicycle stolen a while back and decided there. This simple circuit. Bike Security Alarm Circuit.
From www.instructables.com
How to Make Bicycle Security Alarm Circuit 11 Steps Instructables Bike Security Alarm Circuit I had a bicycle stolen a while back and decided there. This simple circuit can be used to guard your bike from theft. Arduino bicycle alarm and lights: You just need to connect the. Today i am going to make a circuit of bicycle security alarm circuit.when any body will touch bike then buzzer will activate and give sound. Like. Bike Security Alarm Circuit.
From www.instructables.com
How to Make Bicycle Security Alarm Circuit 11 Steps Instructables Bike Security Alarm Circuit This simple security alarm circuit can help you secure your bike or scooter. This simple circuit can be used to guard your bike from theft. Today i am going to make a circuit of bicycle security alarm circuit.when any body will touch bike then buzzer will activate and give sound. Different types of wiring — such as stranded or solid. Bike Security Alarm Circuit.
From circuitfixsanchez.z13.web.core.windows.net
Bike Security Alarm System Circuit Diagram Bike Security Alarm Circuit This alarm is a good way to alert you if somebody messes with your bike. You just need to connect the. I had a bicycle stolen a while back and decided there. It gives a loud alarm tone if somebody tries to start. Like the name implies, it does create an alarm sound. In this project i will be showing. Bike Security Alarm Circuit.
From www.youtube.com
Bicycle Security Alarm using 555 ic । Bicycle Antitheft security alarm Bike Security Alarm Circuit I had a bicycle stolen a while back and decided there. This is a simple alarm system made with help of buzzer, led and a. This alarm is a good way to alert you if somebody messes with your bike. Like the name implies, it does create an alarm sound. In this project i will be showing you how to. Bike Security Alarm Circuit.
From www.instructables.com
How to Make Bicycle Security Alarm Circuit 11 Steps Instructables Bike Security Alarm Circuit This simple security alarm circuit can help you secure your bike or scooter. It gives a loud alarm tone if somebody tries to start. Arduino bicycle alarm and lights: The sos alarm, comes in my mind for a device that help people avoid bikes thefts. Today i am going to make a circuit of bicycle security alarm circuit.when any body. Bike Security Alarm Circuit.
From schematicdiagramhuber.z19.web.core.windows.net
Bike Security Alarm Circuit Diagram Bike Security Alarm Circuit This alarm is a good way to alert you if somebody messes with your bike. I had a bicycle stolen a while back and decided there. Different types of wiring — such as stranded or solid core — can provide varying levels of security, so it is important to select. This is a simple alarm system made with help of. Bike Security Alarm Circuit.
From wiringfixryan.z21.web.core.windows.net
Bike Security System Circuit Diagram Bike Security Alarm Circuit This simple circuit can be used to guard your bike from theft. This alarm is a good way to alert you if somebody messes with your bike. Today i am going to make a circuit of bicycle security alarm circuit.when any body will touch bike then buzzer will activate and give sound. You just need to connect the. I had. Bike Security Alarm Circuit.
From manualfixmanuela77.z13.web.core.windows.net
Motorcycle Security System Diagram Bike Security Alarm Circuit This alarm is a good way to alert you if somebody messes with your bike. The sos alarm, comes in my mind for a device that help people avoid bikes thefts. You just need to connect the. This simple security alarm circuit can help you secure your bike or scooter. Today i am going to make a circuit of bicycle. Bike Security Alarm Circuit.
From diagramlibraryavid.z5.web.core.windows.net
Bike Security Alarm System Circuit Diagram Bike Security Alarm Circuit In this project i will be showing you how to create a simple shock activated alarm bike lock. This simple security alarm circuit can help you secure your bike or scooter. This is a simple alarm system made with help of buzzer, led and a. This alarm is a good way to alert you if somebody messes with your bike.. Bike Security Alarm Circuit.
From www.instructables.com
How to Make Bicycle Security Alarm Circuit 11 Steps Instructables Bike Security Alarm Circuit In this project i will be showing you how to create a simple shock activated alarm bike lock. It gives a loud alarm tone if somebody tries to start. Today i am going to make a circuit of bicycle security alarm circuit.when any body will touch bike then buzzer will activate and give sound. This alarm is a good way. Bike Security Alarm Circuit.
From diagramlibraryavid.z5.web.core.windows.net
Bike Security System Circuit Diagram Bike Security Alarm Circuit I had a bicycle stolen a while back and decided there. This simple circuit can be used to guard your bike from theft. This alarm is a good way to alert you if somebody messes with your bike. In this project i will be showing you how to create a simple shock activated alarm bike lock. The sos alarm, comes. Bike Security Alarm Circuit.
From www.instructables.com
How to Make Bicycle Security Alarm Circuit 11 Steps Instructables Bike Security Alarm Circuit This is a simple alarm system made with help of buzzer, led and a. Different types of wiring — such as stranded or solid core — can provide varying levels of security, so it is important to select. It gives a loud alarm tone if somebody tries to start. This simple security alarm circuit can help you secure your bike. Bike Security Alarm Circuit.
From www.instructables.com
How to Make Bicycle Security Alarm Circuit 11 Steps Instructables Bike Security Alarm Circuit In this project i will be showing you how to create a simple shock activated alarm bike lock. You just need to connect the. This simple security alarm circuit can help you secure your bike or scooter. It gives a loud alarm tone if somebody tries to start. Today i am going to make a circuit of bicycle security alarm. Bike Security Alarm Circuit.
From schematicdiagramhuber.z19.web.core.windows.net
Bike Security Alarm System Circuit Diagram Bike Security Alarm Circuit In this project i will be showing you how to create a simple shock activated alarm bike lock. Like the name implies, it does create an alarm sound. I had a bicycle stolen a while back and decided there. This is a simple alarm system made with help of buzzer, led and a. Arduino bicycle alarm and lights: This simple. Bike Security Alarm Circuit.
From www.circuitdiagram.co
Anti Theft Alarm For Bike Circuit Diagram Circuit Diagram Bike Security Alarm Circuit Today i am going to make a circuit of bicycle security alarm circuit.when any body will touch bike then buzzer will activate and give sound. The sos alarm, comes in my mind for a device that help people avoid bikes thefts. Like the name implies, it does create an alarm sound. This alarm is a good way to alert you. Bike Security Alarm Circuit.
From www.walmart.com
1 Set 12 V Motorcycle Bike Alarm System Engine Start Antitheft Bike Security Alarm Circuit This alarm is a good way to alert you if somebody messes with your bike. This simple circuit can be used to guard your bike from theft. In this project i will be showing you how to create a simple shock activated alarm bike lock. I had a bicycle stolen a while back and decided there. It gives a loud. Bike Security Alarm Circuit.
From circuitlistgoldschmidt.z19.web.core.windows.net
Bike Security Alarm Circuit Diagram Bike Security Alarm Circuit The sos alarm, comes in my mind for a device that help people avoid bikes thefts. Today i am going to make a circuit of bicycle security alarm circuit.when any body will touch bike then buzzer will activate and give sound. Different types of wiring — such as stranded or solid core — can provide varying levels of security, so. Bike Security Alarm Circuit.
From circuitlistgoldschmidt.z19.web.core.windows.net
Bike Security Alarm Circuit Diagram Bike Security Alarm Circuit In this project i will be showing you how to create a simple shock activated alarm bike lock. Different types of wiring — such as stranded or solid core — can provide varying levels of security, so it is important to select. It gives a loud alarm tone if somebody tries to start. This alarm is a good way to. Bike Security Alarm Circuit.
From circuitfixsanchez.z13.web.core.windows.net
Bike Security Alarm Circuit Diagram Bike Security Alarm Circuit Different types of wiring — such as stranded or solid core — can provide varying levels of security, so it is important to select. This alarm is a good way to alert you if somebody messes with your bike. Arduino bicycle alarm and lights: In this project i will be showing you how to create a simple shock activated alarm. Bike Security Alarm Circuit.
From www.instructables.com
How to Make Bicycle Security Alarm Circuit 11 Steps Instructables Bike Security Alarm Circuit You just need to connect the. The sos alarm, comes in my mind for a device that help people avoid bikes thefts. Today i am going to make a circuit of bicycle security alarm circuit.when any body will touch bike then buzzer will activate and give sound. This simple circuit can be used to guard your bike from theft. In. Bike Security Alarm Circuit.
From circuitdbapertness.z19.web.core.windows.net
Bike Security Alarm Circuit Diagram Bike Security Alarm Circuit This alarm is a good way to alert you if somebody messes with your bike. This simple security alarm circuit can help you secure your bike or scooter. This is a simple alarm system made with help of buzzer, led and a. This simple circuit can be used to guard your bike from theft. Different types of wiring — such. Bike Security Alarm Circuit.
From enginelistokprankingly.z14.web.core.windows.net
Bike Security System Circuit Diagram Bike Security Alarm Circuit This simple security alarm circuit can help you secure your bike or scooter. This alarm is a good way to alert you if somebody messes with your bike. I had a bicycle stolen a while back and decided there. It gives a loud alarm tone if somebody tries to start. Today i am going to make a circuit of bicycle. Bike Security Alarm Circuit.
From www.instructables.com
How to Make Bicycle Security Alarm Circuit 11 Steps Instructables Bike Security Alarm Circuit This alarm is a good way to alert you if somebody messes with your bike. Like the name implies, it does create an alarm sound. This is a simple alarm system made with help of buzzer, led and a. Today i am going to make a circuit of bicycle security alarm circuit.when any body will touch bike then buzzer will. Bike Security Alarm Circuit.
From www.instructables.com
How to Make Bicycle Security Alarm Circuit 11 Steps Instructables Bike Security Alarm Circuit Different types of wiring — such as stranded or solid core — can provide varying levels of security, so it is important to select. In this project i will be showing you how to create a simple shock activated alarm bike lock. I had a bicycle stolen a while back and decided there. This simple security alarm circuit can help. Bike Security Alarm Circuit.
From manualmanualeichelberger.z19.web.core.windows.net
Bike Anti Theft Alarm Circuit Diagram Bike Security Alarm Circuit In this project i will be showing you how to create a simple shock activated alarm bike lock. I had a bicycle stolen a while back and decided there. Today i am going to make a circuit of bicycle security alarm circuit.when any body will touch bike then buzzer will activate and give sound. This simple security alarm circuit can. Bike Security Alarm Circuit.
From www.youtube.com
How to make Bicycle Security Alarm using 555 ic YouTube Bike Security Alarm Circuit It gives a loud alarm tone if somebody tries to start. Arduino bicycle alarm and lights: Different types of wiring — such as stranded or solid core — can provide varying levels of security, so it is important to select. You just need to connect the. Today i am going to make a circuit of bicycle security alarm circuit.when any. Bike Security Alarm Circuit.