Understanding Audio Circuits . Amplify your audio signals with just a few components. This is a short demo video of a small two. How to build small mxr phase 45 clone. This document will help engineers understand, judge, design, and optimize a hifi audio circuit. In this course students learn the basic concepts of acoustics and electronics and how they can applied to understand musical sound and make music with electronic instruments. Short demo of a small mxr phase 45 clone that was built using the “smoothie” pcb.
from streampowers.blogspot.com
Amplify your audio signals with just a few components. Short demo of a small mxr phase 45 clone that was built using the “smoothie” pcb. This document will help engineers understand, judge, design, and optimize a hifi audio circuit. How to build small mxr phase 45 clone. In this course students learn the basic concepts of acoustics and electronics and how they can applied to understand musical sound and make music with electronic instruments. This is a short demo video of a small two.
Simple Dual AudioSignal Tracer Circuit Diagram Electronic Circuits
Understanding Audio Circuits How to build small mxr phase 45 clone. This document will help engineers understand, judge, design, and optimize a hifi audio circuit. This is a short demo video of a small two. How to build small mxr phase 45 clone. In this course students learn the basic concepts of acoustics and electronics and how they can applied to understand musical sound and make music with electronic instruments. Short demo of a small mxr phase 45 clone that was built using the “smoothie” pcb. Amplify your audio signals with just a few components.
From www.circuits-diy.com
How To Make An Audio Amplifier Circuit using TDA2030 IC Understanding Audio Circuits In this course students learn the basic concepts of acoustics and electronics and how they can applied to understand musical sound and make music with electronic instruments. This document will help engineers understand, judge, design, and optimize a hifi audio circuit. This is a short demo video of a small two. Short demo of a small mxr phase 45 clone. Understanding Audio Circuits.
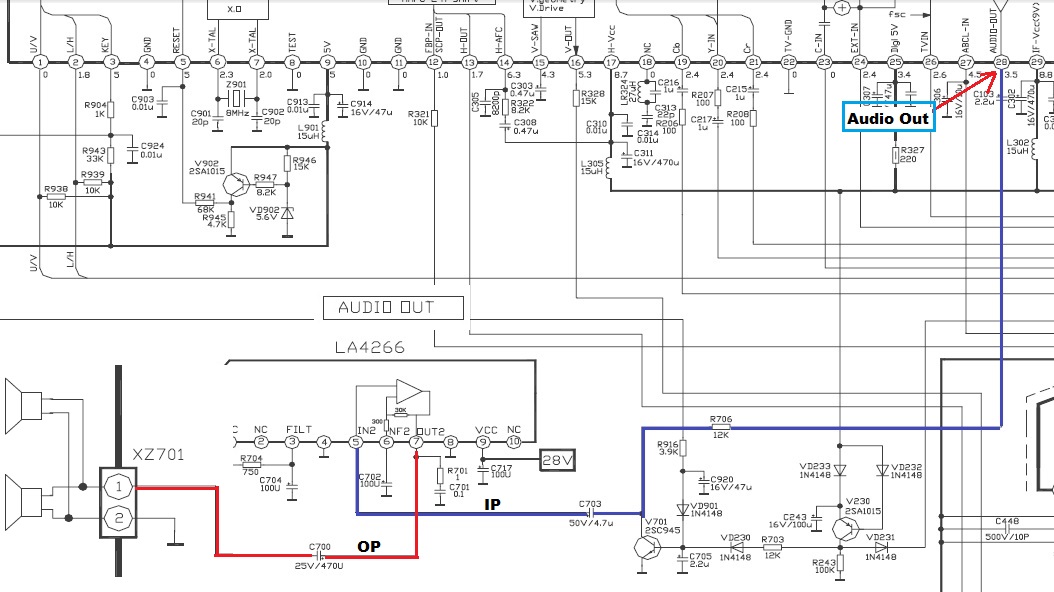
From www.eeweb.com
Radiated Interference in Audio Circuits EE Understanding Audio Circuits Amplify your audio signals with just a few components. This document will help engineers understand, judge, design, and optimize a hifi audio circuit. Short demo of a small mxr phase 45 clone that was built using the “smoothie” pcb. In this course students learn the basic concepts of acoustics and electronics and how they can applied to understand musical sound. Understanding Audio Circuits.
From www.electronicsrepairmadeasy.com
electronics repair made easy Understanding and troubleshooting CRT Understanding Audio Circuits How to build small mxr phase 45 clone. Amplify your audio signals with just a few components. Short demo of a small mxr phase 45 clone that was built using the “smoothie” pcb. This is a short demo video of a small two. In this course students learn the basic concepts of acoustics and electronics and how they can applied. Understanding Audio Circuits.
From cellphonerepairtutorials.blogspot.com
Understanding Mouthpiece or Microphone, Earpiece and IHF or Buzzer Understanding Audio Circuits Short demo of a small mxr phase 45 clone that was built using the “smoothie” pcb. How to build small mxr phase 45 clone. Amplify your audio signals with just a few components. In this course students learn the basic concepts of acoustics and electronics and how they can applied to understand musical sound and make music with electronic instruments.. Understanding Audio Circuits.
From www.cui.com
Understanding Audio Jack Switches and Schematics CUI Inc Understanding Audio Circuits In this course students learn the basic concepts of acoustics and electronics and how they can applied to understand musical sound and make music with electronic instruments. This is a short demo video of a small two. How to build small mxr phase 45 clone. Short demo of a small mxr phase 45 clone that was built using the “smoothie”. Understanding Audio Circuits.
From www.ipson.nl
Audio circuits Technology for Art and Education Understanding Audio Circuits This document will help engineers understand, judge, design, and optimize a hifi audio circuit. Short demo of a small mxr phase 45 clone that was built using the “smoothie” pcb. Amplify your audio signals with just a few components. How to build small mxr phase 45 clone. This is a short demo video of a small two. In this course. Understanding Audio Circuits.
From tronicspro.com
lm387 panning preamplifier circuit diagram Electronics Projects Understanding Audio Circuits Short demo of a small mxr phase 45 clone that was built using the “smoothie” pcb. In this course students learn the basic concepts of acoustics and electronics and how they can applied to understand musical sound and make music with electronic instruments. Amplify your audio signals with just a few components. This document will help engineers understand, judge, design,. Understanding Audio Circuits.
From www.etechnog.com
A simple Homemade Audio Amplifier Circuit Diagram (3040 Watt) ETechnoG Understanding Audio Circuits In this course students learn the basic concepts of acoustics and electronics and how they can applied to understand musical sound and make music with electronic instruments. This document will help engineers understand, judge, design, and optimize a hifi audio circuit. How to build small mxr phase 45 clone. Amplify your audio signals with just a few components. This is. Understanding Audio Circuits.
From tronicspro.com
amplifier circuit diagram using 2sd1047 & 2sb817 ROTEL RA840B Understanding Audio Circuits In this course students learn the basic concepts of acoustics and electronics and how they can applied to understand musical sound and make music with electronic instruments. Amplify your audio signals with just a few components. Short demo of a small mxr phase 45 clone that was built using the “smoothie” pcb. This document will help engineers understand, judge, design,. Understanding Audio Circuits.
From www.circuitdiagram.co
Audio Amplifier Circuit Diagram Book Circuit Diagram Understanding Audio Circuits This is a short demo video of a small two. Amplify your audio signals with just a few components. This document will help engineers understand, judge, design, and optimize a hifi audio circuit. In this course students learn the basic concepts of acoustics and electronics and how they can applied to understand musical sound and make music with electronic instruments.. Understanding Audio Circuits.
From www.organised-sound.com
Transistor Audio Amplifier Circuit Diagram Wiring Diagram Understanding Audio Circuits Short demo of a small mxr phase 45 clone that was built using the “smoothie” pcb. Amplify your audio signals with just a few components. In this course students learn the basic concepts of acoustics and electronics and how they can applied to understand musical sound and make music with electronic instruments. How to build small mxr phase 45 clone.. Understanding Audio Circuits.
From schematicpartclaudia.z19.web.core.windows.net
Mini Audio Amplifier Circuit Diagram Understanding Audio Circuits How to build small mxr phase 45 clone. In this course students learn the basic concepts of acoustics and electronics and how they can applied to understand musical sound and make music with electronic instruments. Short demo of a small mxr phase 45 clone that was built using the “smoothie” pcb. Amplify your audio signals with just a few components.. Understanding Audio Circuits.
From www.scribd.com
Audio Circuits and Projects Revised Edition PDF PDF Loudspeaker Understanding Audio Circuits In this course students learn the basic concepts of acoustics and electronics and how they can applied to understand musical sound and make music with electronic instruments. Amplify your audio signals with just a few components. Short demo of a small mxr phase 45 clone that was built using the “smoothie” pcb. This document will help engineers understand, judge, design,. Understanding Audio Circuits.
From streampowers.blogspot.com
Simple 100W HiFi Audio Amplifier Circuit Diagram Electronic Circuits Understanding Audio Circuits This document will help engineers understand, judge, design, and optimize a hifi audio circuit. Short demo of a small mxr phase 45 clone that was built using the “smoothie” pcb. This is a short demo video of a small two. In this course students learn the basic concepts of acoustics and electronics and how they can applied to understand musical. Understanding Audio Circuits.
From www.circuits-diy.com
Stereo Audio Power Amplifier Circuit using LM4755 Understanding Audio Circuits This document will help engineers understand, judge, design, and optimize a hifi audio circuit. In this course students learn the basic concepts of acoustics and electronics and how they can applied to understand musical sound and make music with electronic instruments. Amplify your audio signals with just a few components. Short demo of a small mxr phase 45 clone that. Understanding Audio Circuits.
From schematicpartclaudia.z19.web.core.windows.net
2 Channel Audio Mixer Circuit Diagram Understanding Audio Circuits Short demo of a small mxr phase 45 clone that was built using the “smoothie” pcb. This document will help engineers understand, judge, design, and optimize a hifi audio circuit. Amplify your audio signals with just a few components. How to build small mxr phase 45 clone. In this course students learn the basic concepts of acoustics and electronics and. Understanding Audio Circuits.
From wiringlibraryeric.z19.web.core.windows.net
Audio Amp Circuit Diagram Understanding Audio Circuits Short demo of a small mxr phase 45 clone that was built using the “smoothie” pcb. This is a short demo video of a small two. Amplify your audio signals with just a few components. This document will help engineers understand, judge, design, and optimize a hifi audio circuit. How to build small mxr phase 45 clone. In this course. Understanding Audio Circuits.
From www.youtube.com
How To 3 Volume Connection Any Audio Circuit ৩ ভলিয়াম সার্কিট Understanding Audio Circuits Amplify your audio signals with just a few components. How to build small mxr phase 45 clone. This is a short demo video of a small two. This document will help engineers understand, judge, design, and optimize a hifi audio circuit. In this course students learn the basic concepts of acoustics and electronics and how they can applied to understand. Understanding Audio Circuits.
From www.circuits-diy.com
3 Transistors Audio Amplifier Circuits Understanding Audio Circuits This is a short demo video of a small two. In this course students learn the basic concepts of acoustics and electronics and how they can applied to understand musical sound and make music with electronic instruments. How to build small mxr phase 45 clone. Amplify your audio signals with just a few components. This document will help engineers understand,. Understanding Audio Circuits.
From www.circuits-diy.com
Simple Single Transistor Audio Amplifier Circuit Understanding Audio Circuits Amplify your audio signals with just a few components. Short demo of a small mxr phase 45 clone that was built using the “smoothie” pcb. This document will help engineers understand, judge, design, and optimize a hifi audio circuit. In this course students learn the basic concepts of acoustics and electronics and how they can applied to understand musical sound. Understanding Audio Circuits.
From www.circuits-diy.com
Powerful Audio Amplifier Circuit Using 2SC5200 Transistor Ultra Bass Understanding Audio Circuits This document will help engineers understand, judge, design, and optimize a hifi audio circuit. Amplify your audio signals with just a few components. Short demo of a small mxr phase 45 clone that was built using the “smoothie” pcb. This is a short demo video of a small two. In this course students learn the basic concepts of acoustics and. Understanding Audio Circuits.
From www.circuits-diy.com
ThreeInput Mic Mixer Circuit Using Operational Amplifiers Understanding Audio Circuits This is a short demo video of a small two. This document will help engineers understand, judge, design, and optimize a hifi audio circuit. In this course students learn the basic concepts of acoustics and electronics and how they can applied to understand musical sound and make music with electronic instruments. Amplify your audio signals with just a few components.. Understanding Audio Circuits.
From circuitenginelilium101.z21.web.core.windows.net
Simple Transistor Audio Amplifier Circuit Understanding Audio Circuits In this course students learn the basic concepts of acoustics and electronics and how they can applied to understand musical sound and make music with electronic instruments. How to build small mxr phase 45 clone. This document will help engineers understand, judge, design, and optimize a hifi audio circuit. Short demo of a small mxr phase 45 clone that was. Understanding Audio Circuits.
From www.circuits-diy.com
Audio Loudness Control Circuit Understanding Audio Circuits This is a short demo video of a small two. In this course students learn the basic concepts of acoustics and electronics and how they can applied to understand musical sound and make music with electronic instruments. Short demo of a small mxr phase 45 clone that was built using the “smoothie” pcb. Amplify your audio signals with just a. Understanding Audio Circuits.
From www.r-type.org
Understanding Audio Understanding Audio Circuits This document will help engineers understand, judge, design, and optimize a hifi audio circuit. In this course students learn the basic concepts of acoustics and electronics and how they can applied to understand musical sound and make music with electronic instruments. Amplify your audio signals with just a few components. This is a short demo video of a small two.. Understanding Audio Circuits.
From manualwiringschaefer.z19.web.core.windows.net
Simple Audio Mixer Schematic Understanding Audio Circuits How to build small mxr phase 45 clone. Short demo of a small mxr phase 45 clone that was built using the “smoothie” pcb. In this course students learn the basic concepts of acoustics and electronics and how they can applied to understand musical sound and make music with electronic instruments. Amplify your audio signals with just a few components.. Understanding Audio Circuits.
From enginemanualerik.z19.web.core.windows.net
Sample Audio Circuit Diagram Understanding Audio Circuits In this course students learn the basic concepts of acoustics and electronics and how they can applied to understand musical sound and make music with electronic instruments. This document will help engineers understand, judge, design, and optimize a hifi audio circuit. How to build small mxr phase 45 clone. Short demo of a small mxr phase 45 clone that was. Understanding Audio Circuits.
From stewart-switch.com
Understanding the Audio Crossover Circuit Diagram A Comprehensive Guide Understanding Audio Circuits Short demo of a small mxr phase 45 clone that was built using the “smoothie” pcb. Amplify your audio signals with just a few components. This is a short demo video of a small two. How to build small mxr phase 45 clone. In this course students learn the basic concepts of acoustics and electronics and how they can applied. Understanding Audio Circuits.
From www.wiringflowline.com
Simple Audio Circuit Diagram Wiring Flow Line Understanding Audio Circuits How to build small mxr phase 45 clone. In this course students learn the basic concepts of acoustics and electronics and how they can applied to understand musical sound and make music with electronic instruments. This is a short demo video of a small two. Amplify your audio signals with just a few components. This document will help engineers understand,. Understanding Audio Circuits.
From streampowers.blogspot.com
Simple Dual AudioSignal Tracer Circuit Diagram Electronic Circuits Understanding Audio Circuits How to build small mxr phase 45 clone. This document will help engineers understand, judge, design, and optimize a hifi audio circuit. In this course students learn the basic concepts of acoustics and electronics and how they can applied to understand musical sound and make music with electronic instruments. Amplify your audio signals with just a few components. This is. Understanding Audio Circuits.
From www.eleccircuit.com
LM1875 Datasheet pinout HIFi audio amplifier circuit ElecCircuit Understanding Audio Circuits This is a short demo video of a small two. Short demo of a small mxr phase 45 clone that was built using the “smoothie” pcb. This document will help engineers understand, judge, design, and optimize a hifi audio circuit. How to build small mxr phase 45 clone. In this course students learn the basic concepts of acoustics and electronics. Understanding Audio Circuits.
From www.youtube.com
Audio Amplifier Circuit Diagram Homemade YouTube Understanding Audio Circuits How to build small mxr phase 45 clone. In this course students learn the basic concepts of acoustics and electronics and how they can applied to understand musical sound and make music with electronic instruments. Short demo of a small mxr phase 45 clone that was built using the “smoothie” pcb. This document will help engineers understand, judge, design, and. Understanding Audio Circuits.
From www.pinterest.com
Basic Electronic Circuits, Electronic Circuit Design, Diy Sound System Understanding Audio Circuits Short demo of a small mxr phase 45 clone that was built using the “smoothie” pcb. This is a short demo video of a small two. This document will help engineers understand, judge, design, and optimize a hifi audio circuit. Amplify your audio signals with just a few components. How to build small mxr phase 45 clone. In this course. Understanding Audio Circuits.
From www.zpag.net
Audio mixer circuits TL074, Audio amplifier basic Understanding Audio Circuits Amplify your audio signals with just a few components. Short demo of a small mxr phase 45 clone that was built using the “smoothie” pcb. In this course students learn the basic concepts of acoustics and electronics and how they can applied to understand musical sound and make music with electronic instruments. This document will help engineers understand, judge, design,. Understanding Audio Circuits.
From todayscircuits.blogspot.com
Audio amplifier circuit using TDA2040 Todays Circuits Engineering Understanding Audio Circuits In this course students learn the basic concepts of acoustics and electronics and how they can applied to understand musical sound and make music with electronic instruments. Amplify your audio signals with just a few components. This document will help engineers understand, judge, design, and optimize a hifi audio circuit. Short demo of a small mxr phase 45 clone that. Understanding Audio Circuits.