Limit Switch Fluidsim . It has a library of components with detailed physical models,. From this fluidsim tutorial you will learn how to control the movement of the cylinder by using one way control valves. Switch that is changed over by a cam attached to the cylinder rod. Learning, teaching, and visualizing hydraulics 139 5.1 information. The switch changes back immediately when the cam has passed the. The switch changes back immediately when the cam has passed the. Fluidsim 6 is a simulation software for pneumatic, hydraulic and electrical systems. Switch that is changed over by a cam attached to the cylinder rod. Limit switches, proximity switches, and mechanically operated valves can be activated by the piston of the cylinder.
from www.youtube.com
From this fluidsim tutorial you will learn how to control the movement of the cylinder by using one way control valves. Switch that is changed over by a cam attached to the cylinder rod. It has a library of components with detailed physical models,. The switch changes back immediately when the cam has passed the. Fluidsim 6 is a simulation software for pneumatic, hydraulic and electrical systems. Limit switches, proximity switches, and mechanically operated valves can be activated by the piston of the cylinder. Learning, teaching, and visualizing hydraulics 139 5.1 information. The switch changes back immediately when the cam has passed the. Switch that is changed over by a cam attached to the cylinder rod.
Practice 05 Pneumatic Control System with 3/2 Valve and Limit
Limit Switch Fluidsim The switch changes back immediately when the cam has passed the. The switch changes back immediately when the cam has passed the. Fluidsim 6 is a simulation software for pneumatic, hydraulic and electrical systems. Switch that is changed over by a cam attached to the cylinder rod. Limit switches, proximity switches, and mechanically operated valves can be activated by the piston of the cylinder. Switch that is changed over by a cam attached to the cylinder rod. Learning, teaching, and visualizing hydraulics 139 5.1 information. From this fluidsim tutorial you will learn how to control the movement of the cylinder by using one way control valves. It has a library of components with detailed physical models,. The switch changes back immediately when the cam has passed the.
From www.youtube.com
FluidSim tutorial. Electrical circuit for single and double acting Limit Switch Fluidsim Switch that is changed over by a cam attached to the cylinder rod. Switch that is changed over by a cam attached to the cylinder rod. The switch changes back immediately when the cam has passed the. From this fluidsim tutorial you will learn how to control the movement of the cylinder by using one way control valves. It has. Limit Switch Fluidsim.
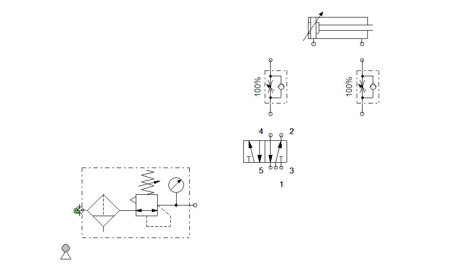
From mungfali.com
Fluidsim Symbols Limit Switch Fluidsim From this fluidsim tutorial you will learn how to control the movement of the cylinder by using one way control valves. Learning, teaching, and visualizing hydraulics 139 5.1 information. It has a library of components with detailed physical models,. Switch that is changed over by a cam attached to the cylinder rod. Fluidsim 6 is a simulation software for pneumatic,. Limit Switch Fluidsim.
From www.youtube.com
How to assign a physical position for a limit switch Pneumatics YouTube Limit Switch Fluidsim The switch changes back immediately when the cam has passed the. Limit switches, proximity switches, and mechanically operated valves can be activated by the piston of the cylinder. Switch that is changed over by a cam attached to the cylinder rod. From this fluidsim tutorial you will learn how to control the movement of the cylinder by using one way. Limit Switch Fluidsim.
From www.art-systems.de
FluidSIM 6 Limit Switch Fluidsim The switch changes back immediately when the cam has passed the. Switch that is changed over by a cam attached to the cylinder rod. The switch changes back immediately when the cam has passed the. From this fluidsim tutorial you will learn how to control the movement of the cylinder by using one way control valves. It has a library. Limit Switch Fluidsim.
From www.youtube.com
Limit switch Fluidsim YouTube Limit Switch Fluidsim It has a library of components with detailed physical models,. The switch changes back immediately when the cam has passed the. Fluidsim 6 is a simulation software for pneumatic, hydraulic and electrical systems. Switch that is changed over by a cam attached to the cylinder rod. From this fluidsim tutorial you will learn how to control the movement of the. Limit Switch Fluidsim.
From www.youtube.com
⚠️ Pneumatik Fluidsim Timer Rangkaian Pneumatik A+ B+ A/B YouTube Limit Switch Fluidsim It has a library of components with detailed physical models,. The switch changes back immediately when the cam has passed the. From this fluidsim tutorial you will learn how to control the movement of the cylinder by using one way control valves. Fluidsim 6 is a simulation software for pneumatic, hydraulic and electrical systems. The switch changes back immediately when. Limit Switch Fluidsim.
From www.youtube.com
Simulasi Sensor Limit Switch Menggunakan Festo FLuidsim YouTube Limit Switch Fluidsim Learning, teaching, and visualizing hydraulics 139 5.1 information. The switch changes back immediately when the cam has passed the. Limit switches, proximity switches, and mechanically operated valves can be activated by the piston of the cylinder. The switch changes back immediately when the cam has passed the. From this fluidsim tutorial you will learn how to control the movement of. Limit Switch Fluidsim.
From www.youtube.com
Fluidsim 1 Silinder dengan sensor proximity dan limit switch YouTube Limit Switch Fluidsim The switch changes back immediately when the cam has passed the. Learning, teaching, and visualizing hydraulics 139 5.1 information. Switch that is changed over by a cam attached to the cylinder rod. Fluidsim 6 is a simulation software for pneumatic, hydraulic and electrical systems. Limit switches, proximity switches, and mechanically operated valves can be activated by the piston of the. Limit Switch Fluidsim.
From www.researchgate.net
FluidSIM ® setup and description before simulation Download Limit Switch Fluidsim The switch changes back immediately when the cam has passed the. Switch that is changed over by a cam attached to the cylinder rod. The switch changes back immediately when the cam has passed the. Fluidsim 6 is a simulation software for pneumatic, hydraulic and electrical systems. Switch that is changed over by a cam attached to the cylinder rod.. Limit Switch Fluidsim.
From www.youtube.com
Festo FluidSIM Tutorial (Double Acting Cylinder Electrical Circuit Limit Switch Fluidsim It has a library of components with detailed physical models,. Learning, teaching, and visualizing hydraulics 139 5.1 information. Switch that is changed over by a cam attached to the cylinder rod. The switch changes back immediately when the cam has passed the. Limit switches, proximity switches, and mechanically operated valves can be activated by the piston of the cylinder. From. Limit Switch Fluidsim.
From www.youtube.com
Fluidsim circuit relay&switch concept YouTube Limit Switch Fluidsim Fluidsim 6 is a simulation software for pneumatic, hydraulic and electrical systems. From this fluidsim tutorial you will learn how to control the movement of the cylinder by using one way control valves. Switch that is changed over by a cam attached to the cylinder rod. Learning, teaching, and visualizing hydraulics 139 5.1 information. Switch that is changed over by. Limit Switch Fluidsim.
From holfday.weebly.com
Fluidsim hydraulic examples holfday Limit Switch Fluidsim Fluidsim 6 is a simulation software for pneumatic, hydraulic and electrical systems. Limit switches, proximity switches, and mechanically operated valves can be activated by the piston of the cylinder. Switch that is changed over by a cam attached to the cylinder rod. The switch changes back immediately when the cam has passed the. The switch changes back immediately when the. Limit Switch Fluidsim.
From www.youtube.com
Mengontrol dengan limit switch menggunakan double acting cylinder di Limit Switch Fluidsim From this fluidsim tutorial you will learn how to control the movement of the cylinder by using one way control valves. The switch changes back immediately when the cam has passed the. Switch that is changed over by a cam attached to the cylinder rod. Limit switches, proximity switches, and mechanically operated valves can be activated by the piston of. Limit Switch Fluidsim.
From www.youtube.com
FluidSim tutorial. Limit switches and one way control valves. YouTube Limit Switch Fluidsim Limit switches, proximity switches, and mechanically operated valves can be activated by the piston of the cylinder. From this fluidsim tutorial you will learn how to control the movement of the cylinder by using one way control valves. Learning, teaching, and visualizing hydraulics 139 5.1 information. Fluidsim 6 is a simulation software for pneumatic, hydraulic and electrical systems. The switch. Limit Switch Fluidsim.
From www.youtube.com
Fluidsim Actuator A+B+AB "Start and Stop" System YouTube Limit Switch Fluidsim Switch that is changed over by a cam attached to the cylinder rod. It has a library of components with detailed physical models,. From this fluidsim tutorial you will learn how to control the movement of the cylinder by using one way control valves. The switch changes back immediately when the cam has passed the. Fluidsim 6 is a simulation. Limit Switch Fluidsim.
From www.youtube.com
FluidSIM 5 pneumatics a recording from lab YouTube Limit Switch Fluidsim The switch changes back immediately when the cam has passed the. It has a library of components with detailed physical models,. Switch that is changed over by a cam attached to the cylinder rod. Fluidsim 6 is a simulation software for pneumatic, hydraulic and electrical systems. Switch that is changed over by a cam attached to the cylinder rod. The. Limit Switch Fluidsim.
From www.youtube.com
Practical Task2 FluidSIM ElectroPneumatics with limit/reed switch Limit Switch Fluidsim Learning, teaching, and visualizing hydraulics 139 5.1 information. Limit switches, proximity switches, and mechanically operated valves can be activated by the piston of the cylinder. It has a library of components with detailed physical models,. Switch that is changed over by a cam attached to the cylinder rod. From this fluidsim tutorial you will learn how to control the movement. Limit Switch Fluidsim.
From coretancad.blogspot.com
Tutorial fluidsim with electrical control MyCADBlogs Limit Switch Fluidsim From this fluidsim tutorial you will learn how to control the movement of the cylinder by using one way control valves. Learning, teaching, and visualizing hydraulics 139 5.1 information. The switch changes back immediately when the cam has passed the. Fluidsim 6 is a simulation software for pneumatic, hydraulic and electrical systems. Switch that is changed over by a cam. Limit Switch Fluidsim.
From pixelrz.com
Fluidsim Limit Switch Fluidsim Switch that is changed over by a cam attached to the cylinder rod. It has a library of components with detailed physical models,. The switch changes back immediately when the cam has passed the. From this fluidsim tutorial you will learn how to control the movement of the cylinder by using one way control valves. Learning, teaching, and visualizing hydraulics. Limit Switch Fluidsim.
From www.wiringdraw.com
Schematic Diagram Of Limit Switch Limit Switch Fluidsim Switch that is changed over by a cam attached to the cylinder rod. From this fluidsim tutorial you will learn how to control the movement of the cylinder by using one way control valves. Fluidsim 6 is a simulation software for pneumatic, hydraulic and electrical systems. It has a library of components with detailed physical models,. The switch changes back. Limit Switch Fluidsim.
From www.youtube.com
Tutorial FluidSIM pneumatic A+ B+ A B YouTube Limit Switch Fluidsim Switch that is changed over by a cam attached to the cylinder rod. It has a library of components with detailed physical models,. Fluidsim 6 is a simulation software for pneumatic, hydraulic and electrical systems. Limit switches, proximity switches, and mechanically operated valves can be activated by the piston of the cylinder. The switch changes back immediately when the cam. Limit Switch Fluidsim.
From www.youtube.com
Fluidsim Meter in Circuit with switch off delay Relay YouTube Limit Switch Fluidsim Switch that is changed over by a cam attached to the cylinder rod. Limit switches, proximity switches, and mechanically operated valves can be activated by the piston of the cylinder. Switch that is changed over by a cam attached to the cylinder rod. The switch changes back immediately when the cam has passed the. It has a library of components. Limit Switch Fluidsim.
From halongpearl.vn
FluidSim tutorial. Limit switches and one way control valves Limit Switch Fluidsim From this fluidsim tutorial you will learn how to control the movement of the cylinder by using one way control valves. Limit switches, proximity switches, and mechanically operated valves can be activated by the piston of the cylinder. Switch that is changed over by a cam attached to the cylinder rod. The switch changes back immediately when the cam has. Limit Switch Fluidsim.
From www.youtube.com
Limit Switch Sensor with Double Acting Cylinder Festo FluidSimP Limit Switch Fluidsim The switch changes back immediately when the cam has passed the. Limit switches, proximity switches, and mechanically operated valves can be activated by the piston of the cylinder. Learning, teaching, and visualizing hydraulics 139 5.1 information. Fluidsim 6 is a simulation software for pneumatic, hydraulic and electrical systems. It has a library of components with detailed physical models,. The switch. Limit Switch Fluidsim.
From engineerfix.com
A Full Guide To Limit Switches What They Are, Types, And Working Limit Switch Fluidsim Limit switches, proximity switches, and mechanically operated valves can be activated by the piston of the cylinder. Learning, teaching, and visualizing hydraulics 139 5.1 information. The switch changes back immediately when the cam has passed the. The switch changes back immediately when the cam has passed the. From this fluidsim tutorial you will learn how to control the movement of. Limit Switch Fluidsim.
From www.youtube.com
Practice 05 Pneumatic Control System with 3/2 Valve and Limit Limit Switch Fluidsim Switch that is changed over by a cam attached to the cylinder rod. Limit switches, proximity switches, and mechanically operated valves can be activated by the piston of the cylinder. It has a library of components with detailed physical models,. From this fluidsim tutorial you will learn how to control the movement of the cylinder by using one way control. Limit Switch Fluidsim.
From www.youtube.com
Como conectar un final de carrera eléctrico en FluidSIM YouTube Limit Switch Fluidsim Learning, teaching, and visualizing hydraulics 139 5.1 information. It has a library of components with detailed physical models,. From this fluidsim tutorial you will learn how to control the movement of the cylinder by using one way control valves. The switch changes back immediately when the cam has passed the. Switch that is changed over by a cam attached to. Limit Switch Fluidsim.
From www.youtube.com
fluidsim Peneuimatic circuit YouTube Limit Switch Fluidsim The switch changes back immediately when the cam has passed the. From this fluidsim tutorial you will learn how to control the movement of the cylinder by using one way control valves. Fluidsim 6 is a simulation software for pneumatic, hydraulic and electrical systems. It has a library of components with detailed physical models,. Switch that is changed over by. Limit Switch Fluidsim.
From www.coursehero.com
[Solved] Using Fluidsim design a relayschematic ladder diagram to Limit Switch Fluidsim It has a library of components with detailed physical models,. Switch that is changed over by a cam attached to the cylinder rod. Learning, teaching, and visualizing hydraulics 139 5.1 information. Fluidsim 6 is a simulation software for pneumatic, hydraulic and electrical systems. Limit switches, proximity switches, and mechanically operated valves can be activated by the piston of the cylinder.. Limit Switch Fluidsim.
From www.scoop.it
Simulador de neumática Fluidsim (incluye... Limit Switch Fluidsim Learning, teaching, and visualizing hydraulics 139 5.1 information. The switch changes back immediately when the cam has passed the. It has a library of components with detailed physical models,. Switch that is changed over by a cam attached to the cylinder rod. From this fluidsim tutorial you will learn how to control the movement of the cylinder by using one. Limit Switch Fluidsim.
From www.youtube.com
FluidSIM. Double acting cylinder control by 5/2way impulse valve Limit Switch Fluidsim Limit switches, proximity switches, and mechanically operated valves can be activated by the piston of the cylinder. Fluidsim 6 is a simulation software for pneumatic, hydraulic and electrical systems. The switch changes back immediately when the cam has passed the. From this fluidsim tutorial you will learn how to control the movement of the cylinder by using one way control. Limit Switch Fluidsim.
From www.researchgate.net
FluidSIM ® setup and description before simulation Download Limit Switch Fluidsim Limit switches, proximity switches, and mechanically operated valves can be activated by the piston of the cylinder. Learning, teaching, and visualizing hydraulics 139 5.1 information. Switch that is changed over by a cam attached to the cylinder rod. Switch that is changed over by a cam attached to the cylinder rod. The switch changes back immediately when the cam has. Limit Switch Fluidsim.
From www.youtube.com
Cara Membuat Rangkaian Pneumatic Limit Switch/Timer Pada Single/Double Limit Switch Fluidsim Switch that is changed over by a cam attached to the cylinder rod. The switch changes back immediately when the cam has passed the. It has a library of components with detailed physical models,. From this fluidsim tutorial you will learn how to control the movement of the cylinder by using one way control valves. The switch changes back immediately. Limit Switch Fluidsim.
From mecatronicojunior.blogspot.com
FluidSIM Simulador FESTO Limit Switch Fluidsim From this fluidsim tutorial you will learn how to control the movement of the cylinder by using one way control valves. Switch that is changed over by a cam attached to the cylinder rod. The switch changes back immediately when the cam has passed the. Learning, teaching, and visualizing hydraulics 139 5.1 information. It has a library of components with. Limit Switch Fluidsim.
From www.youtube.com
Tutorial! Fluidsim pneumatic satu silinder start maju dan mundur Limit Switch Fluidsim It has a library of components with detailed physical models,. The switch changes back immediately when the cam has passed the. From this fluidsim tutorial you will learn how to control the movement of the cylinder by using one way control valves. Limit switches, proximity switches, and mechanically operated valves can be activated by the piston of the cylinder. The. Limit Switch Fluidsim.