Resonant Circuit Load . In simple reactive circuits with little or no resistance, the effects of radically altered. the lc circuit behaves like a harmonic oscillator, akin to a pendulum swinging or water sloshing in a tank, which is why it’s called a tuned or. In this tutorial we will look at the. This implies that the power factor is unity at resonance. this frequency is known as the resonant frequency and is denoted by f0. the q, or quality, factor of a resonant circuit is a measure of the “goodness” or quality of a resonant circuit. The series resonant frequency, f0, is the frequency at which the magnitudes of the inductive and capacitive reactances are equal. a resonant circuit consists of r, l, and c elements and whose frequency response characteristic changes with changes in frequency. the series resonant circuit is a combination of frequency response characteristic similar to the one appearing in the figure to the.
from www.researchgate.net
This implies that the power factor is unity at resonance. a resonant circuit consists of r, l, and c elements and whose frequency response characteristic changes with changes in frequency. the series resonant circuit is a combination of frequency response characteristic similar to the one appearing in the figure to the. In this tutorial we will look at the. In simple reactive circuits with little or no resistance, the effects of radically altered. this frequency is known as the resonant frequency and is denoted by f0. the q, or quality, factor of a resonant circuit is a measure of the “goodness” or quality of a resonant circuit. the lc circuit behaves like a harmonic oscillator, akin to a pendulum swinging or water sloshing in a tank, which is why it’s called a tuned or. The series resonant frequency, f0, is the frequency at which the magnitudes of the inductive and capacitive reactances are equal.
Reactor cascade and basic load of a resonant circuit of fixed frequency
Resonant Circuit Load the lc circuit behaves like a harmonic oscillator, akin to a pendulum swinging or water sloshing in a tank, which is why it’s called a tuned or. a resonant circuit consists of r, l, and c elements and whose frequency response characteristic changes with changes in frequency. In simple reactive circuits with little or no resistance, the effects of radically altered. In this tutorial we will look at the. the lc circuit behaves like a harmonic oscillator, akin to a pendulum swinging or water sloshing in a tank, which is why it’s called a tuned or. this frequency is known as the resonant frequency and is denoted by f0. the series resonant circuit is a combination of frequency response characteristic similar to the one appearing in the figure to the. the q, or quality, factor of a resonant circuit is a measure of the “goodness” or quality of a resonant circuit. The series resonant frequency, f0, is the frequency at which the magnitudes of the inductive and capacitive reactances are equal. This implies that the power factor is unity at resonance.
From exobqneye.blob.core.windows.net
Resonant Circuit Examples at David Mosier blog Resonant Circuit Load the series resonant circuit is a combination of frequency response characteristic similar to the one appearing in the figure to the. The series resonant frequency, f0, is the frequency at which the magnitudes of the inductive and capacitive reactances are equal. In simple reactive circuits with little or no resistance, the effects of radically altered. this frequency is. Resonant Circuit Load.
From www.slideserve.com
PPT Resonant Circuits PowerPoint Presentation, free download ID6034432 Resonant Circuit Load In this tutorial we will look at the. In simple reactive circuits with little or no resistance, the effects of radically altered. this frequency is known as the resonant frequency and is denoted by f0. the q, or quality, factor of a resonant circuit is a measure of the “goodness” or quality of a resonant circuit. a. Resonant Circuit Load.
From www.researchgate.net
Resonant converter (a) ac equivalent circuit of the resonant tank; (b Resonant Circuit Load This implies that the power factor is unity at resonance. The series resonant frequency, f0, is the frequency at which the magnitudes of the inductive and capacitive reactances are equal. In this tutorial we will look at the. the series resonant circuit is a combination of frequency response characteristic similar to the one appearing in the figure to the.. Resonant Circuit Load.
From passive-components.eu
MLCCs in Wireless Power Transfer Resonant Circuits Resonant Circuit Load This implies that the power factor is unity at resonance. the q, or quality, factor of a resonant circuit is a measure of the “goodness” or quality of a resonant circuit. a resonant circuit consists of r, l, and c elements and whose frequency response characteristic changes with changes in frequency. The series resonant frequency, f0, is the. Resonant Circuit Load.
From www.researchgate.net
The resonant circuit involving ferrite bead and decoupling capacitor Resonant Circuit Load This implies that the power factor is unity at resonance. the series resonant circuit is a combination of frequency response characteristic similar to the one appearing in the figure to the. The series resonant frequency, f0, is the frequency at which the magnitudes of the inductive and capacitive reactances are equal. the q, or quality, factor of a. Resonant Circuit Load.
From www.researchgate.net
Reactor cascade and basic load of a resonant circuit of fixed frequency Resonant Circuit Load a resonant circuit consists of r, l, and c elements and whose frequency response characteristic changes with changes in frequency. this frequency is known as the resonant frequency and is denoted by f0. This implies that the power factor is unity at resonance. In this tutorial we will look at the. the series resonant circuit is a. Resonant Circuit Load.
From www.youtube.com
Resonant Circuits Understanding Resonant Circuits in Resonant Resonant Circuit Load In simple reactive circuits with little or no resistance, the effects of radically altered. This implies that the power factor is unity at resonance. the lc circuit behaves like a harmonic oscillator, akin to a pendulum swinging or water sloshing in a tank, which is why it’s called a tuned or. The series resonant frequency, f0, is the frequency. Resonant Circuit Load.
From www.youtube.com
DCDC Series Resonant Converter Resonant Load Converters Power Resonant Circuit Load the series resonant circuit is a combination of frequency response characteristic similar to the one appearing in the figure to the. This implies that the power factor is unity at resonance. the q, or quality, factor of a resonant circuit is a measure of the “goodness” or quality of a resonant circuit. a resonant circuit consists of. Resonant Circuit Load.
From www.chegg.com
Solved A series load resonant dcdc converter uses a full Resonant Circuit Load the lc circuit behaves like a harmonic oscillator, akin to a pendulum swinging or water sloshing in a tank, which is why it’s called a tuned or. the q, or quality, factor of a resonant circuit is a measure of the “goodness” or quality of a resonant circuit. this frequency is known as the resonant frequency and. Resonant Circuit Load.
From howelectrical.blogspot.com
SERIES RESONANT CIRCUIT HOW ELECTRICAL Resonant Circuit Load this frequency is known as the resonant frequency and is denoted by f0. a resonant circuit consists of r, l, and c elements and whose frequency response characteristic changes with changes in frequency. the q, or quality, factor of a resonant circuit is a measure of the “goodness” or quality of a resonant circuit. the series. Resonant Circuit Load.
From www.researchgate.net
(PDF) Stability in a parallel resonant circuit with active load Resonant Circuit Load In simple reactive circuits with little or no resistance, the effects of radically altered. This implies that the power factor is unity at resonance. a resonant circuit consists of r, l, and c elements and whose frequency response characteristic changes with changes in frequency. In this tutorial we will look at the. this frequency is known as the. Resonant Circuit Load.
From electrical-information.com
Q Factor of RLC Parallel Resonant Circuit Electrical Information Resonant Circuit Load the q, or quality, factor of a resonant circuit is a measure of the “goodness” or quality of a resonant circuit. This implies that the power factor is unity at resonance. this frequency is known as the resonant frequency and is denoted by f0. In this tutorial we will look at the. the lc circuit behaves like. Resonant Circuit Load.
From www.mdpi.com
Energies Free FullText Series RLC Resonant Circuit Used as Resonant Circuit Load This implies that the power factor is unity at resonance. the series resonant circuit is a combination of frequency response characteristic similar to the one appearing in the figure to the. this frequency is known as the resonant frequency and is denoted by f0. In this tutorial we will look at the. the q, or quality, factor. Resonant Circuit Load.
From www.researchgate.net
Equivalent circuit w.r.t series resonant circuit Download Scientific Resonant Circuit Load the lc circuit behaves like a harmonic oscillator, akin to a pendulum swinging or water sloshing in a tank, which is why it’s called a tuned or. the series resonant circuit is a combination of frequency response characteristic similar to the one appearing in the figure to the. In simple reactive circuits with little or no resistance, the. Resonant Circuit Load.
From electrical-information.com
RLC Series Resonant Circuit Electrical Information Resonant Circuit Load In this tutorial we will look at the. In simple reactive circuits with little or no resistance, the effects of radically altered. this frequency is known as the resonant frequency and is denoted by f0. the q, or quality, factor of a resonant circuit is a measure of the “goodness” or quality of a resonant circuit. the. Resonant Circuit Load.
From www.vrogue.co
Series Rlc Resonant Circuits Electronics Tutorials vrogue.co Resonant Circuit Load This implies that the power factor is unity at resonance. In this tutorial we will look at the. In simple reactive circuits with little or no resistance, the effects of radically altered. the q, or quality, factor of a resonant circuit is a measure of the “goodness” or quality of a resonant circuit. the series resonant circuit is. Resonant Circuit Load.
From www.mdpi.com
Energies Free FullText An Overview of Resonant Circuits for Resonant Circuit Load the lc circuit behaves like a harmonic oscillator, akin to a pendulum swinging or water sloshing in a tank, which is why it’s called a tuned or. the series resonant circuit is a combination of frequency response characteristic similar to the one appearing in the figure to the. this frequency is known as the resonant frequency and. Resonant Circuit Load.
From electrical-information.com
RLC Series Resonant Circuit Electrical Information Resonant Circuit Load In simple reactive circuits with little or no resistance, the effects of radically altered. the q, or quality, factor of a resonant circuit is a measure of the “goodness” or quality of a resonant circuit. the series resonant circuit is a combination of frequency response characteristic similar to the one appearing in the figure to the. the. Resonant Circuit Load.
From howelectrical.blogspot.com
SERIES RESONANT CIRCUIT HOW ELECTRICAL Resonant Circuit Load In this tutorial we will look at the. This implies that the power factor is unity at resonance. The series resonant frequency, f0, is the frequency at which the magnitudes of the inductive and capacitive reactances are equal. a resonant circuit consists of r, l, and c elements and whose frequency response characteristic changes with changes in frequency. In. Resonant Circuit Load.
From electrical-information.com
RLC Parallel Resonant Circuit Electrical Information Resonant Circuit Load a resonant circuit consists of r, l, and c elements and whose frequency response characteristic changes with changes in frequency. In simple reactive circuits with little or no resistance, the effects of radically altered. This implies that the power factor is unity at resonance. the lc circuit behaves like a harmonic oscillator, akin to a pendulum swinging or. Resonant Circuit Load.
From www.chegg.com
Parallel resonant circuit analysis. Reference Fig A. Resonant Circuit Load The series resonant frequency, f0, is the frequency at which the magnitudes of the inductive and capacitive reactances are equal. In this tutorial we will look at the. this frequency is known as the resonant frequency and is denoted by f0. the series resonant circuit is a combination of frequency response characteristic similar to the one appearing in. Resonant Circuit Load.
From www.researchgate.net
LLC resonant converter (a) Scheme of LLC resonant tank, (b) Zero Resonant Circuit Load the lc circuit behaves like a harmonic oscillator, akin to a pendulum swinging or water sloshing in a tank, which is why it’s called a tuned or. In this tutorial we will look at the. the series resonant circuit is a combination of frequency response characteristic similar to the one appearing in the figure to the. a. Resonant Circuit Load.
From www.researchgate.net
Typical waveforms of resonant circuit's voltage (VCr) and current (ILr Resonant Circuit Load the q, or quality, factor of a resonant circuit is a measure of the “goodness” or quality of a resonant circuit. the series resonant circuit is a combination of frequency response characteristic similar to the one appearing in the figure to the. this frequency is known as the resonant frequency and is denoted by f0. the. Resonant Circuit Load.
From brilliant.org
Resonant circuits Brilliant Math & Science Wiki Resonant Circuit Load a resonant circuit consists of r, l, and c elements and whose frequency response characteristic changes with changes in frequency. This implies that the power factor is unity at resonance. In this tutorial we will look at the. the series resonant circuit is a combination of frequency response characteristic similar to the one appearing in the figure to. Resonant Circuit Load.
From electrical-information.com
RLC Parallel Resonant Circuit Electrical Information Resonant Circuit Load This implies that the power factor is unity at resonance. the series resonant circuit is a combination of frequency response characteristic similar to the one appearing in the figure to the. the lc circuit behaves like a harmonic oscillator, akin to a pendulum swinging or water sloshing in a tank, which is why it’s called a tuned or.. Resonant Circuit Load.
From www.researchgate.net
Resonant circuit and its equivalent circuit with unipolar THI PWM Resonant Circuit Load This implies that the power factor is unity at resonance. In simple reactive circuits with little or no resistance, the effects of radically altered. a resonant circuit consists of r, l, and c elements and whose frequency response characteristic changes with changes in frequency. this frequency is known as the resonant frequency and is denoted by f0. The. Resonant Circuit Load.
From e2e.ti.com
Power Tips Get to know LLC series resonant converter design Power Resonant Circuit Load this frequency is known as the resonant frequency and is denoted by f0. This implies that the power factor is unity at resonance. the series resonant circuit is a combination of frequency response characteristic similar to the one appearing in the figure to the. In simple reactive circuits with little or no resistance, the effects of radically altered.. Resonant Circuit Load.
From www.researchgate.net
Load resonant current source inverter circuits with two different Resonant Circuit Load the lc circuit behaves like a harmonic oscillator, akin to a pendulum swinging or water sloshing in a tank, which is why it’s called a tuned or. In simple reactive circuits with little or no resistance, the effects of radically altered. This implies that the power factor is unity at resonance. the q, or quality, factor of a. Resonant Circuit Load.
From electrical-information.com
RLC Parallel Resonant Circuit Electrical Information Resonant Circuit Load the q, or quality, factor of a resonant circuit is a measure of the “goodness” or quality of a resonant circuit. This implies that the power factor is unity at resonance. a resonant circuit consists of r, l, and c elements and whose frequency response characteristic changes with changes in frequency. the series resonant circuit is a. Resonant Circuit Load.
From www.researchgate.net
Plot of the LLC resonant converter gain with detail of the operative Resonant Circuit Load the series resonant circuit is a combination of frequency response characteristic similar to the one appearing in the figure to the. the lc circuit behaves like a harmonic oscillator, akin to a pendulum swinging or water sloshing in a tank, which is why it’s called a tuned or. This implies that the power factor is unity at resonance.. Resonant Circuit Load.
From www.researchgate.net
Schematic of the resonant halfbridge switching mode inverter. The Resonant Circuit Load the q, or quality, factor of a resonant circuit is a measure of the “goodness” or quality of a resonant circuit. In this tutorial we will look at the. this frequency is known as the resonant frequency and is denoted by f0. This implies that the power factor is unity at resonance. the lc circuit behaves like. Resonant Circuit Load.
From www.slideserve.com
PPT Parallel LC Resonant Circuit PowerPoint Presentation, free Resonant Circuit Load The series resonant frequency, f0, is the frequency at which the magnitudes of the inductive and capacitive reactances are equal. this frequency is known as the resonant frequency and is denoted by f0. In this tutorial we will look at the. the lc circuit behaves like a harmonic oscillator, akin to a pendulum swinging or water sloshing in. Resonant Circuit Load.
From www.mdpi.com
Energies Free FullText An Overview of Resonant Circuits for Resonant Circuit Load The series resonant frequency, f0, is the frequency at which the magnitudes of the inductive and capacitive reactances are equal. In this tutorial we will look at the. In simple reactive circuits with little or no resistance, the effects of radically altered. This implies that the power factor is unity at resonance. the q, or quality, factor of a. Resonant Circuit Load.
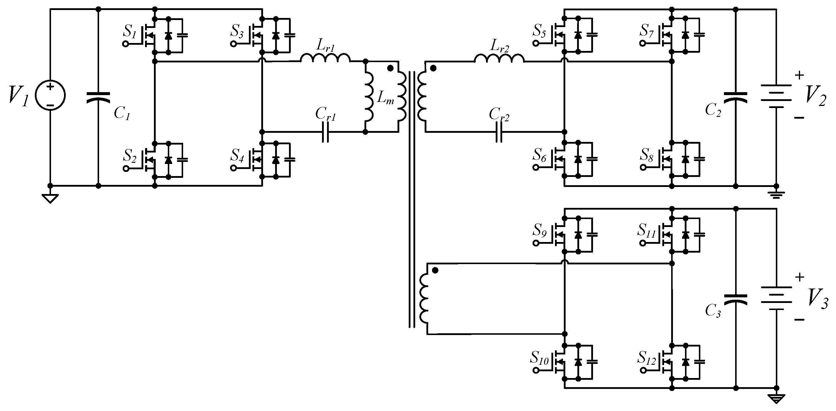
From www.mdpi.com
Energies Free FullText An Isolated ThreePort Power Converter with Resonant Circuit Load the series resonant circuit is a combination of frequency response characteristic similar to the one appearing in the figure to the. this frequency is known as the resonant frequency and is denoted by f0. The series resonant frequency, f0, is the frequency at which the magnitudes of the inductive and capacitive reactances are equal. This implies that the. Resonant Circuit Load.
From www.researchgate.net
Resonant circuit of Mode 2 (a) Resonant circuit, (b) Equivalent circuit Resonant Circuit Load The series resonant frequency, f0, is the frequency at which the magnitudes of the inductive and capacitive reactances are equal. In this tutorial we will look at the. In simple reactive circuits with little or no resistance, the effects of radically altered. this frequency is known as the resonant frequency and is denoted by f0. the q, or. Resonant Circuit Load.