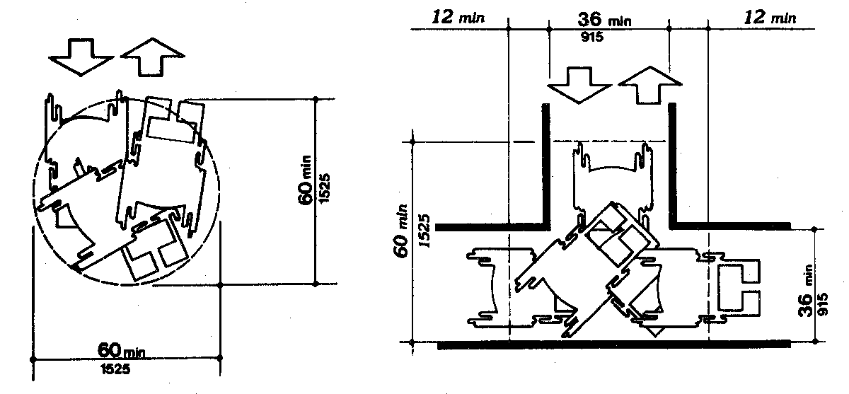
Hallway Clearance . The hallway runs in two directions. The minimum width of a residential hallway per section r311.6 of the 2021 international residential code is 3 feet. Hallway dimensions guide including public spaces & residential home hallway sizes, ambient lighting needed and runner rug sizes for hallways. Study this illustration to understand the key measurements that are important to hall design. Raised thresholds must be beveled with a slope no greater than 1:2. Exterior sliding doors are excepted and allowed to have a threshold of up to ¾” in height. To protect disabled, blind and visually impaired people from head injuries, the ada mandates that all hallways, passageways. Thresholds at accessible doorways cannot exceed ½” in height. Ada clearance for two doors in series. The standards require the clear floor space to be centered on wheelchair accessible drinking fountains (forward approach), kitchen work. Factors that should be considered when designing the width of a hallway include standards and required clearances first and foremost, followed by accessibility for all. What is the minimum width of a residential hallway?
from www.pinterest.com.mx
The hallway runs in two directions. Hallway dimensions guide including public spaces & residential home hallway sizes, ambient lighting needed and runner rug sizes for hallways. Thresholds at accessible doorways cannot exceed ½” in height. Exterior sliding doors are excepted and allowed to have a threshold of up to ¾” in height. What is the minimum width of a residential hallway? Study this illustration to understand the key measurements that are important to hall design. Raised thresholds must be beveled with a slope no greater than 1:2. The standards require the clear floor space to be centered on wheelchair accessible drinking fountains (forward approach), kitchen work. The minimum width of a residential hallway per section r311.6 of the 2021 international residential code is 3 feet. Ada clearance for two doors in series.
Charming Country Hallway
Hallway Clearance Exterior sliding doors are excepted and allowed to have a threshold of up to ¾” in height. What is the minimum width of a residential hallway? Ada clearance for two doors in series. Exterior sliding doors are excepted and allowed to have a threshold of up to ¾” in height. The standards require the clear floor space to be centered on wheelchair accessible drinking fountains (forward approach), kitchen work. Raised thresholds must be beveled with a slope no greater than 1:2. The hallway runs in two directions. The minimum width of a residential hallway per section r311.6 of the 2021 international residential code is 3 feet. Thresholds at accessible doorways cannot exceed ½” in height. To protect disabled, blind and visually impaired people from head injuries, the ada mandates that all hallways, passageways. Factors that should be considered when designing the width of a hallway include standards and required clearances first and foremost, followed by accessibility for all. Hallway dimensions guide including public spaces & residential home hallway sizes, ambient lighting needed and runner rug sizes for hallways. Study this illustration to understand the key measurements that are important to hall design.
From hellamaid.ca
The Best Way to Keep Your Hallways Clean and Tidy Hallway Clearance Exterior sliding doors are excepted and allowed to have a threshold of up to ¾” in height. The hallway runs in two directions. Hallway dimensions guide including public spaces & residential home hallway sizes, ambient lighting needed and runner rug sizes for hallways. To protect disabled, blind and visually impaired people from head injuries, the ada mandates that all hallways,. Hallway Clearance.
From www.youtube.com
AC 007 UPDATED!!! ADA Size and Clearance Requirements for Doors Hallway Clearance Thresholds at accessible doorways cannot exceed ½” in height. Factors that should be considered when designing the width of a hallway include standards and required clearances first and foremost, followed by accessibility for all. Study this illustration to understand the key measurements that are important to hall design. The standards require the clear floor space to be centered on wheelchair. Hallway Clearance.
From designingidea.com
Hallway Dimensions (Standard & Minimum Sizes) Designing Idea Hallway Clearance The standards require the clear floor space to be centered on wheelchair accessible drinking fountains (forward approach), kitchen work. Thresholds at accessible doorways cannot exceed ½” in height. The minimum width of a residential hallway per section r311.6 of the 2021 international residential code is 3 feet. What is the minimum width of a residential hallway? Exterior sliding doors are. Hallway Clearance.
From up.codes
Interior Accessible Route (Corridor) Over 200 Feet; Occupant Load 10 or Hallway Clearance The hallway runs in two directions. To protect disabled, blind and visually impaired people from head injuries, the ada mandates that all hallways, passageways. Raised thresholds must be beveled with a slope no greater than 1:2. Thresholds at accessible doorways cannot exceed ½” in height. Hallway dimensions guide including public spaces & residential home hallway sizes, ambient lighting needed and. Hallway Clearance.
From www.wallprotex.com
Guide to ADA Handrails Placement, Height, Clearance & More Hallway Clearance The minimum width of a residential hallway per section r311.6 of the 2021 international residential code is 3 feet. Raised thresholds must be beveled with a slope no greater than 1:2. What is the minimum width of a residential hallway? Factors that should be considered when designing the width of a hallway include standards and required clearances first and foremost,. Hallway Clearance.
From pezcame.com
Adaag Door Clearance & One Of The Most Common Designs Used Today Is The Hallway Clearance Exterior sliding doors are excepted and allowed to have a threshold of up to ¾” in height. To protect disabled, blind and visually impaired people from head injuries, the ada mandates that all hallways, passageways. Ada clearance for two doors in series. Factors that should be considered when designing the width of a hallway include standards and required clearances first. Hallway Clearance.
From www.floorstoredirect.ie
What is the Best Flooring for Hallways? Floor Store Direct Hallway Clearance To protect disabled, blind and visually impaired people from head injuries, the ada mandates that all hallways, passageways. The standards require the clear floor space to be centered on wheelchair accessible drinking fountains (forward approach), kitchen work. Ada clearance for two doors in series. Factors that should be considered when designing the width of a hallway include standards and required. Hallway Clearance.
From www.archdaily.com
Gallery of A Simple Guide to Using the ADA Standards for Accessible Hallway Clearance The minimum width of a residential hallway per section r311.6 of the 2021 international residential code is 3 feet. Study this illustration to understand the key measurements that are important to hall design. Ada clearance for two doors in series. To protect disabled, blind and visually impaired people from head injuries, the ada mandates that all hallways, passageways. Hallway dimensions. Hallway Clearance.
From www.dewberry.com
Interior Design Accessible, Purposeful, and Universal Hallway Clearance Ada clearance for two doors in series. What is the minimum width of a residential hallway? To protect disabled, blind and visually impaired people from head injuries, the ada mandates that all hallways, passageways. The standards require the clear floor space to be centered on wheelchair accessible drinking fountains (forward approach), kitchen work. Study this illustration to understand the key. Hallway Clearance.
From www.pinterest.ca
49+ Unique Ideal Height Corridor Home Decor and Garden Ideas Hallway Clearance The standards require the clear floor space to be centered on wheelchair accessible drinking fountains (forward approach), kitchen work. To protect disabled, blind and visually impaired people from head injuries, the ada mandates that all hallways, passageways. Raised thresholds must be beveled with a slope no greater than 1:2. Ada clearance for two doors in series. Study this illustration to. Hallway Clearance.
From designingidea.com
Hallway Dimensions (Standard & Minimum Sizes) Designing Idea Hallway Clearance Hallway dimensions guide including public spaces & residential home hallway sizes, ambient lighting needed and runner rug sizes for hallways. Thresholds at accessible doorways cannot exceed ½” in height. Study this illustration to understand the key measurements that are important to hall design. To protect disabled, blind and visually impaired people from head injuries, the ada mandates that all hallways,. Hallway Clearance.
From adata.org
A Planning Guide for Making Temporary Events Accessible to People With Hallway Clearance The hallway runs in two directions. The standards require the clear floor space to be centered on wheelchair accessible drinking fountains (forward approach), kitchen work. Factors that should be considered when designing the width of a hallway include standards and required clearances first and foremost, followed by accessibility for all. The minimum width of a residential hallway per section r311.6. Hallway Clearance.
From ecfurniture.co.uk
Bespoke Hallway Storage Unit Edmunds & Clarke Furniture Ltd Hallway Clearance Exterior sliding doors are excepted and allowed to have a threshold of up to ¾” in height. The minimum width of a residential hallway per section r311.6 of the 2021 international residential code is 3 feet. To protect disabled, blind and visually impaired people from head injuries, the ada mandates that all hallways, passageways. Ada clearance for two doors in. Hallway Clearance.
From ecfurniture.co.uk
Bespoke Hallway Storage Unit Edmunds & Clarke Furniture Ltd Hallway Clearance Hallway dimensions guide including public spaces & residential home hallway sizes, ambient lighting needed and runner rug sizes for hallways. Raised thresholds must be beveled with a slope no greater than 1:2. The standards require the clear floor space to be centered on wheelchair accessible drinking fountains (forward approach), kitchen work. The hallway runs in two directions. The minimum width. Hallway Clearance.
From perriconedesign-designworks.blogspot.com
Perricone Design Design Works Universal Design Hallway Clearance Study this illustration to understand the key measurements that are important to hall design. The standards require the clear floor space to be centered on wheelchair accessible drinking fountains (forward approach), kitchen work. Exterior sliding doors are excepted and allowed to have a threshold of up to ¾” in height. Ada clearance for two doors in series. Factors that should. Hallway Clearance.
From www.self-build.co.uk
Guide to Designing a Hallway Build It Hallway Clearance Hallway dimensions guide including public spaces & residential home hallway sizes, ambient lighting needed and runner rug sizes for hallways. Raised thresholds must be beveled with a slope no greater than 1:2. Study this illustration to understand the key measurements that are important to hall design. Exterior sliding doors are excepted and allowed to have a threshold of up to. Hallway Clearance.
From www.pittsburghparent.com
The ultimate guide to create a wheelchairaccessible home Pittsburgh Hallway Clearance What is the minimum width of a residential hallway? The standards require the clear floor space to be centered on wheelchair accessible drinking fountains (forward approach), kitchen work. Thresholds at accessible doorways cannot exceed ½” in height. Hallway dimensions guide including public spaces & residential home hallway sizes, ambient lighting needed and runner rug sizes for hallways. Raised thresholds must. Hallway Clearance.
From www.dimensions.com
Corridor & Hallway Layouts Dimensions & Drawings Hallway Clearance Raised thresholds must be beveled with a slope no greater than 1:2. Thresholds at accessible doorways cannot exceed ½” in height. Factors that should be considered when designing the width of a hallway include standards and required clearances first and foremost, followed by accessibility for all. To protect disabled, blind and visually impaired people from head injuries, the ada mandates. Hallway Clearance.
From www.reddit.com
Back hallway, door clearance help DIY Hallway Clearance Ada clearance for two doors in series. Raised thresholds must be beveled with a slope no greater than 1:2. Exterior sliding doors are excepted and allowed to have a threshold of up to ¾” in height. The standards require the clear floor space to be centered on wheelchair accessible drinking fountains (forward approach), kitchen work. Hallway dimensions guide including public. Hallway Clearance.
From www.debbie-debbiedoos.com
Hallway Dimensions Guide Comfort and Functionality Hallway Clearance Ada clearance for two doors in series. The hallway runs in two directions. Thresholds at accessible doorways cannot exceed ½” in height. Factors that should be considered when designing the width of a hallway include standards and required clearances first and foremost, followed by accessibility for all. Raised thresholds must be beveled with a slope no greater than 1:2. Study. Hallway Clearance.
From homedecorbliss.com
How Wide Should A Hallway Be? Hallway Clearance The hallway runs in two directions. Ada clearance for two doors in series. The standards require the clear floor space to be centered on wheelchair accessible drinking fountains (forward approach), kitchen work. The minimum width of a residential hallway per section r311.6 of the 2021 international residential code is 3 feet. To protect disabled, blind and visually impaired people from. Hallway Clearance.
From www.designswan.com
Tips for Making Your Hallway Look Wider Design Swan Hallway Clearance The minimum width of a residential hallway per section r311.6 of the 2021 international residential code is 3 feet. What is the minimum width of a residential hallway? Factors that should be considered when designing the width of a hallway include standards and required clearances first and foremost, followed by accessibility for all. Hallway dimensions guide including public spaces &. Hallway Clearance.
From designingidea.com
Hallway Dimensions (Standard & Minimum Sizes) Designing Idea Hallway Clearance Raised thresholds must be beveled with a slope no greater than 1:2. Hallway dimensions guide including public spaces & residential home hallway sizes, ambient lighting needed and runner rug sizes for hallways. To protect disabled, blind and visually impaired people from head injuries, the ada mandates that all hallways, passageways. The minimum width of a residential hallway per section r311.6. Hallway Clearance.
From www.therugseller.co.uk
Bargains on Clearance Hallway Runners Hallway Clearance Study this illustration to understand the key measurements that are important to hall design. The minimum width of a residential hallway per section r311.6 of the 2021 international residential code is 3 feet. The standards require the clear floor space to be centered on wheelchair accessible drinking fountains (forward approach), kitchen work. What is the minimum width of a residential. Hallway Clearance.
From themprojects.com
The Best Hallway Runners 12 Feet Hallway Clearance Thresholds at accessible doorways cannot exceed ½” in height. Raised thresholds must be beveled with a slope no greater than 1:2. Factors that should be considered when designing the width of a hallway include standards and required clearances first and foremost, followed by accessibility for all. The minimum width of a residential hallway per section r311.6 of the 2021 international. Hallway Clearance.
From www.newprocontainers.com
How to Design ADA Compliant Living Green Walls NewPro Hallway Clearance The standards require the clear floor space to be centered on wheelchair accessible drinking fountains (forward approach), kitchen work. The hallway runs in two directions. Thresholds at accessible doorways cannot exceed ½” in height. Study this illustration to understand the key measurements that are important to hall design. Exterior sliding doors are excepted and allowed to have a threshold of. Hallway Clearance.
From www.1800wheelchair.ca
How Wide Does a Doorway Need to be for a Wheelchair? Hallway Clearance The minimum width of a residential hallway per section r311.6 of the 2021 international residential code is 3 feet. Factors that should be considered when designing the width of a hallway include standards and required clearances first and foremost, followed by accessibility for all. Raised thresholds must be beveled with a slope no greater than 1:2. The standards require the. Hallway Clearance.
From www.gumtree.com
Country House Clearance Hallway Chez Longue with storage in Hallway Clearance Ada clearance for two doors in series. Thresholds at accessible doorways cannot exceed ½” in height. To protect disabled, blind and visually impaired people from head injuries, the ada mandates that all hallways, passageways. Factors that should be considered when designing the width of a hallway include standards and required clearances first and foremost, followed by accessibility for all. The. Hallway Clearance.
From design-tips.floorplanner.com
The width of a hallway Design Tips Hallway Clearance Thresholds at accessible doorways cannot exceed ½” in height. The hallway runs in two directions. What is the minimum width of a residential hallway? Raised thresholds must be beveled with a slope no greater than 1:2. Factors that should be considered when designing the width of a hallway include standards and required clearances first and foremost, followed by accessibility for. Hallway Clearance.
From www.dimensions.com
Corridor & Hallway Layouts Dimensions & Drawings Hallway Clearance Thresholds at accessible doorways cannot exceed ½” in height. Study this illustration to understand the key measurements that are important to hall design. To protect disabled, blind and visually impaired people from head injuries, the ada mandates that all hallways, passageways. Factors that should be considered when designing the width of a hallway include standards and required clearances first and. Hallway Clearance.
From www.worcestershirewasteservices.co.uk
Office Clearance and Recycling Worcestershire Waste Services Hallway Clearance Factors that should be considered when designing the width of a hallway include standards and required clearances first and foremost, followed by accessibility for all. What is the minimum width of a residential hallway? Study this illustration to understand the key measurements that are important to hall design. Raised thresholds must be beveled with a slope no greater than 1:2.. Hallway Clearance.
From design-tips.floorplanner.com
The width of a hallway accessible by wheelchair. Design Tips Hallway Clearance Hallway dimensions guide including public spaces & residential home hallway sizes, ambient lighting needed and runner rug sizes for hallways. The minimum width of a residential hallway per section r311.6 of the 2021 international residential code is 3 feet. What is the minimum width of a residential hallway? The standards require the clear floor space to be centered on wheelchair. Hallway Clearance.
From www.saferhomestandards.com
criteria4hallways SAFERhome Standards Society Hallway Clearance Raised thresholds must be beveled with a slope no greater than 1:2. To protect disabled, blind and visually impaired people from head injuries, the ada mandates that all hallways, passageways. The minimum width of a residential hallway per section r311.6 of the 2021 international residential code is 3 feet. The standards require the clear floor space to be centered on. Hallway Clearance.
From www.pinterest.com.mx
Charming Country Hallway Hallway Clearance The standards require the clear floor space to be centered on wheelchair accessible drinking fountains (forward approach), kitchen work. Thresholds at accessible doorways cannot exceed ½” in height. Ada clearance for two doors in series. Raised thresholds must be beveled with a slope no greater than 1:2. What is the minimum width of a residential hallway? Hallway dimensions guide including. Hallway Clearance.