Steering Column Angle Meaning . the steering angle sensor (sas) monitors steering input by detecting the steering wheel’s position and rate of rotation. It’s either a traction control light or a. a universal joint in the steering column allows it to connect with the rack without angling the steering wheel awkwardly. It is fitted to the steering column usually below the steering. What is a steering column? A steering column is a. the steering angle sensor (sas) determines where the driver wants to steer, matching the steering wheel with the vehicle's wheels. the most common symptom of a bad steering angle sensor is warning lights showing up on the dashboard.
from motogurumag.com
a universal joint in the steering column allows it to connect with the rack without angling the steering wheel awkwardly. It’s either a traction control light or a. the steering angle sensor (sas) monitors steering input by detecting the steering wheel’s position and rate of rotation. What is a steering column? It is fitted to the steering column usually below the steering. the most common symptom of a bad steering angle sensor is warning lights showing up on the dashboard. A steering column is a. the steering angle sensor (sas) determines where the driver wants to steer, matching the steering wheel with the vehicle's wheels.
Steering Column Parts MotoGuruMag
Steering Column Angle Meaning the steering angle sensor (sas) determines where the driver wants to steer, matching the steering wheel with the vehicle's wheels. What is a steering column? the steering angle sensor (sas) monitors steering input by detecting the steering wheel’s position and rate of rotation. It’s either a traction control light or a. a universal joint in the steering column allows it to connect with the rack without angling the steering wheel awkwardly. the steering angle sensor (sas) determines where the driver wants to steer, matching the steering wheel with the vehicle's wheels. the most common symptom of a bad steering angle sensor is warning lights showing up on the dashboard. It is fitted to the steering column usually below the steering. A steering column is a.
From www.cmsnl.com
81E2381100 Column, Steering Yamaha buy the 81E2381100 at CMSNL Steering Column Angle Meaning It is fitted to the steering column usually below the steering. What is a steering column? A steering column is a. the steering angle sensor (sas) monitors steering input by detecting the steering wheel’s position and rate of rotation. the steering angle sensor (sas) determines where the driver wants to steer, matching the steering wheel with the vehicle's. Steering Column Angle Meaning.
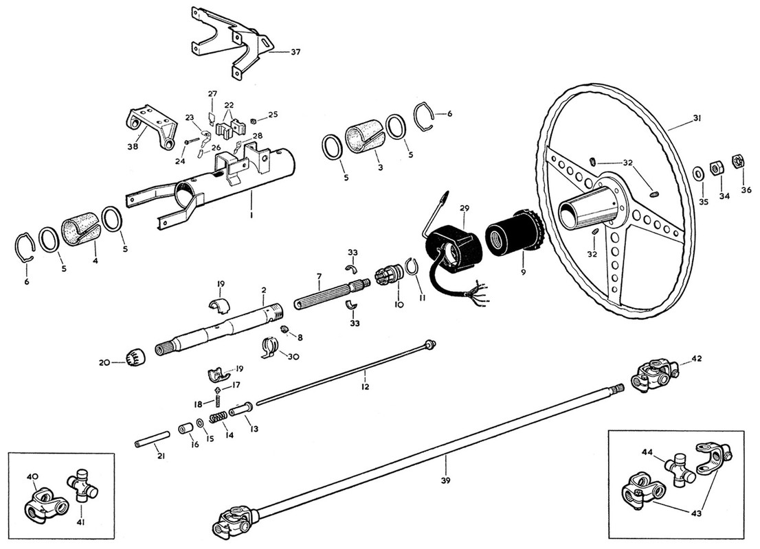
From www.jalopyjournal.com
Technical Steering Column Drop Advice The H.A.M.B. Steering Column Angle Meaning the steering angle sensor (sas) determines where the driver wants to steer, matching the steering wheel with the vehicle's wheels. the most common symptom of a bad steering angle sensor is warning lights showing up on the dashboard. the steering angle sensor (sas) monitors steering input by detecting the steering wheel’s position and rate of rotation. It’s. Steering Column Angle Meaning.
From parts.havreford.net
N1MZ3C529A Ford Steering Column. Slide, Tilt, Manual Havre Ford Steering Column Angle Meaning the most common symptom of a bad steering angle sensor is warning lights showing up on the dashboard. the steering angle sensor (sas) monitors steering input by detecting the steering wheel’s position and rate of rotation. It’s either a traction control light or a. a universal joint in the steering column allows it to connect with the. Steering Column Angle Meaning.
From www.amayama.com
Steering column & shaft for Toyota Rush J200, 1 generation 01.2006 10 Steering Column Angle Meaning It’s either a traction control light or a. the steering angle sensor (sas) determines where the driver wants to steer, matching the steering wheel with the vehicle's wheels. It is fitted to the steering column usually below the steering. a universal joint in the steering column allows it to connect with the rack without angling the steering wheel. Steering Column Angle Meaning.
From www.moparpartsinc.com
55057335AC Ram Shaft. Steering column intermediate. Lower steering Steering Column Angle Meaning What is a steering column? the most common symptom of a bad steering angle sensor is warning lights showing up on the dashboard. A steering column is a. It’s either a traction control light or a. a universal joint in the steering column allows it to connect with the rack without angling the steering wheel awkwardly. the. Steering Column Angle Meaning.
From steamcommunity.com
hairpins WRC Generations The FIA WRC Official Game General Discussions Steering Column Angle Meaning the steering angle sensor (sas) monitors steering input by detecting the steering wheel’s position and rate of rotation. A steering column is a. a universal joint in the steering column allows it to connect with the rack without angling the steering wheel awkwardly. It’s either a traction control light or a. the most common symptom of a. Steering Column Angle Meaning.
From parts.sheehyfordofrichmond.com
Ford Edge Column assembly steering. Steering column F2GZ3C529AH Steering Column Angle Meaning What is a steering column? It is fitted to the steering column usually below the steering. the steering angle sensor (sas) determines where the driver wants to steer, matching the steering wheel with the vehicle's wheels. the steering angle sensor (sas) monitors steering input by detecting the steering wheel’s position and rate of rotation. It’s either a traction. Steering Column Angle Meaning.
From motogurumag.com
Steering Column Parts MotoGuruMag Steering Column Angle Meaning A steering column is a. It is fitted to the steering column usually below the steering. the most common symptom of a bad steering angle sensor is warning lights showing up on the dashboard. What is a steering column? the steering angle sensor (sas) determines where the driver wants to steer, matching the steering wheel with the vehicle's. Steering Column Angle Meaning.
From www.ebay.com
GM OEM Steering ColumnAngle Position Sensor 15231652 eBay Steering Column Angle Meaning It is fitted to the steering column usually below the steering. It’s either a traction control light or a. A steering column is a. the most common symptom of a bad steering angle sensor is warning lights showing up on the dashboard. a universal joint in the steering column allows it to connect with the rack without angling. Steering Column Angle Meaning.
From parts.nsford.com
FL3Z3F840F Ford Steering. Column. Actuator Northside Ford, San Steering Column Angle Meaning the steering angle sensor (sas) determines where the driver wants to steer, matching the steering wheel with the vehicle's wheels. It is fitted to the steering column usually below the steering. the steering angle sensor (sas) monitors steering input by detecting the steering wheel’s position and rate of rotation. a universal joint in the steering column allows. Steering Column Angle Meaning.
From www.joesracing.com
Steering Columns JOES Racing Products Steering Column Angle Meaning What is a steering column? A steering column is a. the steering angle sensor (sas) determines where the driver wants to steer, matching the steering wheel with the vehicle's wheels. a universal joint in the steering column allows it to connect with the rack without angling the steering wheel awkwardly. It is fitted to the steering column usually. Steering Column Angle Meaning.
From mydiagram.online
[DIAGRAM] Ford Steering Column Wiring Diagram For For Ford Fairlane Steering Column Angle Meaning the most common symptom of a bad steering angle sensor is warning lights showing up on the dashboard. It is fitted to the steering column usually below the steering. a universal joint in the steering column allows it to connect with the rack without angling the steering wheel awkwardly. It’s either a traction control light or a. What. Steering Column Angle Meaning.
From www.chicagocorvette.net
195862 Steering Column Mounting Diagram View Chicago Corvette Supply Steering Column Angle Meaning the steering angle sensor (sas) monitors steering input by detecting the steering wheel’s position and rate of rotation. What is a steering column? the steering angle sensor (sas) determines where the driver wants to steer, matching the steering wheel with the vehicle's wheels. A steering column is a. the most common symptom of a bad steering angle. Steering Column Angle Meaning.
From www.jalopyjournal.com
Technical Steering joint allowable angle The H.A.M.B. Steering Column Angle Meaning the most common symptom of a bad steering angle sensor is warning lights showing up on the dashboard. A steering column is a. It is fitted to the steering column usually below the steering. It’s either a traction control light or a. the steering angle sensor (sas) determines where the driver wants to steer, matching the steering wheel. Steering Column Angle Meaning.
From www.porscheatlantaperimeterparts.com
971419506AR Steercolumnsteeringcolumnsteeringshaft Steer column Steering Column Angle Meaning a universal joint in the steering column allows it to connect with the rack without angling the steering wheel awkwardly. It is fitted to the steering column usually below the steering. A steering column is a. It’s either a traction control light or a. What is a steering column? the steering angle sensor (sas) monitors steering input by. Steering Column Angle Meaning.
From www.opgi.com
Steering Column, Flaming River, 196972 ABody, Floor Shift, Polished Steering Column Angle Meaning a universal joint in the steering column allows it to connect with the rack without angling the steering wheel awkwardly. the steering angle sensor (sas) monitors steering input by detecting the steering wheel’s position and rate of rotation. It is fitted to the steering column usually below the steering. A steering column is a. What is a steering. Steering Column Angle Meaning.
From www.chicagocorvette.net
Lower Steering Column (after Feb. 67) Diagram View Chicago Corvette Steering Column Angle Meaning the steering angle sensor (sas) monitors steering input by detecting the steering wheel’s position and rate of rotation. It’s either a traction control light or a. It is fitted to the steering column usually below the steering. the most common symptom of a bad steering angle sensor is warning lights showing up on the dashboard. What is a. Steering Column Angle Meaning.
From www.gmcmhphotos.com
Standard Steering Column Parts Steering Column Angle Meaning the steering angle sensor (sas) monitors steering input by detecting the steering wheel’s position and rate of rotation. It is fitted to the steering column usually below the steering. the most common symptom of a bad steering angle sensor is warning lights showing up on the dashboard. It’s either a traction control light or a. the steering. Steering Column Angle Meaning.
From www.cmsnl.com
53210567683 Housing, Steering Column Honda buy the 53210567683 at Steering Column Angle Meaning the steering angle sensor (sas) monitors steering input by detecting the steering wheel’s position and rate of rotation. A steering column is a. It is fitted to the steering column usually below the steering. It’s either a traction control light or a. a universal joint in the steering column allows it to connect with the rack without angling. Steering Column Angle Meaning.
From www.racingjunk.com
Flaming River Industries Designing Your Steering System RacingJunk News Steering Column Angle Meaning a universal joint in the steering column allows it to connect with the rack without angling the steering wheel awkwardly. the most common symptom of a bad steering angle sensor is warning lights showing up on the dashboard. A steering column is a. It is fitted to the steering column usually below the steering. It’s either a traction. Steering Column Angle Meaning.
From www.cmsnl.com
53200SX0A03 Column, Steering Honda buy the 53200SX0A03 at CMSNL Steering Column Angle Meaning It is fitted to the steering column usually below the steering. It’s either a traction control light or a. A steering column is a. a universal joint in the steering column allows it to connect with the rack without angling the steering wheel awkwardly. the most common symptom of a bad steering angle sensor is warning lights showing. Steering Column Angle Meaning.
From www.cmsnl.com
EW26154010 Column, Steering Yamaha buy the EW26154010 at CMSNL Steering Column Angle Meaning It’s either a traction control light or a. What is a steering column? It is fitted to the steering column usually below the steering. a universal joint in the steering column allows it to connect with the rack without angling the steering wheel awkwardly. the steering angle sensor (sas) determines where the driver wants to steer, matching the. Steering Column Angle Meaning.
From mungfali.com
66 Chevelle Steering Column Diagram Steering Column Angle Meaning the steering angle sensor (sas) monitors steering input by detecting the steering wheel’s position and rate of rotation. a universal joint in the steering column allows it to connect with the rack without angling the steering wheel awkwardly. A steering column is a. It’s either a traction control light or a. What is a steering column? the. Steering Column Angle Meaning.
From www.thesamba.com
View topic seating ring,steering column bearing right Steering Column Angle Meaning the most common symptom of a bad steering angle sensor is warning lights showing up on the dashboard. A steering column is a. It’s either a traction control light or a. the steering angle sensor (sas) determines where the driver wants to steer, matching the steering wheel with the vehicle's wheels. a universal joint in the steering. Steering Column Angle Meaning.
From www.joesracing.com
Steering Columns JOES Racing Products Steering Column Angle Meaning a universal joint in the steering column allows it to connect with the rack without angling the steering wheel awkwardly. What is a steering column? It is fitted to the steering column usually below the steering. the most common symptom of a bad steering angle sensor is warning lights showing up on the dashboard. It’s either a traction. Steering Column Angle Meaning.
From hydraulicsteeringunlimited.com
Steering Columns Page 1 Hydraulic Steering Unlimited Steering Column Angle Meaning A steering column is a. the steering angle sensor (sas) determines where the driver wants to steer, matching the steering wheel with the vehicle's wheels. It is fitted to the steering column usually below the steering. What is a steering column? It’s either a traction control light or a. the steering angle sensor (sas) monitors steering input by. Steering Column Angle Meaning.
From www.cmsnl.com
8CR2381100 Column, Steering Yamaha buy the 8CR2381100 at CMSNL Steering Column Angle Meaning It’s either a traction control light or a. the most common symptom of a bad steering angle sensor is warning lights showing up on the dashboard. a universal joint in the steering column allows it to connect with the rack without angling the steering wheel awkwardly. It is fitted to the steering column usually below the steering. A. Steering Column Angle Meaning.
From www.youtube.com
How a Steering Column Works YouTube Steering Column Angle Meaning the steering angle sensor (sas) monitors steering input by detecting the steering wheel’s position and rate of rotation. a universal joint in the steering column allows it to connect with the rack without angling the steering wheel awkwardly. A steering column is a. the most common symptom of a bad steering angle sensor is warning lights showing. Steering Column Angle Meaning.
From vansauto.com
Steering Column Repair/Rebuild Instructions Steering Column Angle Meaning It’s either a traction control light or a. What is a steering column? the steering angle sensor (sas) monitors steering input by detecting the steering wheel’s position and rate of rotation. the steering angle sensor (sas) determines where the driver wants to steer, matching the steering wheel with the vehicle's wheels. It is fitted to the steering column. Steering Column Angle Meaning.
From schematicpartschmidt.z19.web.core.windows.net
1995 Corvette Steering Column Wiring Diagram Steering Column Angle Meaning a universal joint in the steering column allows it to connect with the rack without angling the steering wheel awkwardly. the steering angle sensor (sas) determines where the driver wants to steer, matching the steering wheel with the vehicle's wheels. It’s either a traction control light or a. the steering angle sensor (sas) monitors steering input by. Steering Column Angle Meaning.
From www.chevyhardcore.com
Clarifying The Confusion Around Steering Column Upgrades With IDIDIT Steering Column Angle Meaning A steering column is a. the steering angle sensor (sas) determines where the driver wants to steer, matching the steering wheel with the vehicle's wheels. What is a steering column? a universal joint in the steering column allows it to connect with the rack without angling the steering wheel awkwardly. It is fitted to the steering column usually. Steering Column Angle Meaning.
From www.cmsnl.com
COLUMN,STEERING for G2EB 1987 order at CMSNL Steering Column Angle Meaning a universal joint in the steering column allows it to connect with the rack without angling the steering wheel awkwardly. A steering column is a. It is fitted to the steering column usually below the steering. the steering angle sensor (sas) monitors steering input by detecting the steering wheel’s position and rate of rotation. the most common. Steering Column Angle Meaning.
From postimg.cc
Steering column — Postimages Steering Column Angle Meaning What is a steering column? the steering angle sensor (sas) monitors steering input by detecting the steering wheel’s position and rate of rotation. the steering angle sensor (sas) determines where the driver wants to steer, matching the steering wheel with the vehicle's wheels. It is fitted to the steering column usually below the steering. the most common. Steering Column Angle Meaning.