Resistor Network Calculation . resistors are in parallel when one end of all the resistors are connected by a continuous wire of negligible resistance and the other end of all the resistors are. the resistance of two resistors in series is given by r_ (net, series)=r_1+r_2, (1) and of two resistors. resistors in parallel always result in an equivalent resistance that is lower than the resistance of each individual resistor. Use this calculator to determine the total resistance of a network. this parallel resistor calculator is a tool for determining the equivalent resistance of a circuit with up. Resistors in series, on the other. the total resistance rt across the two terminals a and b is calculated as: This method of reciprocal calculation can be used for calculating. what if we want to connect various resistors together in “both” parallel and series combinations within the same.
from tutorbin.com
the resistance of two resistors in series is given by r_ (net, series)=r_1+r_2, (1) and of two resistors. what if we want to connect various resistors together in “both” parallel and series combinations within the same. the total resistance rt across the two terminals a and b is calculated as: Use this calculator to determine the total resistance of a network. This method of reciprocal calculation can be used for calculating. Resistors in series, on the other. resistors are in parallel when one end of all the resistors are connected by a continuous wire of negligible resistance and the other end of all the resistors are. resistors in parallel always result in an equivalent resistance that is lower than the resistance of each individual resistor. this parallel resistor calculator is a tool for determining the equivalent resistance of a circuit with up.
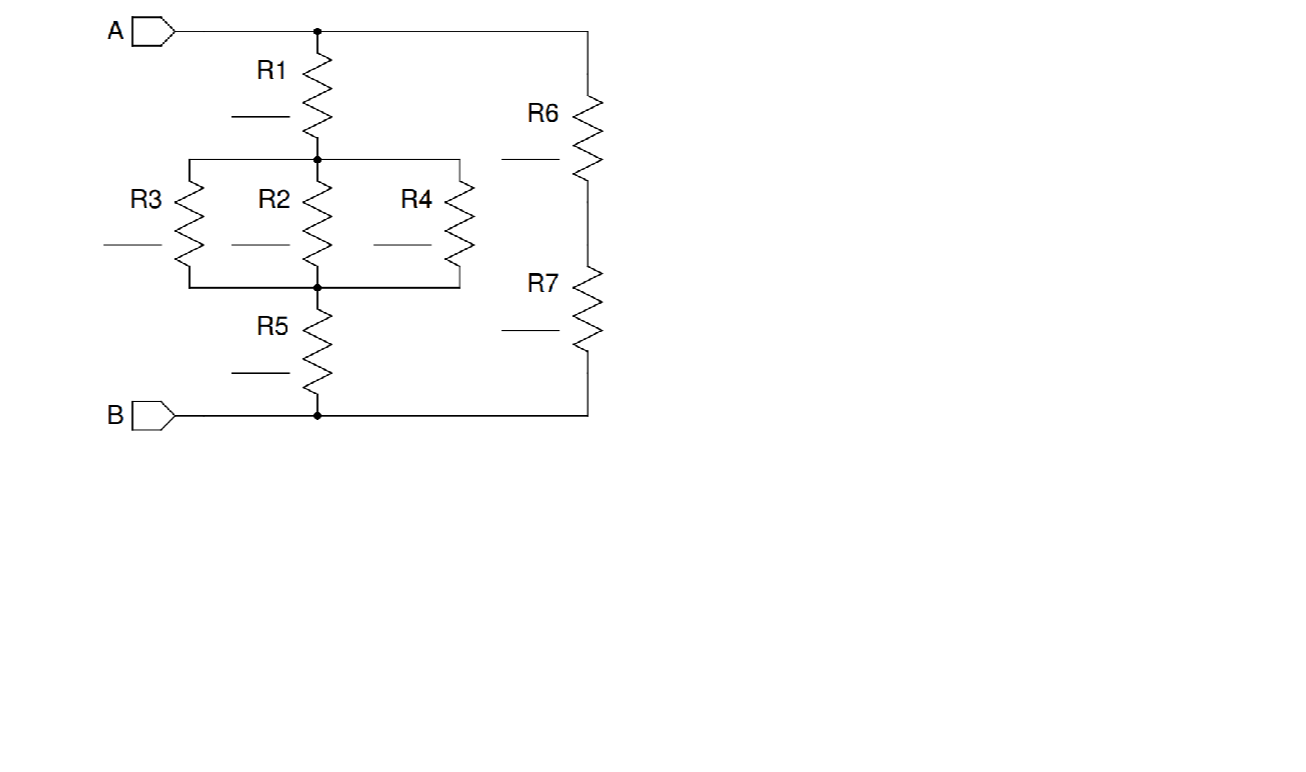
Solved Simplify the following resistor network to find the equivalent
Resistor Network Calculation This method of reciprocal calculation can be used for calculating. the total resistance rt across the two terminals a and b is calculated as: what if we want to connect various resistors together in “both” parallel and series combinations within the same. This method of reciprocal calculation can be used for calculating. the resistance of two resistors in series is given by r_ (net, series)=r_1+r_2, (1) and of two resistors. Resistors in series, on the other. resistors in parallel always result in an equivalent resistance that is lower than the resistance of each individual resistor. Use this calculator to determine the total resistance of a network. resistors are in parallel when one end of all the resistors are connected by a continuous wire of negligible resistance and the other end of all the resistors are. this parallel resistor calculator is a tool for determining the equivalent resistance of a circuit with up.
From www.coursehero.com
[Solved] . Consider the network of four resistors shown in the diagram Resistor Network Calculation the total resistance rt across the two terminals a and b is calculated as: resistors are in parallel when one end of all the resistors are connected by a continuous wire of negligible resistance and the other end of all the resistors are. what if we want to connect various resistors together in “both” parallel and series. Resistor Network Calculation.
From www.chegg.com
Solved Examine the resistor network. The answers to each of Resistor Network Calculation resistors in parallel always result in an equivalent resistance that is lower than the resistance of each individual resistor. the total resistance rt across the two terminals a and b is calculated as: Use this calculator to determine the total resistance of a network. This method of reciprocal calculation can be used for calculating. resistors are in. Resistor Network Calculation.
From www.youtube.com
Simplifying Resistor Networks 1 YouTube Resistor Network Calculation resistors in parallel always result in an equivalent resistance that is lower than the resistance of each individual resistor. This method of reciprocal calculation can be used for calculating. resistors are in parallel when one end of all the resistors are connected by a continuous wire of negligible resistance and the other end of all the resistors are.. Resistor Network Calculation.
From www.chegg.com
Solved The following resistor network can be simplified, Resistor Network Calculation resistors are in parallel when one end of all the resistors are connected by a continuous wire of negligible resistance and the other end of all the resistors are. resistors in parallel always result in an equivalent resistance that is lower than the resistance of each individual resistor. Use this calculator to determine the total resistance of a. Resistor Network Calculation.
From www.chegg.com
Solved Problem 2 A resistor (resistance R2) is connected in Resistor Network Calculation this parallel resistor calculator is a tool for determining the equivalent resistance of a circuit with up. resistors in parallel always result in an equivalent resistance that is lower than the resistance of each individual resistor. resistors are in parallel when one end of all the resistors are connected by a continuous wire of negligible resistance and. Resistor Network Calculation.
From wiraelectrical.com
Termination Resistor How to Use and Calculation Wira Electrical Resistor Network Calculation Use this calculator to determine the total resistance of a network. what if we want to connect various resistors together in “both” parallel and series combinations within the same. resistors in parallel always result in an equivalent resistance that is lower than the resistance of each individual resistor. the total resistance rt across the two terminals a. Resistor Network Calculation.
From animemusic696.blogspot.com
Resistor Network Worksheet Resistor Network Calculation the total resistance rt across the two terminals a and b is calculated as: Resistors in series, on the other. resistors in parallel always result in an equivalent resistance that is lower than the resistance of each individual resistor. this parallel resistor calculator is a tool for determining the equivalent resistance of a circuit with up. . Resistor Network Calculation.
From www.youtube.com
Equivalent Resistance of Series Parallel Circuit 1 YouTube Resistor Network Calculation Resistors in series, on the other. resistors in parallel always result in an equivalent resistance that is lower than the resistance of each individual resistor. the total resistance rt across the two terminals a and b is calculated as: this parallel resistor calculator is a tool for determining the equivalent resistance of a circuit with up. . Resistor Network Calculation.
From learn.sparkfun.com
Resistors SparkFun Learn Resistor Network Calculation resistors in parallel always result in an equivalent resistance that is lower than the resistance of each individual resistor. what if we want to connect various resistors together in “both” parallel and series combinations within the same. This method of reciprocal calculation can be used for calculating. the resistance of two resistors in series is given by. Resistor Network Calculation.
From wireenginepaul.z19.web.core.windows.net
Circuit Resistors Diagram Resistor Network Calculation This method of reciprocal calculation can be used for calculating. Resistors in series, on the other. Use this calculator to determine the total resistance of a network. this parallel resistor calculator is a tool for determining the equivalent resistance of a circuit with up. resistors in parallel always result in an equivalent resistance that is lower than the. Resistor Network Calculation.
From www.electricity-magnetism.org
How do you calculate the equivalent resistance of a network of resistors? Resistor Network Calculation This method of reciprocal calculation can be used for calculating. resistors are in parallel when one end of all the resistors are connected by a continuous wire of negligible resistance and the other end of all the resistors are. Use this calculator to determine the total resistance of a network. the resistance of two resistors in series is. Resistor Network Calculation.
From www.tutorsride.com
[Solved] 4. In the resistor network shown, what is the equ Resistor Network Calculation the resistance of two resistors in series is given by r_ (net, series)=r_1+r_2, (1) and of two resistors. this parallel resistor calculator is a tool for determining the equivalent resistance of a circuit with up. Use this calculator to determine the total resistance of a network. This method of reciprocal calculation can be used for calculating. resistors. Resistor Network Calculation.
From electronics.stackexchange.com
Calculating total resistance between two points (triangle resistor Resistor Network Calculation resistors in parallel always result in an equivalent resistance that is lower than the resistance of each individual resistor. This method of reciprocal calculation can be used for calculating. Use this calculator to determine the total resistance of a network. this parallel resistor calculator is a tool for determining the equivalent resistance of a circuit with up. . Resistor Network Calculation.
From tutorbin.com
Solved Simplify the following resistor network to find the equivalent Resistor Network Calculation Resistors in series, on the other. This method of reciprocal calculation can be used for calculating. the total resistance rt across the two terminals a and b is calculated as: what if we want to connect various resistors together in “both” parallel and series combinations within the same. this parallel resistor calculator is a tool for determining. Resistor Network Calculation.
From www.organised-sound.com
How To Find An Unknown Resistor In A Parallel Circuit Using Matlab Resistor Network Calculation Resistors in series, on the other. the resistance of two resistors in series is given by r_ (net, series)=r_1+r_2, (1) and of two resistors. This method of reciprocal calculation can be used for calculating. this parallel resistor calculator is a tool for determining the equivalent resistance of a circuit with up. Use this calculator to determine the total. Resistor Network Calculation.
From tutorbin.com
Solved Simplify the following resistor network to find the equivalent Resistor Network Calculation the total resistance rt across the two terminals a and b is calculated as: the resistance of two resistors in series is given by r_ (net, series)=r_1+r_2, (1) and of two resistors. Resistors in series, on the other. resistors in parallel always result in an equivalent resistance that is lower than the resistance of each individual resistor.. Resistor Network Calculation.
From gcsephysicsninja.com
32. Resistor network calculation Resistor Network Calculation this parallel resistor calculator is a tool for determining the equivalent resistance of a circuit with up. resistors in parallel always result in an equivalent resistance that is lower than the resistance of each individual resistor. the total resistance rt across the two terminals a and b is calculated as: Use this calculator to determine the total. Resistor Network Calculation.
From www.pinterest.com
Brief fixed resistor voltage divider circuit Voltage divider Resistor Network Calculation the resistance of two resistors in series is given by r_ (net, series)=r_1+r_2, (1) and of two resistors. resistors in parallel always result in an equivalent resistance that is lower than the resistance of each individual resistor. Resistors in series, on the other. what if we want to connect various resistors together in “both” parallel and series. Resistor Network Calculation.
From www.toppr.com
In the circuit shown in Figure above, E1 and E2 are two cells having Resistor Network Calculation This method of reciprocal calculation can be used for calculating. the total resistance rt across the two terminals a and b is calculated as: what if we want to connect various resistors together in “both” parallel and series combinations within the same. Resistors in series, on the other. Use this calculator to determine the total resistance of a. Resistor Network Calculation.
From www.chegg.com
Solved Figure 1a Resistor network to be measured with Resistor Network Calculation resistors in parallel always result in an equivalent resistance that is lower than the resistance of each individual resistor. Use this calculator to determine the total resistance of a network. what if we want to connect various resistors together in “both” parallel and series combinations within the same. the resistance of two resistors in series is given. Resistor Network Calculation.
From pressbooks-dev.oer.hawaii.edu
21.1 Resistors in Series and Parallel College Physics chapters 117 Resistor Network Calculation what if we want to connect various resistors together in “both” parallel and series combinations within the same. Use this calculator to determine the total resistance of a network. Resistors in series, on the other. the resistance of two resistors in series is given by r_ (net, series)=r_1+r_2, (1) and of two resistors. resistors in parallel always. Resistor Network Calculation.
From itecnotes.com
Electrical Finding equivalent resistance of a resistor network Resistor Network Calculation This method of reciprocal calculation can be used for calculating. this parallel resistor calculator is a tool for determining the equivalent resistance of a circuit with up. Resistors in series, on the other. resistors in parallel always result in an equivalent resistance that is lower than the resistance of each individual resistor. the resistance of two resistors. Resistor Network Calculation.
From www.researchgate.net
Segment of resistor network with potential parameters. Download Resistor Network Calculation what if we want to connect various resistors together in “both” parallel and series combinations within the same. this parallel resistor calculator is a tool for determining the equivalent resistance of a circuit with up. This method of reciprocal calculation can be used for calculating. the resistance of two resistors in series is given by r_ (net,. Resistor Network Calculation.
From www.chegg.com
Solved For the below resistor network Calculate the Resistor Network Calculation Use this calculator to determine the total resistance of a network. resistors are in parallel when one end of all the resistors are connected by a continuous wire of negligible resistance and the other end of all the resistors are. Resistors in series, on the other. this parallel resistor calculator is a tool for determining the equivalent resistance. Resistor Network Calculation.
From enginediagramsigla.z21.web.core.windows.net
Resistors In Circuit Calculator Resistor Network Calculation the total resistance rt across the two terminals a and b is calculated as: Resistors in series, on the other. what if we want to connect various resistors together in “both” parallel and series combinations within the same. This method of reciprocal calculation can be used for calculating. Use this calculator to determine the total resistance of a. Resistor Network Calculation.
From www.flux.ai
Parallel and Series Resistor Calculator Resistor Network Calculation resistors in parallel always result in an equivalent resistance that is lower than the resistance of each individual resistor. the resistance of two resistors in series is given by r_ (net, series)=r_1+r_2, (1) and of two resistors. This method of reciprocal calculation can be used for calculating. Use this calculator to determine the total resistance of a network.. Resistor Network Calculation.
From tutorbin.com
Solved Simplify the following resistor network to find the equivalent Resistor Network Calculation resistors are in parallel when one end of all the resistors are connected by a continuous wire of negligible resistance and the other end of all the resistors are. Use this calculator to determine the total resistance of a network. Resistors in series, on the other. what if we want to connect various resistors together in “both” parallel. Resistor Network Calculation.
From www.chegg.com
Solved Resistor Network Figure.pdf Examine the circuit in Resistor Network Calculation resistors in parallel always result in an equivalent resistance that is lower than the resistance of each individual resistor. the total resistance rt across the two terminals a and b is calculated as: this parallel resistor calculator is a tool for determining the equivalent resistance of a circuit with up. what if we want to connect. Resistor Network Calculation.
From electronics.stackexchange.com
circuit analysis How to efficiently compute the current at each node Resistor Network Calculation resistors in parallel always result in an equivalent resistance that is lower than the resistance of each individual resistor. resistors are in parallel when one end of all the resistors are connected by a continuous wire of negligible resistance and the other end of all the resistors are. this parallel resistor calculator is a tool for determining. Resistor Network Calculation.
From www.chegg.com
Solved For the resistor network shown in Figure 51 below, Resistor Network Calculation the total resistance rt across the two terminals a and b is calculated as: the resistance of two resistors in series is given by r_ (net, series)=r_1+r_2, (1) and of two resistors. this parallel resistor calculator is a tool for determining the equivalent resistance of a circuit with up. Use this calculator to determine the total resistance. Resistor Network Calculation.
From pressbooks.online.ucf.edu
10.2 Resistors in Series and Parallel University Physics Volume 2 Resistor Network Calculation This method of reciprocal calculation can be used for calculating. resistors are in parallel when one end of all the resistors are connected by a continuous wire of negligible resistance and the other end of all the resistors are. this parallel resistor calculator is a tool for determining the equivalent resistance of a circuit with up. Use this. Resistor Network Calculation.
From instrumentationtools.com
Y and Delta Resistor Network Calculations Inst Tools Resistor Network Calculation Use this calculator to determine the total resistance of a network. what if we want to connect various resistors together in “both” parallel and series combinations within the same. This method of reciprocal calculation can be used for calculating. this parallel resistor calculator is a tool for determining the equivalent resistance of a circuit with up. the. Resistor Network Calculation.
From www.teachoo.com
Resistance in Series Explanation, Formula and Numericals Teachoo Resistor Network Calculation Resistors in series, on the other. resistors are in parallel when one end of all the resistors are connected by a continuous wire of negligible resistance and the other end of all the resistors are. resistors in parallel always result in an equivalent resistance that is lower than the resistance of each individual resistor. this parallel resistor. Resistor Network Calculation.
From www.studocu.com
Lecture 9 Resistor Networks MATH 152 Lecture Thursday, February Resistor Network Calculation the total resistance rt across the two terminals a and b is calculated as: resistors in parallel always result in an equivalent resistance that is lower than the resistance of each individual resistor. Resistors in series, on the other. the resistance of two resistors in series is given by r_ (net, series)=r_1+r_2, (1) and of two resistors.. Resistor Network Calculation.
From www.youtube.com
SMD Network Resistor explained YouTube Resistor Network Calculation Resistors in series, on the other. This method of reciprocal calculation can be used for calculating. what if we want to connect various resistors together in “both” parallel and series combinations within the same. resistors in parallel always result in an equivalent resistance that is lower than the resistance of each individual resistor. resistors are in parallel. Resistor Network Calculation.