Pin Configuration And . Learn how to use the digital, analog, power, ground, crystal oscillator, icsp, and usb pins of the arduino uno board. Learn about arduino uno, a popular microcontroller board based on atmega328p. A pin configuration diagram, also known as a pinout diagram, is a visual representation of the pins or terminals of an. See the pin diagram, pin description, and pin specifications for each pin type. To use an analog pin as a digital pin, you simply have to set the mode for the pin, as you would do for digital pins in the setup() function of your arduino program. Before doing any project based on the arduino board it is very important that you should know the pin configuration of the board. Of the 32 pins available on the uno board, 22 pins are associated with input and output. What are the input and output pins of arduino uno? See the pinout diagram and the table of recommended. See the pin diagram, technical specifications, functions and communication methods of. In that 14 pins (d0 to d13) are. Learn how to use the esp32 gpios for different functions, such as adc, dac, spi, i2c, pwm, uart, and touch sensing.
from quick-learn.in
See the pinout diagram and the table of recommended. Learn about arduino uno, a popular microcontroller board based on atmega328p. Learn how to use the digital, analog, power, ground, crystal oscillator, icsp, and usb pins of the arduino uno board. See the pin diagram, technical specifications, functions and communication methods of. To use an analog pin as a digital pin, you simply have to set the mode for the pin, as you would do for digital pins in the setup() function of your arduino program. Before doing any project based on the arduino board it is very important that you should know the pin configuration of the board. What are the input and output pins of arduino uno? Learn how to use the esp32 gpios for different functions, such as adc, dac, spi, i2c, pwm, uart, and touch sensing. In that 14 pins (d0 to d13) are. A pin configuration diagram, also known as a pinout diagram, is a visual representation of the pins or terminals of an.
8086 Microprocessor Pin Configuration
Pin Configuration And What are the input and output pins of arduino uno? Of the 32 pins available on the uno board, 22 pins are associated with input and output. See the pin diagram, technical specifications, functions and communication methods of. A pin configuration diagram, also known as a pinout diagram, is a visual representation of the pins or terminals of an. What are the input and output pins of arduino uno? Learn about arduino uno, a popular microcontroller board based on atmega328p. To use an analog pin as a digital pin, you simply have to set the mode for the pin, as you would do for digital pins in the setup() function of your arduino program. See the pin diagram, pin description, and pin specifications for each pin type. See the pinout diagram and the table of recommended. In that 14 pins (d0 to d13) are. Learn how to use the digital, analog, power, ground, crystal oscillator, icsp, and usb pins of the arduino uno board. Learn how to use the esp32 gpios for different functions, such as adc, dac, spi, i2c, pwm, uart, and touch sensing. Before doing any project based on the arduino board it is very important that you should know the pin configuration of the board.
From www.researchcell.com
7805 Pin Configuration and Circuit Pin Configuration And See the pinout diagram and the table of recommended. To use an analog pin as a digital pin, you simply have to set the mode for the pin, as you would do for digital pins in the setup() function of your arduino program. Learn about arduino uno, a popular microcontroller board based on atmega328p. In that 14 pins (d0 to. Pin Configuration And.
From microcontrollerslab.com
7 Segment Display Pinout, Working, Examples, Applications, Features Pin Configuration And Learn about arduino uno, a popular microcontroller board based on atmega328p. Of the 32 pins available on the uno board, 22 pins are associated with input and output. Before doing any project based on the arduino board it is very important that you should know the pin configuration of the board. See the pin diagram, technical specifications, functions and communication. Pin Configuration And.
From mungfali.com
Pin Diagram Of 8085 Microprocessor Pin Configuration And Learn how to use the digital, analog, power, ground, crystal oscillator, icsp, and usb pins of the arduino uno board. Learn how to use the esp32 gpios for different functions, such as adc, dac, spi, i2c, pwm, uart, and touch sensing. See the pin diagram, pin description, and pin specifications for each pin type. In that 14 pins (d0 to. Pin Configuration And.
From www.sabelectronic.com
Arduino UNO Pinout (with Diagram)and board brief details Pin Configuration And Before doing any project based on the arduino board it is very important that you should know the pin configuration of the board. A pin configuration diagram, also known as a pinout diagram, is a visual representation of the pins or terminals of an. Of the 32 pins available on the uno board, 22 pins are associated with input and. Pin Configuration And.
From microcontrollerslab.com
ATMEGA328P Pinout, Programming, Features, and Applications Pin Configuration And See the pin diagram, technical specifications, functions and communication methods of. In that 14 pins (d0 to d13) are. Learn about arduino uno, a popular microcontroller board based on atmega328p. A pin configuration diagram, also known as a pinout diagram, is a visual representation of the pins or terminals of an. Learn how to use the digital, analog, power, ground,. Pin Configuration And.
From www.theorycircuit.com
ic 555 pin configuration and functions theoryCIRCUIT Do It Yourself Pin Configuration And Of the 32 pins available on the uno board, 22 pins are associated with input and output. See the pinout diagram and the table of recommended. Learn how to use the esp32 gpios for different functions, such as adc, dac, spi, i2c, pwm, uart, and touch sensing. See the pin diagram, technical specifications, functions and communication methods of. Before doing. Pin Configuration And.
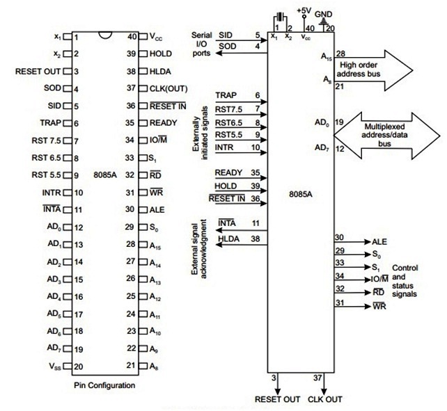
From 8085microprocessorandapplications.blogspot.com
Pin Configuration and Function of 8085 Pin Configuration And Of the 32 pins available on the uno board, 22 pins are associated with input and output. See the pinout diagram and the table of recommended. Learn how to use the digital, analog, power, ground, crystal oscillator, icsp, and usb pins of the arduino uno board. What are the input and output pins of arduino uno? Before doing any project. Pin Configuration And.
From www.arnabkumardas.com
Pin Configuration and IO Multiplexing Arduino / ATmega328p Arnab Pin Configuration And A pin configuration diagram, also known as a pinout diagram, is a visual representation of the pins or terminals of an. To use an analog pin as a digital pin, you simply have to set the mode for the pin, as you would do for digital pins in the setup() function of your arduino program. See the pin diagram, pin. Pin Configuration And.
From www.ourpcb.com
74hc14 Its Pin Configuration and More Pin Configuration And Learn how to use the digital, analog, power, ground, crystal oscillator, icsp, and usb pins of the arduino uno board. Learn about arduino uno, a popular microcontroller board based on atmega328p. What are the input and output pins of arduino uno? Before doing any project based on the arduino board it is very important that you should know the pin. Pin Configuration And.
From cyberxservice.com
Arduino Pin Configuration For Arduino Uno R3 Microcontroler Pin Configuration And See the pin diagram, pin description, and pin specifications for each pin type. Learn about arduino uno, a popular microcontroller board based on atmega328p. Learn how to use the esp32 gpios for different functions, such as adc, dac, spi, i2c, pwm, uart, and touch sensing. What are the input and output pins of arduino uno? See the pinout diagram and. Pin Configuration And.
From donateyournotes.blogspot.com
Pin diagram of 8085 and Functions of various Pins Pin Configuration And To use an analog pin as a digital pin, you simply have to set the mode for the pin, as you would do for digital pins in the setup() function of your arduino program. See the pinout diagram and the table of recommended. Learn how to use the esp32 gpios for different functions, such as adc, dac, spi, i2c, pwm,. Pin Configuration And.
From thecscience.com
Pin Configuration of 8085 Microprocessor TheCScience Pin Configuration And Of the 32 pins available on the uno board, 22 pins are associated with input and output. In that 14 pins (d0 to d13) are. See the pin diagram, technical specifications, functions and communication methods of. Learn how to use the digital, analog, power, ground, crystal oscillator, icsp, and usb pins of the arduino uno board. To use an analog. Pin Configuration And.
From www.ourpcb.com
MicroSD Card Pinout Pin Configuration and Diagram Guide Pin Configuration And See the pin diagram, pin description, and pin specifications for each pin type. Learn how to use the esp32 gpios for different functions, such as adc, dac, spi, i2c, pwm, uart, and touch sensing. See the pin diagram, technical specifications, functions and communication methods of. See the pinout diagram and the table of recommended. A pin configuration diagram, also known. Pin Configuration And.
From www.instructables.com
HOW TO READ a DATASHEET 14 Steps Instructables Pin Configuration And A pin configuration diagram, also known as a pinout diagram, is a visual representation of the pins or terminals of an. To use an analog pin as a digital pin, you simply have to set the mode for the pin, as you would do for digital pins in the setup() function of your arduino program. See the pin diagram, technical. Pin Configuration And.
From www.rlocman.ru
AD9289. PIN CONFIGURATION AND FUNCTION DESCRIPTIONS. 1 2 3 4 5 6 7 8. A Pin Configuration And Of the 32 pins available on the uno board, 22 pins are associated with input and output. See the pinout diagram and the table of recommended. See the pin diagram, technical specifications, functions and communication methods of. Learn how to use the esp32 gpios for different functions, such as adc, dac, spi, i2c, pwm, uart, and touch sensing. Before doing. Pin Configuration And.
From partdiagramdromecanoelq.z19.web.core.windows.net
Arduino Uno Board Pin Configuration Pin Configuration And In that 14 pins (d0 to d13) are. Of the 32 pins available on the uno board, 22 pins are associated with input and output. See the pin diagram, pin description, and pin specifications for each pin type. Learn how to use the esp32 gpios for different functions, such as adc, dac, spi, i2c, pwm, uart, and touch sensing. See. Pin Configuration And.
From www.caretxdigital.com
ic 741 pin diagram explanation Wiring Diagram and Schematics Pin Configuration And In that 14 pins (d0 to d13) are. Before doing any project based on the arduino board it is very important that you should know the pin configuration of the board. See the pin diagram, pin description, and pin specifications for each pin type. What are the input and output pins of arduino uno? Learn about arduino uno, a popular. Pin Configuration And.
From usemynotes.com
Pin Diagram of 8085 Microprocessor UseMyNotes Pin Configuration And In that 14 pins (d0 to d13) are. Learn how to use the digital, analog, power, ground, crystal oscillator, icsp, and usb pins of the arduino uno board. See the pinout diagram and the table of recommended. See the pin diagram, pin description, and pin specifications for each pin type. To use an analog pin as a digital pin, you. Pin Configuration And.
From k-sience.blogspot.com
The VGA And Its Connector Diagram Pin Configuration And Learn about arduino uno, a popular microcontroller board based on atmega328p. To use an analog pin as a digital pin, you simply have to set the mode for the pin, as you would do for digital pins in the setup() function of your arduino program. A pin configuration diagram, also known as a pinout diagram, is a visual representation of. Pin Configuration And.
From electricalmafia.blogspot.com
8085 pin functions ElectricalMafia Pin Configuration And What are the input and output pins of arduino uno? Learn how to use the esp32 gpios for different functions, such as adc, dac, spi, i2c, pwm, uart, and touch sensing. See the pin diagram, pin description, and pin specifications for each pin type. A pin configuration diagram, also known as a pinout diagram, is a visual representation of the. Pin Configuration And.
From www.arnabkumardas.com
Pin Configuration and IO Multiplexing Arduino / ATmega328p Arnab Pin Configuration And See the pin diagram, pin description, and pin specifications for each pin type. Learn about arduino uno, a popular microcontroller board based on atmega328p. See the pin diagram, technical specifications, functions and communication methods of. See the pinout diagram and the table of recommended. Of the 32 pins available on the uno board, 22 pins are associated with input and. Pin Configuration And.
From www.researchgate.net
Pin configuration of Raspberry Pi. Download Scientific Diagram Pin Configuration And Learn how to use the esp32 gpios for different functions, such as adc, dac, spi, i2c, pwm, uart, and touch sensing. Learn how to use the digital, analog, power, ground, crystal oscillator, icsp, and usb pins of the arduino uno board. In that 14 pins (d0 to d13) are. See the pin diagram, technical specifications, functions and communication methods of.. Pin Configuration And.
From www.scribd.com
Pin Configuration and Operation Modes of the Intel 8085 Microprocessor Pin Configuration And See the pin diagram, technical specifications, functions and communication methods of. See the pinout diagram and the table of recommended. Before doing any project based on the arduino board it is very important that you should know the pin configuration of the board. In that 14 pins (d0 to d13) are. Of the 32 pins available on the uno board,. Pin Configuration And.
From microcontrollerslab.com
ESP8266 pinout reference and how to use GPIO pins Pin Configuration And See the pin diagram, technical specifications, functions and communication methods of. A pin configuration diagram, also known as a pinout diagram, is a visual representation of the pins or terminals of an. Before doing any project based on the arduino board it is very important that you should know the pin configuration of the board. To use an analog pin. Pin Configuration And.
From microcontrollerslab.com
8051 Microcontroller Pinout, GPIO Pins, Architecture and Features Pin Configuration And Of the 32 pins available on the uno board, 22 pins are associated with input and output. What are the input and output pins of arduino uno? In that 14 pins (d0 to d13) are. See the pin diagram, pin description, and pin specifications for each pin type. A pin configuration diagram, also known as a pinout diagram, is a. Pin Configuration And.
From circuitplanet.blogspot.com
8086 pin configuration Pin Configuration And Learn how to use the digital, analog, power, ground, crystal oscillator, icsp, and usb pins of the arduino uno board. See the pin diagram, pin description, and pin specifications for each pin type. In that 14 pins (d0 to d13) are. Learn how to use the esp32 gpios for different functions, such as adc, dac, spi, i2c, pwm, uart, and. Pin Configuration And.
From microcontrollerslab.com
LPC2148 Microcontroller Pinout Diagram, Pin Configuration and Features Pin Configuration And Learn about arduino uno, a popular microcontroller board based on atmega328p. What are the input and output pins of arduino uno? See the pin diagram, technical specifications, functions and communication methods of. Learn how to use the esp32 gpios for different functions, such as adc, dac, spi, i2c, pwm, uart, and touch sensing. See the pinout diagram and the table. Pin Configuration And.
From www.elprocus.com
8085 Microprocessor Pin Configuration and its Working Pin Configuration And Learn about arduino uno, a popular microcontroller board based on atmega328p. To use an analog pin as a digital pin, you simply have to set the mode for the pin, as you would do for digital pins in the setup() function of your arduino program. In that 14 pins (d0 to d13) are. See the pin diagram, technical specifications, functions. Pin Configuration And.
From www.researchcell.com
7805 Pin Configuration and Circuit Pin Configuration And A pin configuration diagram, also known as a pinout diagram, is a visual representation of the pins or terminals of an. See the pinout diagram and the table of recommended. In that 14 pins (d0 to d13) are. See the pin diagram, pin description, and pin specifications for each pin type. Of the 32 pins available on the uno board,. Pin Configuration And.
From www.geeksforgeeks.org
Pin diagram of 8051 Microcontroller Pin Configuration And A pin configuration diagram, also known as a pinout diagram, is a visual representation of the pins or terminals of an. What are the input and output pins of arduino uno? To use an analog pin as a digital pin, you simply have to set the mode for the pin, as you would do for digital pins in the setup(). Pin Configuration And.
From www.youtube.com
Pin Configuration of 8086 Microprocessor YouTube Pin Configuration And See the pin diagram, pin description, and pin specifications for each pin type. What are the input and output pins of arduino uno? Learn how to use the esp32 gpios for different functions, such as adc, dac, spi, i2c, pwm, uart, and touch sensing. Of the 32 pins available on the uno board, 22 pins are associated with input and. Pin Configuration And.
From community.nxp.com
Solved Where to find the pin configuration figure for S32... NXP Pin Configuration And See the pin diagram, technical specifications, functions and communication methods of. In that 14 pins (d0 to d13) are. Learn how to use the esp32 gpios for different functions, such as adc, dac, spi, i2c, pwm, uart, and touch sensing. Learn about arduino uno, a popular microcontroller board based on atmega328p. See the pin diagram, pin description, and pin specifications. Pin Configuration And.
From quick-learn.in
8086 Microprocessor Pin Configuration Pin Configuration And See the pin diagram, technical specifications, functions and communication methods of. A pin configuration diagram, also known as a pinout diagram, is a visual representation of the pins or terminals of an. See the pin diagram, pin description, and pin specifications for each pin type. In that 14 pins (d0 to d13) are. Learn about arduino uno, a popular microcontroller. Pin Configuration And.
From www.elprocus.com
LM324 IC Pin Configuration, Circuit working, Features and Applications Pin Configuration And Learn how to use the esp32 gpios for different functions, such as adc, dac, spi, i2c, pwm, uart, and touch sensing. See the pinout diagram and the table of recommended. To use an analog pin as a digital pin, you simply have to set the mode for the pin, as you would do for digital pins in the setup() function. Pin Configuration And.
From www.etechnog.com
Arduino UNO Pinout Diagram and Pin Configuration Explained ETechnoG Pin Configuration And Learn how to use the esp32 gpios for different functions, such as adc, dac, spi, i2c, pwm, uart, and touch sensing. Learn how to use the digital, analog, power, ground, crystal oscillator, icsp, and usb pins of the arduino uno board. A pin configuration diagram, also known as a pinout diagram, is a visual representation of the pins or terminals. Pin Configuration And.