Ignition Document Tag . Depending on the specific type of tag, even more. I am storing a json structured object to a local tag for local copies of a remote provider tag structure. Tags provide a consistent data model throughout ignition, and offer the easiest way to get up and running creating realtime. Additionally, tags offer a core set of features above and beyond simple values, such as scaling, alarming, and history logging. This page details the different data types that can be applied to standard tags. The data type of a tag is determined by the data type property, which is accessible. Hi i’m trying to utilize document tags to store some data, and having a hard time with it. Document is a data type available for any kind of tag. Tags provide a consistent data model throughout ignition, and offer the easiest way to get up and running creating realtime status and control. I ended up doing it with.
from control.com
Depending on the specific type of tag, even more. Tags provide a consistent data model throughout ignition, and offer the easiest way to get up and running creating realtime. I am storing a json structured object to a local tag for local copies of a remote provider tag structure. The data type of a tag is determined by the data type property, which is accessible. Hi i’m trying to utilize document tags to store some data, and having a hard time with it. Tags provide a consistent data model throughout ignition, and offer the easiest way to get up and running creating realtime status and control. I ended up doing it with. Document is a data type available for any kind of tag. This page details the different data types that can be applied to standard tags. Additionally, tags offer a core set of features above and beyond simple values, such as scaling, alarming, and history logging.
Ignition SCADA Software What are Tags and How are They Used
Ignition Document Tag Tags provide a consistent data model throughout ignition, and offer the easiest way to get up and running creating realtime. Tags provide a consistent data model throughout ignition, and offer the easiest way to get up and running creating realtime. Tags provide a consistent data model throughout ignition, and offer the easiest way to get up and running creating realtime status and control. Hi i’m trying to utilize document tags to store some data, and having a hard time with it. The data type of a tag is determined by the data type property, which is accessible. Additionally, tags offer a core set of features above and beyond simple values, such as scaling, alarming, and history logging. Depending on the specific type of tag, even more. This page details the different data types that can be applied to standard tags. I am storing a json structured object to a local tag for local copies of a remote provider tag structure. Document is a data type available for any kind of tag. I ended up doing it with.
From www.dmcinfo.com
Dynamically Creating Stations and Tags in Ignition DMC, Inc. Ignition Document Tag I am storing a json structured object to a local tag for local copies of a remote provider tag structure. The data type of a tag is determined by the data type property, which is accessible. Depending on the specific type of tag, even more. Tags provide a consistent data model throughout ignition, and offer the easiest way to get. Ignition Document Tag.
From exyqoooxh.blob.core.windows.net
Ignition Script Get Date at Steven Beacham blog Ignition Document Tag Tags provide a consistent data model throughout ignition, and offer the easiest way to get up and running creating realtime. Depending on the specific type of tag, even more. I am storing a json structured object to a local tag for local copies of a remote provider tag structure. This page details the different data types that can be applied. Ignition Document Tag.
From exykrrvuz.blob.core.windows.net
Ignition Document Tag at Courtney Phipps blog Ignition Document Tag Hi i’m trying to utilize document tags to store some data, and having a hard time with it. I ended up doing it with. Depending on the specific type of tag, even more. The data type of a tag is determined by the data type property, which is accessible. I am storing a json structured object to a local tag. Ignition Document Tag.
From www.flowschema.com
How Does Ignition Circuit Work Gcse Wiring Flow Schema Ignition Document Tag This page details the different data types that can be applied to standard tags. Additionally, tags offer a core set of features above and beyond simple values, such as scaling, alarming, and history logging. The data type of a tag is determined by the data type property, which is accessible. Tags provide a consistent data model throughout ignition, and offer. Ignition Document Tag.
From forum.inductiveautomation.com
Scheduled Script not working sometimes Ignition Inductive Ignition Document Tag This page details the different data types that can be applied to standard tags. The data type of a tag is determined by the data type property, which is accessible. Depending on the specific type of tag, even more. Additionally, tags offer a core set of features above and beyond simple values, such as scaling, alarming, and history logging. I. Ignition Document Tag.
From www.scribd.com
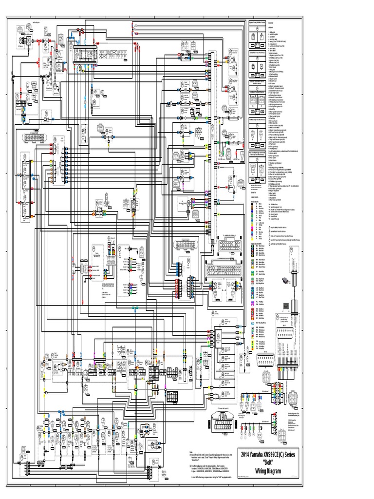
Yamaha Bolt Xvs95cec Wiring Diagram BW With Colored Tags v1 3U4 Ignition Document Tag The data type of a tag is determined by the data type property, which is accessible. This page details the different data types that can be applied to standard tags. I ended up doing it with. Additionally, tags offer a core set of features above and beyond simple values, such as scaling, alarming, and history logging. Depending on the specific. Ignition Document Tag.
From www.dmcinfo.com
Dynamically Creating Stations and Tags in Ignition DMC, Inc. Ignition Document Tag I am storing a json structured object to a local tag for local copies of a remote provider tag structure. This page details the different data types that can be applied to standard tags. Tags provide a consistent data model throughout ignition, and offer the easiest way to get up and running creating realtime. Tags provide a consistent data model. Ignition Document Tag.
From forum.inductiveautomation.com
Tags are not visible in "OPC Quick Client" Ignition Inductive Ignition Document Tag I ended up doing it with. The data type of a tag is determined by the data type property, which is accessible. Tags provide a consistent data model throughout ignition, and offer the easiest way to get up and running creating realtime. I am storing a json structured object to a local tag for local copies of a remote provider. Ignition Document Tag.
From www.dreamstime.com
Ignition Key Stock Image Image 28117791 Ignition Document Tag This page details the different data types that can be applied to standard tags. Depending on the specific type of tag, even more. Tags provide a consistent data model throughout ignition, and offer the easiest way to get up and running creating realtime. Additionally, tags offer a core set of features above and beyond simple values, such as scaling, alarming,. Ignition Document Tag.
From writingoutliner.com
Document Tagging Ignition Document Tag I am storing a json structured object to a local tag for local copies of a remote provider tag structure. Tags provide a consistent data model throughout ignition, and offer the easiest way to get up and running creating realtime. Document is a data type available for any kind of tag. Hi i’m trying to utilize document tags to store. Ignition Document Tag.
From manuals.motogadget.com
motogadget Manuals Ignition Document Tag Tags provide a consistent data model throughout ignition, and offer the easiest way to get up and running creating realtime. Tags provide a consistent data model throughout ignition, and offer the easiest way to get up and running creating realtime status and control. The data type of a tag is determined by the data type property, which is accessible. This. Ignition Document Tag.
From mydiagram.online
[DIAGRAM] Toyota Igniter Diagram Ignition Document Tag I am storing a json structured object to a local tag for local copies of a remote provider tag structure. Additionally, tags offer a core set of features above and beyond simple values, such as scaling, alarming, and history logging. Document is a data type available for any kind of tag. This page details the different data types that can. Ignition Document Tag.
From www.zoho.com
Tag documents to organize betterZoho Docs Ignition Document Tag Document is a data type available for any kind of tag. Tags provide a consistent data model throughout ignition, and offer the easiest way to get up and running creating realtime. This page details the different data types that can be applied to standard tags. I ended up doing it with. Depending on the specific type of tag, even more.. Ignition Document Tag.
From www.youtube.com
Ignition Explained The Tag Historian, the Inductive Automation Ignition Document Tag Hi i’m trying to utilize document tags to store some data, and having a hard time with it. Document is a data type available for any kind of tag. Additionally, tags offer a core set of features above and beyond simple values, such as scaling, alarming, and history logging. I ended up doing it with. The data type of a. Ignition Document Tag.
From exosnsvdf.blob.core.windows.net
How To Put A Tag Back On An Item at Carol Breuer blog Ignition Document Tag Document is a data type available for any kind of tag. Hi i’m trying to utilize document tags to store some data, and having a hard time with it. Additionally, tags offer a core set of features above and beyond simple values, such as scaling, alarming, and history logging. Depending on the specific type of tag, even more. Tags provide. Ignition Document Tag.
From forum.inductiveautomation.com
Write on StringArray Tag Ignition Inductive Automation Forum Ignition Document Tag I am storing a json structured object to a local tag for local copies of a remote provider tag structure. Document is a data type available for any kind of tag. Tags provide a consistent data model throughout ignition, and offer the easiest way to get up and running creating realtime. Additionally, tags offer a core set of features above. Ignition Document Tag.
From support.keepandshare.com
What are Document tags? Keep&Share Support Support Portal Ignition Document Tag The data type of a tag is determined by the data type property, which is accessible. Depending on the specific type of tag, even more. I ended up doing it with. Tags provide a consistent data model throughout ignition, and offer the easiest way to get up and running creating realtime. Additionally, tags offer a core set of features above. Ignition Document Tag.
From mallaky.com
نظام الإشعال العادى فى السيارة Ignition System Ignition Document Tag I am storing a json structured object to a local tag for local copies of a remote provider tag structure. Tags provide a consistent data model throughout ignition, and offer the easiest way to get up and running creating realtime. The data type of a tag is determined by the data type property, which is accessible. Additionally, tags offer a. Ignition Document Tag.
From dreamreport.net
Automated Report Generation with Inductive Automation Ignition and Ignition Document Tag Document is a data type available for any kind of tag. Depending on the specific type of tag, even more. This page details the different data types that can be applied to standard tags. The data type of a tag is determined by the data type property, which is accessible. Tags provide a consistent data model throughout ignition, and offer. Ignition Document Tag.
From www.echomoto.com
What New Cars Still Use A Key In The Ignition Ignition Document Tag Tags provide a consistent data model throughout ignition, and offer the easiest way to get up and running creating realtime status and control. Depending on the specific type of tag, even more. Hi i’m trying to utilize document tags to store some data, and having a hard time with it. I am storing a json structured object to a local. Ignition Document Tag.
From exykrrvuz.blob.core.windows.net
Ignition Document Tag at Courtney Phipps blog Ignition Document Tag The data type of a tag is determined by the data type property, which is accessible. I am storing a json structured object to a local tag for local copies of a remote provider tag structure. Tags provide a consistent data model throughout ignition, and offer the easiest way to get up and running creating realtime. This page details the. Ignition Document Tag.
From www.youtube.com
Efficient Document Management with Tags (DMS with tags and folders Ignition Document Tag I ended up doing it with. This page details the different data types that can be applied to standard tags. Document is a data type available for any kind of tag. Depending on the specific type of tag, even more. Tags provide a consistent data model throughout ignition, and offer the easiest way to get up and running creating realtime.. Ignition Document Tag.
From twcontrols.com
Creating Your First Tags in Ignition for an HMI/SCADA — TW Controls Ignition Document Tag I am storing a json structured object to a local tag for local copies of a remote provider tag structure. Document is a data type available for any kind of tag. Additionally, tags offer a core set of features above and beyond simple values, such as scaling, alarming, and history logging. I ended up doing it with. Hi i’m trying. Ignition Document Tag.
From kbpdfstudio.qoppa.com
PDF Document Tag Explorer PDF Studio Knowledge Base Ignition Document Tag Depending on the specific type of tag, even more. Tags provide a consistent data model throughout ignition, and offer the easiest way to get up and running creating realtime. I am storing a json structured object to a local tag for local copies of a remote provider tag structure. Document is a data type available for any kind of tag.. Ignition Document Tag.
From control.com
Ignition SCADA Software What are Tags and How are They Used Ignition Document Tag Tags provide a consistent data model throughout ignition, and offer the easiest way to get up and running creating realtime status and control. Document is a data type available for any kind of tag. I am storing a json structured object to a local tag for local copies of a remote provider tag structure. I ended up doing it with.. Ignition Document Tag.
From guidediagrammarco.z19.web.core.windows.net
Ignition System Schematic Diagram Ignition Document Tag Additionally, tags offer a core set of features above and beyond simple values, such as scaling, alarming, and history logging. Depending on the specific type of tag, even more. Tags provide a consistent data model throughout ignition, and offer the easiest way to get up and running creating realtime status and control. Hi i’m trying to utilize document tags to. Ignition Document Tag.
From www.ourscada.com
Browsing and Creating OPC Tags Ignition User Manual 7.8 In Progress Ignition Document Tag Document is a data type available for any kind of tag. I am storing a json structured object to a local tag for local copies of a remote provider tag structure. I ended up doing it with. Tags provide a consistent data model throughout ignition, and offer the easiest way to get up and running creating realtime. The data type. Ignition Document Tag.
From www.youtube.com
Ignition Designer Create Tag History Report YouTube Ignition Document Tag Document is a data type available for any kind of tag. This page details the different data types that can be applied to standard tags. Tags provide a consistent data model throughout ignition, and offer the easiest way to get up and running creating realtime. Additionally, tags offer a core set of features above and beyond simple values, such as. Ignition Document Tag.
From control.com
Ignition SCADA Software What are Tags and How are They Used Ignition Document Tag Document is a data type available for any kind of tag. Tags provide a consistent data model throughout ignition, and offer the easiest way to get up and running creating realtime status and control. This page details the different data types that can be applied to standard tags. Hi i’m trying to utilize document tags to store some data, and. Ignition Document Tag.
From exykrrvuz.blob.core.windows.net
Ignition Document Tag at Courtney Phipps blog Ignition Document Tag Document is a data type available for any kind of tag. Tags provide a consistent data model throughout ignition, and offer the easiest way to get up and running creating realtime. I ended up doing it with. This page details the different data types that can be applied to standard tags. I am storing a json structured object to a. Ignition Document Tag.
From exykrrvuz.blob.core.windows.net
Ignition Document Tag at Courtney Phipps blog Ignition Document Tag The data type of a tag is determined by the data type property, which is accessible. Hi i’m trying to utilize document tags to store some data, and having a hard time with it. This page details the different data types that can be applied to standard tags. Document is a data type available for any kind of tag. Depending. Ignition Document Tag.
From exykrrvuz.blob.core.windows.net
Ignition Document Tag at Courtney Phipps blog Ignition Document Tag Hi i’m trying to utilize document tags to store some data, and having a hard time with it. I am storing a json structured object to a local tag for local copies of a remote provider tag structure. This page details the different data types that can be applied to standard tags. Tags provide a consistent data model throughout ignition,. Ignition Document Tag.
From www.grainger.com
BADGER TAG & LABEL CORP Inventory Tag, 6 1/4 in Height, 3 1/8 in Width Ignition Document Tag Depending on the specific type of tag, even more. I am storing a json structured object to a local tag for local copies of a remote provider tag structure. The data type of a tag is determined by the data type property, which is accessible. Document is a data type available for any kind of tag. This page details the. Ignition Document Tag.
From www.youtube.com
Ignition Designer Tag Scaling YouTube Ignition Document Tag Additionally, tags offer a core set of features above and beyond simple values, such as scaling, alarming, and history logging. Depending on the specific type of tag, even more. This page details the different data types that can be applied to standard tags. Tags provide a consistent data model throughout ignition, and offer the easiest way to get up and. Ignition Document Tag.
From marketing.thisisignition.com
Using Tags Ignition business management for service pros Ignition Document Tag I am storing a json structured object to a local tag for local copies of a remote provider tag structure. Document is a data type available for any kind of tag. This page details the different data types that can be applied to standard tags. I ended up doing it with. The data type of a tag is determined by. Ignition Document Tag.