Gpsdo Schematic . Its primary purpose is driving frequency. In this blog post, i’ll first discuss the principles of a gps disciplined oscillator (gpsdo), and then i’ll tear down the tm4313, a $95 gpsdo that i bought new from ebay. By taking a simple low cost 5mhz voltage controlled tcxo (vtcxo) module and dividing down to. You can download original schematic by clicking on it. I'm working on a new method to measure the gpsdo by using a reciprocal counter. This paper introduces the idea of gps reference, points out the importance of accuracy, stability, precision, and ageing, describes how the. The purpose of the gps displined oscillator is to generate a highly accurate and precise 10 mhz reference frequency for use for test equipment. The version of the arduino code i use (gpsdo_v3_70) is a modified one from lars' original to be able to use the circuit without the. There is a specific post on my blog where i also try out a few. This suggested a simple gpsdo solution. And clicking on the arrow at bottom left (download original).
from www.eevblog.com
And clicking on the arrow at bottom left (download original). This paper introduces the idea of gps reference, points out the importance of accuracy, stability, precision, and ageing, describes how the. The purpose of the gps displined oscillator is to generate a highly accurate and precise 10 mhz reference frequency for use for test equipment. Its primary purpose is driving frequency. You can download original schematic by clicking on it. By taking a simple low cost 5mhz voltage controlled tcxo (vtcxo) module and dividing down to. This suggested a simple gpsdo solution. The version of the arduino code i use (gpsdo_v3_70) is a modified one from lars' original to be able to use the circuit without the. In this blog post, i’ll first discuss the principles of a gps disciplined oscillator (gpsdo), and then i’ll tear down the tm4313, a $95 gpsdo that i bought new from ebay. There is a specific post on my blog where i also try out a few.
Lars DIY GPSDO with Arduino and 1ns resolution TIC Page 26
Gpsdo Schematic The purpose of the gps displined oscillator is to generate a highly accurate and precise 10 mhz reference frequency for use for test equipment. The purpose of the gps displined oscillator is to generate a highly accurate and precise 10 mhz reference frequency for use for test equipment. The version of the arduino code i use (gpsdo_v3_70) is a modified one from lars' original to be able to use the circuit without the. This paper introduces the idea of gps reference, points out the importance of accuracy, stability, precision, and ageing, describes how the. Its primary purpose is driving frequency. This suggested a simple gpsdo solution. There is a specific post on my blog where i also try out a few. In this blog post, i’ll first discuss the principles of a gps disciplined oscillator (gpsdo), and then i’ll tear down the tm4313, a $95 gpsdo that i bought new from ebay. I'm working on a new method to measure the gpsdo by using a reciprocal counter. By taking a simple low cost 5mhz voltage controlled tcxo (vtcxo) module and dividing down to. And clicking on the arrow at bottom left (download original). You can download original schematic by clicking on it.
From sdgelectronics.co.uk
10MHz Frequency Reference GPSDO SDG Electronics Gpsdo Schematic This paper introduces the idea of gps reference, points out the importance of accuracy, stability, precision, and ageing, describes how the. The purpose of the gps displined oscillator is to generate a highly accurate and precise 10 mhz reference frequency for use for test equipment. The version of the arduino code i use (gpsdo_v3_70) is a modified one from lars'. Gpsdo Schematic.
From github.com
GitHub dfannin/gpsdo GPS Disciplined Oscillator Project (Arduino Gpsdo Schematic By taking a simple low cost 5mhz voltage controlled tcxo (vtcxo) module and dividing down to. In this blog post, i’ll first discuss the principles of a gps disciplined oscillator (gpsdo), and then i’ll tear down the tm4313, a $95 gpsdo that i bought new from ebay. The purpose of the gps displined oscillator is to generate a highly accurate. Gpsdo Schematic.
From enginediagrameric.z19.web.core.windows.net
Gpsdo Circuit Diagram Gpsdo Schematic And clicking on the arrow at bottom left (download original). You can download original schematic by clicking on it. There is a specific post on my blog where i also try out a few. I'm working on a new method to measure the gpsdo by using a reciprocal counter. By taking a simple low cost 5mhz voltage controlled tcxo (vtcxo). Gpsdo Schematic.
From www.paulvdiyblogs.net
Paul's DIY electronics blog High precision 10MHz GPS disciplined Gpsdo Schematic By taking a simple low cost 5mhz voltage controlled tcxo (vtcxo) module and dividing down to. The purpose of the gps displined oscillator is to generate a highly accurate and precise 10 mhz reference frequency for use for test equipment. In this blog post, i’ll first discuss the principles of a gps disciplined oscillator (gpsdo), and then i’ll tear down. Gpsdo Schematic.
From sembcilnisi.weebly.com
Gpsdoschematic adainge Gpsdo Schematic By taking a simple low cost 5mhz voltage controlled tcxo (vtcxo) module and dividing down to. The purpose of the gps displined oscillator is to generate a highly accurate and precise 10 mhz reference frequency for use for test equipment. Its primary purpose is driving frequency. This paper introduces the idea of gps reference, points out the importance of accuracy,. Gpsdo Schematic.
From github.com
GitHub dfannin/gpsdo GPS Disciplined Oscillator Project (Arduino Gpsdo Schematic This paper introduces the idea of gps reference, points out the importance of accuracy, stability, precision, and ageing, describes how the. Its primary purpose is driving frequency. This suggested a simple gpsdo solution. In this blog post, i’ll first discuss the principles of a gps disciplined oscillator (gpsdo), and then i’ll tear down the tm4313, a $95 gpsdo that i. Gpsdo Schematic.
From userdatatamara.z1.web.core.windows.net
Gpsdo Circuit Diagram Gpsdo Schematic There is a specific post on my blog where i also try out a few. Its primary purpose is driving frequency. The purpose of the gps displined oscillator is to generate a highly accurate and precise 10 mhz reference frequency for use for test equipment. By taking a simple low cost 5mhz voltage controlled tcxo (vtcxo) module and dividing down. Gpsdo Schematic.
From device.report
DXpatrol GPSDO 2.0 User Manual Gpsdo Schematic By taking a simple low cost 5mhz voltage controlled tcxo (vtcxo) module and dividing down to. There is a specific post on my blog where i also try out a few. The purpose of the gps displined oscillator is to generate a highly accurate and precise 10 mhz reference frequency for use for test equipment. And clicking on the arrow. Gpsdo Schematic.
From www.pianetaradio.it
GPSDO GPS Disciplined Oscillator Gpsdo Schematic There is a specific post on my blog where i also try out a few. This suggested a simple gpsdo solution. The purpose of the gps displined oscillator is to generate a highly accurate and precise 10 mhz reference frequency for use for test equipment. By taking a simple low cost 5mhz voltage controlled tcxo (vtcxo) module and dividing down. Gpsdo Schematic.
From www.qsl.net
1 MHz / 10 MHz GPSDO Gpsdo Schematic This suggested a simple gpsdo solution. In this blog post, i’ll first discuss the principles of a gps disciplined oscillator (gpsdo), and then i’ll tear down the tm4313, a $95 gpsdo that i bought new from ebay. I'm working on a new method to measure the gpsdo by using a reciprocal counter. Its primary purpose is driving frequency. The version. Gpsdo Schematic.
From www.paulvdiyblogs.net
Paul's DIY electronics blog High precision 10MHz GPS disciplined Gpsdo Schematic The purpose of the gps displined oscillator is to generate a highly accurate and precise 10 mhz reference frequency for use for test equipment. There is a specific post on my blog where i also try out a few. The version of the arduino code i use (gpsdo_v3_70) is a modified one from lars' original to be able to use. Gpsdo Schematic.
From www.e-momonga.com
An introduction of my original GPSDO a frequency standard oscillator Gpsdo Schematic The version of the arduino code i use (gpsdo_v3_70) is a modified one from lars' original to be able to use the circuit without the. Its primary purpose is driving frequency. I'm working on a new method to measure the gpsdo by using a reciprocal counter. This paper introduces the idea of gps reference, points out the importance of accuracy,. Gpsdo Schematic.
From www.knietzsch.com
GPS, GPSDO Gpsdo Schematic This suggested a simple gpsdo solution. I'm working on a new method to measure the gpsdo by using a reciprocal counter. This paper introduces the idea of gps reference, points out the importance of accuracy, stability, precision, and ageing, describes how the. The version of the arduino code i use (gpsdo_v3_70) is a modified one from lars' original to be. Gpsdo Schematic.
From pe9ghz.org
GPSDO Gpsdo Schematic The version of the arduino code i use (gpsdo_v3_70) is a modified one from lars' original to be able to use the circuit without the. Its primary purpose is driving frequency. You can download original schematic by clicking on it. The purpose of the gps displined oscillator is to generate a highly accurate and precise 10 mhz reference frequency for. Gpsdo Schematic.
From dantalion.nl
The beauty of GPS disciplined oscillators (GPSDO) Dantali0n Gpsdo Schematic In this blog post, i’ll first discuss the principles of a gps disciplined oscillator (gpsdo), and then i’ll tear down the tm4313, a $95 gpsdo that i bought new from ebay. I'm working on a new method to measure the gpsdo by using a reciprocal counter. This paper introduces the idea of gps reference, points out the importance of accuracy,. Gpsdo Schematic.
From www.paulvdiyblogs.net
Paul's DIY electronics blog High precision 10MHz GPS disciplined Gpsdo Schematic By taking a simple low cost 5mhz voltage controlled tcxo (vtcxo) module and dividing down to. The purpose of the gps displined oscillator is to generate a highly accurate and precise 10 mhz reference frequency for use for test equipment. The version of the arduino code i use (gpsdo_v3_70) is a modified one from lars' original to be able to. Gpsdo Schematic.
From www.edn.com
Simple, high accuracy/precision/resolution frequency counter EDN Gpsdo Schematic There is a specific post on my blog where i also try out a few. This suggested a simple gpsdo solution. By taking a simple low cost 5mhz voltage controlled tcxo (vtcxo) module and dividing down to. I'm working on a new method to measure the gpsdo by using a reciprocal counter. The version of the arduino code i use. Gpsdo Schematic.
From guidefixcatherine.z13.web.core.windows.net
Gpsdo Circuit Diagram Gpsdo Schematic And clicking on the arrow at bottom left (download original). You can download original schematic by clicking on it. Its primary purpose is driving frequency. There is a specific post on my blog where i also try out a few. The purpose of the gps displined oscillator is to generate a highly accurate and precise 10 mhz reference frequency for. Gpsdo Schematic.
From www.paulvdiyblogs.net
Paul's DIY electronics blog High precision 10MHz GPS disciplined Gpsdo Schematic Its primary purpose is driving frequency. By taking a simple low cost 5mhz voltage controlled tcxo (vtcxo) module and dividing down to. You can download original schematic by clicking on it. The version of the arduino code i use (gpsdo_v3_70) is a modified one from lars' original to be able to use the circuit without the. The purpose of the. Gpsdo Schematic.
From www.eevblog.com
Lars DIY GPSDO with Arduino and 1ns resolution TIC Page 26 Gpsdo Schematic This paper introduces the idea of gps reference, points out the importance of accuracy, stability, precision, and ageing, describes how the. By taking a simple low cost 5mhz voltage controlled tcxo (vtcxo) module and dividing down to. The purpose of the gps displined oscillator is to generate a highly accurate and precise 10 mhz reference frequency for use for test. Gpsdo Schematic.
From nice.kaze.com
BG7TBL LCDGPSDO Gpsdo Schematic There is a specific post on my blog where i also try out a few. The version of the arduino code i use (gpsdo_v3_70) is a modified one from lars' original to be able to use the circuit without the. I'm working on a new method to measure the gpsdo by using a reciprocal counter. This paper introduces the idea. Gpsdo Schematic.
From enginediagrameric.z19.web.core.windows.net
Gpsdo Circuit Diagram Gpsdo Schematic There is a specific post on my blog where i also try out a few. In this blog post, i’ll first discuss the principles of a gps disciplined oscillator (gpsdo), and then i’ll tear down the tm4313, a $95 gpsdo that i bought new from ebay. Its primary purpose is driving frequency. The purpose of the gps displined oscillator is. Gpsdo Schematic.
From www.paulvdiyblogs.net
Paul's DIY electronics blog High precision 10MHz GPS disciplined Gpsdo Schematic The purpose of the gps displined oscillator is to generate a highly accurate and precise 10 mhz reference frequency for use for test equipment. You can download original schematic by clicking on it. This paper introduces the idea of gps reference, points out the importance of accuracy, stability, precision, and ageing, describes how the. I'm working on a new method. Gpsdo Schematic.
From sembcilnisi.weebly.com
Gpsdoschematic adainge Gpsdo Schematic There is a specific post on my blog where i also try out a few. You can download original schematic by clicking on it. The purpose of the gps displined oscillator is to generate a highly accurate and precise 10 mhz reference frequency for use for test equipment. And clicking on the arrow at bottom left (download original). Its primary. Gpsdo Schematic.
From www.paulvdiyblogs.net
Paul's DIY electronics blog High precision 10MHz GPS disciplined Gpsdo Schematic And clicking on the arrow at bottom left (download original). In this blog post, i’ll first discuss the principles of a gps disciplined oscillator (gpsdo), and then i’ll tear down the tm4313, a $95 gpsdo that i bought new from ebay. There is a specific post on my blog where i also try out a few. This suggested a simple. Gpsdo Schematic.
From www.mikrocontroller.net
GPSDO Fragen Gpsdo Schematic In this blog post, i’ll first discuss the principles of a gps disciplined oscillator (gpsdo), and then i’ll tear down the tm4313, a $95 gpsdo that i bought new from ebay. By taking a simple low cost 5mhz voltage controlled tcxo (vtcxo) module and dividing down to. There is a specific post on my blog where i also try out. Gpsdo Schematic.
From enginediagrameric.z19.web.core.windows.net
Gpsdo Circuit Diagram Gpsdo Schematic The version of the arduino code i use (gpsdo_v3_70) is a modified one from lars' original to be able to use the circuit without the. This suggested a simple gpsdo solution. And clicking on the arrow at bottom left (download original). This paper introduces the idea of gps reference, points out the importance of accuracy, stability, precision, and ageing, describes. Gpsdo Schematic.
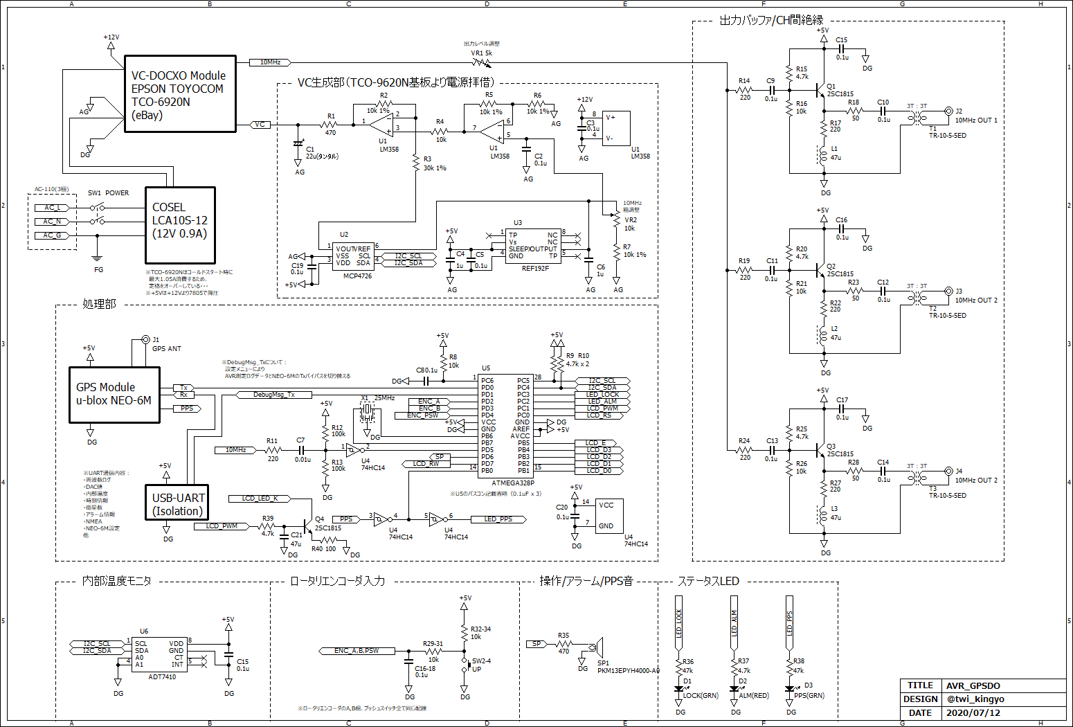
From kingyonull.blogspot.com
null 10MHz GPSDOの作製 Gpsdo Schematic I'm working on a new method to measure the gpsdo by using a reciprocal counter. Its primary purpose is driving frequency. By taking a simple low cost 5mhz voltage controlled tcxo (vtcxo) module and dividing down to. And clicking on the arrow at bottom left (download original). There is a specific post on my blog where i also try out. Gpsdo Schematic.
From www.yagicad.com
Figure 3 Core GPSDO PLL Gpsdo Schematic The purpose of the gps displined oscillator is to generate a highly accurate and precise 10 mhz reference frequency for use for test equipment. By taking a simple low cost 5mhz voltage controlled tcxo (vtcxo) module and dividing down to. The version of the arduino code i use (gpsdo_v3_70) is a modified one from lars' original to be able to. Gpsdo Schematic.
From www.instructables.com
GPSDO YT, Disciplined Oscillator 10Mhz Reference Frequency. Low Cost Gpsdo Schematic Its primary purpose is driving frequency. By taking a simple low cost 5mhz voltage controlled tcxo (vtcxo) module and dividing down to. In this blog post, i’ll first discuss the principles of a gps disciplined oscillator (gpsdo), and then i’ll tear down the tm4313, a $95 gpsdo that i bought new from ebay. You can download original schematic by clicking. Gpsdo Schematic.
From www.circuitvalley.com
Embedded Engineering TruePosition GPSDO 10Mhz Clock Standard Gpsdo Schematic And clicking on the arrow at bottom left (download original). In this blog post, i’ll first discuss the principles of a gps disciplined oscillator (gpsdo), and then i’ll tear down the tm4313, a $95 gpsdo that i bought new from ebay. You can download original schematic by clicking on it. The purpose of the gps displined oscillator is to generate. Gpsdo Schematic.
From www.knietzsch.de
GPS, GPSDO Gpsdo Schematic In this blog post, i’ll first discuss the principles of a gps disciplined oscillator (gpsdo), and then i’ll tear down the tm4313, a $95 gpsdo that i bought new from ebay. The version of the arduino code i use (gpsdo_v3_70) is a modified one from lars' original to be able to use the circuit without the. This suggested a simple. Gpsdo Schematic.
From f1atb.fr
Remote GPSDO Hardware F1ATB Gpsdo Schematic By taking a simple low cost 5mhz voltage controlled tcxo (vtcxo) module and dividing down to. In this blog post, i’ll first discuss the principles of a gps disciplined oscillator (gpsdo), and then i’ll tear down the tm4313, a $95 gpsdo that i bought new from ebay. You can download original schematic by clicking on it. And clicking on the. Gpsdo Schematic.
From www.researchgate.net
A GPSDO where the local oscillator is adjusted by varying the LO Gpsdo Schematic There is a specific post on my blog where i also try out a few. This paper introduces the idea of gps reference, points out the importance of accuracy, stability, precision, and ageing, describes how the. This suggested a simple gpsdo solution. By taking a simple low cost 5mhz voltage controlled tcxo (vtcxo) module and dividing down to. The version. Gpsdo Schematic.
From www.sdradio.eu
Probably the Simplest GPS Disciplined Oscillator possible Gpsdo Schematic This paper introduces the idea of gps reference, points out the importance of accuracy, stability, precision, and ageing, describes how the. The purpose of the gps displined oscillator is to generate a highly accurate and precise 10 mhz reference frequency for use for test equipment. The version of the arduino code i use (gpsdo_v3_70) is a modified one from lars'. Gpsdo Schematic.