3 Phase Ac Motor Controller . Controlling the induction motor speed can lead to reduced efficiency and a lower electrical power factor. In this post i have explained the making of a simple 3 phase induction motor speed controller circuit, which can be also applied for a single phase induction motor or literally for any type of ac motor. In ratings up to 300hp, the diverse lineup includes. The part is targeted toward applications in both the industrial and home.
from circuitlistamsel.z13.web.core.windows.net
The part is targeted toward applications in both the industrial and home. Controlling the induction motor speed can lead to reduced efficiency and a lower electrical power factor. In this post i have explained the making of a simple 3 phase induction motor speed controller circuit, which can be also applied for a single phase induction motor or literally for any type of ac motor. In ratings up to 300hp, the diverse lineup includes.
Three Phase Ac Motor Wiring Diagram
3 Phase Ac Motor Controller In ratings up to 300hp, the diverse lineup includes. In ratings up to 300hp, the diverse lineup includes. In this post i have explained the making of a simple 3 phase induction motor speed controller circuit, which can be also applied for a single phase induction motor or literally for any type of ac motor. The part is targeted toward applications in both the industrial and home. Controlling the induction motor speed can lead to reduced efficiency and a lower electrical power factor.
From www.desertcart.in
Buy Universal 3 Phase VFD Drive VFD Inverter Variable Frequency Drive PWM VFD Controller 15KW AC 3 Phase Ac Motor Controller The part is targeted toward applications in both the industrial and home. Controlling the induction motor speed can lead to reduced efficiency and a lower electrical power factor. In ratings up to 300hp, the diverse lineup includes. In this post i have explained the making of a simple 3 phase induction motor speed controller circuit, which can be also applied. 3 Phase Ac Motor Controller.
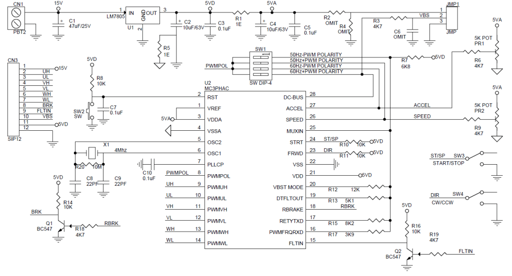
From wiringfixhovers.z13.web.core.windows.net
3 Phase Ac Motor Speed Controller Circuit Diagram 3 Phase Ac Motor Controller In this post i have explained the making of a simple 3 phase induction motor speed controller circuit, which can be also applied for a single phase induction motor or literally for any type of ac motor. The part is targeted toward applications in both the industrial and home. Controlling the induction motor speed can lead to reduced efficiency and. 3 Phase Ac Motor Controller.
From www.youtube.com
How to control a 3phase motor with PLC & VFD Delay program & interlock YouTube 3 Phase Ac Motor Controller The part is targeted toward applications in both the industrial and home. Controlling the induction motor speed can lead to reduced efficiency and a lower electrical power factor. In this post i have explained the making of a simple 3 phase induction motor speed controller circuit, which can be also applied for a single phase induction motor or literally for. 3 Phase Ac Motor Controller.
From www.walmart.ca
Phase AC Motor Controller,Speed Controller 3 Phase AC Motor Speed Controller Electronic Speed 3 Phase Ac Motor Controller The part is targeted toward applications in both the industrial and home. Controlling the induction motor speed can lead to reduced efficiency and a lower electrical power factor. In ratings up to 300hp, the diverse lineup includes. In this post i have explained the making of a simple 3 phase induction motor speed controller circuit, which can be also applied. 3 Phase Ac Motor Controller.
From www.youtube.com
3 Phase Motor Control Wiring Tutorial Urdu Hindi Rig Electrician Training Electrical YouTube 3 Phase Ac Motor Controller In ratings up to 300hp, the diverse lineup includes. Controlling the induction motor speed can lead to reduced efficiency and a lower electrical power factor. In this post i have explained the making of a simple 3 phase induction motor speed controller circuit, which can be also applied for a single phase induction motor or literally for any type of. 3 Phase Ac Motor Controller.
From electrical-engineering-portal.com
Basic PLC program for control of a threephase AC motor 3 Phase Ac Motor Controller In ratings up to 300hp, the diverse lineup includes. Controlling the induction motor speed can lead to reduced efficiency and a lower electrical power factor. In this post i have explained the making of a simple 3 phase induction motor speed controller circuit, which can be also applied for a single phase induction motor or literally for any type of. 3 Phase Ac Motor Controller.
From cononmotor.com.au
Three Phase varaible frequency drive with Electric motor speed control package 3 Phase Ac Motor Controller The part is targeted toward applications in both the industrial and home. Controlling the induction motor speed can lead to reduced efficiency and a lower electrical power factor. In this post i have explained the making of a simple 3 phase induction motor speed controller circuit, which can be also applied for a single phase induction motor or literally for. 3 Phase Ac Motor Controller.
From www.electronics-lab.com
3 Phase AC Motor Controller ElectronicsLab 3 Phase Ac Motor Controller Controlling the induction motor speed can lead to reduced efficiency and a lower electrical power factor. The part is targeted toward applications in both the industrial and home. In this post i have explained the making of a simple 3 phase induction motor speed controller circuit, which can be also applied for a single phase induction motor or literally for. 3 Phase Ac Motor Controller.
From www.agrowtek.com
Relays & I/O Modules GrowControlâ„¢ MX3i 3Phase/230V AC Motor Controller 3 Phase Ac Motor Controller In this post i have explained the making of a simple 3 phase induction motor speed controller circuit, which can be also applied for a single phase induction motor or literally for any type of ac motor. Controlling the induction motor speed can lead to reduced efficiency and a lower electrical power factor. The part is targeted toward applications in. 3 Phase Ac Motor Controller.
From maintenanceskill.com
How 3 Phase Motor Control Circuit Works 3 Phase Ac Motor Controller In ratings up to 300hp, the diverse lineup includes. The part is targeted toward applications in both the industrial and home. Controlling the induction motor speed can lead to reduced efficiency and a lower electrical power factor. In this post i have explained the making of a simple 3 phase induction motor speed controller circuit, which can be also applied. 3 Phase Ac Motor Controller.
From www.winwinmachine.com
YTC8A YTC8A YTC 8A Three phase AC torque motor controller Ruian WinWin Machinery Co., Ltd. 3 Phase Ac Motor Controller In ratings up to 300hp, the diverse lineup includes. In this post i have explained the making of a simple 3 phase induction motor speed controller circuit, which can be also applied for a single phase induction motor or literally for any type of ac motor. Controlling the induction motor speed can lead to reduced efficiency and a lower electrical. 3 Phase Ac Motor Controller.
From mydiagram.online
[DIAGRAM] Three Phase Motor Control Circuit Diagram 3 Phase Ac Motor Controller Controlling the induction motor speed can lead to reduced efficiency and a lower electrical power factor. In this post i have explained the making of a simple 3 phase induction motor speed controller circuit, which can be also applied for a single phase induction motor or literally for any type of ac motor. In ratings up to 300hp, the diverse. 3 Phase Ac Motor Controller.
From manualwiringreinhardt.z19.web.core.windows.net
3 Phase Ac Motor Speed Controller Circuit Diagram 3 Phase Ac Motor Controller The part is targeted toward applications in both the industrial and home. In this post i have explained the making of a simple 3 phase induction motor speed controller circuit, which can be also applied for a single phase induction motor or literally for any type of ac motor. In ratings up to 300hp, the diverse lineup includes. Controlling the. 3 Phase Ac Motor Controller.
From www.electronics-lab.com
3 Phase AC Motor Controller 3 Phase Ac Motor Controller In ratings up to 300hp, the diverse lineup includes. The part is targeted toward applications in both the industrial and home. Controlling the induction motor speed can lead to reduced efficiency and a lower electrical power factor. In this post i have explained the making of a simple 3 phase induction motor speed controller circuit, which can be also applied. 3 Phase Ac Motor Controller.
From www.youtube.com
How a 3 Phase Motor Control Circuit Works YouTube 3 Phase Ac Motor Controller In ratings up to 300hp, the diverse lineup includes. The part is targeted toward applications in both the industrial and home. In this post i have explained the making of a simple 3 phase induction motor speed controller circuit, which can be also applied for a single phase induction motor or literally for any type of ac motor. Controlling the. 3 Phase Ac Motor Controller.
From www.walmart.com
Mgaxyff 3Phase Motor Speed Controller,Motor Speed Controller,DC 5V36V 15A 3Phase Brushless 3 Phase Ac Motor Controller In this post i have explained the making of a simple 3 phase induction motor speed controller circuit, which can be also applied for a single phase induction motor or literally for any type of ac motor. The part is targeted toward applications in both the industrial and home. In ratings up to 300hp, the diverse lineup includes. Controlling the. 3 Phase Ac Motor Controller.
From maryfloydjoschematic.z14.web.core.windows.net
3 Phase 2 Speed Motor Control Circuit Diagram 3 Phase Ac Motor Controller In this post i have explained the making of a simple 3 phase induction motor speed controller circuit, which can be also applied for a single phase induction motor or literally for any type of ac motor. In ratings up to 300hp, the diverse lineup includes. The part is targeted toward applications in both the industrial and home. Controlling the. 3 Phase Ac Motor Controller.
From wiringdiagram.2bitboer.com
3 Phase Motor Control Circuit Diagram Pdf Wiring Diagram 3 Phase Ac Motor Controller In ratings up to 300hp, the diverse lineup includes. The part is targeted toward applications in both the industrial and home. Controlling the induction motor speed can lead to reduced efficiency and a lower electrical power factor. In this post i have explained the making of a simple 3 phase induction motor speed controller circuit, which can be also applied. 3 Phase Ac Motor Controller.
From wirelibrarycirques.z4.web.core.windows.net
Ac Motor Control Methods 3 Phase Ac Motor Controller In this post i have explained the making of a simple 3 phase induction motor speed controller circuit, which can be also applied for a single phase induction motor or literally for any type of ac motor. In ratings up to 300hp, the diverse lineup includes. The part is targeted toward applications in both the industrial and home. Controlling the. 3 Phase Ac Motor Controller.
From www.tescaglobal.com
Three Phase AC Voltage Controller 3 Phase Ac Motor Controller In this post i have explained the making of a simple 3 phase induction motor speed controller circuit, which can be also applied for a single phase induction motor or literally for any type of ac motor. Controlling the induction motor speed can lead to reduced efficiency and a lower electrical power factor. The part is targeted toward applications in. 3 Phase Ac Motor Controller.
From www.drivevfd.com
Comparison of Different Types of 3Phase AC Motor Speed Controllers Pros and Cons Drive VFD 3 Phase Ac Motor Controller The part is targeted toward applications in both the industrial and home. Controlling the induction motor speed can lead to reduced efficiency and a lower electrical power factor. In this post i have explained the making of a simple 3 phase induction motor speed controller circuit, which can be also applied for a single phase induction motor or literally for. 3 Phase Ac Motor Controller.
From aforizemvwnwirelib.z13.web.core.windows.net
Basic Wiring Diagram For 3 Phase Motor 3 Phase Ac Motor Controller In ratings up to 300hp, the diverse lineup includes. Controlling the induction motor speed can lead to reduced efficiency and a lower electrical power factor. In this post i have explained the making of a simple 3 phase induction motor speed controller circuit, which can be also applied for a single phase induction motor or literally for any type of. 3 Phase Ac Motor Controller.
From electricala2z.com
AC Motor Types Working Principle Single & Three Phase AC Motors 3 Phase Ac Motor Controller In ratings up to 300hp, the diverse lineup includes. The part is targeted toward applications in both the industrial and home. In this post i have explained the making of a simple 3 phase induction motor speed controller circuit, which can be also applied for a single phase induction motor or literally for any type of ac motor. Controlling the. 3 Phase Ac Motor Controller.
From www.aliexpress.com
2200w 380V 3 phase AC Motor Speed Controllerin Inverters & Converters from Home Improvement on 3 Phase Ac Motor Controller The part is targeted toward applications in both the industrial and home. In this post i have explained the making of a simple 3 phase induction motor speed controller circuit, which can be also applied for a single phase induction motor or literally for any type of ac motor. In ratings up to 300hp, the diverse lineup includes. Controlling the. 3 Phase Ac Motor Controller.
From electrical-eng-world.blogspot.com
Forward & Reverse 3 Phase AC Motor Control Circuit Diagram 3 Phase Ac Motor Controller In ratings up to 300hp, the diverse lineup includes. In this post i have explained the making of a simple 3 phase induction motor speed controller circuit, which can be also applied for a single phase induction motor or literally for any type of ac motor. The part is targeted toward applications in both the industrial and home. Controlling the. 3 Phase Ac Motor Controller.
From www.desertcart.in
Buy Universal 3 Phase VFD Drive VFD Inverter Variable Frequency Drive PWM VFD Controller 1.5KW 3 Phase Ac Motor Controller In this post i have explained the making of a simple 3 phase induction motor speed controller circuit, which can be also applied for a single phase induction motor or literally for any type of ac motor. Controlling the induction motor speed can lead to reduced efficiency and a lower electrical power factor. In ratings up to 300hp, the diverse. 3 Phase Ac Motor Controller.
From spwindustrial.com
Three Phase Motor Speed Controller 7.5 HP 480 Volt Three Phase Input 3 Phase Ac Motor Controller The part is targeted toward applications in both the industrial and home. Controlling the induction motor speed can lead to reduced efficiency and a lower electrical power factor. In ratings up to 300hp, the diverse lineup includes. In this post i have explained the making of a simple 3 phase induction motor speed controller circuit, which can be also applied. 3 Phase Ac Motor Controller.
From www.youtube.com
3 Phase Motor Control Circuit Diagram Rig Electrician Training YouTube 3 Phase Ac Motor Controller In this post i have explained the making of a simple 3 phase induction motor speed controller circuit, which can be also applied for a single phase induction motor or literally for any type of ac motor. The part is targeted toward applications in both the industrial and home. Controlling the induction motor speed can lead to reduced efficiency and. 3 Phase Ac Motor Controller.
From www.electronics-lab.com
3 Phase AC Motor Controller 3 Phase Ac Motor Controller In ratings up to 300hp, the diverse lineup includes. In this post i have explained the making of a simple 3 phase induction motor speed controller circuit, which can be also applied for a single phase induction motor or literally for any type of ac motor. Controlling the induction motor speed can lead to reduced efficiency and a lower electrical. 3 Phase Ac Motor Controller.
From www.circuits-diy.com
How to Build a 3Phase Brushless (BLDC) Motor Driver Circuit 3 Phase Ac Motor Controller In ratings up to 300hp, the diverse lineup includes. In this post i have explained the making of a simple 3 phase induction motor speed controller circuit, which can be also applied for a single phase induction motor or literally for any type of ac motor. Controlling the induction motor speed can lead to reduced efficiency and a lower electrical. 3 Phase Ac Motor Controller.
From circuitlistamsel.z13.web.core.windows.net
Three Phase Ac Motor Wiring Diagram 3 Phase Ac Motor Controller In this post i have explained the making of a simple 3 phase induction motor speed controller circuit, which can be also applied for a single phase induction motor or literally for any type of ac motor. In ratings up to 300hp, the diverse lineup includes. Controlling the induction motor speed can lead to reduced efficiency and a lower electrical. 3 Phase Ac Motor Controller.
From wiringdiagram.2bitboer.com
3 Phase Motor Control Circuit Diagram Pdf Wiring Diagram 3 Phase Ac Motor Controller In ratings up to 300hp, the diverse lineup includes. Controlling the induction motor speed can lead to reduced efficiency and a lower electrical power factor. In this post i have explained the making of a simple 3 phase induction motor speed controller circuit, which can be also applied for a single phase induction motor or literally for any type of. 3 Phase Ac Motor Controller.
From slidetodoc.com
3 Phase AC Motor Controller Senior Design Team 3 Phase Ac Motor Controller Controlling the induction motor speed can lead to reduced efficiency and a lower electrical power factor. The part is targeted toward applications in both the industrial and home. In ratings up to 300hp, the diverse lineup includes. In this post i have explained the making of a simple 3 phase induction motor speed controller circuit, which can be also applied. 3 Phase Ac Motor Controller.
From www.homemade-circuits.com
3 Phase Induction Motor Speed Controller Circuit Electronic Circuit Projects 3 Phase Ac Motor Controller In ratings up to 300hp, the diverse lineup includes. In this post i have explained the making of a simple 3 phase induction motor speed controller circuit, which can be also applied for a single phase induction motor or literally for any type of ac motor. The part is targeted toward applications in both the industrial and home. Controlling the. 3 Phase Ac Motor Controller.
From www.youtube.com
3 Phase Motor Control With SSR! SSR Holding Circuit Diagram! 3 Phasr SSR Wiring! SN TECHNICAL 3 Phase Ac Motor Controller In this post i have explained the making of a simple 3 phase induction motor speed controller circuit, which can be also applied for a single phase induction motor or literally for any type of ac motor. In ratings up to 300hp, the diverse lineup includes. The part is targeted toward applications in both the industrial and home. Controlling the. 3 Phase Ac Motor Controller.