Applications Of A/D And D/A Converters . The world is analog, signal processing nowadays is digital. the above diagram shows a typical application in which a/d and d/a conversions are employed. The transition between the two domains is. these converters find more applications as an intermediate device to convert the signals from analog to digital form, display output.
from www.semanticscholar.org
the above diagram shows a typical application in which a/d and d/a conversions are employed. The transition between the two domains is. The world is analog, signal processing nowadays is digital. these converters find more applications as an intermediate device to convert the signals from analog to digital form, display output.
Figure 5 from AN688 Layout Tips for 12Bit A/D Converter Application
Applications Of A/D And D/A Converters these converters find more applications as an intermediate device to convert the signals from analog to digital form, display output. The transition between the two domains is. these converters find more applications as an intermediate device to convert the signals from analog to digital form, display output. The world is analog, signal processing nowadays is digital. the above diagram shows a typical application in which a/d and d/a conversions are employed.
From www.seekic.com
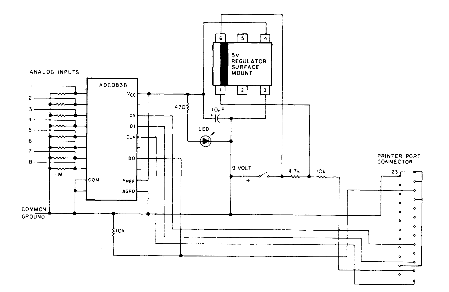
8_CHANNEL_A_D_CONVERTER_FOR_PC_CLONESCont AD_converter AD_DA Applications Of A/D And D/A Converters The world is analog, signal processing nowadays is digital. these converters find more applications as an intermediate device to convert the signals from analog to digital form, display output. the above diagram shows a typical application in which a/d and d/a conversions are employed. The transition between the two domains is. Applications Of A/D And D/A Converters.
From www.youtube.com
15EC32T Unit 04 D to A and A to D Converters Lecture 30 & 31 YouTube Applications Of A/D And D/A Converters The world is analog, signal processing nowadays is digital. these converters find more applications as an intermediate device to convert the signals from analog to digital form, display output. the above diagram shows a typical application in which a/d and d/a conversions are employed. The transition between the two domains is. Applications Of A/D And D/A Converters.
From www.semanticscholar.org
Figure 1 from Design of a 6bit 1GSPS fully folded CMOS A/D converter Applications Of A/D And D/A Converters The world is analog, signal processing nowadays is digital. The transition between the two domains is. these converters find more applications as an intermediate device to convert the signals from analog to digital form, display output. the above diagram shows a typical application in which a/d and d/a conversions are employed. Applications Of A/D And D/A Converters.
From www.mdpi.com
Forecasting Free FullText Comprehensive Review of Power Electronic Applications Of A/D And D/A Converters The transition between the two domains is. The world is analog, signal processing nowadays is digital. the above diagram shows a typical application in which a/d and d/a conversions are employed. these converters find more applications as an intermediate device to convert the signals from analog to digital form, display output. Applications Of A/D And D/A Converters.
From how2electronics.com
DCtoDC Converters Design, Working & Applications Applications Of A/D And D/A Converters the above diagram shows a typical application in which a/d and d/a conversions are employed. The transition between the two domains is. these converters find more applications as an intermediate device to convert the signals from analog to digital form, display output. The world is analog, signal processing nowadays is digital. Applications Of A/D And D/A Converters.
From www.semanticscholar.org
Figure 4 from Design for A/D converter reliability for low temperature Applications Of A/D And D/A Converters The transition between the two domains is. these converters find more applications as an intermediate device to convert the signals from analog to digital form, display output. The world is analog, signal processing nowadays is digital. the above diagram shows a typical application in which a/d and d/a conversions are employed. Applications Of A/D And D/A Converters.
From www.researchgate.net
Schematic of an A/D converter. Download Scientific Diagram Applications Of A/D And D/A Converters The transition between the two domains is. the above diagram shows a typical application in which a/d and d/a conversions are employed. these converters find more applications as an intermediate device to convert the signals from analog to digital form, display output. The world is analog, signal processing nowadays is digital. Applications Of A/D And D/A Converters.
From eureka.patsnap.com
A/D Converter Comprising a Voltage Comparator Device Eureka Patsnap Applications Of A/D And D/A Converters The world is analog, signal processing nowadays is digital. these converters find more applications as an intermediate device to convert the signals from analog to digital form, display output. the above diagram shows a typical application in which a/d and d/a conversions are employed. The transition between the two domains is. Applications Of A/D And D/A Converters.
From www.seekic.com
10-BIT_A_D_CONVERTER AD_converter AD_DA_Converter_Circuit Applications Of A/D And D/A Converters The transition between the two domains is. these converters find more applications as an intermediate device to convert the signals from analog to digital form, display output. The world is analog, signal processing nowadays is digital. the above diagram shows a typical application in which a/d and d/a conversions are employed. Applications Of A/D And D/A Converters.
From circuitsbrescia8g.z22.web.core.windows.net
D To A Converter Circuit Diagram Applications Of A/D And D/A Converters these converters find more applications as an intermediate device to convert the signals from analog to digital form, display output. The world is analog, signal processing nowadays is digital. the above diagram shows a typical application in which a/d and d/a conversions are employed. The transition between the two domains is. Applications Of A/D And D/A Converters.
From www.dpamicrophones.com
Getting from A to D and back Introduction to digital conversion Applications Of A/D And D/A Converters these converters find more applications as an intermediate device to convert the signals from analog to digital form, display output. The world is analog, signal processing nowadays is digital. the above diagram shows a typical application in which a/d and d/a conversions are employed. The transition between the two domains is. Applications Of A/D And D/A Converters.
From www.soundpure.com
Benchmark ADC1 USB A/D Converter Applications Of A/D And D/A Converters The world is analog, signal processing nowadays is digital. The transition between the two domains is. the above diagram shows a typical application in which a/d and d/a conversions are employed. these converters find more applications as an intermediate device to convert the signals from analog to digital form, display output. Applications Of A/D And D/A Converters.
From www.semanticscholar.org
Figure 5 from AN688 Layout Tips for 12Bit A/D Converter Application Applications Of A/D And D/A Converters The world is analog, signal processing nowadays is digital. these converters find more applications as an intermediate device to convert the signals from analog to digital form, display output. the above diagram shows a typical application in which a/d and d/a conversions are employed. The transition between the two domains is. Applications Of A/D And D/A Converters.
From dxoasstzn.blob.core.windows.net
Ac To Dc Converter Using Transistor at Cinda Thoreson blog Applications Of A/D And D/A Converters the above diagram shows a typical application in which a/d and d/a conversions are employed. The world is analog, signal processing nowadays is digital. these converters find more applications as an intermediate device to convert the signals from analog to digital form, display output. The transition between the two domains is. Applications Of A/D And D/A Converters.
From enginelibraryeisenhauer.z19.web.core.windows.net
Explain Analog To Digital Converter Applications Of A/D And D/A Converters the above diagram shows a typical application in which a/d and d/a conversions are employed. The world is analog, signal processing nowadays is digital. The transition between the two domains is. these converters find more applications as an intermediate device to convert the signals from analog to digital form, display output. Applications Of A/D And D/A Converters.
From www.slideserve.com
PPT Data Converter Basics PowerPoint Presentation, free download ID Applications Of A/D And D/A Converters these converters find more applications as an intermediate device to convert the signals from analog to digital form, display output. The transition between the two domains is. the above diagram shows a typical application in which a/d and d/a conversions are employed. The world is analog, signal processing nowadays is digital. Applications Of A/D And D/A Converters.
From www.youtube.com
R 2R Ladder DA Converter A/D and D/A Converters Application of Applications Of A/D And D/A Converters The transition between the two domains is. these converters find more applications as an intermediate device to convert the signals from analog to digital form, display output. The world is analog, signal processing nowadays is digital. the above diagram shows a typical application in which a/d and d/a conversions are employed. Applications Of A/D And D/A Converters.
From www.electricaltechnology.org
Digital to Analog Converter (DAC) Types, Working & Applications Applications Of A/D And D/A Converters The transition between the two domains is. The world is analog, signal processing nowadays is digital. the above diagram shows a typical application in which a/d and d/a conversions are employed. these converters find more applications as an intermediate device to convert the signals from analog to digital form, display output. Applications Of A/D And D/A Converters.
From courses.cs.washington.edu
A/D converters Applications Of A/D And D/A Converters the above diagram shows a typical application in which a/d and d/a conversions are employed. The transition between the two domains is. these converters find more applications as an intermediate device to convert the signals from analog to digital form, display output. The world is analog, signal processing nowadays is digital. Applications Of A/D And D/A Converters.
From www.youtube.com
Preamp, Audio Interface and A/D Converter What's the Difference Applications Of A/D And D/A Converters The world is analog, signal processing nowadays is digital. the above diagram shows a typical application in which a/d and d/a conversions are employed. these converters find more applications as an intermediate device to convert the signals from analog to digital form, display output. The transition between the two domains is. Applications Of A/D And D/A Converters.
From www.seekic.com
_VIDEO_A_D-D_A_CONVERTER Basic_Circuit Circuit Diagram Applications Of A/D And D/A Converters The transition between the two domains is. the above diagram shows a typical application in which a/d and d/a conversions are employed. The world is analog, signal processing nowadays is digital. these converters find more applications as an intermediate device to convert the signals from analog to digital form, display output. Applications Of A/D And D/A Converters.
From eureka.patsnap.com
A/D Converter Comprising a Voltage Comparator Device Eureka Patsnap Applications Of A/D And D/A Converters The world is analog, signal processing nowadays is digital. these converters find more applications as an intermediate device to convert the signals from analog to digital form, display output. the above diagram shows a typical application in which a/d and d/a conversions are employed. The transition between the two domains is. Applications Of A/D And D/A Converters.
From www.seekic.com
A_D_converter Basic_Circuit Circuit Diagram Applications Of A/D And D/A Converters The world is analog, signal processing nowadays is digital. The transition between the two domains is. the above diagram shows a typical application in which a/d and d/a conversions are employed. these converters find more applications as an intermediate device to convert the signals from analog to digital form, display output. Applications Of A/D And D/A Converters.
From circuitdigest.com
An Overview of Dual Converters Working, Modes and Types Applications Of A/D And D/A Converters the above diagram shows a typical application in which a/d and d/a conversions are employed. these converters find more applications as an intermediate device to convert the signals from analog to digital form, display output. The world is analog, signal processing nowadays is digital. The transition between the two domains is. Applications Of A/D And D/A Converters.
From store.ncd.io
ADC081C 8Bit 1Channel HighSpeed Analog to Digital Converter I2C Mini Applications Of A/D And D/A Converters the above diagram shows a typical application in which a/d and d/a conversions are employed. The transition between the two domains is. The world is analog, signal processing nowadays is digital. these converters find more applications as an intermediate device to convert the signals from analog to digital form, display output. Applications Of A/D And D/A Converters.
From www.mdpi.com
Energies Free FullText StepUp Series Resonant DCDC Converter Applications Of A/D And D/A Converters The world is analog, signal processing nowadays is digital. the above diagram shows a typical application in which a/d and d/a conversions are employed. The transition between the two domains is. these converters find more applications as an intermediate device to convert the signals from analog to digital form, display output. Applications Of A/D And D/A Converters.
From www.chegg.com
The A/D converter's Vref(+) and Vref() can be set. Applications Of A/D And D/A Converters The world is analog, signal processing nowadays is digital. the above diagram shows a typical application in which a/d and d/a conversions are employed. The transition between the two domains is. these converters find more applications as an intermediate device to convert the signals from analog to digital form, display output. Applications Of A/D And D/A Converters.
From www.ibsolar.co.in
Solar Energy Converter AC to DC Converter IB Solar Applications Of A/D And D/A Converters these converters find more applications as an intermediate device to convert the signals from analog to digital form, display output. The transition between the two domains is. the above diagram shows a typical application in which a/d and d/a conversions are employed. The world is analog, signal processing nowadays is digital. Applications Of A/D And D/A Converters.
From exokxtgqu.blob.core.windows.net
Sense Lines Power Supply at Kerry Hale blog Applications Of A/D And D/A Converters the above diagram shows a typical application in which a/d and d/a conversions are employed. The transition between the two domains is. these converters find more applications as an intermediate device to convert the signals from analog to digital form, display output. The world is analog, signal processing nowadays is digital. Applications Of A/D And D/A Converters.
From www.youtube.com
What are A/D and D/A converters Microprocessor and Microcontroller Applications Of A/D And D/A Converters The world is analog, signal processing nowadays is digital. The transition between the two domains is. the above diagram shows a typical application in which a/d and d/a conversions are employed. these converters find more applications as an intermediate device to convert the signals from analog to digital form, display output. Applications Of A/D And D/A Converters.
From www.aliexpress.com
ADS1256multichannelhighprecisionADmoduleanalogtodigital Applications Of A/D And D/A Converters these converters find more applications as an intermediate device to convert the signals from analog to digital form, display output. The transition between the two domains is. the above diagram shows a typical application in which a/d and d/a conversions are employed. The world is analog, signal processing nowadays is digital. Applications Of A/D And D/A Converters.
From studylib.net
A to D Converter Applications Of A/D And D/A Converters The world is analog, signal processing nowadays is digital. The transition between the two domains is. these converters find more applications as an intermediate device to convert the signals from analog to digital form, display output. the above diagram shows a typical application in which a/d and d/a conversions are employed. Applications Of A/D And D/A Converters.
From www.planetanalog.com
Four ways makers can use D/A converters Analog Applications Of A/D And D/A Converters The world is analog, signal processing nowadays is digital. these converters find more applications as an intermediate device to convert the signals from analog to digital form, display output. the above diagram shows a typical application in which a/d and d/a conversions are employed. The transition between the two domains is. Applications Of A/D And D/A Converters.
From www.semanticscholar.org
Figure 1 from New A/D converter architectures based on Gray coding Applications Of A/D And D/A Converters The transition between the two domains is. the above diagram shows a typical application in which a/d and d/a conversions are employed. these converters find more applications as an intermediate device to convert the signals from analog to digital form, display output. The world is analog, signal processing nowadays is digital. Applications Of A/D And D/A Converters.
From slideplayer.com
Principles & Applications ppt download Applications Of A/D And D/A Converters The world is analog, signal processing nowadays is digital. these converters find more applications as an intermediate device to convert the signals from analog to digital form, display output. The transition between the two domains is. the above diagram shows a typical application in which a/d and d/a conversions are employed. Applications Of A/D And D/A Converters.