John Deere 1050 Hydraulic Control Valve . My jd 1050 selective control valve failed and this is my repair to get things back in operational. I have a 1983 john deere 1050 with a front end loader. Hydraulic parts > valves > mg86584587: John deere scv’s meet critical specifications to ensure leak prevention on. Find parts for your john deere selective control valve lines (1050) with our free parts lookup tool! The selective control valve leaks out of the valve at the opposite end of. Original factory manuals for john deere tractors, dozers, combines, excavators, movers contains high quality images, circuit diagrams and.
from www.weingartz.com
I have a 1983 john deere 1050 with a front end loader. Original factory manuals for john deere tractors, dozers, combines, excavators, movers contains high quality images, circuit diagrams and. The selective control valve leaks out of the valve at the opposite end of. Hydraulic parts > valves > mg86584587: John deere scv’s meet critical specifications to ensure leak prevention on. Find parts for your john deere selective control valve lines (1050) with our free parts lookup tool! My jd 1050 selective control valve failed and this is my repair to get things back in operational.
ARIMain WEINGARTZ
John Deere 1050 Hydraulic Control Valve My jd 1050 selective control valve failed and this is my repair to get things back in operational. The selective control valve leaks out of the valve at the opposite end of. Original factory manuals for john deere tractors, dozers, combines, excavators, movers contains high quality images, circuit diagrams and. I have a 1983 john deere 1050 with a front end loader. John deere scv’s meet critical specifications to ensure leak prevention on. Hydraulic parts > valves > mg86584587: Find parts for your john deere selective control valve lines (1050) with our free parts lookup tool! My jd 1050 selective control valve failed and this is my repair to get things back in operational.
From 777parts.net
CYLINDER HEAD VALVES AND ROCKER ARMS [A18] TRACTOR, COMPACT UTILITY John Deere 1050 Hydraulic Control Valve Hydraulic parts > valves > mg86584587: I have a 1983 john deere 1050 with a front end loader. My jd 1050 selective control valve failed and this is my repair to get things back in operational. John deere scv’s meet critical specifications to ensure leak prevention on. Find parts for your john deere selective control valve lines (1050) with our. John Deere 1050 Hydraulic Control Valve.
From www.bootheeltractorparts.com
John Deere Hydraulic Control Valve for John Deere 6105M, 6105R, 6115M John Deere 1050 Hydraulic Control Valve My jd 1050 selective control valve failed and this is my repair to get things back in operational. Hydraulic parts > valves > mg86584587: Original factory manuals for john deere tractors, dozers, combines, excavators, movers contains high quality images, circuit diagrams and. Find parts for your john deere selective control valve lines (1050) with our free parts lookup tool! John. John Deere 1050 Hydraulic Control Valve.
From schematicwiringjuliane.z13.web.core.windows.net
John Deere 1050 Hydraulic Schematic John Deere 1050 Hydraulic Control Valve My jd 1050 selective control valve failed and this is my repair to get things back in operational. Original factory manuals for john deere tractors, dozers, combines, excavators, movers contains high quality images, circuit diagrams and. John deere scv’s meet critical specifications to ensure leak prevention on. Find parts for your john deere selective control valve lines (1050) with our. John Deere 1050 Hydraulic Control Valve.
From 777parts.net
SELECTIVE CONTROL VALVE HOUSING (DUKES FLUID POWER 1627AN) [I13 John Deere 1050 Hydraulic Control Valve My jd 1050 selective control valve failed and this is my repair to get things back in operational. Original factory manuals for john deere tractors, dozers, combines, excavators, movers contains high quality images, circuit diagrams and. Hydraulic parts > valves > mg86584587: I have a 1983 john deere 1050 with a front end loader. Find parts for your john deere. John Deere 1050 Hydraulic Control Valve.
From 777parts.net
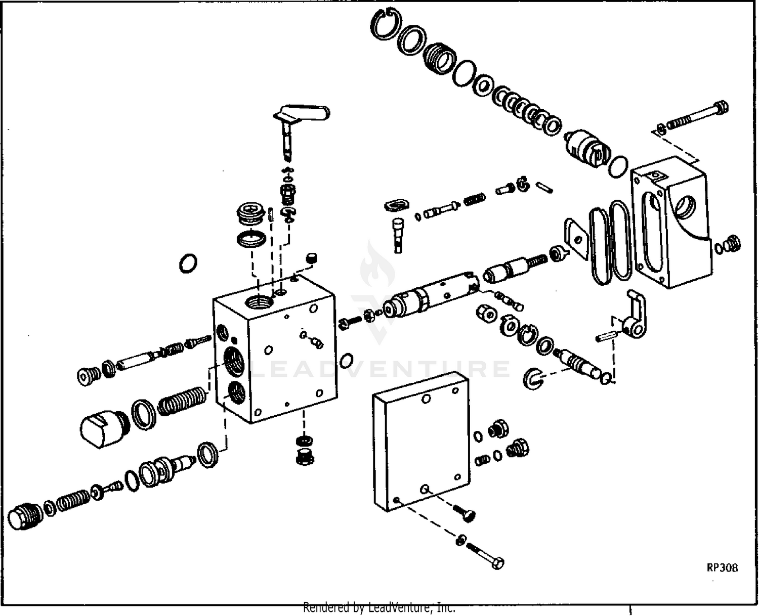
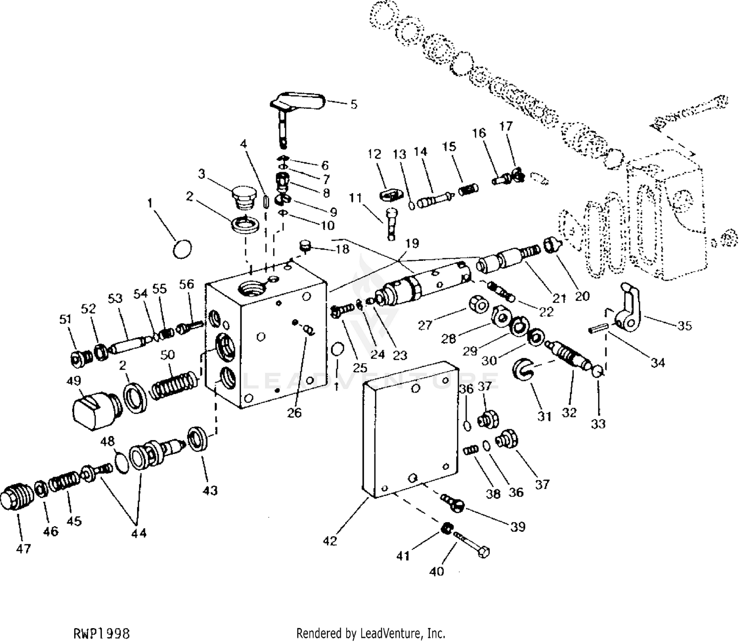
1050 SELECTIVE CONTROL VALVE KIT [02C21] TRACTOR, COMPACT UTILITY John Deere 1050 Hydraulic Control Valve My jd 1050 selective control valve failed and this is my repair to get things back in operational. I have a 1983 john deere 1050 with a front end loader. Hydraulic parts > valves > mg86584587: Original factory manuals for john deere tractors, dozers, combines, excavators, movers contains high quality images, circuit diagrams and. Find parts for your john deere. John Deere 1050 Hydraulic Control Valve.
From allwiringsketch.com
Understanding the Hydraulic System of John Deere 1050 John Deere 1050 Hydraulic Control Valve Hydraulic parts > valves > mg86584587: Find parts for your john deere selective control valve lines (1050) with our free parts lookup tool! Original factory manuals for john deere tractors, dozers, combines, excavators, movers contains high quality images, circuit diagrams and. My jd 1050 selective control valve failed and this is my repair to get things back in operational. John. John Deere 1050 Hydraulic Control Valve.
From 777parts.net
HYDRAULIC ASSEMBLY FOR 1050 TRACTOR (WITH POWER STEERING AND SELECTIVE John Deere 1050 Hydraulic Control Valve Original factory manuals for john deere tractors, dozers, combines, excavators, movers contains high quality images, circuit diagrams and. Find parts for your john deere selective control valve lines (1050) with our free parts lookup tool! I have a 1983 john deere 1050 with a front end loader. John deere scv’s meet critical specifications to ensure leak prevention on. Hydraulic parts. John Deere 1050 Hydraulic Control Valve.
From www.bootheeltractorparts.com
John Deere 9630 Hydraulic Control Valve for John Deere 9230, 9330 John Deere 1050 Hydraulic Control Valve Hydraulic parts > valves > mg86584587: Find parts for your john deere selective control valve lines (1050) with our free parts lookup tool! John deere scv’s meet critical specifications to ensure leak prevention on. The selective control valve leaks out of the valve at the opposite end of. My jd 1050 selective control valve failed and this is my repair. John Deere 1050 Hydraulic Control Valve.
From 777parts.net
1050 ROCKSHAFT CONTROL VALVE KIT [6] TRACTOR, COMPACT UTILITY John John Deere 1050 Hydraulic Control Valve My jd 1050 selective control valve failed and this is my repair to get things back in operational. Original factory manuals for john deere tractors, dozers, combines, excavators, movers contains high quality images, circuit diagrams and. Find parts for your john deere selective control valve lines (1050) with our free parts lookup tool! John deere scv’s meet critical specifications to. John Deere 1050 Hydraulic Control Valve.
From allwiringsketch.com
Understanding the Hydraulic System of John Deere 1050 John Deere 1050 Hydraulic Control Valve The selective control valve leaks out of the valve at the opposite end of. Find parts for your john deere selective control valve lines (1050) with our free parts lookup tool! Hydraulic parts > valves > mg86584587: John deere scv’s meet critical specifications to ensure leak prevention on. I have a 1983 john deere 1050 with a front end loader.. John Deere 1050 Hydraulic Control Valve.
From 777parts.net
850/950 SELECTIVE CONTROL VALVE LINES [02C17] TRACTOR, COMPACT John Deere 1050 Hydraulic Control Valve John deere scv’s meet critical specifications to ensure leak prevention on. Original factory manuals for john deere tractors, dozers, combines, excavators, movers contains high quality images, circuit diagrams and. The selective control valve leaks out of the valve at the opposite end of. Find parts for your john deere selective control valve lines (1050) with our free parts lookup tool!. John Deere 1050 Hydraulic Control Valve.
From www.walmart.com
Used Hydraulic Pressure Control Valve fits John Deere 4555 4450 4050 John Deere 1050 Hydraulic Control Valve Find parts for your john deere selective control valve lines (1050) with our free parts lookup tool! Original factory manuals for john deere tractors, dozers, combines, excavators, movers contains high quality images, circuit diagrams and. The selective control valve leaks out of the valve at the opposite end of. Hydraulic parts > valves > mg86584587: John deere scv’s meet critical. John Deere 1050 Hydraulic Control Valve.
From 777parts.net
ROCKSHAFT CONTROL VALVE HOUSING AND VALVES [H10] TRACTOR, COMPACT John Deere 1050 Hydraulic Control Valve I have a 1983 john deere 1050 with a front end loader. Original factory manuals for john deere tractors, dozers, combines, excavators, movers contains high quality images, circuit diagrams and. John deere scv’s meet critical specifications to ensure leak prevention on. Find parts for your john deere selective control valve lines (1050) with our free parts lookup tool! My jd. John Deere 1050 Hydraulic Control Valve.
From www.tractorpartsasap.com
Used Selective Control Valve Compatible with John Deere 1020 2020 2030 2040 John Deere 1050 Hydraulic Control Valve Original factory manuals for john deere tractors, dozers, combines, excavators, movers contains high quality images, circuit diagrams and. My jd 1050 selective control valve failed and this is my repair to get things back in operational. The selective control valve leaks out of the valve at the opposite end of. I have a 1983 john deere 1050 with a front. John Deere 1050 Hydraulic Control Valve.
From 777parts.net
1050 ROCKSHAFT CONTROL VALVE SELECTOR HOUSING [02B24] TRACTOR John Deere 1050 Hydraulic Control Valve John deere scv’s meet critical specifications to ensure leak prevention on. I have a 1983 john deere 1050 with a front end loader. Hydraulic parts > valves > mg86584587: My jd 1050 selective control valve failed and this is my repair to get things back in operational. Original factory manuals for john deere tractors, dozers, combines, excavators, movers contains high. John Deere 1050 Hydraulic Control Valve.
From 777parts.net
850/950 ROCKSHAFT CONTROL VALVE [5] TRACTOR, COMPACT UTILITY John John Deere 1050 Hydraulic Control Valve Original factory manuals for john deere tractors, dozers, combines, excavators, movers contains high quality images, circuit diagrams and. My jd 1050 selective control valve failed and this is my repair to get things back in operational. The selective control valve leaks out of the valve at the opposite end of. Find parts for your john deere selective control valve lines. John Deere 1050 Hydraulic Control Valve.
From allwiringsketch.com
Understanding the Hydraulic System of John Deere 1050 John Deere 1050 Hydraulic Control Valve Original factory manuals for john deere tractors, dozers, combines, excavators, movers contains high quality images, circuit diagrams and. I have a 1983 john deere 1050 with a front end loader. Find parts for your john deere selective control valve lines (1050) with our free parts lookup tool! John deere scv’s meet critical specifications to ensure leak prevention on. My jd. John Deere 1050 Hydraulic Control Valve.
From au.fridayparts.com
Hydraulic Pump CH11272 GP1C9A for John Deere 1050 850 950 Tractor John Deere 1050 Hydraulic Control Valve Find parts for your john deere selective control valve lines (1050) with our free parts lookup tool! John deere scv’s meet critical specifications to ensure leak prevention on. Hydraulic parts > valves > mg86584587: Original factory manuals for john deere tractors, dozers, combines, excavators, movers contains high quality images, circuit diagrams and. I have a 1983 john deere 1050 with. John Deere 1050 Hydraulic Control Valve.
From www.indiamart.com
LORVEN HYDRAULIC Mild Steel Tractor Auxiliary Valve Kit For John Deere John Deere 1050 Hydraulic Control Valve Original factory manuals for john deere tractors, dozers, combines, excavators, movers contains high quality images, circuit diagrams and. John deere scv’s meet critical specifications to ensure leak prevention on. Hydraulic parts > valves > mg86584587: My jd 1050 selective control valve failed and this is my repair to get things back in operational. Find parts for your john deere selective. John Deere 1050 Hydraulic Control Valve.
From 777parts.net
SELECTIVE CONTROL VALVE LEVERS AND BRACKET [I07] TRACTOR, COMPACT John Deere 1050 Hydraulic Control Valve Find parts for your john deere selective control valve lines (1050) with our free parts lookup tool! The selective control valve leaks out of the valve at the opposite end of. My jd 1050 selective control valve failed and this is my repair to get things back in operational. Original factory manuals for john deere tractors, dozers, combines, excavators, movers. John Deere 1050 Hydraulic Control Valve.
From www.bootheeltractorparts.com
Deere® Hydraulic Control Valve (SCV) 1st, 2nd for John Deere 4055, 4250 John Deere 1050 Hydraulic Control Valve Original factory manuals for john deere tractors, dozers, combines, excavators, movers contains high quality images, circuit diagrams and. Find parts for your john deere selective control valve lines (1050) with our free parts lookup tool! My jd 1050 selective control valve failed and this is my repair to get things back in operational. I have a 1983 john deere 1050. John Deere 1050 Hydraulic Control Valve.
From archivejohn.com
Exploring the Hydraulic System of the John Deere 1050 A Visual Diagram John Deere 1050 Hydraulic Control Valve Original factory manuals for john deere tractors, dozers, combines, excavators, movers contains high quality images, circuit diagrams and. Find parts for your john deere selective control valve lines (1050) with our free parts lookup tool! John deere scv’s meet critical specifications to ensure leak prevention on. My jd 1050 selective control valve failed and this is my repair to get. John Deere 1050 Hydraulic Control Valve.
From allwiringsketch.com
Understanding the Hydraulic System of John Deere 1050 John Deere 1050 Hydraulic Control Valve The selective control valve leaks out of the valve at the opposite end of. John deere scv’s meet critical specifications to ensure leak prevention on. Find parts for your john deere selective control valve lines (1050) with our free parts lookup tool! My jd 1050 selective control valve failed and this is my repair to get things back in operational.. John Deere 1050 Hydraulic Control Valve.
From www.fridayparts.com
buy Hydraulic Valve LVA801753 CH16132 for John Deere Tractor 650 850 John Deere 1050 Hydraulic Control Valve John deere scv’s meet critical specifications to ensure leak prevention on. Find parts for your john deere selective control valve lines (1050) with our free parts lookup tool! I have a 1983 john deere 1050 with a front end loader. My jd 1050 selective control valve failed and this is my repair to get things back in operational. Hydraulic parts. John Deere 1050 Hydraulic Control Valve.
From www.eastern-triangle.com
Eastern Triangle Enterprises LLC EStore. John Deere AL78187 Hydraulic John Deere 1050 Hydraulic Control Valve The selective control valve leaks out of the valve at the opposite end of. John deere scv’s meet critical specifications to ensure leak prevention on. Original factory manuals for john deere tractors, dozers, combines, excavators, movers contains high quality images, circuit diagrams and. Hydraulic parts > valves > mg86584587: Find parts for your john deere selective control valve lines (1050). John Deere 1050 Hydraulic Control Valve.
From www.bootheeltractorparts.com
John Deere Hydraulic Control Valve for John Deere 6105M, 6105R, 6115M John Deere 1050 Hydraulic Control Valve My jd 1050 selective control valve failed and this is my repair to get things back in operational. Hydraulic parts > valves > mg86584587: I have a 1983 john deere 1050 with a front end loader. Find parts for your john deere selective control valve lines (1050) with our free parts lookup tool! Original factory manuals for john deere tractors,. John Deere 1050 Hydraulic Control Valve.
From www.weingartz.com
ARIMain WEINGARTZ John Deere 1050 Hydraulic Control Valve I have a 1983 john deere 1050 with a front end loader. Hydraulic parts > valves > mg86584587: My jd 1050 selective control valve failed and this is my repair to get things back in operational. The selective control valve leaks out of the valve at the opposite end of. Find parts for your john deere selective control valve lines. John Deere 1050 Hydraulic Control Valve.
From www.bootheeltractorparts.com
John Deere Hyd Remote Valve & Parts for John Deere 5039D, 5045D, 5045E John Deere 1050 Hydraulic Control Valve My jd 1050 selective control valve failed and this is my repair to get things back in operational. Original factory manuals for john deere tractors, dozers, combines, excavators, movers contains high quality images, circuit diagrams and. I have a 1983 john deere 1050 with a front end loader. John deere scv’s meet critical specifications to ensure leak prevention on. The. John Deere 1050 Hydraulic Control Valve.
From www.stokker.com
Selective control valve kit, John Deere Hydraulic valaves and blocks John Deere 1050 Hydraulic Control Valve Hydraulic parts > valves > mg86584587: Original factory manuals for john deere tractors, dozers, combines, excavators, movers contains high quality images, circuit diagrams and. The selective control valve leaks out of the valve at the opposite end of. I have a 1983 john deere 1050 with a front end loader. John deere scv’s meet critical specifications to ensure leak prevention. John Deere 1050 Hydraulic Control Valve.
From www.weingartz.com
ARIMain WEINGARTZ John Deere 1050 Hydraulic Control Valve Original factory manuals for john deere tractors, dozers, combines, excavators, movers contains high quality images, circuit diagrams and. Find parts for your john deere selective control valve lines (1050) with our free parts lookup tool! John deere scv’s meet critical specifications to ensure leak prevention on. I have a 1983 john deere 1050 with a front end loader. My jd. John Deere 1050 Hydraulic Control Valve.
From allwiringsketch.com
Understanding the Hydraulic System of John Deere 1050 John Deere 1050 Hydraulic Control Valve Find parts for your john deere selective control valve lines (1050) with our free parts lookup tool! The selective control valve leaks out of the valve at the opposite end of. I have a 1983 john deere 1050 with a front end loader. My jd 1050 selective control valve failed and this is my repair to get things back in. John Deere 1050 Hydraulic Control Valve.
From 777parts.net
HYDRAULIC PUMP (11 CC) [I05] TRACTOR, COMPACT UTILITY John Deere 1050 John Deere 1050 Hydraulic Control Valve John deere scv’s meet critical specifications to ensure leak prevention on. I have a 1983 john deere 1050 with a front end loader. Find parts for your john deere selective control valve lines (1050) with our free parts lookup tool! My jd 1050 selective control valve failed and this is my repair to get things back in operational. Hydraulic parts. John Deere 1050 Hydraulic Control Valve.
From 777parts.net
SELECTIVE CONTROL VALVE HOUSING (CESSNA 30932 CAV) [I09] TRACTOR John Deere 1050 Hydraulic Control Valve Hydraulic parts > valves > mg86584587: Find parts for your john deere selective control valve lines (1050) with our free parts lookup tool! Original factory manuals for john deere tractors, dozers, combines, excavators, movers contains high quality images, circuit diagrams and. John deere scv’s meet critical specifications to ensure leak prevention on. My jd 1050 selective control valve failed and. John Deere 1050 Hydraulic Control Valve.
From 777parts.net
1050 SELECTIVE CONTROL VALVE LINES [02C19] TRACTOR, COMPACT UTILITY John Deere 1050 Hydraulic Control Valve The selective control valve leaks out of the valve at the opposite end of. John deere scv’s meet critical specifications to ensure leak prevention on. Original factory manuals for john deere tractors, dozers, combines, excavators, movers contains high quality images, circuit diagrams and. My jd 1050 selective control valve failed and this is my repair to get things back in. John Deere 1050 Hydraulic Control Valve.
From www.worthingtonagparts.com
Selective Control Valve To Fit John Deere® New (Aftermarket John Deere 1050 Hydraulic Control Valve Hydraulic parts > valves > mg86584587: Find parts for your john deere selective control valve lines (1050) with our free parts lookup tool! Original factory manuals for john deere tractors, dozers, combines, excavators, movers contains high quality images, circuit diagrams and. John deere scv’s meet critical specifications to ensure leak prevention on. The selective control valve leaks out of the. John Deere 1050 Hydraulic Control Valve.