Spherical Roller Bearing Axial Clearance . Skf spherical roller bearing clearance chart. Bearing internal clearance is defined as the total distance through which one bearing ring can be moved relative to the other in the radial direction. This means that one spherical roller. Roller bearings (trbs) and angular contact ball bearings (acbbs), bearing clearance is an axial measurement due to the separable nature of the. Bearing internal clearance is the amount of internal free movement before mounting. 8.1, when either the inner ring or the outer ring is. The bearing clearance refers to an uninstalled rolling bearing and can be described as the internal mobility of the rolling elements and the rings in both axial and radial directions.
from medias-at.schaeffler.com
This means that one spherical roller. Skf spherical roller bearing clearance chart. 8.1, when either the inner ring or the outer ring is. Bearing internal clearance is the amount of internal free movement before mounting. The bearing clearance refers to an uninstalled rolling bearing and can be described as the internal mobility of the rolling elements and the rings in both axial and radial directions. Bearing internal clearance is defined as the total distance through which one bearing ring can be moved relative to the other in the radial direction. Roller bearings (trbs) and angular contact ball bearings (acbbs), bearing clearance is an axial measurement due to the separable nature of the.
Spherical roller bearings Schaeffler medias
Spherical Roller Bearing Axial Clearance Skf spherical roller bearing clearance chart. Skf spherical roller bearing clearance chart. Roller bearings (trbs) and angular contact ball bearings (acbbs), bearing clearance is an axial measurement due to the separable nature of the. Bearing internal clearance is defined as the total distance through which one bearing ring can be moved relative to the other in the radial direction. 8.1, when either the inner ring or the outer ring is. The bearing clearance refers to an uninstalled rolling bearing and can be described as the internal mobility of the rolling elements and the rings in both axial and radial directions. This means that one spherical roller. Bearing internal clearance is the amount of internal free movement before mounting.
From alphabearing.net
Spherical Roller Thrust Bearings • Alpha Wälzlager GmbH Spherical Roller Bearing Axial Clearance Bearing internal clearance is defined as the total distance through which one bearing ring can be moved relative to the other in the radial direction. 8.1, when either the inner ring or the outer ring is. Bearing internal clearance is the amount of internal free movement before mounting. The bearing clearance refers to an uninstalled rolling bearing and can be. Spherical Roller Bearing Axial Clearance.
From www.malloywind.com
Bearing Internal Clearance — Malloy Wind Spherical Roller Bearing Axial Clearance Skf spherical roller bearing clearance chart. This means that one spherical roller. The bearing clearance refers to an uninstalled rolling bearing and can be described as the internal mobility of the rolling elements and the rings in both axial and radial directions. 8.1, when either the inner ring or the outer ring is. Bearing internal clearance is the amount of. Spherical Roller Bearing Axial Clearance.
From medias.schaeffler.it
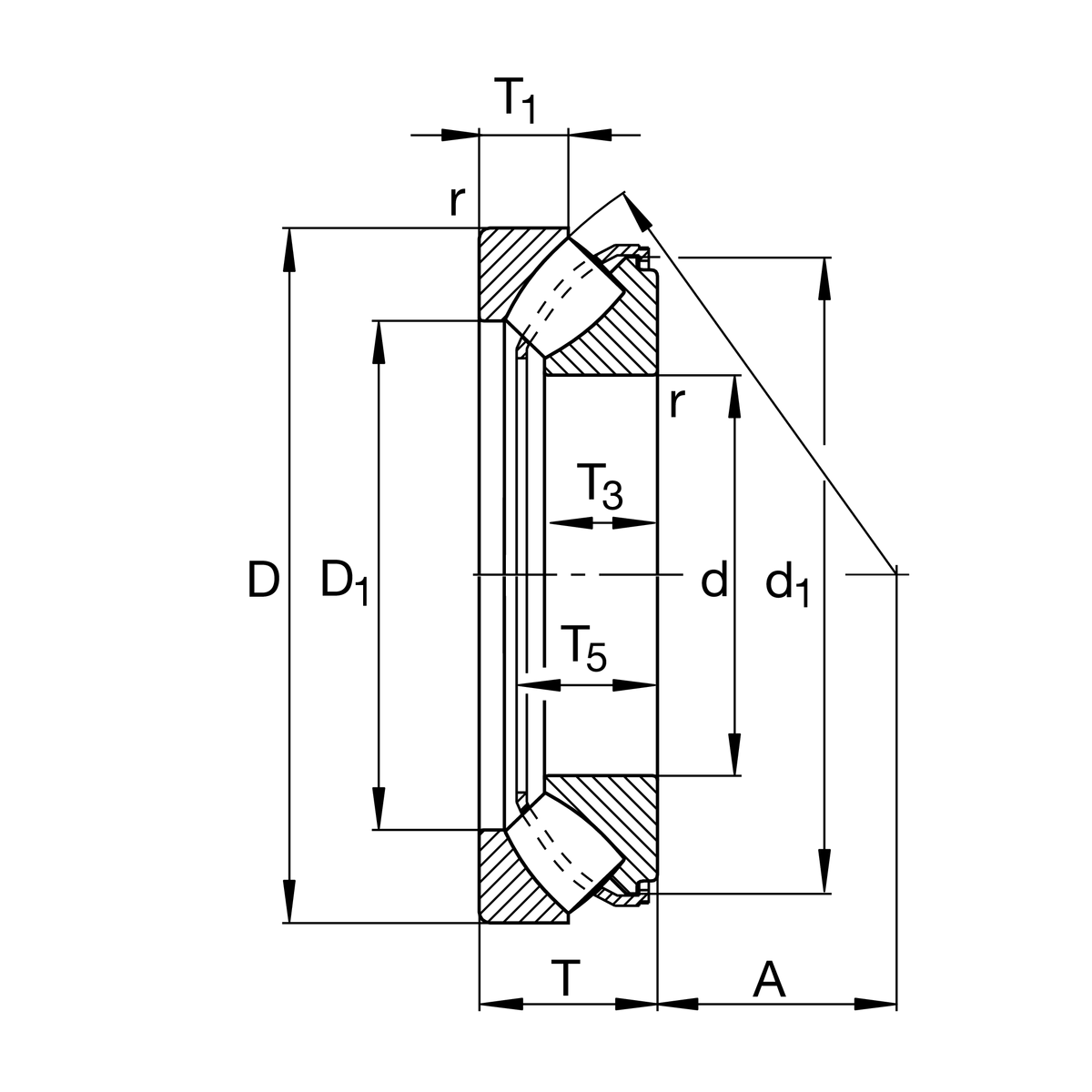
Axial spherical roller bearings Schaeffler medias Spherical Roller Bearing Axial Clearance The bearing clearance refers to an uninstalled rolling bearing and can be described as the internal mobility of the rolling elements and the rings in both axial and radial directions. Skf spherical roller bearing clearance chart. Bearing internal clearance is defined as the total distance through which one bearing ring can be moved relative to the other in the radial. Spherical Roller Bearing Axial Clearance.
From ntnamericas.com
The Importance of Radial Clearance When Installing Spherical Roller Spherical Roller Bearing Axial Clearance This means that one spherical roller. Bearing internal clearance is the amount of internal free movement before mounting. The bearing clearance refers to an uninstalled rolling bearing and can be described as the internal mobility of the rolling elements and the rings in both axial and radial directions. Bearing internal clearance is defined as the total distance through which one. Spherical Roller Bearing Axial Clearance.
From www.lily-bearing.com
Tapered Roller Bearing vs Spherical Roller Bearing LILY Bearing Spherical Roller Bearing Axial Clearance Bearing internal clearance is defined as the total distance through which one bearing ring can be moved relative to the other in the radial direction. 8.1, when either the inner ring or the outer ring is. Bearing internal clearance is the amount of internal free movement before mounting. Skf spherical roller bearing clearance chart. The bearing clearance refers to an. Spherical Roller Bearing Axial Clearance.
From medias-at.schaeffler.com
Design of bearing arrangements Schaeffler medias Spherical Roller Bearing Axial Clearance Bearing internal clearance is defined as the total distance through which one bearing ring can be moved relative to the other in the radial direction. The bearing clearance refers to an uninstalled rolling bearing and can be described as the internal mobility of the rolling elements and the rings in both axial and radial directions. Bearing internal clearance is the. Spherical Roller Bearing Axial Clearance.
From www.pumpsandsystems.com
Ideal clearance. Ideal bearing life. Pumps & Systems Spherical Roller Bearing Axial Clearance Roller bearings (trbs) and angular contact ball bearings (acbbs), bearing clearance is an axial measurement due to the separable nature of the. The bearing clearance refers to an uninstalled rolling bearing and can be described as the internal mobility of the rolling elements and the rings in both axial and radial directions. Bearing internal clearance is defined as the total. Spherical Roller Bearing Axial Clearance.
From shop.pti.eu
Axial spherical roller bearing PTI Europa Spherical Roller Bearing Axial Clearance This means that one spherical roller. 8.1, when either the inner ring or the outer ring is. Bearing internal clearance is defined as the total distance through which one bearing ring can be moved relative to the other in the radial direction. Roller bearings (trbs) and angular contact ball bearings (acbbs), bearing clearance is an axial measurement due to the. Spherical Roller Bearing Axial Clearance.
From www.skf.com
Spherical roller bearings SKF Spherical Roller Bearing Axial Clearance Bearing internal clearance is defined as the total distance through which one bearing ring can be moved relative to the other in the radial direction. Skf spherical roller bearing clearance chart. Roller bearings (trbs) and angular contact ball bearings (acbbs), bearing clearance is an axial measurement due to the separable nature of the. 8.1, when either the inner ring or. Spherical Roller Bearing Axial Clearance.
From www.nskbearingcatalogue.com
you know the spherical roller bearing installation and clearance? Spherical Roller Bearing Axial Clearance 8.1, when either the inner ring or the outer ring is. Roller bearings (trbs) and angular contact ball bearings (acbbs), bearing clearance is an axial measurement due to the separable nature of the. The bearing clearance refers to an uninstalled rolling bearing and can be described as the internal mobility of the rolling elements and the rings in both axial. Spherical Roller Bearing Axial Clearance.
From shop.pti.eu
Buy Axial cylindrical roller bearing at PTI Europa A/S Spherical Roller Bearing Axial Clearance Skf spherical roller bearing clearance chart. Bearing internal clearance is the amount of internal free movement before mounting. The bearing clearance refers to an uninstalled rolling bearing and can be described as the internal mobility of the rolling elements and the rings in both axial and radial directions. This means that one spherical roller. Bearing internal clearance is defined as. Spherical Roller Bearing Axial Clearance.
From www.schaeffler.us
Axial spherical roller bearings Schaeffler Group USA Inc. Spherical Roller Bearing Axial Clearance This means that one spherical roller. Skf spherical roller bearing clearance chart. Roller bearings (trbs) and angular contact ball bearings (acbbs), bearing clearance is an axial measurement due to the separable nature of the. Bearing internal clearance is defined as the total distance through which one bearing ring can be moved relative to the other in the radial direction. Bearing. Spherical Roller Bearing Axial Clearance.
From www.angularcontact-ballbearing.com
Spherical Single Direction Thrust Roller Bearing 29352EM For Axial Spherical Roller Bearing Axial Clearance Skf spherical roller bearing clearance chart. Roller bearings (trbs) and angular contact ball bearings (acbbs), bearing clearance is an axial measurement due to the separable nature of the. Bearing internal clearance is the amount of internal free movement before mounting. 8.1, when either the inner ring or the outer ring is. The bearing clearance refers to an uninstalled rolling bearing. Spherical Roller Bearing Axial Clearance.
From www.bearingshop.org
22240.EMW33C4 Double row spherical roller bearings Spherical Roller Bearing Axial Clearance Bearing internal clearance is the amount of internal free movement before mounting. The bearing clearance refers to an uninstalled rolling bearing and can be described as the internal mobility of the rolling elements and the rings in both axial and radial directions. Skf spherical roller bearing clearance chart. Roller bearings (trbs) and angular contact ball bearings (acbbs), bearing clearance is. Spherical Roller Bearing Axial Clearance.
From medias.schaeffler.ch
Spherical roller bearings Schaeffler medias Spherical Roller Bearing Axial Clearance Bearing internal clearance is defined as the total distance through which one bearing ring can be moved relative to the other in the radial direction. Skf spherical roller bearing clearance chart. Bearing internal clearance is the amount of internal free movement before mounting. This means that one spherical roller. Roller bearings (trbs) and angular contact ball bearings (acbbs), bearing clearance. Spherical Roller Bearing Axial Clearance.
From www.wonkeedonkeetools.co.uk
How do you check bearing clearances with a feeler gauge? Wonkee Spherical Roller Bearing Axial Clearance 8.1, when either the inner ring or the outer ring is. Roller bearings (trbs) and angular contact ball bearings (acbbs), bearing clearance is an axial measurement due to the separable nature of the. Skf spherical roller bearing clearance chart. This means that one spherical roller. Bearing internal clearance is defined as the total distance through which one bearing ring can. Spherical Roller Bearing Axial Clearance.
From www.malloywind.com
Bearing Internal Clearance — Malloy Wind Spherical Roller Bearing Axial Clearance Bearing internal clearance is the amount of internal free movement before mounting. 8.1, when either the inner ring or the outer ring is. Roller bearings (trbs) and angular contact ball bearings (acbbs), bearing clearance is an axial measurement due to the separable nature of the. Bearing internal clearance is defined as the total distance through which one bearing ring can. Spherical Roller Bearing Axial Clearance.
From www.lily-bearing.com
22228 CCK/W33 Double Row Spherical Roller Bearing SKF LILY Bearing Spherical Roller Bearing Axial Clearance Bearing internal clearance is the amount of internal free movement before mounting. 8.1, when either the inner ring or the outer ring is. Skf spherical roller bearing clearance chart. This means that one spherical roller. Roller bearings (trbs) and angular contact ball bearings (acbbs), bearing clearance is an axial measurement due to the separable nature of the. Bearing internal clearance. Spherical Roller Bearing Axial Clearance.
From www.lfd.eu
LFD Axial Clearance Spherical Roller Bearing Axial Clearance Roller bearings (trbs) and angular contact ball bearings (acbbs), bearing clearance is an axial measurement due to the separable nature of the. Bearing internal clearance is the amount of internal free movement before mounting. This means that one spherical roller. Skf spherical roller bearing clearance chart. The bearing clearance refers to an uninstalled rolling bearing and can be described as. Spherical Roller Bearing Axial Clearance.
From www.skf.com
Spherical roller thrust bearings SKF Spherical Roller Bearing Axial Clearance The bearing clearance refers to an uninstalled rolling bearing and can be described as the internal mobility of the rolling elements and the rings in both axial and radial directions. Skf spherical roller bearing clearance chart. Roller bearings (trbs) and angular contact ball bearings (acbbs), bearing clearance is an axial measurement due to the separable nature of the. Bearing internal. Spherical Roller Bearing Axial Clearance.
From medias.schaeffler.us
29468E1XLN1 Axial spherical roller bearing inform yourself & order Spherical Roller Bearing Axial Clearance Skf spherical roller bearing clearance chart. This means that one spherical roller. The bearing clearance refers to an uninstalled rolling bearing and can be described as the internal mobility of the rolling elements and the rings in both axial and radial directions. Bearing internal clearance is defined as the total distance through which one bearing ring can be moved relative. Spherical Roller Bearing Axial Clearance.
From medias.schaeffler.nl
Axial spherical roller bearings Schaeffler medias Spherical Roller Bearing Axial Clearance 8.1, when either the inner ring or the outer ring is. Roller bearings (trbs) and angular contact ball bearings (acbbs), bearing clearance is an axial measurement due to the separable nature of the. Bearing internal clearance is defined as the total distance through which one bearing ring can be moved relative to the other in the radial direction. The bearing. Spherical Roller Bearing Axial Clearance.
From medias-at.schaeffler.com
Spherical roller bearings Schaeffler medias Spherical Roller Bearing Axial Clearance Bearing internal clearance is the amount of internal free movement before mounting. Bearing internal clearance is defined as the total distance through which one bearing ring can be moved relative to the other in the radial direction. Roller bearings (trbs) and angular contact ball bearings (acbbs), bearing clearance is an axial measurement due to the separable nature of the. This. Spherical Roller Bearing Axial Clearance.
From www.semanticscholar.org
Figure 3 from Optimal design of paired tapered roller bearings under Spherical Roller Bearing Axial Clearance Bearing internal clearance is the amount of internal free movement before mounting. Roller bearings (trbs) and angular contact ball bearings (acbbs), bearing clearance is an axial measurement due to the separable nature of the. 8.1, when either the inner ring or the outer ring is. This means that one spherical roller. The bearing clearance refers to an uninstalled rolling bearing. Spherical Roller Bearing Axial Clearance.
From medias.schaeffler.be
Spherical roller bearings Schaeffler medias Spherical Roller Bearing Axial Clearance 8.1, when either the inner ring or the outer ring is. Bearing internal clearance is the amount of internal free movement before mounting. Bearing internal clearance is defined as the total distance through which one bearing ring can be moved relative to the other in the radial direction. Skf spherical roller bearing clearance chart. This means that one spherical roller.. Spherical Roller Bearing Axial Clearance.
From www.schaeffler.co.id
Axial spherical roller bearings Schaeffler Indonesia Spherical Roller Bearing Axial Clearance Roller bearings (trbs) and angular contact ball bearings (acbbs), bearing clearance is an axial measurement due to the separable nature of the. The bearing clearance refers to an uninstalled rolling bearing and can be described as the internal mobility of the rolling elements and the rings in both axial and radial directions. Skf spherical roller bearing clearance chart. 8.1, when. Spherical Roller Bearing Axial Clearance.
From www.youtube.com
Bearing Clearance C3 Radial Axial Clearance YouTube Spherical Roller Bearing Axial Clearance This means that one spherical roller. 8.1, when either the inner ring or the outer ring is. Bearing internal clearance is the amount of internal free movement before mounting. Roller bearings (trbs) and angular contact ball bearings (acbbs), bearing clearance is an axial measurement due to the separable nature of the. Skf spherical roller bearing clearance chart. Bearing internal clearance. Spherical Roller Bearing Axial Clearance.
From www.kltbearing.com
Spherical roller bearing axial clearance 22340 22340K Spherical Spherical Roller Bearing Axial Clearance 8.1, when either the inner ring or the outer ring is. Bearing internal clearance is the amount of internal free movement before mounting. Bearing internal clearance is defined as the total distance through which one bearing ring can be moved relative to the other in the radial direction. This means that one spherical roller. Skf spherical roller bearing clearance chart.. Spherical Roller Bearing Axial Clearance.
From medias.schaeffler.co.in
29412E1XL Axial spherical roller bearing inform yourself & order Spherical Roller Bearing Axial Clearance Roller bearings (trbs) and angular contact ball bearings (acbbs), bearing clearance is an axial measurement due to the separable nature of the. 8.1, when either the inner ring or the outer ring is. This means that one spherical roller. Bearing internal clearance is the amount of internal free movement before mounting. Bearing internal clearance is defined as the total distance. Spherical Roller Bearing Axial Clearance.
From www.nskbearingcatalogue.com
how to measurings the spherical roller bearing clearance? Spherical Roller Bearing Axial Clearance The bearing clearance refers to an uninstalled rolling bearing and can be described as the internal mobility of the rolling elements and the rings in both axial and radial directions. Bearing internal clearance is defined as the total distance through which one bearing ring can be moved relative to the other in the radial direction. Bearing internal clearance is the. Spherical Roller Bearing Axial Clearance.
From arashi.com.tr
Axial Spherical Roller Bearings Spherical Roller Bearing Axial Clearance The bearing clearance refers to an uninstalled rolling bearing and can be described as the internal mobility of the rolling elements and the rings in both axial and radial directions. This means that one spherical roller. Roller bearings (trbs) and angular contact ball bearings (acbbs), bearing clearance is an axial measurement due to the separable nature of the. 8.1, when. Spherical Roller Bearing Axial Clearance.
From pibsales.com
Spherical Roller Bearings uses, dimensions, advantages PIB Sales Spherical Roller Bearing Axial Clearance Roller bearings (trbs) and angular contact ball bearings (acbbs), bearing clearance is an axial measurement due to the separable nature of the. Skf spherical roller bearing clearance chart. This means that one spherical roller. Bearing internal clearance is defined as the total distance through which one bearing ring can be moved relative to the other in the radial direction. The. Spherical Roller Bearing Axial Clearance.
From c0bf398eceaa28ce.en.made-in-china.com
352226X2 Cylindrical Roller Bearing Axial Clearance Measuring Machine Spherical Roller Bearing Axial Clearance Bearing internal clearance is defined as the total distance through which one bearing ring can be moved relative to the other in the radial direction. The bearing clearance refers to an uninstalled rolling bearing and can be described as the internal mobility of the rolling elements and the rings in both axial and radial directions. Bearing internal clearance is the. Spherical Roller Bearing Axial Clearance.
From www.nskbearingcatalogue.com
you know the spherical roller bearing installation and clearance? Spherical Roller Bearing Axial Clearance Roller bearings (trbs) and angular contact ball bearings (acbbs), bearing clearance is an axial measurement due to the separable nature of the. Bearing internal clearance is defined as the total distance through which one bearing ring can be moved relative to the other in the radial direction. The bearing clearance refers to an uninstalled rolling bearing and can be described. Spherical Roller Bearing Axial Clearance.
From blog.emersonbearing.com
Levels of Precision—Protect Your Bearings with Proper Clearance Fits Spherical Roller Bearing Axial Clearance Skf spherical roller bearing clearance chart. Bearing internal clearance is defined as the total distance through which one bearing ring can be moved relative to the other in the radial direction. Bearing internal clearance is the amount of internal free movement before mounting. The bearing clearance refers to an uninstalled rolling bearing and can be described as the internal mobility. Spherical Roller Bearing Axial Clearance.