What Causes A Transmission To Not Downshift . When the fluid in a transmission becomes. if your transmission is downshifting hard while slowing down, it could be due to a faulty downshift transmission solenoid. an automatic transmission takes care of shifting the gears automatically but the transmission dynamics remain the same. this article explains what causes the transmission not to switch gears during acceleration and what to do when it. however, the primary cause of a shuddering transmission is simply contaminated transmission fluid. degraded or contaminated transmission fluid is the most common cause of transmission shift solenoid. Check out this long discussion about it and see if you can find. i think it might be a stuck downshift valve. causes of transmission that won’t shift into 3rd gear. Issues with shifting the automatic transmission to 3rd gear often relate to degraded transmission fluid.
from forum.ih8mud.com
this article explains what causes the transmission not to switch gears during acceleration and what to do when it. causes of transmission that won’t shift into 3rd gear. When the fluid in a transmission becomes. however, the primary cause of a shuddering transmission is simply contaminated transmission fluid. i think it might be a stuck downshift valve. Issues with shifting the automatic transmission to 3rd gear often relate to degraded transmission fluid. Check out this long discussion about it and see if you can find. an automatic transmission takes care of shifting the gears automatically but the transmission dynamics remain the same. if your transmission is downshifting hard while slowing down, it could be due to a faulty downshift transmission solenoid. degraded or contaminated transmission fluid is the most common cause of transmission shift solenoid.
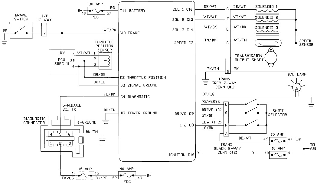
Transmission not downshifting while in D. P0750, P0753, P0773 and a
What Causes A Transmission To Not Downshift When the fluid in a transmission becomes. causes of transmission that won’t shift into 3rd gear. Issues with shifting the automatic transmission to 3rd gear often relate to degraded transmission fluid. Check out this long discussion about it and see if you can find. however, the primary cause of a shuddering transmission is simply contaminated transmission fluid. this article explains what causes the transmission not to switch gears during acceleration and what to do when it. if your transmission is downshifting hard while slowing down, it could be due to a faulty downshift transmission solenoid. i think it might be a stuck downshift valve. When the fluid in a transmission becomes. degraded or contaminated transmission fluid is the most common cause of transmission shift solenoid. an automatic transmission takes care of shifting the gears automatically but the transmission dynamics remain the same.
From www.youtube.com
Engineering Manual transmission Why downshifting is less smooth than What Causes A Transmission To Not Downshift When the fluid in a transmission becomes. Check out this long discussion about it and see if you can find. i think it might be a stuck downshift valve. degraded or contaminated transmission fluid is the most common cause of transmission shift solenoid. however, the primary cause of a shuddering transmission is simply contaminated transmission fluid. . What Causes A Transmission To Not Downshift.
From brooks-has-lynch.blogspot.com
Can a Bad Ignition Switch Cause Transmission Problems BrookshasLynch What Causes A Transmission To Not Downshift degraded or contaminated transmission fluid is the most common cause of transmission shift solenoid. if your transmission is downshifting hard while slowing down, it could be due to a faulty downshift transmission solenoid. i think it might be a stuck downshift valve. Check out this long discussion about it and see if you can find. Issues with. What Causes A Transmission To Not Downshift.
From www.2carpros.com
Transmission Does Not Downshift? the Vehicle Listed Above Is the What Causes A Transmission To Not Downshift causes of transmission that won’t shift into 3rd gear. When the fluid in a transmission becomes. Check out this long discussion about it and see if you can find. if your transmission is downshifting hard while slowing down, it could be due to a faulty downshift transmission solenoid. Issues with shifting the automatic transmission to 3rd gear often. What Causes A Transmission To Not Downshift.
From www.2carpros.com
Transmission Does Not Downshift? the Vehicle Listed Above Is the What Causes A Transmission To Not Downshift an automatic transmission takes care of shifting the gears automatically but the transmission dynamics remain the same. however, the primary cause of a shuddering transmission is simply contaminated transmission fluid. degraded or contaminated transmission fluid is the most common cause of transmission shift solenoid. this article explains what causes the transmission not to switch gears during. What Causes A Transmission To Not Downshift.
From transmissioncar.com
2011 Ford F150 Transmission Shifting Problems Car Transmission Guide What Causes A Transmission To Not Downshift degraded or contaminated transmission fluid is the most common cause of transmission shift solenoid. if your transmission is downshifting hard while slowing down, it could be due to a faulty downshift transmission solenoid. this article explains what causes the transmission not to switch gears during acceleration and what to do when it. Check out this long discussion. What Causes A Transmission To Not Downshift.
From diagramdatacontadino.z21.web.core.windows.net
Troubleshooting E4od Transmission Problems What Causes A Transmission To Not Downshift Issues with shifting the automatic transmission to 3rd gear often relate to degraded transmission fluid. Check out this long discussion about it and see if you can find. causes of transmission that won’t shift into 3rd gear. When the fluid in a transmission becomes. this article explains what causes the transmission not to switch gears during acceleration and. What Causes A Transmission To Not Downshift.
From www.2carpros.com
Transmission Does Not Downshift? the Vehicle Listed Above Is the What Causes A Transmission To Not Downshift degraded or contaminated transmission fluid is the most common cause of transmission shift solenoid. Check out this long discussion about it and see if you can find. this article explains what causes the transmission not to switch gears during acceleration and what to do when it. i think it might be a stuck downshift valve. Issues with. What Causes A Transmission To Not Downshift.
From www.2carpros.com
Transmission Will Not Downshift? Have the Vehicle Listed Above, What Causes A Transmission To Not Downshift i think it might be a stuck downshift valve. Issues with shifting the automatic transmission to 3rd gear often relate to degraded transmission fluid. Check out this long discussion about it and see if you can find. however, the primary cause of a shuddering transmission is simply contaminated transmission fluid. an automatic transmission takes care of shifting. What Causes A Transmission To Not Downshift.
From forum.ih8mud.com
Transmission not downshifting while in D. P0750, P0753, P0773 and a What Causes A Transmission To Not Downshift When the fluid in a transmission becomes. this article explains what causes the transmission not to switch gears during acceleration and what to do when it. if your transmission is downshifting hard while slowing down, it could be due to a faulty downshift transmission solenoid. an automatic transmission takes care of shifting the gears automatically but the. What Causes A Transmission To Not Downshift.
From www.aamcocolorado.com
Reasons Your Transmission is Overheating AAMCO Colorado What Causes A Transmission To Not Downshift this article explains what causes the transmission not to switch gears during acceleration and what to do when it. if your transmission is downshifting hard while slowing down, it could be due to a faulty downshift transmission solenoid. however, the primary cause of a shuddering transmission is simply contaminated transmission fluid. Check out this long discussion about. What Causes A Transmission To Not Downshift.
From www.motorbiscuit.com
When Is Downshifting an Automatic Transmission Necessary? What Causes A Transmission To Not Downshift Issues with shifting the automatic transmission to 3rd gear often relate to degraded transmission fluid. degraded or contaminated transmission fluid is the most common cause of transmission shift solenoid. if your transmission is downshifting hard while slowing down, it could be due to a faulty downshift transmission solenoid. causes of transmission that won’t shift into 3rd gear.. What Causes A Transmission To Not Downshift.
From www.youtube.com
Jeep Kickdown Cable End Fix Automatic Transmission Wont Downshift What Causes A Transmission To Not Downshift i think it might be a stuck downshift valve. causes of transmission that won’t shift into 3rd gear. an automatic transmission takes care of shifting the gears automatically but the transmission dynamics remain the same. When the fluid in a transmission becomes. if your transmission is downshifting hard while slowing down, it could be due to. What Causes A Transmission To Not Downshift.
From www.2carpros.com
Transmission Will Not Downshift? Have the Vehicle Listed Above, What Causes A Transmission To Not Downshift this article explains what causes the transmission not to switch gears during acceleration and what to do when it. i think it might be a stuck downshift valve. if your transmission is downshifting hard while slowing down, it could be due to a faulty downshift transmission solenoid. When the fluid in a transmission becomes. however, the. What Causes A Transmission To Not Downshift.
From carfromjapan.com
The Plausible Effects of Downshifting You Should Know About CAR FROM What Causes A Transmission To Not Downshift if your transmission is downshifting hard while slowing down, it could be due to a faulty downshift transmission solenoid. Check out this long discussion about it and see if you can find. Issues with shifting the automatic transmission to 3rd gear often relate to degraded transmission fluid. an automatic transmission takes care of shifting the gears automatically but. What Causes A Transmission To Not Downshift.
From www.2carpros.com
Transmission Downshifting Problem Transmission Upshifts Fine, What Causes A Transmission To Not Downshift degraded or contaminated transmission fluid is the most common cause of transmission shift solenoid. i think it might be a stuck downshift valve. Check out this long discussion about it and see if you can find. if your transmission is downshifting hard while slowing down, it could be due to a faulty downshift transmission solenoid. When the. What Causes A Transmission To Not Downshift.
From workshopfrautkatacoamcoe.z19.web.core.windows.net
Transmission Wont Shift Into Reverse What Causes A Transmission To Not Downshift Issues with shifting the automatic transmission to 3rd gear often relate to degraded transmission fluid. When the fluid in a transmission becomes. causes of transmission that won’t shift into 3rd gear. however, the primary cause of a shuddering transmission is simply contaminated transmission fluid. this article explains what causes the transmission not to switch gears during acceleration. What Causes A Transmission To Not Downshift.
From axleaddict.com
How to Downshift a Manual Transmission Vehicle AxleAddict What Causes A Transmission To Not Downshift i think it might be a stuck downshift valve. an automatic transmission takes care of shifting the gears automatically but the transmission dynamics remain the same. When the fluid in a transmission becomes. if your transmission is downshifting hard while slowing down, it could be due to a faulty downshift transmission solenoid. however, the primary cause. What Causes A Transmission To Not Downshift.
From www.2carpros.com
Transmission Will Not Downshift? Have the Vehicle Listed Above, What Causes A Transmission To Not Downshift this article explains what causes the transmission not to switch gears during acceleration and what to do when it. causes of transmission that won’t shift into 3rd gear. i think it might be a stuck downshift valve. however, the primary cause of a shuddering transmission is simply contaminated transmission fluid. Check out this long discussion about. What Causes A Transmission To Not Downshift.
From axleaddict.com
How to Downshift a Manual Transmission Vehicle AxleAddict What Causes A Transmission To Not Downshift however, the primary cause of a shuddering transmission is simply contaminated transmission fluid. degraded or contaminated transmission fluid is the most common cause of transmission shift solenoid. i think it might be a stuck downshift valve. When the fluid in a transmission becomes. Check out this long discussion about it and see if you can find. . What Causes A Transmission To Not Downshift.
From www.youtube.com
Toyota Highlander Transmission Downshifting Problem Diagnose Result What Causes A Transmission To Not Downshift if your transmission is downshifting hard while slowing down, it could be due to a faulty downshift transmission solenoid. Check out this long discussion about it and see if you can find. degraded or contaminated transmission fluid is the most common cause of transmission shift solenoid. this article explains what causes the transmission not to switch gears. What Causes A Transmission To Not Downshift.
From www.2carpros.com
Transmission Will Not Downshift? Have the Vehicle Listed Above, What Causes A Transmission To Not Downshift this article explains what causes the transmission not to switch gears during acceleration and what to do when it. degraded or contaminated transmission fluid is the most common cause of transmission shift solenoid. When the fluid in a transmission becomes. Check out this long discussion about it and see if you can find. Issues with shifting the automatic. What Causes A Transmission To Not Downshift.
From www.2carpros.com
Transmission Will Not Downshift? Have the Vehicle Listed Above, What Causes A Transmission To Not Downshift this article explains what causes the transmission not to switch gears during acceleration and what to do when it. causes of transmission that won’t shift into 3rd gear. however, the primary cause of a shuddering transmission is simply contaminated transmission fluid. Check out this long discussion about it and see if you can find. When the fluid. What Causes A Transmission To Not Downshift.
From repairmachinerejoined.z14.web.core.windows.net
94 Ford F150 Transmission Shifting Problems What Causes A Transmission To Not Downshift this article explains what causes the transmission not to switch gears during acceleration and what to do when it. Check out this long discussion about it and see if you can find. however, the primary cause of a shuddering transmission is simply contaminated transmission fluid. When the fluid in a transmission becomes. if your transmission is downshifting. What Causes A Transmission To Not Downshift.
From www.2carpros.com
Transmission Will Not Downshift? Have the Vehicle Listed Above, What Causes A Transmission To Not Downshift an automatic transmission takes care of shifting the gears automatically but the transmission dynamics remain the same. if your transmission is downshifting hard while slowing down, it could be due to a faulty downshift transmission solenoid. causes of transmission that won’t shift into 3rd gear. When the fluid in a transmission becomes. i think it might. What Causes A Transmission To Not Downshift.
From www.pinterest.com
Manual Transmission cars STOP downshifting to slow down What Causes A Transmission To Not Downshift an automatic transmission takes care of shifting the gears automatically but the transmission dynamics remain the same. i think it might be a stuck downshift valve. Check out this long discussion about it and see if you can find. Issues with shifting the automatic transmission to 3rd gear often relate to degraded transmission fluid. however, the primary. What Causes A Transmission To Not Downshift.
From www.aamcoblog.com
AAMCO Blog 4 Main Causes of Transmission Failure—Find Out Here! What Causes A Transmission To Not Downshift Issues with shifting the automatic transmission to 3rd gear often relate to degraded transmission fluid. this article explains what causes the transmission not to switch gears during acceleration and what to do when it. causes of transmission that won’t shift into 3rd gear. Check out this long discussion about it and see if you can find. an. What Causes A Transmission To Not Downshift.
From www.familyhandyman.com
When Should You Downshift Automatic Transmissions? The Family Handyman What Causes A Transmission To Not Downshift Check out this long discussion about it and see if you can find. an automatic transmission takes care of shifting the gears automatically but the transmission dynamics remain the same. however, the primary cause of a shuddering transmission is simply contaminated transmission fluid. When the fluid in a transmission becomes. this article explains what causes the transmission. What Causes A Transmission To Not Downshift.
From www.2carpros.com
Transmission Downshifting Issue? Truck Is Downshifting at Normal What Causes A Transmission To Not Downshift degraded or contaminated transmission fluid is the most common cause of transmission shift solenoid. i think it might be a stuck downshift valve. causes of transmission that won’t shift into 3rd gear. if your transmission is downshifting hard while slowing down, it could be due to a faulty downshift transmission solenoid. Issues with shifting the automatic. What Causes A Transmission To Not Downshift.
From www.ralphstransmissions.net
5 Causes of Transmission Fluid Leaks Ralphs Transmissions What Causes A Transmission To Not Downshift this article explains what causes the transmission not to switch gears during acceleration and what to do when it. degraded or contaminated transmission fluid is the most common cause of transmission shift solenoid. if your transmission is downshifting hard while slowing down, it could be due to a faulty downshift transmission solenoid. i think it might. What Causes A Transmission To Not Downshift.
From www.howacarworks.com
Automatic transmission faults What Causes A Transmission To Not Downshift When the fluid in a transmission becomes. if your transmission is downshifting hard while slowing down, it could be due to a faulty downshift transmission solenoid. Issues with shifting the automatic transmission to 3rd gear often relate to degraded transmission fluid. i think it might be a stuck downshift valve. an automatic transmission takes care of shifting. What Causes A Transmission To Not Downshift.
From www.justanswer.com
What causes downshifting to 2nd gear for a partial second, then What Causes A Transmission To Not Downshift Issues with shifting the automatic transmission to 3rd gear often relate to degraded transmission fluid. degraded or contaminated transmission fluid is the most common cause of transmission shift solenoid. When the fluid in a transmission becomes. this article explains what causes the transmission not to switch gears during acceleration and what to do when it. an automatic. What Causes A Transmission To Not Downshift.
From www.youtube.com
HOW TO FIX TRANSMISSION THAT DOES NOT SHIFT YouTube What Causes A Transmission To Not Downshift an automatic transmission takes care of shifting the gears automatically but the transmission dynamics remain the same. this article explains what causes the transmission not to switch gears during acceleration and what to do when it. degraded or contaminated transmission fluid is the most common cause of transmission shift solenoid. however, the primary cause of a. What Causes A Transmission To Not Downshift.
From www.2carpros.com
Transmission Will Not Downshift? Have the Vehicle Listed Above, What Causes A Transmission To Not Downshift this article explains what causes the transmission not to switch gears during acceleration and what to do when it. an automatic transmission takes care of shifting the gears automatically but the transmission dynamics remain the same. i think it might be a stuck downshift valve. if your transmission is downshifting hard while slowing down, it could. What Causes A Transmission To Not Downshift.
From forum.ih8mud.com
Transmission not downshifting while in D. P0750, P0753, P0773 and a What Causes A Transmission To Not Downshift however, the primary cause of a shuddering transmission is simply contaminated transmission fluid. if your transmission is downshifting hard while slowing down, it could be due to a faulty downshift transmission solenoid. this article explains what causes the transmission not to switch gears during acceleration and what to do when it. an automatic transmission takes care. What Causes A Transmission To Not Downshift.
From transmissioncar.com
What Cause Transmission to Overheat Car Transmission Guide What Causes A Transmission To Not Downshift When the fluid in a transmission becomes. i think it might be a stuck downshift valve. however, the primary cause of a shuddering transmission is simply contaminated transmission fluid. if your transmission is downshifting hard while slowing down, it could be due to a faulty downshift transmission solenoid. an automatic transmission takes care of shifting the. What Causes A Transmission To Not Downshift.