Suzuki Samurai Fuel Pump Diagram . An icon used to represent a menu that can be toggled by interacting with this icon. This diagram is a valuable tool for troubleshooting and understanding the fuel pump system in the suzuki samurai. The fuel pump diagram for the suzuki samurai typically includes labels and arrows to. Fuel pump, filter and lines general description the main components of the fuel system are fuel tank, fuel pump and fuel filter and it includes three lines; It is recommended that you replace the fuel filter when replacing the pump. Fuel feed line, fuel return line and fuel. Factory service manual pdf format. What the leaking oil indicates is the internal diaphragm. A fuel pump that leaks oil out of the bottom port needs to be replaced immediately. Many fuel pumps fail because the fuel filter.
from wiringpictures.net
It is recommended that you replace the fuel filter when replacing the pump. Fuel pump, filter and lines general description the main components of the fuel system are fuel tank, fuel pump and fuel filter and it includes three lines; Factory service manual pdf format. An icon used to represent a menu that can be toggled by interacting with this icon. Fuel feed line, fuel return line and fuel. A fuel pump that leaks oil out of the bottom port needs to be replaced immediately. What the leaking oil indicates is the internal diaphragm. The fuel pump diagram for the suzuki samurai typically includes labels and arrows to. This diagram is a valuable tool for troubleshooting and understanding the fuel pump system in the suzuki samurai. Many fuel pumps fail because the fuel filter.
The Inner Workings of a Suzuki Samurai Fuel Pump
Suzuki Samurai Fuel Pump Diagram Many fuel pumps fail because the fuel filter. What the leaking oil indicates is the internal diaphragm. Many fuel pumps fail because the fuel filter. Fuel feed line, fuel return line and fuel. Fuel pump, filter and lines general description the main components of the fuel system are fuel tank, fuel pump and fuel filter and it includes three lines; This diagram is a valuable tool for troubleshooting and understanding the fuel pump system in the suzuki samurai. A fuel pump that leaks oil out of the bottom port needs to be replaced immediately. Factory service manual pdf format. It is recommended that you replace the fuel filter when replacing the pump. An icon used to represent a menu that can be toggled by interacting with this icon. The fuel pump diagram for the suzuki samurai typically includes labels and arrows to.
From motogurumag.com
1510057b10 Fuel Pump for Mazda Miata Suzuki Samurai Vitara Sideick MotoGuruMag Suzuki Samurai Fuel Pump Diagram Factory service manual pdf format. An icon used to represent a menu that can be toggled by interacting with this icon. The fuel pump diagram for the suzuki samurai typically includes labels and arrows to. Fuel pump, filter and lines general description the main components of the fuel system are fuel tank, fuel pump and fuel filter and it includes. Suzuki Samurai Fuel Pump Diagram.
From wiringpictures.net
The Inner Workings of a Suzuki Samurai Fuel Pump Suzuki Samurai Fuel Pump Diagram Fuel pump, filter and lines general description the main components of the fuel system are fuel tank, fuel pump and fuel filter and it includes three lines; Fuel feed line, fuel return line and fuel. The fuel pump diagram for the suzuki samurai typically includes labels and arrows to. An icon used to represent a menu that can be toggled. Suzuki Samurai Fuel Pump Diagram.
From wiringpictures.net
The Inner Workings of a Suzuki Samurai Fuel Pump Suzuki Samurai Fuel Pump Diagram A fuel pump that leaks oil out of the bottom port needs to be replaced immediately. What the leaking oil indicates is the internal diaphragm. It is recommended that you replace the fuel filter when replacing the pump. Fuel feed line, fuel return line and fuel. Factory service manual pdf format. The fuel pump diagram for the suzuki samurai typically. Suzuki Samurai Fuel Pump Diagram.
From www.megazip.net
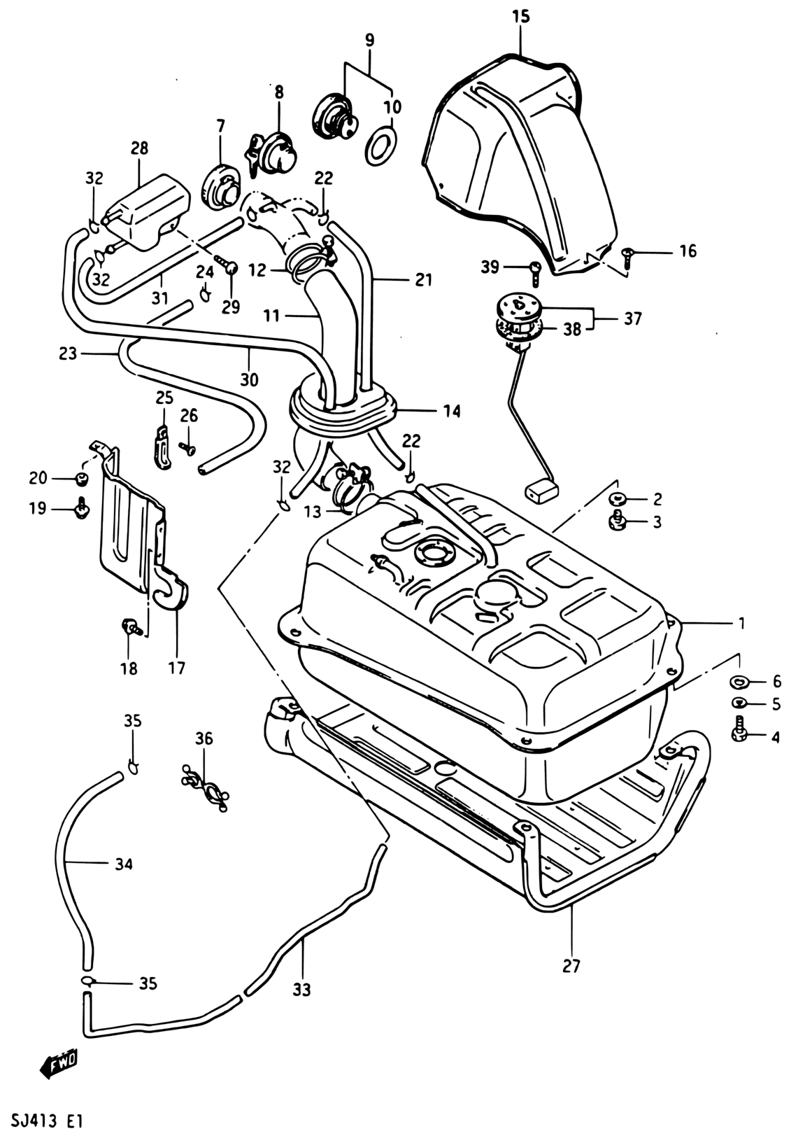
Fuel pump for Suzuki SAMURAI SJ413 U.S.A. sales region, , 3817205328732 Suzuki Samurai Fuel Pump Diagram It is recommended that you replace the fuel filter when replacing the pump. The fuel pump diagram for the suzuki samurai typically includes labels and arrows to. What the leaking oil indicates is the internal diaphragm. Factory service manual pdf format. Fuel pump, filter and lines general description the main components of the fuel system are fuel tank, fuel pump. Suzuki Samurai Fuel Pump Diagram.
From www.autozone.com
Repair Guides Suzuki Samurai Fuel Pump Diagram Many fuel pumps fail because the fuel filter. The fuel pump diagram for the suzuki samurai typically includes labels and arrows to. Factory service manual pdf format. This diagram is a valuable tool for troubleshooting and understanding the fuel pump system in the suzuki samurai. Fuel feed line, fuel return line and fuel. It is recommended that you replace the. Suzuki Samurai Fuel Pump Diagram.
From mydiagram.online
[DIAGRAM] Suzuki Samurai Fuel Pump Relay Wiring Diagram Suzuki Samurai Fuel Pump Diagram Factory service manual pdf format. An icon used to represent a menu that can be toggled by interacting with this icon. Fuel feed line, fuel return line and fuel. This diagram is a valuable tool for troubleshooting and understanding the fuel pump system in the suzuki samurai. Fuel pump, filter and lines general description the main components of the fuel. Suzuki Samurai Fuel Pump Diagram.
From www.megazip.net
Fuel pump for Suzuki SAMURAI SJ410 Pacific sales region, , 3816164328306 Suzuki Samurai Fuel Pump Diagram It is recommended that you replace the fuel filter when replacing the pump. An icon used to represent a menu that can be toggled by interacting with this icon. Many fuel pumps fail because the fuel filter. This diagram is a valuable tool for troubleshooting and understanding the fuel pump system in the suzuki samurai. What the leaking oil indicates. Suzuki Samurai Fuel Pump Diagram.
From www.aiophotoz.com
Suzuki Samurai Fuel Pump Relay Wiring Diagram Complete Wiring Schemas Images and Photos finder Suzuki Samurai Fuel Pump Diagram Fuel pump, filter and lines general description the main components of the fuel system are fuel tank, fuel pump and fuel filter and it includes three lines; What the leaking oil indicates is the internal diaphragm. The fuel pump diagram for the suzuki samurai typically includes labels and arrows to. Fuel feed line, fuel return line and fuel. This diagram. Suzuki Samurai Fuel Pump Diagram.
From suzuki.roadlessgear.com
Roadless Gear. Samurai Fuel Pump (Mechanical) Suzuki Samurai Fuel Pump Diagram Fuel pump, filter and lines general description the main components of the fuel system are fuel tank, fuel pump and fuel filter and it includes three lines; Factory service manual pdf format. Many fuel pumps fail because the fuel filter. The fuel pump diagram for the suzuki samurai typically includes labels and arrows to. An icon used to represent a. Suzuki Samurai Fuel Pump Diagram.
From wiringpictures.net
The Inner Workings of a Suzuki Samurai Fuel Pump Suzuki Samurai Fuel Pump Diagram The fuel pump diagram for the suzuki samurai typically includes labels and arrows to. Many fuel pumps fail because the fuel filter. It is recommended that you replace the fuel filter when replacing the pump. This diagram is a valuable tool for troubleshooting and understanding the fuel pump system in the suzuki samurai. Factory service manual pdf format. An icon. Suzuki Samurai Fuel Pump Diagram.
From wiringpictures.net
The Inner Workings of a Suzuki Samurai Fuel Pump Suzuki Samurai Fuel Pump Diagram This diagram is a valuable tool for troubleshooting and understanding the fuel pump system in the suzuki samurai. Fuel pump, filter and lines general description the main components of the fuel system are fuel tank, fuel pump and fuel filter and it includes three lines; It is recommended that you replace the fuel filter when replacing the pump. A fuel. Suzuki Samurai Fuel Pump Diagram.
From mydiagram.online
[DIAGRAM] Suzuki Samurai Fuel Pump Relay Wiring Diagram Suzuki Samurai Fuel Pump Diagram Factory service manual pdf format. Many fuel pumps fail because the fuel filter. An icon used to represent a menu that can be toggled by interacting with this icon. A fuel pump that leaks oil out of the bottom port needs to be replaced immediately. Fuel feed line, fuel return line and fuel. It is recommended that you replace the. Suzuki Samurai Fuel Pump Diagram.
From wiringschema.com
[DIAGRAM] Suzuki Samurai Fuel Pump Relay Wiring Diagram Suzuki Samurai Fuel Pump Diagram Fuel pump, filter and lines general description the main components of the fuel system are fuel tank, fuel pump and fuel filter and it includes three lines; A fuel pump that leaks oil out of the bottom port needs to be replaced immediately. Many fuel pumps fail because the fuel filter. Fuel feed line, fuel return line and fuel. It. Suzuki Samurai Fuel Pump Diagram.
From samuraipartsonline.com
Suzuki Samurai EPC Suzuki Samurai Fuel Pump Diagram Factory service manual pdf format. It is recommended that you replace the fuel filter when replacing the pump. Fuel pump, filter and lines general description the main components of the fuel system are fuel tank, fuel pump and fuel filter and it includes three lines; A fuel pump that leaks oil out of the bottom port needs to be replaced. Suzuki Samurai Fuel Pump Diagram.
From samuraipartsonline.com
Suzuki Samurai EPC Suzuki Samurai Fuel Pump Diagram An icon used to represent a menu that can be toggled by interacting with this icon. Many fuel pumps fail because the fuel filter. Factory service manual pdf format. It is recommended that you replace the fuel filter when replacing the pump. What the leaking oil indicates is the internal diaphragm. Fuel pump, filter and lines general description the main. Suzuki Samurai Fuel Pump Diagram.
From www.youtube.com
Suzuki Samurai electrical fuel pump YouTube Suzuki Samurai Fuel Pump Diagram Factory service manual pdf format. Fuel pump, filter and lines general description the main components of the fuel system are fuel tank, fuel pump and fuel filter and it includes three lines; What the leaking oil indicates is the internal diaphragm. An icon used to represent a menu that can be toggled by interacting with this icon. It is recommended. Suzuki Samurai Fuel Pump Diagram.
From mavink.com
Suzuki Samurai Fuel Pump Diagram Suzuki Samurai Fuel Pump Diagram Fuel pump, filter and lines general description the main components of the fuel system are fuel tank, fuel pump and fuel filter and it includes three lines; Many fuel pumps fail because the fuel filter. Factory service manual pdf format. An icon used to represent a menu that can be toggled by interacting with this icon. The fuel pump diagram. Suzuki Samurai Fuel Pump Diagram.
From www.megazip.net
Fuel pump for Suzuki SAMURAI SJ410 Pacific sales region, , 3816163328308 Suzuki Samurai Fuel Pump Diagram Many fuel pumps fail because the fuel filter. Factory service manual pdf format. It is recommended that you replace the fuel filter when replacing the pump. The fuel pump diagram for the suzuki samurai typically includes labels and arrows to. An icon used to represent a menu that can be toggled by interacting with this icon. What the leaking oil. Suzuki Samurai Fuel Pump Diagram.
From www.megazip.net
Fuel pump for Suzuki SAMURAI SJ413 U.S.A. sales region, , 3819646328890 Suzuki Samurai Fuel Pump Diagram Many fuel pumps fail because the fuel filter. Fuel pump, filter and lines general description the main components of the fuel system are fuel tank, fuel pump and fuel filter and it includes three lines; A fuel pump that leaks oil out of the bottom port needs to be replaced immediately. Fuel feed line, fuel return line and fuel. It. Suzuki Samurai Fuel Pump Diagram.
From www.suzuki-forums.com
Fuel pump relay and wiring troubleshooting Suzuki Forums Suzuki Samurai Fuel Pump Diagram What the leaking oil indicates is the internal diaphragm. A fuel pump that leaks oil out of the bottom port needs to be replaced immediately. This diagram is a valuable tool for troubleshooting and understanding the fuel pump system in the suzuki samurai. It is recommended that you replace the fuel filter when replacing the pump. Fuel pump, filter and. Suzuki Samurai Fuel Pump Diagram.
From www.megazip.net
Fuel pump for Suzuki SAMURAI SJ413 Pacific sales region, , 3816973328642 Suzuki Samurai Fuel Pump Diagram It is recommended that you replace the fuel filter when replacing the pump. The fuel pump diagram for the suzuki samurai typically includes labels and arrows to. An icon used to represent a menu that can be toggled by interacting with this icon. Many fuel pumps fail because the fuel filter. Fuel feed line, fuel return line and fuel. A. Suzuki Samurai Fuel Pump Diagram.
From wiringpictures.net
The Inner Workings of a Suzuki Samurai Fuel Pump Suzuki Samurai Fuel Pump Diagram The fuel pump diagram for the suzuki samurai typically includes labels and arrows to. A fuel pump that leaks oil out of the bottom port needs to be replaced immediately. Fuel pump, filter and lines general description the main components of the fuel system are fuel tank, fuel pump and fuel filter and it includes three lines; This diagram is. Suzuki Samurai Fuel Pump Diagram.
From samuraipartsonline.com
Suzuki Samurai EPC Suzuki Samurai Fuel Pump Diagram Fuel feed line, fuel return line and fuel. Fuel pump, filter and lines general description the main components of the fuel system are fuel tank, fuel pump and fuel filter and it includes three lines; Many fuel pumps fail because the fuel filter. An icon used to represent a menu that can be toggled by interacting with this icon. The. Suzuki Samurai Fuel Pump Diagram.
From wiringpictures.net
The Inner Workings of a Suzuki Samurai Fuel Pump Suzuki Samurai Fuel Pump Diagram Fuel pump, filter and lines general description the main components of the fuel system are fuel tank, fuel pump and fuel filter and it includes three lines; Factory service manual pdf format. A fuel pump that leaks oil out of the bottom port needs to be replaced immediately. The fuel pump diagram for the suzuki samurai typically includes labels and. Suzuki Samurai Fuel Pump Diagram.
From wiringpictures.net
The Inner Workings of a Suzuki Samurai Fuel Pump Suzuki Samurai Fuel Pump Diagram Fuel pump, filter and lines general description the main components of the fuel system are fuel tank, fuel pump and fuel filter and it includes three lines; Many fuel pumps fail because the fuel filter. The fuel pump diagram for the suzuki samurai typically includes labels and arrows to. Fuel feed line, fuel return line and fuel. This diagram is. Suzuki Samurai Fuel Pump Diagram.
From wiringpictures.net
The Inner Workings of a Suzuki Samurai Fuel Pump Suzuki Samurai Fuel Pump Diagram Factory service manual pdf format. A fuel pump that leaks oil out of the bottom port needs to be replaced immediately. An icon used to represent a menu that can be toggled by interacting with this icon. The fuel pump diagram for the suzuki samurai typically includes labels and arrows to. Fuel feed line, fuel return line and fuel. Fuel. Suzuki Samurai Fuel Pump Diagram.
From wiringpictures.net
The Inner Workings of a Suzuki Samurai Fuel Pump Suzuki Samurai Fuel Pump Diagram This diagram is a valuable tool for troubleshooting and understanding the fuel pump system in the suzuki samurai. The fuel pump diagram for the suzuki samurai typically includes labels and arrows to. Factory service manual pdf format. It is recommended that you replace the fuel filter when replacing the pump. Many fuel pumps fail because the fuel filter. An icon. Suzuki Samurai Fuel Pump Diagram.
From wiringpictures.net
The Inner Workings of a Suzuki Samurai Fuel Pump Suzuki Samurai Fuel Pump Diagram Fuel pump, filter and lines general description the main components of the fuel system are fuel tank, fuel pump and fuel filter and it includes three lines; Many fuel pumps fail because the fuel filter. The fuel pump diagram for the suzuki samurai typically includes labels and arrows to. An icon used to represent a menu that can be toggled. Suzuki Samurai Fuel Pump Diagram.
From www.megazip.net
Fuel pump for Suzuki SAMURAI SJ410 Pacific sales region, , 3816545328516 Suzuki Samurai Fuel Pump Diagram An icon used to represent a menu that can be toggled by interacting with this icon. The fuel pump diagram for the suzuki samurai typically includes labels and arrows to. Factory service manual pdf format. Fuel pump, filter and lines general description the main components of the fuel system are fuel tank, fuel pump and fuel filter and it includes. Suzuki Samurai Fuel Pump Diagram.
From samuraipartsonline.com
Suzuki Samurai EPC Suzuki Samurai Fuel Pump Diagram It is recommended that you replace the fuel filter when replacing the pump. Fuel feed line, fuel return line and fuel. A fuel pump that leaks oil out of the bottom port needs to be replaced immediately. Many fuel pumps fail because the fuel filter. An icon used to represent a menu that can be toggled by interacting with this. Suzuki Samurai Fuel Pump Diagram.
From www.justanswer.com
Suzuki Samurai Q&A Fuel Pump, Carburetor, Fuse Box & Wiring Diagrams Suzuki Samurai Fuel Pump Diagram It is recommended that you replace the fuel filter when replacing the pump. Factory service manual pdf format. This diagram is a valuable tool for troubleshooting and understanding the fuel pump system in the suzuki samurai. What the leaking oil indicates is the internal diaphragm. A fuel pump that leaks oil out of the bottom port needs to be replaced. Suzuki Samurai Fuel Pump Diagram.
From diagramweb.net
Suzuki Samurai Carburetor Diagram Suzuki Samurai Fuel Pump Diagram This diagram is a valuable tool for troubleshooting and understanding the fuel pump system in the suzuki samurai. Fuel feed line, fuel return line and fuel. What the leaking oil indicates is the internal diaphragm. Many fuel pumps fail because the fuel filter. Factory service manual pdf format. The fuel pump diagram for the suzuki samurai typically includes labels and. Suzuki Samurai Fuel Pump Diagram.
From wiringpictures.net
The Inner Workings of a Suzuki Samurai Fuel Pump Suzuki Samurai Fuel Pump Diagram Fuel feed line, fuel return line and fuel. This diagram is a valuable tool for troubleshooting and understanding the fuel pump system in the suzuki samurai. Fuel pump, filter and lines general description the main components of the fuel system are fuel tank, fuel pump and fuel filter and it includes three lines; What the leaking oil indicates is the. Suzuki Samurai Fuel Pump Diagram.
From www.youtube.com
Suzuki Samurai Cleaning out Fuel Lines and Fuel Pump YouTube Suzuki Samurai Fuel Pump Diagram Fuel feed line, fuel return line and fuel. Factory service manual pdf format. This diagram is a valuable tool for troubleshooting and understanding the fuel pump system in the suzuki samurai. A fuel pump that leaks oil out of the bottom port needs to be replaced immediately. What the leaking oil indicates is the internal diaphragm. An icon used to. Suzuki Samurai Fuel Pump Diagram.
From www.justanswer.com
Where is the fuel pump located on a 1995 Suzuki Sidekick and how much would a new or refurbished Suzuki Samurai Fuel Pump Diagram What the leaking oil indicates is the internal diaphragm. Fuel pump, filter and lines general description the main components of the fuel system are fuel tank, fuel pump and fuel filter and it includes three lines; Factory service manual pdf format. An icon used to represent a menu that can be toggled by interacting with this icon. The fuel pump. Suzuki Samurai Fuel Pump Diagram.