John Deere 5100E Hydraulic Filter Change . All information, illustrations and specifications in this manual are based on the latest information available at the time of publication. Clean annually and as required per conditions. Replace after every 300 hours. We changed the engine oil and filter on our 5055e at 120 hours. Engine oil, transmission oil and hydraulic fluid, filter part numbers, service intervals and capacities (click here for capacity) engine oil filter re519626 replace after initial. Replace after every 4500 hours or every five years of operation, whichever occurs first. Hydraulic oil filter re45864 replace after initial 100 hours, then every 250 hours and every 1200 hours. Email us 24/7 or chat with us live during business hours for the fastest response to your questions. Illustrated factory service repair repair manual for john deere 5e lv tractors 5085e, 5090e, 5090el and 5100e (ft4) this manual contains high quality images, circuit diagrams, instructions. The manual says we should also change the hydraulic filter, which i. 18 rows john deere 5100e utility tractor maintenance guide identifies service schedule parts, maintenance intervals & common john deere parts for the 5100e tractor.
from www.youtube.com
Replace after every 4500 hours or every five years of operation, whichever occurs first. 18 rows john deere 5100e utility tractor maintenance guide identifies service schedule parts, maintenance intervals & common john deere parts for the 5100e tractor. All information, illustrations and specifications in this manual are based on the latest information available at the time of publication. Replace after every 300 hours. Engine oil, transmission oil and hydraulic fluid, filter part numbers, service intervals and capacities Hydraulic oil filter re45864 replace after initial 100 hours, then every 250 hours and every 1200 hours. Illustrated factory service repair repair manual for john deere 5e lv tractors 5085e, 5090e, 5090el and 5100e (ft4) this manual contains high quality images, circuit diagrams, instructions. Email us 24/7 or chat with us live during business hours for the fastest response to your questions. The manual says we should also change the hydraulic filter, which i. Clean annually and as required per conditions.
JOHN DEERE FUEL FILTER CHANGE YouTube
John Deere 5100E Hydraulic Filter Change We changed the engine oil and filter on our 5055e at 120 hours. Engine oil, transmission oil and hydraulic fluid, filter part numbers, service intervals and capacities Replace after every 4500 hours or every five years of operation, whichever occurs first. Illustrated factory service repair repair manual for john deere 5e lv tractors 5085e, 5090e, 5090el and 5100e (ft4) this manual contains high quality images, circuit diagrams, instructions. Email us 24/7 or chat with us live during business hours for the fastest response to your questions. All information, illustrations and specifications in this manual are based on the latest information available at the time of publication. (click here for capacity) engine oil filter re519626 replace after initial. Hydraulic oil filter re45864 replace after initial 100 hours, then every 250 hours and every 1200 hours. The manual says we should also change the hydraulic filter, which i. Replace after every 300 hours. We changed the engine oil and filter on our 5055e at 120 hours. Clean annually and as required per conditions. 18 rows john deere 5100e utility tractor maintenance guide identifies service schedule parts, maintenance intervals & common john deere parts for the 5100e tractor.
From muddequipment.com
John Deere 5100E 4X4 John Deere 5100E Hydraulic Filter Change Email us 24/7 or chat with us live during business hours for the fastest response to your questions. Illustrated factory service repair repair manual for john deere 5e lv tractors 5085e, 5090e, 5090el and 5100e (ft4) this manual contains high quality images, circuit diagrams, instructions. Replace after every 300 hours. We changed the engine oil and filter on our 5055e. John Deere 5100E Hydraulic Filter Change.
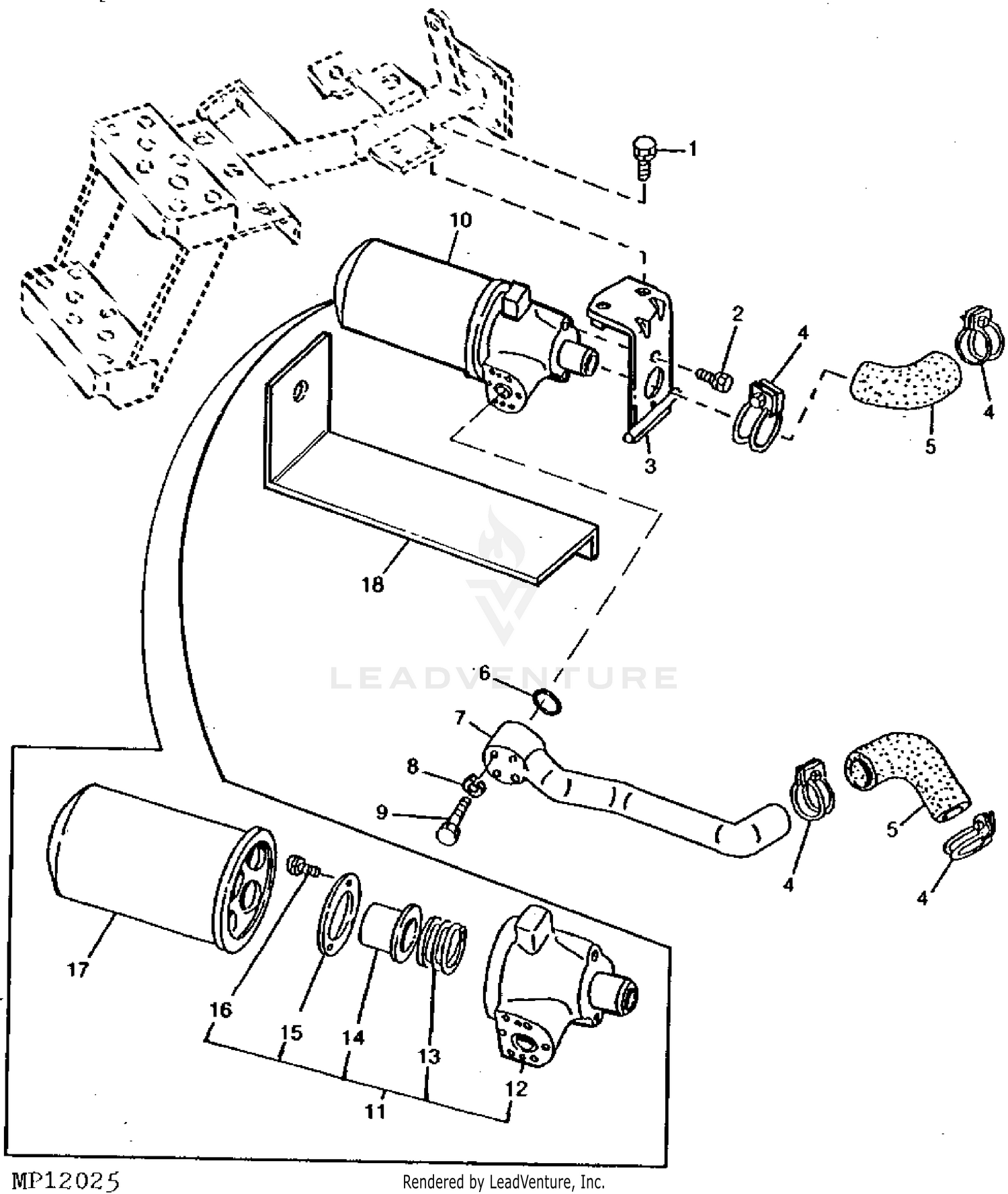
From manuallisttramplers.z21.web.core.windows.net
Diagram John Deere Hydraulic Filter Location John Deere 5100E Hydraulic Filter Change (click here for capacity) engine oil filter re519626 replace after initial. 18 rows john deere 5100e utility tractor maintenance guide identifies service schedule parts, maintenance intervals & common john deere parts for the 5100e tractor. Hydraulic oil filter re45864 replace after initial 100 hours, then every 250 hours and every 1200 hours. Email us 24/7 or chat with us live. John Deere 5100E Hydraulic Filter Change.
From wiringpartella.z6.web.core.windows.net
John Deere 2240 Hydraulic System Drain Plug John Deere 5100E Hydraulic Filter Change Replace after every 4500 hours or every five years of operation, whichever occurs first. The manual says we should also change the hydraulic filter, which i. 18 rows john deere 5100e utility tractor maintenance guide identifies service schedule parts, maintenance intervals & common john deere parts for the 5100e tractor. Replace after every 300 hours. Hydraulic oil filter re45864 replace. John Deere 5100E Hydraulic Filter Change.
From www.amazon.com
GETOPAUTO RE197065 Hydraulic Filter fits John Deere 5076EN John Deere 5100E Hydraulic Filter Change 18 rows john deere 5100e utility tractor maintenance guide identifies service schedule parts, maintenance intervals & common john deere parts for the 5100e tractor. Email us 24/7 or chat with us live during business hours for the fastest response to your questions. Engine oil, transmission oil and hydraulic fluid, filter part numbers, service intervals and capacities Replace after every 4500. John Deere 5100E Hydraulic Filter Change.
From komatsuvscat.com
john deere hydraulics troubleshooting John Deere 5100E Hydraulic Filter Change 18 rows john deere 5100e utility tractor maintenance guide identifies service schedule parts, maintenance intervals & common john deere parts for the 5100e tractor. (click here for capacity) engine oil filter re519626 replace after initial. Replace after every 4500 hours or every five years of operation, whichever occurs first. Hydraulic oil filter re45864 replace after initial 100 hours, then every. John Deere 5100E Hydraulic Filter Change.
From mungfali.com
John Deere Backhoe Hydraulic Schematic John Deere 5100E Hydraulic Filter Change Email us 24/7 or chat with us live during business hours for the fastest response to your questions. The manual says we should also change the hydraulic filter, which i. Illustrated factory service repair repair manual for john deere 5e lv tractors 5085e, 5090e, 5090el and 5100e (ft4) this manual contains high quality images, circuit diagrams, instructions. Engine oil, transmission. John Deere 5100E Hydraulic Filter Change.
From www.filtersfilter.com
Replacement JOHN DEERE hydraulic filter AL232896 Buy Hydraulic Filter John Deere 5100E Hydraulic Filter Change We changed the engine oil and filter on our 5055e at 120 hours. Replace after every 4500 hours or every five years of operation, whichever occurs first. All information, illustrations and specifications in this manual are based on the latest information available at the time of publication. Engine oil, transmission oil and hydraulic fluid, filter part numbers, service intervals and. John Deere 5100E Hydraulic Filter Change.
From www.youtube.com
JOHN DEERE FUEL FILTER CHANGE YouTube John Deere 5100E Hydraulic Filter Change The manual says we should also change the hydraulic filter, which i. (click here for capacity) engine oil filter re519626 replace after initial. Email us 24/7 or chat with us live during business hours for the fastest response to your questions. Hydraulic oil filter re45864 replace after initial 100 hours, then every 250 hours and every 1200 hours. 18 rows. John Deere 5100E Hydraulic Filter Change.
From www.ebay.com
Genuine John Deere Original Equipment Hydraulic Oil Filter AT193966 eBay John Deere 5100E Hydraulic Filter Change We changed the engine oil and filter on our 5055e at 120 hours. 18 rows john deere 5100e utility tractor maintenance guide identifies service schedule parts, maintenance intervals & common john deere parts for the 5100e tractor. Replace after every 4500 hours or every five years of operation, whichever occurs first. Engine oil, transmission oil and hydraulic fluid, filter part. John Deere 5100E Hydraulic Filter Change.
From museumhead.com
Tractor Parts AT314164 John Deere Hydraulic Oil Filter Tractor Parts John Deere 5100E Hydraulic Filter Change Replace after every 4500 hours or every five years of operation, whichever occurs first. Hydraulic oil filter re45864 replace after initial 100 hours, then every 250 hours and every 1200 hours. Illustrated factory service repair repair manual for john deere 5e lv tractors 5085e, 5090e, 5090el and 5100e (ft4) this manual contains high quality images, circuit diagrams, instructions. Engine oil,. John Deere 5100E Hydraulic Filter Change.
From www.fridayparts.com
buy Fuel Filter Element DZ115390 for John Deere Engine 4045 Tractor John Deere 5100E Hydraulic Filter Change Replace after every 4500 hours or every five years of operation, whichever occurs first. Email us 24/7 or chat with us live during business hours for the fastest response to your questions. Engine oil, transmission oil and hydraulic fluid, filter part numbers, service intervals and capacities We changed the engine oil and filter on our 5055e at 120 hours. The. John Deere 5100E Hydraulic Filter Change.
From www.justanswer.com
Where the oil filter is located on John Deere 510 backhoe? John Deere 5100E Hydraulic Filter Change Email us 24/7 or chat with us live during business hours for the fastest response to your questions. The manual says we should also change the hydraulic filter, which i. Replace after every 300 hours. All information, illustrations and specifications in this manual are based on the latest information available at the time of publication. Replace after every 4500 hours. John Deere 5100E Hydraulic Filter Change.
From www.greentractortalk.com
Hydro Fluid Change John Deere 5100E Hydraulic Filter Change Engine oil, transmission oil and hydraulic fluid, filter part numbers, service intervals and capacities We changed the engine oil and filter on our 5055e at 120 hours. Clean annually and as required per conditions. Illustrated factory service repair repair manual for john deere 5e lv tractors 5085e, 5090e, 5090el and 5100e (ft4) this manual contains high quality images, circuit diagrams,. John Deere 5100E Hydraulic Filter Change.
From agriculture.papemachinery.com
How To Check Hydraulic Fluid Level On John Deere Tractor Papé Machinery John Deere 5100E Hydraulic Filter Change We changed the engine oil and filter on our 5055e at 120 hours. Clean annually and as required per conditions. Engine oil, transmission oil and hydraulic fluid, filter part numbers, service intervals and capacities The manual says we should also change the hydraulic filter, which i. Replace after every 300 hours. All information, illustrations and specifications in this manual are. John Deere 5100E Hydraulic Filter Change.
From www.filtersfilter.com
Replacement JOHN DEERE hydraulic filter AL169059 Buy Hydraulic Filter John Deere 5100E Hydraulic Filter Change We changed the engine oil and filter on our 5055e at 120 hours. Replace after every 4500 hours or every five years of operation, whichever occurs first. Replace after every 300 hours. Hydraulic oil filter re45864 replace after initial 100 hours, then every 250 hours and every 1200 hours. (click here for capacity) engine oil filter re519626 replace after initial.. John Deere 5100E Hydraulic Filter Change.
From realmagazine.net
How to Find the John Deere Hydraulic Filter Location » Real Magazine John Deere 5100E Hydraulic Filter Change All information, illustrations and specifications in this manual are based on the latest information available at the time of publication. Clean annually and as required per conditions. Illustrated factory service repair repair manual for john deere 5e lv tractors 5085e, 5090e, 5090el and 5100e (ft4) this manual contains high quality images, circuit diagrams, instructions. Hydraulic oil filter re45864 replace after. John Deere 5100E Hydraulic Filter Change.
From www.youtube.com
John Deere 5100e dpf filter YouTube John Deere 5100E Hydraulic Filter Change Hydraulic oil filter re45864 replace after initial 100 hours, then every 250 hours and every 1200 hours. The manual says we should also change the hydraulic filter, which i. Replace after every 4500 hours or every five years of operation, whichever occurs first. All information, illustrations and specifications in this manual are based on the latest information available at the. John Deere 5100E Hydraulic Filter Change.
From www.youtube.com
John Deere Parts original hydraulic filter cartridge with housing John Deere 5100E Hydraulic Filter Change The manual says we should also change the hydraulic filter, which i. 18 rows john deere 5100e utility tractor maintenance guide identifies service schedule parts, maintenance intervals & common john deere parts for the 5100e tractor. Illustrated factory service repair repair manual for john deere 5e lv tractors 5085e, 5090e, 5090el and 5100e (ft4) this manual contains high quality images,. John Deere 5100E Hydraulic Filter Change.
From www.youtube.com
John Deere 4044M Transmission and hydraulic system filter change John Deere 5100E Hydraulic Filter Change The manual says we should also change the hydraulic filter, which i. All information, illustrations and specifications in this manual are based on the latest information available at the time of publication. Clean annually and as required per conditions. Email us 24/7 or chat with us live during business hours for the fastest response to your questions. Replace after every. John Deere 5100E Hydraulic Filter Change.
From www.youtube.com
How to change transmission / hydraulic oil and filter for JOHN DEERE John Deere 5100E Hydraulic Filter Change Replace after every 300 hours. We changed the engine oil and filter on our 5055e at 120 hours. All information, illustrations and specifications in this manual are based on the latest information available at the time of publication. The manual says we should also change the hydraulic filter, which i. Clean annually and as required per conditions. Illustrated factory service. John Deere 5100E Hydraulic Filter Change.
From www.tractorpartsasap.com
Pump Hydraulic fits John Deere 5100E 5090E SJ21567 John Deere 5100E Hydraulic Filter Change 18 rows john deere 5100e utility tractor maintenance guide identifies service schedule parts, maintenance intervals & common john deere parts for the 5100e tractor. The manual says we should also change the hydraulic filter, which i. Illustrated factory service repair repair manual for john deere 5e lv tractors 5085e, 5090e, 5090el and 5100e (ft4) this manual contains high quality images,. John Deere 5100E Hydraulic Filter Change.
From www.amazon.com
LEAPTREND RE197065 Hydraulic Oil Filter, Fuel Filter John Deere 5100E Hydraulic Filter Change Email us 24/7 or chat with us live during business hours for the fastest response to your questions. Replace after every 300 hours. We changed the engine oil and filter on our 5055e at 120 hours. Replace after every 4500 hours or every five years of operation, whichever occurs first. All information, illustrations and specifications in this manual are based. John Deere 5100E Hydraulic Filter Change.
From www.weingartz.com
ARIMain WEINGARTZ John Deere 5100E Hydraulic Filter Change The manual says we should also change the hydraulic filter, which i. Replace after every 4500 hours or every five years of operation, whichever occurs first. All information, illustrations and specifications in this manual are based on the latest information available at the time of publication. We changed the engine oil and filter on our 5055e at 120 hours. Email. John Deere 5100E Hydraulic Filter Change.
From www.ebay.com
RE197065 Hydraulic Filter Fits For John Deere 5083E 5090E 5100E 5225 John Deere 5100E Hydraulic Filter Change Hydraulic oil filter re45864 replace after initial 100 hours, then every 250 hours and every 1200 hours. Clean annually and as required per conditions. Engine oil, transmission oil and hydraulic fluid, filter part numbers, service intervals and capacities The manual says we should also change the hydraulic filter, which i. Replace after every 4500 hours or every five years of. John Deere 5100E Hydraulic Filter Change.
From gogreenway.com
RE197065 John Deere Hydraulic Filter Element Greenway Equipment John Deere 5100E Hydraulic Filter Change Replace after every 300 hours. 18 rows john deere 5100e utility tractor maintenance guide identifies service schedule parts, maintenance intervals & common john deere parts for the 5100e tractor. Engine oil, transmission oil and hydraulic fluid, filter part numbers, service intervals and capacities Clean annually and as required per conditions. The manual says we should also change the hydraulic filter,. John Deere 5100E Hydraulic Filter Change.
From www.justanswer.com
Q&A John Deere Hydraulic System Change Oil, Schematic, Fluid John Deere 5100E Hydraulic Filter Change Hydraulic oil filter re45864 replace after initial 100 hours, then every 250 hours and every 1200 hours. Illustrated factory service repair repair manual for john deere 5e lv tractors 5085e, 5090e, 5090el and 5100e (ft4) this manual contains high quality images, circuit diagrams, instructions. Replace after every 4500 hours or every five years of operation, whichever occurs first. Email us. John Deere 5100E Hydraulic Filter Change.
From 777parts.net
HYDRAULIC OIL FILTER (FIPS) [02B07] TRACTOR, COMPACT UTILITY John John Deere 5100E Hydraulic Filter Change 18 rows john deere 5100e utility tractor maintenance guide identifies service schedule parts, maintenance intervals & common john deere parts for the 5100e tractor. Replace after every 4500 hours or every five years of operation, whichever occurs first. Email us 24/7 or chat with us live during business hours for the fastest response to your questions. We changed the engine. John Deere 5100E Hydraulic Filter Change.
From www.amazon.com
RE551508 Fuel Filter Element Replacement for John Deere John Deere 5100E Hydraulic Filter Change Hydraulic oil filter re45864 replace after initial 100 hours, then every 250 hours and every 1200 hours. Replace after every 4500 hours or every five years of operation, whichever occurs first. Replace after every 300 hours. We changed the engine oil and filter on our 5055e at 120 hours. Clean annually and as required per conditions. 18 rows john deere. John Deere 5100E Hydraulic Filter Change.
From www.youtube.com
Changing HYDRAULIC FILTERS on a John Deere Dozer only takes 2 MINUTES John Deere 5100E Hydraulic Filter Change Engine oil, transmission oil and hydraulic fluid, filter part numbers, service intervals and capacities The manual says we should also change the hydraulic filter, which i. Illustrated factory service repair repair manual for john deere 5e lv tractors 5085e, 5090e, 5090el and 5100e (ft4) this manual contains high quality images, circuit diagrams, instructions. Replace after every 4500 hours or every. John Deere 5100E Hydraulic Filter Change.
From circuitdataboattrains.z14.web.core.windows.net
Diagram John Deere Hydraulic Filter Location John Deere 5100E Hydraulic Filter Change We changed the engine oil and filter on our 5055e at 120 hours. Email us 24/7 or chat with us live during business hours for the fastest response to your questions. Clean annually and as required per conditions. All information, illustrations and specifications in this manual are based on the latest information available at the time of publication. (click here. John Deere 5100E Hydraulic Filter Change.
From www.ebay.com
Fuel Filter RE551508 DZ115390 for John Deere Tractor 5085E 5100E 5115R John Deere 5100E Hydraulic Filter Change Replace after every 300 hours. Engine oil, transmission oil and hydraulic fluid, filter part numbers, service intervals and capacities Email us 24/7 or chat with us live during business hours for the fastest response to your questions. Hydraulic oil filter re45864 replace after initial 100 hours, then every 250 hours and every 1200 hours. 18 rows john deere 5100e utility. John Deere 5100E Hydraulic Filter Change.
From www.youtube.com
John Deere Fuel Filter Change And Fuel Strainer Bowl Cleaned YouTube John Deere 5100E Hydraulic Filter Change Clean annually and as required per conditions. Replace after every 300 hours. Replace after every 4500 hours or every five years of operation, whichever occurs first. Hydraulic oil filter re45864 replace after initial 100 hours, then every 250 hours and every 1200 hours. We changed the engine oil and filter on our 5055e at 120 hours. (click here for capacity). John Deere 5100E Hydraulic Filter Change.
From www.filtersfilter.com
Replacement JOHN DEERE Hydraulic Filter AT44696 Buy Hydraulic Filter John Deere 5100E Hydraulic Filter Change All information, illustrations and specifications in this manual are based on the latest information available at the time of publication. (click here for capacity) engine oil filter re519626 replace after initial. Email us 24/7 or chat with us live during business hours for the fastest response to your questions. We changed the engine oil and filter on our 5055e at. John Deere 5100E Hydraulic Filter Change.
From www.youtube.com
My Loader Won’t Load! Let’s Fix It! Changing the Hydraulic Oil and John Deere 5100E Hydraulic Filter Change Replace after every 300 hours. We changed the engine oil and filter on our 5055e at 120 hours. The manual says we should also change the hydraulic filter, which i. Clean annually and as required per conditions. Illustrated factory service repair repair manual for john deere 5e lv tractors 5085e, 5090e, 5090el and 5100e (ft4) this manual contains high quality. John Deere 5100E Hydraulic Filter Change.
From www.justanswer.com
Q&A How to Change Hydraulic Oil Filter on John Deere? JustAnswer John Deere 5100E Hydraulic Filter Change Hydraulic oil filter re45864 replace after initial 100 hours, then every 250 hours and every 1200 hours. Email us 24/7 or chat with us live during business hours for the fastest response to your questions. The manual says we should also change the hydraulic filter, which i. We changed the engine oil and filter on our 5055e at 120 hours.. John Deere 5100E Hydraulic Filter Change.