Huebsch Dryer Parts List . Cure your laundry machines faster with our huebsch washer and dryer manuals for programming, troubleshooting and maintenance tips and tricks. Download 12 huebsch dryer pdf manuals. Search our commercial huebsch replacement parts list by part number, by model number, or by part description. Discover our inventory of huebsch commercial dryer parts at affordable. This search will provide you with information regarding your machine. Replace old or broken commercial huebsch dryer parts with parts king. Please enter the model number of your washer or dryer in the search box below. User manuals, huebsch dryer operating guides and service manuals. Whether you have a huebsch top load washer or commercial dryer, use real oem parts to keep your laundry machines protected under. The information includes a pdf for. Parts town canada has the.
from mungfali.com
User manuals, huebsch dryer operating guides and service manuals. Whether you have a huebsch top load washer or commercial dryer, use real oem parts to keep your laundry machines protected under. Search our commercial huebsch replacement parts list by part number, by model number, or by part description. Replace old or broken commercial huebsch dryer parts with parts king. Download 12 huebsch dryer pdf manuals. Discover our inventory of huebsch commercial dryer parts at affordable. This search will provide you with information regarding your machine. Please enter the model number of your washer or dryer in the search box below. Parts town canada has the. Cure your laundry machines faster with our huebsch washer and dryer manuals for programming, troubleshooting and maintenance tips and tricks.
Huebsch Model 37Ce Commercial Dryer Parts
Huebsch Dryer Parts List Discover our inventory of huebsch commercial dryer parts at affordable. Please enter the model number of your washer or dryer in the search box below. This search will provide you with information regarding your machine. Download 12 huebsch dryer pdf manuals. User manuals, huebsch dryer operating guides and service manuals. Replace old or broken commercial huebsch dryer parts with parts king. Search our commercial huebsch replacement parts list by part number, by model number, or by part description. Discover our inventory of huebsch commercial dryer parts at affordable. Parts town canada has the. Cure your laundry machines faster with our huebsch washer and dryer manuals for programming, troubleshooting and maintenance tips and tricks. Whether you have a huebsch top load washer or commercial dryer, use real oem parts to keep your laundry machines protected under. The information includes a pdf for.
From www.liveauctionworld.com
HUEBSCH ORIGINATORS 30+ COMMERCIAL DRYER Huebsch Dryer Parts List User manuals, huebsch dryer operating guides and service manuals. This search will provide you with information regarding your machine. Replace old or broken commercial huebsch dryer parts with parts king. Discover our inventory of huebsch commercial dryer parts at affordable. Please enter the model number of your washer or dryer in the search box below. Cure your laundry machines faster. Huebsch Dryer Parts List.
From mungfali.com
Huebsch Model 37Ce Commercial Dryer Parts Huebsch Dryer Parts List The information includes a pdf for. Download 12 huebsch dryer pdf manuals. User manuals, huebsch dryer operating guides and service manuals. Parts town canada has the. Search our commercial huebsch replacement parts list by part number, by model number, or by part description. Please enter the model number of your washer or dryer in the search box below. Discover our. Huebsch Dryer Parts List.
From www.pwslaundry.com
Huebsch 514P3 Dryer KIT CONVERSIONNG TO KPD32DG Commercial Huebsch Huebsch Dryer Parts List User manuals, huebsch dryer operating guides and service manuals. Please enter the model number of your washer or dryer in the search box below. Cure your laundry machines faster with our huebsch washer and dryer manuals for programming, troubleshooting and maintenance tips and tricks. Search our commercial huebsch replacement parts list by part number, by model number, or by part. Huebsch Dryer Parts List.
From haddon.ca
Huebsch OnPremise HTSeries Dryer Haddon Huebsch Dryer Parts List User manuals, huebsch dryer operating guides and service manuals. Cure your laundry machines faster with our huebsch washer and dryer manuals for programming, troubleshooting and maintenance tips and tricks. Download 12 huebsch dryer pdf manuals. This search will provide you with information regarding your machine. The information includes a pdf for. Whether you have a huebsch top load washer or. Huebsch Dryer Parts List.
From parts.sears.com
LOADING DOOR AND DOOR SWITCH Diagram & Parts List for Model 30XG Huebsch Dryer Parts List Parts town canada has the. Discover our inventory of huebsch commercial dryer parts at affordable. The information includes a pdf for. Search our commercial huebsch replacement parts list by part number, by model number, or by part description. Please enter the model number of your washer or dryer in the search box below. Whether you have a huebsch top load. Huebsch Dryer Parts List.
From wiring.hpricorpcom.com
Amana Dryer Wiring Schematic Wiring Diagram and Schematic Huebsch Dryer Parts List Cure your laundry machines faster with our huebsch washer and dryer manuals for programming, troubleshooting and maintenance tips and tricks. Replace old or broken commercial huebsch dryer parts with parts king. User manuals, huebsch dryer operating guides and service manuals. Download 12 huebsch dryer pdf manuals. Parts town canada has the. This search will provide you with information regarding your. Huebsch Dryer Parts List.
From parts.alliancelaundry.com
Huebsch M4337P3 Dryer KIT IGNITER LP Commercial Huebsch Laundry Parts Huebsch Dryer Parts List Whether you have a huebsch top load washer or commercial dryer, use real oem parts to keep your laundry machines protected under. Cure your laundry machines faster with our huebsch washer and dryer manuals for programming, troubleshooting and maintenance tips and tricks. Download 12 huebsch dryer pdf manuals. Search our commercial huebsch replacement parts list by part number, by model. Huebsch Dryer Parts List.
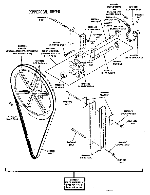
From parts.sears.com
HUEBSCH Commercial Dryer Idler drive components Parts Model 30WG Huebsch Dryer Parts List User manuals, huebsch dryer operating guides and service manuals. Please enter the model number of your washer or dryer in the search box below. Whether you have a huebsch top load washer or commercial dryer, use real oem parts to keep your laundry machines protected under. The information includes a pdf for. Download 12 huebsch dryer pdf manuals. Parts town. Huebsch Dryer Parts List.
From mungfali.com
Huebsch Model 37Ce Commercial Dryer Parts Huebsch Dryer Parts List This search will provide you with information regarding your machine. Cure your laundry machines faster with our huebsch washer and dryer manuals for programming, troubleshooting and maintenance tips and tricks. Whether you have a huebsch top load washer or commercial dryer, use real oem parts to keep your laundry machines protected under. Replace old or broken commercial huebsch dryer parts. Huebsch Dryer Parts List.
From parts.alliancelaundry.com
Huebsch D504585R4 Dryer LABEL,OP DRYER Commercial Huebsch Dryer Parts List Search our commercial huebsch replacement parts list by part number, by model number, or by part description. Discover our inventory of huebsch commercial dryer parts at affordable. Cure your laundry machines faster with our huebsch washer and dryer manuals for programming, troubleshooting and maintenance tips and tricks. Please enter the model number of your washer or dryer in the search. Huebsch Dryer Parts List.
From www.pwslaundry.com
Huebsch MTR303P Dryer MOTOR 1HP 3PH Commercial Huebsch Laundry Parts Huebsch Dryer Parts List Replace old or broken commercial huebsch dryer parts with parts king. Whether you have a huebsch top load washer or commercial dryer, use real oem parts to keep your laundry machines protected under. User manuals, huebsch dryer operating guides and service manuals. Discover our inventory of huebsch commercial dryer parts at affordable. Download 12 huebsch dryer pdf manuals. Cure your. Huebsch Dryer Parts List.
From mungfali.com
Huebsch Model 37Ce Commercial Dryer Parts Huebsch Dryer Parts List Search our commercial huebsch replacement parts list by part number, by model number, or by part description. Download 12 huebsch dryer pdf manuals. The information includes a pdf for. Cure your laundry machines faster with our huebsch washer and dryer manuals for programming, troubleshooting and maintenance tips and tricks. This search will provide you with information regarding your machine. Parts. Huebsch Dryer Parts List.
From www.canadianappliance.ca
DR7101WG Huebsch Gas Dryer Canada Parts Discontinued Sale! Best Price Huebsch Dryer Parts List Discover our inventory of huebsch commercial dryer parts at affordable. Please enter the model number of your washer or dryer in the search box below. Parts town canada has the. User manuals, huebsch dryer operating guides and service manuals. Whether you have a huebsch top load washer or commercial dryer, use real oem parts to keep your laundry machines protected. Huebsch Dryer Parts List.
From enginelibditrochees.z19.web.core.windows.net
Huebsch Commercial Dryer Parts Huebsch Dryer Parts List Parts town canada has the. This search will provide you with information regarding your machine. Search our commercial huebsch replacement parts list by part number, by model number, or by part description. The information includes a pdf for. Download 12 huebsch dryer pdf manuals. Replace old or broken commercial huebsch dryer parts with parts king. Please enter the model number. Huebsch Dryer Parts List.
From parts.alliancelaundry.com
Huebsch TU7244H Dryer THERMOSTAT 135 DEGREE +H Commercial Huebsch Huebsch Dryer Parts List User manuals, huebsch dryer operating guides and service manuals. Download 12 huebsch dryer pdf manuals. Whether you have a huebsch top load washer or commercial dryer, use real oem parts to keep your laundry machines protected under. Replace old or broken commercial huebsch dryer parts with parts king. Cure your laundry machines faster with our huebsch washer and dryer manuals. Huebsch Dryer Parts List.
From mungfali.com
Huebsch Model 37Ce Commercial Dryer Parts Huebsch Dryer Parts List Replace old or broken commercial huebsch dryer parts with parts king. The information includes a pdf for. This search will provide you with information regarding your machine. Discover our inventory of huebsch commercial dryer parts at affordable. Please enter the model number of your washer or dryer in the search box below. Parts town canada has the. User manuals, huebsch. Huebsch Dryer Parts List.
From circuitlibfriedman.z19.web.core.windows.net
Huebsch Dryer Wiring Diagram Huebsch Dryer Parts List Whether you have a huebsch top load washer or commercial dryer, use real oem parts to keep your laundry machines protected under. Please enter the model number of your washer or dryer in the search box below. User manuals, huebsch dryer operating guides and service manuals. The information includes a pdf for. Discover our inventory of huebsch commercial dryer parts. Huebsch Dryer Parts List.
From mungfali.com
Huebsch Model 37Ce Commercial Dryer Parts Huebsch Dryer Parts List Please enter the model number of your washer or dryer in the search box below. This search will provide you with information regarding your machine. Cure your laundry machines faster with our huebsch washer and dryer manuals for programming, troubleshooting and maintenance tips and tricks. Whether you have a huebsch top load washer or commercial dryer, use real oem parts. Huebsch Dryer Parts List.
From www.refurbishedphones.com
Huebsch Originators 37CGI Commercial Dryer Huebsch Dryer Parts List Please enter the model number of your washer or dryer in the search box below. Replace old or broken commercial huebsch dryer parts with parts king. Parts town canada has the. User manuals, huebsch dryer operating guides and service manuals. The information includes a pdf for. Search our commercial huebsch replacement parts list by part number, by model number, or. Huebsch Dryer Parts List.
From mungfali.com
Huebsch Model 37Ce Commercial Dryer Parts Huebsch Dryer Parts List This search will provide you with information regarding your machine. User manuals, huebsch dryer operating guides and service manuals. Download 12 huebsch dryer pdf manuals. Search our commercial huebsch replacement parts list by part number, by model number, or by part description. Whether you have a huebsch top load washer or commercial dryer, use real oem parts to keep your. Huebsch Dryer Parts List.
From electrofiablecanada.ca
D517559 Timer for Huebsch dryer Huebsch Dryer Parts List Whether you have a huebsch top load washer or commercial dryer, use real oem parts to keep your laundry machines protected under. Please enter the model number of your washer or dryer in the search box below. This search will provide you with information regarding your machine. User manuals, huebsch dryer operating guides and service manuals. Replace old or broken. Huebsch Dryer Parts List.
From schematicmanualwilliam.z13.web.core.windows.net
Huebsch 50 Lb Dryer Parts Diagram Huebsch Dryer Parts List Discover our inventory of huebsch commercial dryer parts at affordable. Whether you have a huebsch top load washer or commercial dryer, use real oem parts to keep your laundry machines protected under. Please enter the model number of your washer or dryer in the search box below. User manuals, huebsch dryer operating guides and service manuals. Search our commercial huebsch. Huebsch Dryer Parts List.
From www.cpec-laundry.com
Huebsch Commercial MultiLoad Dryer Coin & Professional Equipment Co. Huebsch Dryer Parts List Please enter the model number of your washer or dryer in the search box below. The information includes a pdf for. Download 12 huebsch dryer pdf manuals. User manuals, huebsch dryer operating guides and service manuals. Whether you have a huebsch top load washer or commercial dryer, use real oem parts to keep your laundry machines protected under. Replace old. Huebsch Dryer Parts List.
From www.123laundryshop.com
HUEBSCH LAUNDRY EQUIPMENT & PARTS Huebsch Dryer Parts List Search our commercial huebsch replacement parts list by part number, by model number, or by part description. The information includes a pdf for. Please enter the model number of your washer or dryer in the search box below. Whether you have a huebsch top load washer or commercial dryer, use real oem parts to keep your laundry machines protected under.. Huebsch Dryer Parts List.
From diagramweb.net
Huebsch Dryer Wiring Diagram Huebsch Dryer Parts List User manuals, huebsch dryer operating guides and service manuals. Parts town canada has the. The information includes a pdf for. Download 12 huebsch dryer pdf manuals. This search will provide you with information regarding your machine. Search our commercial huebsch replacement parts list by part number, by model number, or by part description. Discover our inventory of huebsch commercial dryer. Huebsch Dryer Parts List.
From parts.alliancelaundry.com
Huebsch 70457302P Dryer VALVE GAS LP PKG Commercial Huebsch Laundry Huebsch Dryer Parts List This search will provide you with information regarding your machine. Parts town canada has the. Whether you have a huebsch top load washer or commercial dryer, use real oem parts to keep your laundry machines protected under. The information includes a pdf for. User manuals, huebsch dryer operating guides and service manuals. Discover our inventory of huebsch commercial dryer parts. Huebsch Dryer Parts List.
From circuitxxslayerlayxxl4.z13.web.core.windows.net
Whirlpool Dryer Schematics And Diagrams Huebsch Dryer Parts List Replace old or broken commercial huebsch dryer parts with parts king. This search will provide you with information regarding your machine. Parts town canada has the. Cure your laundry machines faster with our huebsch washer and dryer manuals for programming, troubleshooting and maintenance tips and tricks. Search our commercial huebsch replacement parts list by part number, by model number, or. Huebsch Dryer Parts List.
From huebsch.com
Commercial Dryers Huebsch Huebsch Dryer Parts List Download 12 huebsch dryer pdf manuals. Cure your laundry machines faster with our huebsch washer and dryer manuals for programming, troubleshooting and maintenance tips and tricks. Please enter the model number of your washer or dryer in the search box below. Search our commercial huebsch replacement parts list by part number, by model number, or by part description. Discover our. Huebsch Dryer Parts List.
From parts.alliancelaundry.com
Huebsch 510525P Dryer TIMER 240/50 PACKAGED Commercial Huebsch Huebsch Dryer Parts List Download 12 huebsch dryer pdf manuals. Cure your laundry machines faster with our huebsch washer and dryer manuals for programming, troubleshooting and maintenance tips and tricks. Search our commercial huebsch replacement parts list by part number, by model number, or by part description. Discover our inventory of huebsch commercial dryer parts at affordable. Please enter the model number of your. Huebsch Dryer Parts List.
From laundryparts.com
Huebsch Gas Valve / Sq Single Dryer hm409152p Laundry Parts Huebsch Dryer Parts List Download 12 huebsch dryer pdf manuals. Whether you have a huebsch top load washer or commercial dryer, use real oem parts to keep your laundry machines protected under. Discover our inventory of huebsch commercial dryer parts at affordable. The information includes a pdf for. Please enter the model number of your washer or dryer in the search box below. Cure. Huebsch Dryer Parts List.
From parts.alliancelaundry.com
Huebsch 70131701P Dryer TIMER MALLORY 60HZ PKG Commercial Huebsch Huebsch Dryer Parts List Cure your laundry machines faster with our huebsch washer and dryer manuals for programming, troubleshooting and maintenance tips and tricks. User manuals, huebsch dryer operating guides and service manuals. Replace old or broken commercial huebsch dryer parts with parts king. This search will provide you with information regarding your machine. Parts town canada has the. Whether you have a huebsch. Huebsch Dryer Parts List.
From bid.ableauctions.ca
HUEBSCH ORIGINATORS DRYSTAR 75 COMMERCIAL GRADE DRYER Able Auctions Huebsch Dryer Parts List Search our commercial huebsch replacement parts list by part number, by model number, or by part description. Cure your laundry machines faster with our huebsch washer and dryer manuals for programming, troubleshooting and maintenance tips and tricks. Discover our inventory of huebsch commercial dryer parts at affordable. Replace old or broken commercial huebsch dryer parts with parts king. Parts town. Huebsch Dryer Parts List.
From diagramweb.net
Huebsch Dryer Wiring Diagram Huebsch Dryer Parts List Discover our inventory of huebsch commercial dryer parts at affordable. Cure your laundry machines faster with our huebsch washer and dryer manuals for programming, troubleshooting and maintenance tips and tricks. This search will provide you with information regarding your machine. Please enter the model number of your washer or dryer in the search box below. Search our commercial huebsch replacement. Huebsch Dryer Parts List.
From www.pwslaundry.com
Huebsch M4986P3 Dryer KIT GAS VALVE NG Commercial Huebsch Laundry Parts Huebsch Dryer Parts List Cure your laundry machines faster with our huebsch washer and dryer manuals for programming, troubleshooting and maintenance tips and tricks. User manuals, huebsch dryer operating guides and service manuals. Discover our inventory of huebsch commercial dryer parts at affordable. Whether you have a huebsch top load washer or commercial dryer, use real oem parts to keep your laundry machines protected. Huebsch Dryer Parts List.
From schematron.org
Huebsch Dryer Wiring Diagram Wiring Diagram Pictures Huebsch Dryer Parts List This search will provide you with information regarding your machine. Please enter the model number of your washer or dryer in the search box below. Parts town canada has the. Replace old or broken commercial huebsch dryer parts with parts king. Discover our inventory of huebsch commercial dryer parts at affordable. Search our commercial huebsch replacement parts list by part. Huebsch Dryer Parts List.