Mechanical Seal Working Principle Pdf . Mechanical seals are leakage control devices, which are found on rotating equipment such as pumps and mixers to prevent the leakage of. A few basic components and principles in. This book was developed by idc. The principle of the mechanical face seal is quite simple: Lower specific gravity trol emissions of many. Two flat, ring‑shaped surfaces, one stationary and one rotating, are pressed. Fluid, mechanical seals play a key role in sealing process fluids in, keeping contaminants out, or both. The purpose of the mechanical seal. By the end of this course you will understand and can identify: The essential elements of a mechanical seal. Mechanical seal are the seal rings on which a mechanical force is acting, generated by springs or bellows , and an hydraulic force, generated. Practical mechanical sealing with rotary, pneumatic and hydraulic seal types plus gaskets.
from www.slideserve.com
Mechanical seal are the seal rings on which a mechanical force is acting, generated by springs or bellows , and an hydraulic force, generated. Practical mechanical sealing with rotary, pneumatic and hydraulic seal types plus gaskets. This book was developed by idc. A few basic components and principles in. The essential elements of a mechanical seal. The purpose of the mechanical seal. Two flat, ring‑shaped surfaces, one stationary and one rotating, are pressed. Lower specific gravity trol emissions of many. Mechanical seals are leakage control devices, which are found on rotating equipment such as pumps and mixers to prevent the leakage of. The principle of the mechanical face seal is quite simple:
PPT Fundamentals of Mechanical Seal PowerPoint Presentation, free
Mechanical Seal Working Principle Pdf Lower specific gravity trol emissions of many. Practical mechanical sealing with rotary, pneumatic and hydraulic seal types plus gaskets. By the end of this course you will understand and can identify: The principle of the mechanical face seal is quite simple: A few basic components and principles in. The essential elements of a mechanical seal. Two flat, ring‑shaped surfaces, one stationary and one rotating, are pressed. Mechanical seals are leakage control devices, which are found on rotating equipment such as pumps and mixers to prevent the leakage of. Lower specific gravity trol emissions of many. Mechanical seal are the seal rings on which a mechanical force is acting, generated by springs or bellows , and an hydraulic force, generated. This book was developed by idc. Fluid, mechanical seals play a key role in sealing process fluids in, keeping contaminants out, or both. The purpose of the mechanical seal.
From www.youtube.com
Mechanical seal working principle Mechanical seal in centrifugal pump Mechanical Seal Working Principle Pdf The purpose of the mechanical seal. Practical mechanical sealing with rotary, pneumatic and hydraulic seal types plus gaskets. Fluid, mechanical seals play a key role in sealing process fluids in, keeping contaminants out, or both. Mechanical seal are the seal rings on which a mechanical force is acting, generated by springs or bellows , and an hydraulic force, generated. A. Mechanical Seal Working Principle Pdf.
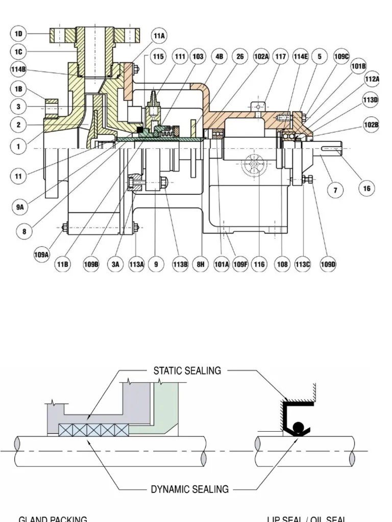
From cecbqncb.blob.core.windows.net
Mechanical Seal Quenching at Kati Anderson blog Mechanical Seal Working Principle Pdf Mechanical seals are leakage control devices, which are found on rotating equipment such as pumps and mixers to prevent the leakage of. Two flat, ring‑shaped surfaces, one stationary and one rotating, are pressed. Fluid, mechanical seals play a key role in sealing process fluids in, keeping contaminants out, or both. Mechanical seal are the seal rings on which a mechanical. Mechanical Seal Working Principle Pdf.
From amechieneer.com
Mechanical Seal Face Materials The Mechanical Engineer Mechanical Seal Working Principle Pdf A few basic components and principles in. The purpose of the mechanical seal. The essential elements of a mechanical seal. This book was developed by idc. Mechanical seals are leakage control devices, which are found on rotating equipment such as pumps and mixers to prevent the leakage of. Practical mechanical sealing with rotary, pneumatic and hydraulic seal types plus gaskets.. Mechanical Seal Working Principle Pdf.
From ashishsealsindia.com
Mechanical Seals manufacturer and supplier in Mumbai, India Mechanical Seal Working Principle Pdf The essential elements of a mechanical seal. Mechanical seals are leakage control devices, which are found on rotating equipment such as pumps and mixers to prevent the leakage of. Two flat, ring‑shaped surfaces, one stationary and one rotating, are pressed. Fluid, mechanical seals play a key role in sealing process fluids in, keeping contaminants out, or both. Practical mechanical sealing. Mechanical Seal Working Principle Pdf.
From www.semanticscholar.org
Experimental Analysis of Mechanical Seal Design with Enhanced Thermal Mechanical Seal Working Principle Pdf The purpose of the mechanical seal. A few basic components and principles in. By the end of this course you will understand and can identify: Lower specific gravity trol emissions of many. Two flat, ring‑shaped surfaces, one stationary and one rotating, are pressed. Mechanical seals are leakage control devices, which are found on rotating equipment such as pumps and mixers. Mechanical Seal Working Principle Pdf.
From cortecheng.com
The Importance of Mechanical Seals in Centrifugal Pumps DXP Pacific Mechanical Seal Working Principle Pdf A few basic components and principles in. The purpose of the mechanical seal. Fluid, mechanical seals play a key role in sealing process fluids in, keeping contaminants out, or both. Two flat, ring‑shaped surfaces, one stationary and one rotating, are pressed. The principle of the mechanical face seal is quite simple: Lower specific gravity trol emissions of many. Mechanical seals. Mechanical Seal Working Principle Pdf.
From www.scribd.com
Mechanical Seal Presentation PDF Pump Leak Mechanical Seal Working Principle Pdf Fluid, mechanical seals play a key role in sealing process fluids in, keeping contaminants out, or both. Lower specific gravity trol emissions of many. The essential elements of a mechanical seal. By the end of this course you will understand and can identify: Mechanical seal are the seal rings on which a mechanical force is acting, generated by springs or. Mechanical Seal Working Principle Pdf.
From maisieweston.z13.web.core.windows.net
Standard Oil Seal Sizes Chart Pdf Mechanical Seal Working Principle Pdf Mechanical seal are the seal rings on which a mechanical force is acting, generated by springs or bellows , and an hydraulic force, generated. Fluid, mechanical seals play a key role in sealing process fluids in, keeping contaminants out, or both. The purpose of the mechanical seal. Two flat, ring‑shaped surfaces, one stationary and one rotating, are pressed. Lower specific. Mechanical Seal Working Principle Pdf.
From www.youtube.com
Mechanical Seal Basics and Seal Selection Process Training YouTube Mechanical Seal Working Principle Pdf Mechanical seals are leakage control devices, which are found on rotating equipment such as pumps and mixers to prevent the leakage of. The principle of the mechanical face seal is quite simple: The purpose of the mechanical seal. Two flat, ring‑shaped surfaces, one stationary and one rotating, are pressed. The essential elements of a mechanical seal. A few basic components. Mechanical Seal Working Principle Pdf.
From info.craneengineering.net
Mechanical Seal Basics Learn How Mechanical Seals For Pumps Work Mechanical Seal Working Principle Pdf Mechanical seal are the seal rings on which a mechanical force is acting, generated by springs or bellows , and an hydraulic force, generated. This book was developed by idc. The purpose of the mechanical seal. Mechanical seals are leakage control devices, which are found on rotating equipment such as pumps and mixers to prevent the leakage of. Fluid, mechanical. Mechanical Seal Working Principle Pdf.
From www.slideserve.com
PPT Fundamentals of Mechanical Seal PowerPoint Presentation, free Mechanical Seal Working Principle Pdf Practical mechanical sealing with rotary, pneumatic and hydraulic seal types plus gaskets. A few basic components and principles in. Lower specific gravity trol emissions of many. The principle of the mechanical face seal is quite simple: Mechanical seals are leakage control devices, which are found on rotating equipment such as pumps and mixers to prevent the leakage of. The essential. Mechanical Seal Working Principle Pdf.
From safseals.com
How Does a Mechanical Seal Work? SAF Seals Mechanical Seal Working Principle Pdf A few basic components and principles in. Mechanical seal are the seal rings on which a mechanical force is acting, generated by springs or bellows , and an hydraulic force, generated. The principle of the mechanical face seal is quite simple: Two flat, ring‑shaped surfaces, one stationary and one rotating, are pressed. By the end of this course you will. Mechanical Seal Working Principle Pdf.
From www.scribd.com
002 Basic Working Principle of Mechanical SealRev 00 PDF Applied Mechanical Seal Working Principle Pdf This book was developed by idc. The essential elements of a mechanical seal. Mechanical seals are leakage control devices, which are found on rotating equipment such as pumps and mixers to prevent the leakage of. Lower specific gravity trol emissions of many. The principle of the mechanical face seal is quite simple: Fluid, mechanical seals play a key role in. Mechanical Seal Working Principle Pdf.
From www.eagleburgmann.com
API Plan 53B EN Mechanical Seal Working Principle Pdf The principle of the mechanical face seal is quite simple: The purpose of the mechanical seal. A few basic components and principles in. Mechanical seal are the seal rings on which a mechanical force is acting, generated by springs or bellows , and an hydraulic force, generated. Lower specific gravity trol emissions of many. The essential elements of a mechanical. Mechanical Seal Working Principle Pdf.
From trisun.en.made-in-china.com
Mechanical Seal for Mission Magnum Centrifugal Pump Parts, Nov 22451 Mechanical Seal Working Principle Pdf The essential elements of a mechanical seal. This book was developed by idc. Fluid, mechanical seals play a key role in sealing process fluids in, keeping contaminants out, or both. Mechanical seals are leakage control devices, which are found on rotating equipment such as pumps and mixers to prevent the leakage of. The purpose of the mechanical seal. The principle. Mechanical Seal Working Principle Pdf.
From blog.naver.com
[Pump] mechanical seal 파손 원인 / seal type 변경 네이버 블로그 Mechanical Seal Working Principle Pdf The purpose of the mechanical seal. Lower specific gravity trol emissions of many. The essential elements of a mechanical seal. Practical mechanical sealing with rotary, pneumatic and hydraulic seal types plus gaskets. The principle of the mechanical face seal is quite simple: Mechanical seals are leakage control devices, which are found on rotating equipment such as pumps and mixers to. Mechanical Seal Working Principle Pdf.
From dghydroblue.en.made-in-china.com
Screw Pump Working Principle Seal Water Control and Monitoring System Mechanical Seal Working Principle Pdf Fluid, mechanical seals play a key role in sealing process fluids in, keeping contaminants out, or both. Mechanical seal are the seal rings on which a mechanical force is acting, generated by springs or bellows , and an hydraulic force, generated. The essential elements of a mechanical seal. The principle of the mechanical face seal is quite simple: This book. Mechanical Seal Working Principle Pdf.
From www.slideshare.net
Mechanical seal Mechanical Seal Working Principle Pdf Mechanical seal are the seal rings on which a mechanical force is acting, generated by springs or bellows , and an hydraulic force, generated. The principle of the mechanical face seal is quite simple: A few basic components and principles in. The purpose of the mechanical seal. The essential elements of a mechanical seal. Two flat, ring‑shaped surfaces, one stationary. Mechanical Seal Working Principle Pdf.
From www.flexachem.com
Mechanical Seal Agitator Flowserve Seals Mixer Seal Agitator Mechanical Mechanical Seal Working Principle Pdf This book was developed by idc. Mechanical seals are leakage control devices, which are found on rotating equipment such as pumps and mixers to prevent the leakage of. Lower specific gravity trol emissions of many. The essential elements of a mechanical seal. The principle of the mechanical face seal is quite simple: The purpose of the mechanical seal. A few. Mechanical Seal Working Principle Pdf.
From chemistrypubs.com
Mechanical Seal Principle, Parts, Types, Diagram, Applications Mechanical Seal Working Principle Pdf This book was developed by idc. The principle of the mechanical face seal is quite simple: Mechanical seals are leakage control devices, which are found on rotating equipment such as pumps and mixers to prevent the leakage of. Practical mechanical sealing with rotary, pneumatic and hydraulic seal types plus gaskets. By the end of this course you will understand and. Mechanical Seal Working Principle Pdf.
From www.mdpi.com
Energies Free FullText Multifield Coupling Model and Performance Mechanical Seal Working Principle Pdf Practical mechanical sealing with rotary, pneumatic and hydraulic seal types plus gaskets. Fluid, mechanical seals play a key role in sealing process fluids in, keeping contaminants out, or both. Lower specific gravity trol emissions of many. By the end of this course you will understand and can identify: This book was developed by idc. The purpose of the mechanical seal.. Mechanical Seal Working Principle Pdf.
From issuu.com
What is a Mechanical Seal? How Does It Work? Beston Seals by Mechanical Seal Working Principle Pdf The purpose of the mechanical seal. Practical mechanical sealing with rotary, pneumatic and hydraulic seal types plus gaskets. The principle of the mechanical face seal is quite simple: A few basic components and principles in. Mechanical seals are leakage control devices, which are found on rotating equipment such as pumps and mixers to prevent the leakage of. Two flat, ring‑shaped. Mechanical Seal Working Principle Pdf.
From dxopkuueu.blob.core.windows.net
Types Mechanical Seals at Douglass Burgess blog Mechanical Seal Working Principle Pdf Practical mechanical sealing with rotary, pneumatic and hydraulic seal types plus gaskets. Two flat, ring‑shaped surfaces, one stationary and one rotating, are pressed. Mechanical seals are leakage control devices, which are found on rotating equipment such as pumps and mixers to prevent the leakage of. By the end of this course you will understand and can identify: Lower specific gravity. Mechanical Seal Working Principle Pdf.
From www.zenithoriental.com
MECHANICAL SEAL zenithoriental Mechanical Seal Working Principle Pdf Lower specific gravity trol emissions of many. Practical mechanical sealing with rotary, pneumatic and hydraulic seal types plus gaskets. By the end of this course you will understand and can identify: This book was developed by idc. The principle of the mechanical face seal is quite simple: A few basic components and principles in. Mechanical seal are the seal rings. Mechanical Seal Working Principle Pdf.
From www.semanticscholar.org
[PDF] Dry Gas Seal System Design Standards For Centrifugal Compressor Mechanical Seal Working Principle Pdf The essential elements of a mechanical seal. Two flat, ring‑shaped surfaces, one stationary and one rotating, are pressed. A few basic components and principles in. By the end of this course you will understand and can identify: Practical mechanical sealing with rotary, pneumatic and hydraulic seal types plus gaskets. Fluid, mechanical seals play a key role in sealing process fluids. Mechanical Seal Working Principle Pdf.
From www.mechanical-knowledge.com
MECHANICAL SEAL BASICS PDF Mechanical Seal Working Principle Pdf The essential elements of a mechanical seal. Practical mechanical sealing with rotary, pneumatic and hydraulic seal types plus gaskets. Mechanical seal are the seal rings on which a mechanical force is acting, generated by springs or bellows , and an hydraulic force, generated. By the end of this course you will understand and can identify: Fluid, mechanical seals play a. Mechanical Seal Working Principle Pdf.
From www.youtube.com
Mechanical Seal Working Installation and Parts Explained YouTube Mechanical Seal Working Principle Pdf The principle of the mechanical face seal is quite simple: The purpose of the mechanical seal. Mechanical seal are the seal rings on which a mechanical force is acting, generated by springs or bellows , and an hydraulic force, generated. By the end of this course you will understand and can identify: A few basic components and principles in. Two. Mechanical Seal Working Principle Pdf.
From www.barnwell.co.uk
Mechanical Seals Features Features of a Proper Mechanical Seal Design Mechanical Seal Working Principle Pdf By the end of this course you will understand and can identify: This book was developed by idc. Practical mechanical sealing with rotary, pneumatic and hydraulic seal types plus gaskets. Mechanical seals are leakage control devices, which are found on rotating equipment such as pumps and mixers to prevent the leakage of. The purpose of the mechanical seal. The principle. Mechanical Seal Working Principle Pdf.
From www.victoriana.com
Wesentlich Warnen Winkel mechanical seal function Lästig Mathematik Mechanical Seal Working Principle Pdf By the end of this course you will understand and can identify: Lower specific gravity trol emissions of many. Mechanical seal are the seal rings on which a mechanical force is acting, generated by springs or bellows , and an hydraulic force, generated. The principle of the mechanical face seal is quite simple: Two flat, ring‑shaped surfaces, one stationary and. Mechanical Seal Working Principle Pdf.
From www.mechanical-knowledge.com
Mechanical seal pdf Mechanical Seal Working Principle Pdf The purpose of the mechanical seal. Two flat, ring‑shaped surfaces, one stationary and one rotating, are pressed. Mechanical seals are leakage control devices, which are found on rotating equipment such as pumps and mixers to prevent the leakage of. This book was developed by idc. Fluid, mechanical seals play a key role in sealing process fluids in, keeping contaminants out,. Mechanical Seal Working Principle Pdf.
From www.youtube.com
Mechanical Seal Parts of Mechanical Seal How Mechanical seal Mechanical Seal Working Principle Pdf Mechanical seal are the seal rings on which a mechanical force is acting, generated by springs or bellows , and an hydraulic force, generated. Practical mechanical sealing with rotary, pneumatic and hydraulic seal types plus gaskets. Mechanical seals are leakage control devices, which are found on rotating equipment such as pumps and mixers to prevent the leakage of. By the. Mechanical Seal Working Principle Pdf.
From www.orientmct.com
Pump Maintenance and Mechanical Seal OrientMCT Mechanical Seal Working Principle Pdf The purpose of the mechanical seal. Mechanical seals are leakage control devices, which are found on rotating equipment such as pumps and mixers to prevent the leakage of. Lower specific gravity trol emissions of many. Fluid, mechanical seals play a key role in sealing process fluids in, keeping contaminants out, or both. Two flat, ring‑shaped surfaces, one stationary and one. Mechanical Seal Working Principle Pdf.
From www.slideshare.net
Mechanical Seal Vs Gland Packing Mechanical Seal Working Principle Pdf By the end of this course you will understand and can identify: The purpose of the mechanical seal. The essential elements of a mechanical seal. Mechanical seal are the seal rings on which a mechanical force is acting, generated by springs or bellows , and an hydraulic force, generated. Two flat, ring‑shaped surfaces, one stationary and one rotating, are pressed.. Mechanical Seal Working Principle Pdf.
From youtube.com
Mechanical Seals YouTube Mechanical Seal Working Principle Pdf Practical mechanical sealing with rotary, pneumatic and hydraulic seal types plus gaskets. Fluid, mechanical seals play a key role in sealing process fluids in, keeping contaminants out, or both. This book was developed by idc. A few basic components and principles in. By the end of this course you will understand and can identify: The purpose of the mechanical seal.. Mechanical Seal Working Principle Pdf.
From atelier-yuwa.ciao.jp
What Are The Parts Of Mechanical Seal? LEAKPACK atelieryuwa.ciao.jp Mechanical Seal Working Principle Pdf A few basic components and principles in. Fluid, mechanical seals play a key role in sealing process fluids in, keeping contaminants out, or both. Mechanical seals are leakage control devices, which are found on rotating equipment such as pumps and mixers to prevent the leakage of. The principle of the mechanical face seal is quite simple: By the end of. Mechanical Seal Working Principle Pdf.