Pressure Switch For Fire Pump . The mercoid pressure controller series da is the industry standard pressure switch for fire pump controls. See why we've been successful since. Pressure switch is used in wet, dry, or other fire sprinkler system to detect an pressure increase or decrease from normal system pressure, so to transmit the signal automatically to local alarm. Replacement jockey pump controller pressure switch. The tyco model tps waterflow pressure switch is a pressure actuated switch designed to detect a waterflow condition in automatic fire sprinkler. Use mercoid pressure controller for fire pump controls to operate pumps which supply water to building fire sprinkler systems, turning on the main pumps when system pressure falls due to sprinkler heads being activated and turning on. The potter ps100 pressure actuated switches are designed primarily to detect a decrease from. Excess pressure pump supervisory switch. The potter ps15 series supervisory pressure actuated switches are designed primarily to detect an increase and/or decrease from normal system.
from www.alibaba.com
The potter ps15 series supervisory pressure actuated switches are designed primarily to detect an increase and/or decrease from normal system. Replacement jockey pump controller pressure switch. Use mercoid pressure controller for fire pump controls to operate pumps which supply water to building fire sprinkler systems, turning on the main pumps when system pressure falls due to sprinkler heads being activated and turning on. Excess pressure pump supervisory switch. Pressure switch is used in wet, dry, or other fire sprinkler system to detect an pressure increase or decrease from normal system pressure, so to transmit the signal automatically to local alarm. The tyco model tps waterflow pressure switch is a pressure actuated switch designed to detect a waterflow condition in automatic fire sprinkler. The mercoid pressure controller series da is the industry standard pressure switch for fire pump controls. See why we've been successful since. The potter ps100 pressure actuated switches are designed primarily to detect a decrease from.
Lefoo Lf16 Ul 2080psi And 40100psi Automatic Water Pump Controller Pressure Switch Fire Pump
Pressure Switch For Fire Pump The potter ps100 pressure actuated switches are designed primarily to detect a decrease from. The potter ps15 series supervisory pressure actuated switches are designed primarily to detect an increase and/or decrease from normal system. The tyco model tps waterflow pressure switch is a pressure actuated switch designed to detect a waterflow condition in automatic fire sprinkler. Use mercoid pressure controller for fire pump controls to operate pumps which supply water to building fire sprinkler systems, turning on the main pumps when system pressure falls due to sprinkler heads being activated and turning on. Replacement jockey pump controller pressure switch. See why we've been successful since. The mercoid pressure controller series da is the industry standard pressure switch for fire pump controls. Pressure switch is used in wet, dry, or other fire sprinkler system to detect an pressure increase or decrease from normal system pressure, so to transmit the signal automatically to local alarm. Excess pressure pump supervisory switch. The potter ps100 pressure actuated switches are designed primarily to detect a decrease from.
From www.mastercontrols.com
EC Fire Pump Controller Unique Features 5k Lightning Guarantee, 5 Year Warranty and more Pressure Switch For Fire Pump Excess pressure pump supervisory switch. Replacement jockey pump controller pressure switch. The potter ps15 series supervisory pressure actuated switches are designed primarily to detect an increase and/or decrease from normal system. Use mercoid pressure controller for fire pump controls to operate pumps which supply water to building fire sprinkler systems, turning on the main pumps when system pressure falls due. Pressure Switch For Fire Pump.
From www.tradeindia.com
Flameproof Pressure Switch at 4500.00 INR in Vapi, Gujarat Smart Tech Instruments And Controls Pressure Switch For Fire Pump Use mercoid pressure controller for fire pump controls to operate pumps which supply water to building fire sprinkler systems, turning on the main pumps when system pressure falls due to sprinkler heads being activated and turning on. Excess pressure pump supervisory switch. Replacement jockey pump controller pressure switch. The mercoid pressure controller series da is the industry standard pressure switch. Pressure Switch For Fire Pump.
From dir.indiamart.com
Pump Pressure Switches at Best Price in India Pressure Switch For Fire Pump The tyco model tps waterflow pressure switch is a pressure actuated switch designed to detect a waterflow condition in automatic fire sprinkler. The potter ps15 series supervisory pressure actuated switches are designed primarily to detect an increase and/or decrease from normal system. Use mercoid pressure controller for fire pump controls to operate pumps which supply water to building fire sprinkler. Pressure Switch For Fire Pump.
From finecast.en.made-in-china.com
High Quality High Pressure Switch Special Pressure Switch for Fire Protection and Water Pump Pressure Switch For Fire Pump The tyco model tps waterflow pressure switch is a pressure actuated switch designed to detect a waterflow condition in automatic fire sprinkler. The potter ps15 series supervisory pressure actuated switches are designed primarily to detect an increase and/or decrease from normal system. Excess pressure pump supervisory switch. See why we've been successful since. Replacement jockey pump controller pressure switch. The. Pressure Switch For Fire Pump.
From www.alibaba.com
Lefoo Lf16 Ul 2080psi And 40100psi Automatic Water Pump Controller Pressure Switch Fire Pump Pressure Switch For Fire Pump The tyco model tps waterflow pressure switch is a pressure actuated switch designed to detect a waterflow condition in automatic fire sprinkler. Use mercoid pressure controller for fire pump controls to operate pumps which supply water to building fire sprinkler systems, turning on the main pumps when system pressure falls due to sprinkler heads being activated and turning on. The. Pressure Switch For Fire Pump.
From www.tornatech.com
GPx Series Electric Fire Pump Controllers Tornatech Pressure Switch For Fire Pump The mercoid pressure controller series da is the industry standard pressure switch for fire pump controls. Use mercoid pressure controller for fire pump controls to operate pumps which supply water to building fire sprinkler systems, turning on the main pumps when system pressure falls due to sprinkler heads being activated and turning on. The potter ps100 pressure actuated switches are. Pressure Switch For Fire Pump.
From isesafety.com
Fire Hydrant System Industrial Safety Enterprises Pressure Switch For Fire Pump Replacement jockey pump controller pressure switch. The mercoid pressure controller series da is the industry standard pressure switch for fire pump controls. Excess pressure pump supervisory switch. The tyco model tps waterflow pressure switch is a pressure actuated switch designed to detect a waterflow condition in automatic fire sprinkler. The potter ps15 series supervisory pressure actuated switches are designed primarily. Pressure Switch For Fire Pump.
From www.appeng.co.uk
Fire Sprinkler Flow Switches Application Engineering Pressure Switch For Fire Pump Use mercoid pressure controller for fire pump controls to operate pumps which supply water to building fire sprinkler systems, turning on the main pumps when system pressure falls due to sprinkler heads being activated and turning on. The potter ps15 series supervisory pressure actuated switches are designed primarily to detect an increase and/or decrease from normal system. Pressure switch is. Pressure Switch For Fire Pump.
From www.alibaba.com
Pressure Switch Fire Hydrant Pump Series For Engineering Project Buy Pressure Switch Fire Pump Pressure Switch For Fire Pump The tyco model tps waterflow pressure switch is a pressure actuated switch designed to detect a waterflow condition in automatic fire sprinkler. Pressure switch is used in wet, dry, or other fire sprinkler system to detect an pressure increase or decrease from normal system pressure, so to transmit the signal automatically to local alarm. Excess pressure pump supervisory switch. The. Pressure Switch For Fire Pump.
From www.alibaba.com
Pressure Switch Fire Hydrant Pump Series For Engineering Project Buy Pressure Switch Fire Pump Pressure Switch For Fire Pump Use mercoid pressure controller for fire pump controls to operate pumps which supply water to building fire sprinkler systems, turning on the main pumps when system pressure falls due to sprinkler heads being activated and turning on. See why we've been successful since. Pressure switch is used in wet, dry, or other fire sprinkler system to detect an pressure increase. Pressure Switch For Fire Pump.
From ahqidian.en.made-in-china.com
Automatic Mechanical Pressure Switch Fire Adjustable Water Pump Air Pressure Hydraulic Oil Pressure Switch For Fire Pump The potter ps15 series supervisory pressure actuated switches are designed primarily to detect an increase and/or decrease from normal system. The potter ps100 pressure actuated switches are designed primarily to detect a decrease from. See why we've been successful since. The mercoid pressure controller series da is the industry standard pressure switch for fire pump controls. Replacement jockey pump controller. Pressure Switch For Fire Pump.
From www.alibaba.com
Pressure Switch Fire Hydrant Pump Series For Engineering Project Buy Pressure Switch Fire Pump Pressure Switch For Fire Pump Replacement jockey pump controller pressure switch. The mercoid pressure controller series da is the industry standard pressure switch for fire pump controls. Use mercoid pressure controller for fire pump controls to operate pumps which supply water to building fire sprinkler systems, turning on the main pumps when system pressure falls due to sprinkler heads being activated and turning on. The. Pressure Switch For Fire Pump.
From firesprinklerequipment.com
Alco Pressure Switch Fire Sprinkler Equipment Pressure Switch For Fire Pump Use mercoid pressure controller for fire pump controls to operate pumps which supply water to building fire sprinkler systems, turning on the main pumps when system pressure falls due to sprinkler heads being activated and turning on. Replacement jockey pump controller pressure switch. Excess pressure pump supervisory switch. The tyco model tps waterflow pressure switch is a pressure actuated switch. Pressure Switch For Fire Pump.
From www.indiamart.com
Pressure Switch Auto Control Fire Pump Pressure Switch Wholesale Supplier from Raigad Pressure Switch For Fire Pump The potter ps100 pressure actuated switches are designed primarily to detect a decrease from. The potter ps15 series supervisory pressure actuated switches are designed primarily to detect an increase and/or decrease from normal system. Replacement jockey pump controller pressure switch. Pressure switch is used in wet, dry, or other fire sprinkler system to detect an pressure increase or decrease from. Pressure Switch For Fire Pump.
From www.ecmweb.com
Fire Pump Systems EC&M Pressure Switch For Fire Pump The mercoid pressure controller series da is the industry standard pressure switch for fire pump controls. See why we've been successful since. The tyco model tps waterflow pressure switch is a pressure actuated switch designed to detect a waterflow condition in automatic fire sprinkler. Excess pressure pump supervisory switch. Replacement jockey pump controller pressure switch. Pressure switch is used in. Pressure Switch For Fire Pump.
From www.shieldglobal.com
PRESSURE SWITCH SHIELD Fire, Safety & Security Ltd Pressure Switch For Fire Pump The potter ps15 series supervisory pressure actuated switches are designed primarily to detect an increase and/or decrease from normal system. See why we've been successful since. Use mercoid pressure controller for fire pump controls to operate pumps which supply water to building fire sprinkler systems, turning on the main pumps when system pressure falls due to sprinkler heads being activated. Pressure Switch For Fire Pump.
From mavink.com
Pressure Switch For Fire Pump Pressure Switch For Fire Pump See why we've been successful since. Excess pressure pump supervisory switch. The potter ps15 series supervisory pressure actuated switches are designed primarily to detect an increase and/or decrease from normal system. The potter ps100 pressure actuated switches are designed primarily to detect a decrease from. The mercoid pressure controller series da is the industry standard pressure switch for fire pump. Pressure Switch For Fire Pump.
From shnmotor.en.made-in-china.com
Fire Pump Pressure Switch Bx0091 Air Pump Fire Extinguisher Pressure Control Valve China Air Pressure Switch For Fire Pump The tyco model tps waterflow pressure switch is a pressure actuated switch designed to detect a waterflow condition in automatic fire sprinkler. Pressure switch is used in wet, dry, or other fire sprinkler system to detect an pressure increase or decrease from normal system pressure, so to transmit the signal automatically to local alarm. The mercoid pressure controller series da. Pressure Switch For Fire Pump.
From www.rapidrop.com
Rapidrop British Manufacturer & Supplier of Fire Sprinklers & Fire Suppression Equipment Pressure Switch For Fire Pump Use mercoid pressure controller for fire pump controls to operate pumps which supply water to building fire sprinkler systems, turning on the main pumps when system pressure falls due to sprinkler heads being activated and turning on. The tyco model tps waterflow pressure switch is a pressure actuated switch designed to detect a waterflow condition in automatic fire sprinkler. The. Pressure Switch For Fire Pump.
From uniquefire.com
Uniquefire Control Pressure Switch (Single Type) Unique Fire Holdings Pressure Switch For Fire Pump The potter ps15 series supervisory pressure actuated switches are designed primarily to detect an increase and/or decrease from normal system. Use mercoid pressure controller for fire pump controls to operate pumps which supply water to building fire sprinkler systems, turning on the main pumps when system pressure falls due to sprinkler heads being activated and turning on. Replacement jockey pump. Pressure Switch For Fire Pump.
From www.alibaba.com
Pressure Switch Fire Hydrant Pump Series For Engineering Project Buy Pressure Switch Fire Pump Pressure Switch For Fire Pump The potter ps100 pressure actuated switches are designed primarily to detect a decrease from. The potter ps15 series supervisory pressure actuated switches are designed primarily to detect an increase and/or decrease from normal system. Excess pressure pump supervisory switch. The tyco model tps waterflow pressure switch is a pressure actuated switch designed to detect a waterflow condition in automatic fire. Pressure Switch For Fire Pump.
From www.youtube.com
"Mastering Fire Protection How Pressure Switches Control Jockey Pumps" YouTube Pressure Switch For Fire Pump The potter ps100 pressure actuated switches are designed primarily to detect a decrease from. See why we've been successful since. Use mercoid pressure controller for fire pump controls to operate pumps which supply water to building fire sprinkler systems, turning on the main pumps when system pressure falls due to sprinkler heads being activated and turning on. The tyco model. Pressure Switch For Fire Pump.
From www.alibaba.com
Lefoo Lf16 Ul 2080psi And 40100psi Automatic Water Pump Controller Pressure Switch Fire Pump Pressure Switch For Fire Pump Use mercoid pressure controller for fire pump controls to operate pumps which supply water to building fire sprinkler systems, turning on the main pumps when system pressure falls due to sprinkler heads being activated and turning on. The tyco model tps waterflow pressure switch is a pressure actuated switch designed to detect a waterflow condition in automatic fire sprinkler. The. Pressure Switch For Fire Pump.
From www.completefiresupply.com.au
Pressure Switches Complete Fire Supply Co Pressure Switch For Fire Pump Excess pressure pump supervisory switch. Replacement jockey pump controller pressure switch. The potter ps15 series supervisory pressure actuated switches are designed primarily to detect an increase and/or decrease from normal system. The potter ps100 pressure actuated switches are designed primarily to detect a decrease from. The tyco model tps waterflow pressure switch is a pressure actuated switch designed to detect. Pressure Switch For Fire Pump.
From firesprinklerequipment.com
Alco Pressure Switch Fire Sprinkler Equipment Pressure Switch For Fire Pump The tyco model tps waterflow pressure switch is a pressure actuated switch designed to detect a waterflow condition in automatic fire sprinkler. Pressure switch is used in wet, dry, or other fire sprinkler system to detect an pressure increase or decrease from normal system pressure, so to transmit the signal automatically to local alarm. The potter ps100 pressure actuated switches. Pressure Switch For Fire Pump.
From einvoice.fpt.com.vn
Flow Switches Pressure Switches In Fire Protection The, 45 OFF Pressure Switch For Fire Pump Pressure switch is used in wet, dry, or other fire sprinkler system to detect an pressure increase or decrease from normal system pressure, so to transmit the signal automatically to local alarm. The tyco model tps waterflow pressure switch is a pressure actuated switch designed to detect a waterflow condition in automatic fire sprinkler. Use mercoid pressure controller for fire. Pressure Switch For Fire Pump.
From guardfire.en.made-in-china.com
Fire Pressure Switch for Fire Fighting China Pressure Switch and Fire Pressure Switch Pressure Switch For Fire Pump The mercoid pressure controller series da is the industry standard pressure switch for fire pump controls. The potter ps15 series supervisory pressure actuated switches are designed primarily to detect an increase and/or decrease from normal system. Excess pressure pump supervisory switch. Replacement jockey pump controller pressure switch. Use mercoid pressure controller for fire pump controls to operate pumps which supply. Pressure Switch For Fire Pump.
From www.amenitypump.com
pressure switch for firefighting Pressure Switch For Fire Pump The tyco model tps waterflow pressure switch is a pressure actuated switch designed to detect a waterflow condition in automatic fire sprinkler. Use mercoid pressure controller for fire pump controls to operate pumps which supply water to building fire sprinkler systems, turning on the main pumps when system pressure falls due to sprinkler heads being activated and turning on. The. Pressure Switch For Fire Pump.
From apexfiresystems.com
System Sensor Pressure Switch Apex Fire System Pressure Switch For Fire Pump Excess pressure pump supervisory switch. Replacement jockey pump controller pressure switch. The mercoid pressure controller series da is the industry standard pressure switch for fire pump controls. The potter ps15 series supervisory pressure actuated switches are designed primarily to detect an increase and/or decrease from normal system. The tyco model tps waterflow pressure switch is a pressure actuated switch designed. Pressure Switch For Fire Pump.
From blog.koorsen.com
Keep Your Fire Pumps Ready for Action with Regular Inspection and Testing Pressure Switch For Fire Pump Replacement jockey pump controller pressure switch. Use mercoid pressure controller for fire pump controls to operate pumps which supply water to building fire sprinkler systems, turning on the main pumps when system pressure falls due to sprinkler heads being activated and turning on. Pressure switch is used in wet, dry, or other fire sprinkler system to detect an pressure increase. Pressure Switch For Fire Pump.
From directfiresupplies.com.au
Pressure Switch PS1201 Fall Only Direct Fire Supplies Pressure Switch For Fire Pump Excess pressure pump supervisory switch. The potter ps15 series supervisory pressure actuated switches are designed primarily to detect an increase and/or decrease from normal system. The mercoid pressure controller series da is the industry standard pressure switch for fire pump controls. The potter ps100 pressure actuated switches are designed primarily to detect a decrease from. Replacement jockey pump controller pressure. Pressure Switch For Fire Pump.
From www.indiamart.com
Flameproof Pressure Switches, SPDT contact Pressure Switch, Industrial Pressure Switches, दबाव Pressure Switch For Fire Pump Excess pressure pump supervisory switch. Replacement jockey pump controller pressure switch. The mercoid pressure controller series da is the industry standard pressure switch for fire pump controls. The potter ps15 series supervisory pressure actuated switches are designed primarily to detect an increase and/or decrease from normal system. Pressure switch is used in wet, dry, or other fire sprinkler system to. Pressure Switch For Fire Pump.
From www.steelfire.com
6 lb. FM200 Auto Extgr c/w pressure switch Steel Fire Equipment Pressure Switch For Fire Pump See why we've been successful since. Pressure switch is used in wet, dry, or other fire sprinkler system to detect an pressure increase or decrease from normal system pressure, so to transmit the signal automatically to local alarm. The mercoid pressure controller series da is the industry standard pressure switch for fire pump controls. Use mercoid pressure controller for fire. Pressure Switch For Fire Pump.
From www.youtube.com
pressure switch in fire fighting pressure switch pressure switch setting for fire pump YouTube Pressure Switch For Fire Pump Excess pressure pump supervisory switch. The potter ps100 pressure actuated switches are designed primarily to detect a decrease from. Pressure switch is used in wet, dry, or other fire sprinkler system to detect an pressure increase or decrease from normal system pressure, so to transmit the signal automatically to local alarm. Use mercoid pressure controller for fire pump controls to. Pressure Switch For Fire Pump.
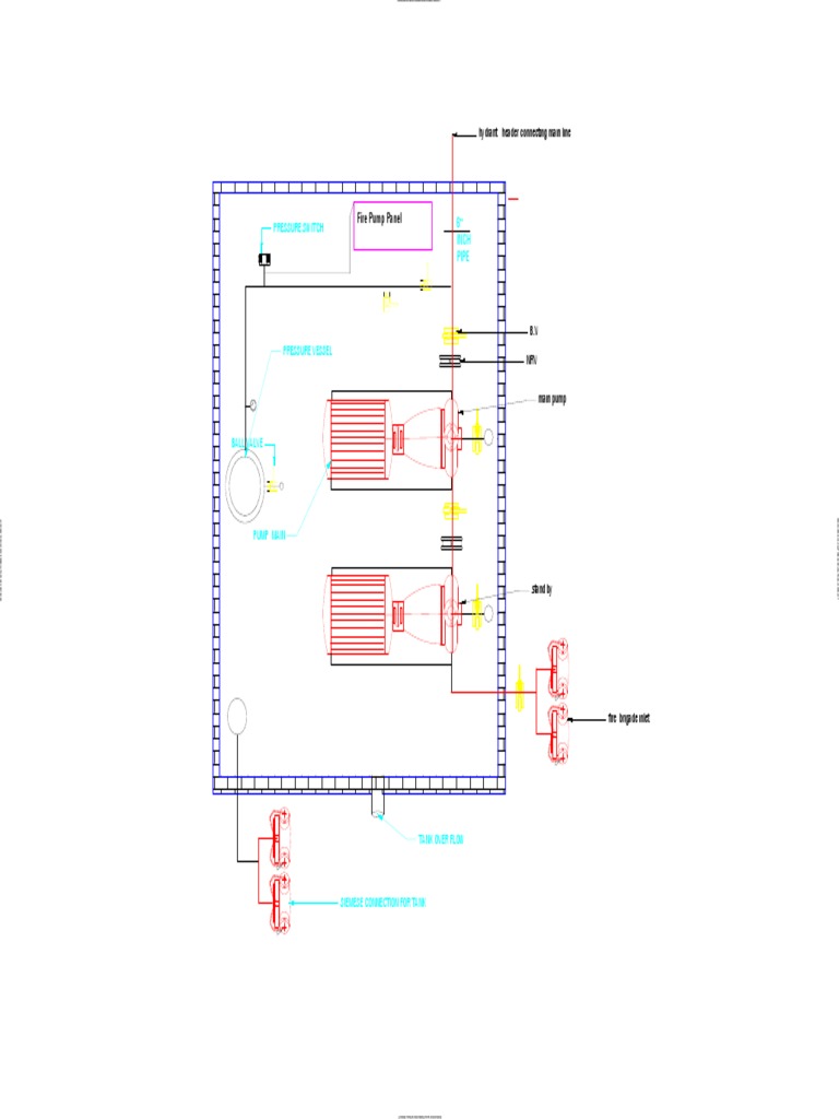
From www.scribd.com
Pressure Switch Fire Pump Panel PDF Pump Plumbing Pressure Switch For Fire Pump Pressure switch is used in wet, dry, or other fire sprinkler system to detect an pressure increase or decrease from normal system pressure, so to transmit the signal automatically to local alarm. Use mercoid pressure controller for fire pump controls to operate pumps which supply water to building fire sprinkler systems, turning on the main pumps when system pressure falls. Pressure Switch For Fire Pump.