How To Fix Ac Control Panel . Turn off the ac control panel and then power it back on. Next, use a screwdriver to remove the screws holding the panel secure to the air. Here is how to reset a window air conditioner: Clean any grime off and return the drain pan. Hook up all the connectors that were removed from the old. Turn off the unit, consult the user manual to find the drain pan, and pull out the pan to check for debris. Check if the display starts working. Pull out the unit’s control panel (remove the screws first) and hold it above your ac. Lift the front panel or grille out and remove the air filter. Slide the ac control unit into its slot enough to hook up the electrical connections. Sometimes, a simple restart can resolve display issues.
from guidemanualmanganites.z21.web.core.windows.net
Check if the display starts working. Here is how to reset a window air conditioner: Turn off the unit, consult the user manual to find the drain pan, and pull out the pan to check for debris. Pull out the unit’s control panel (remove the screws first) and hold it above your ac. Turn off the ac control panel and then power it back on. Slide the ac control unit into its slot enough to hook up the electrical connections. Next, use a screwdriver to remove the screws holding the panel secure to the air. Lift the front panel or grille out and remove the air filter. Hook up all the connectors that were removed from the old. Sometimes, a simple restart can resolve display issues.
How To Wire Generator To Panel
How To Fix Ac Control Panel Sometimes, a simple restart can resolve display issues. Pull out the unit’s control panel (remove the screws first) and hold it above your ac. Here is how to reset a window air conditioner: Clean any grime off and return the drain pan. Turn off the unit, consult the user manual to find the drain pan, and pull out the pan to check for debris. Next, use a screwdriver to remove the screws holding the panel secure to the air. Turn off the ac control panel and then power it back on. Sometimes, a simple restart can resolve display issues. Hook up all the connectors that were removed from the old. Check if the display starts working. Slide the ac control unit into its slot enough to hook up the electrical connections. Lift the front panel or grille out and remove the air filter.
From wiredatastazla1d.z4.web.core.windows.net
Chevy Silverado Ac Heater Switch Issue How To Fix Ac Control Panel Next, use a screwdriver to remove the screws holding the panel secure to the air. Hook up all the connectors that were removed from the old. Lift the front panel or grille out and remove the air filter. Check if the display starts working. Here is how to reset a window air conditioner: Slide the ac control unit into its. How To Fix Ac Control Panel.
From manualwiringdeniable.z14.web.core.windows.net
Gree Ac Unit Manual How To Fix Ac Control Panel Next, use a screwdriver to remove the screws holding the panel secure to the air. Turn off the unit, consult the user manual to find the drain pan, and pull out the pan to check for debris. Lift the front panel or grille out and remove the air filter. Here is how to reset a window air conditioner: Slide the. How To Fix Ac Control Panel.
From manualwiringutterest.z21.web.core.windows.net
How To Wire A Split Ac Unit How To Fix Ac Control Panel Pull out the unit’s control panel (remove the screws first) and hold it above your ac. Hook up all the connectors that were removed from the old. Turn off the ac control panel and then power it back on. Sometimes, a simple restart can resolve display issues. Here is how to reset a window air conditioner: Lift the front panel. How To Fix Ac Control Panel.
From goimages-corn.blogspot.com
Ac Control Panel Replacement Goimages Corn How To Fix Ac Control Panel Turn off the unit, consult the user manual to find the drain pan, and pull out the pan to check for debris. Clean any grime off and return the drain pan. Check if the display starts working. Slide the ac control unit into its slot enough to hook up the electrical connections. Sometimes, a simple restart can resolve display issues.. How To Fix Ac Control Panel.
From www.pinterest.com
Electrical Wiring Diagrams For Air Conditioning Systems Part Two for How To Fix Ac Control Panel Lift the front panel or grille out and remove the air filter. Slide the ac control unit into its slot enough to hook up the electrical connections. Sometimes, a simple restart can resolve display issues. Pull out the unit’s control panel (remove the screws first) and hold it above your ac. Turn off the ac control panel and then power. How To Fix Ac Control Panel.
From www.funktionalhome.com
GE Air Conditioner Control Panel Not Working 7 Easy Fixes How To Fix Ac Control Panel Turn off the ac control panel and then power it back on. Clean any grime off and return the drain pan. Sometimes, a simple restart can resolve display issues. Turn off the unit, consult the user manual to find the drain pan, and pull out the pan to check for debris. Lift the front panel or grille out and remove. How To Fix Ac Control Panel.
From giogypnyc.blob.core.windows.net
How To Replace Blend Door Actuator 1997 Ford F150 at Mary Reyna blog How To Fix Ac Control Panel Clean any grime off and return the drain pan. Turn off the unit, consult the user manual to find the drain pan, and pull out the pan to check for debris. Check if the display starts working. Hook up all the connectors that were removed from the old. Next, use a screwdriver to remove the screws holding the panel secure. How To Fix Ac Control Panel.
From ecsksa.com
What are HVAC Control Panels & How Does It Work? ECSKSA How To Fix Ac Control Panel Slide the ac control unit into its slot enough to hook up the electrical connections. Turn off the ac control panel and then power it back on. Pull out the unit’s control panel (remove the screws first) and hold it above your ac. Next, use a screwdriver to remove the screws holding the panel secure to the air. Sometimes, a. How To Fix Ac Control Panel.
From solarpreachers.com
How to Install Solar Panel Inverter? SolarPreachers How To Fix Ac Control Panel Slide the ac control unit into its slot enough to hook up the electrical connections. Clean any grime off and return the drain pan. Check if the display starts working. Pull out the unit’s control panel (remove the screws first) and hold it above your ac. Hook up all the connectors that were removed from the old. Lift the front. How To Fix Ac Control Panel.
From www.aliexpress.com
AirConditionerControlPanel4426048471398046922394713662503722 How To Fix Ac Control Panel Check if the display starts working. Next, use a screwdriver to remove the screws holding the panel secure to the air. Slide the ac control unit into its slot enough to hook up the electrical connections. Hook up all the connectors that were removed from the old. Turn off the ac control panel and then power it back on. Pull. How To Fix Ac Control Panel.
From obrlatew05workshopfix.z13.web.core.windows.net
Freightliner Ac Control Panel How To Fix Ac Control Panel Here is how to reset a window air conditioner: Check if the display starts working. Hook up all the connectors that were removed from the old. Pull out the unit’s control panel (remove the screws first) and hold it above your ac. Slide the ac control unit into its slot enough to hook up the electrical connections. Next, use a. How To Fix Ac Control Panel.
From www.alibaba.com
Ac Control Panel Climate Control Plate Module Replacement 7787880011 How To Fix Ac Control Panel Turn off the unit, consult the user manual to find the drain pan, and pull out the pan to check for debris. Hook up all the connectors that were removed from the old. Pull out the unit’s control panel (remove the screws first) and hold it above your ac. Clean any grime off and return the drain pan. Check if. How To Fix Ac Control Panel.
From manualwiringwesleyan.z14.web.core.windows.net
Wiring Inverter Into Rv Panel How To Fix Ac Control Panel Lift the front panel or grille out and remove the air filter. Clean any grime off and return the drain pan. Slide the ac control unit into its slot enough to hook up the electrical connections. Turn off the ac control panel and then power it back on. Check if the display starts working. Next, use a screwdriver to remove. How To Fix Ac Control Panel.
From workshopfixunforcible.z13.web.core.windows.net
Toyota Camry Air Conditioner How To Fix Ac Control Panel Clean any grime off and return the drain pan. Pull out the unit’s control panel (remove the screws first) and hold it above your ac. Turn off the unit, consult the user manual to find the drain pan, and pull out the pan to check for debris. Here is how to reset a window air conditioner: Check if the display. How To Fix Ac Control Panel.
From wirelistheartling.z21.web.core.windows.net
Air Conditioner Control Circuit Schematic Diagram How To Fix Ac Control Panel Here is how to reset a window air conditioner: Next, use a screwdriver to remove the screws holding the panel secure to the air. Pull out the unit’s control panel (remove the screws first) and hold it above your ac. Turn off the unit, consult the user manual to find the drain pan, and pull out the pan to check. How To Fix Ac Control Panel.
From guidemanualmanganites.z21.web.core.windows.net
Generator Connect To Main Panel How To Fix Ac Control Panel Lift the front panel or grille out and remove the air filter. Hook up all the connectors that were removed from the old. Turn off the unit, consult the user manual to find the drain pan, and pull out the pan to check for debris. Sometimes, a simple restart can resolve display issues. Next, use a screwdriver to remove the. How To Fix Ac Control Panel.
From ciqa.net
What is a HVAC Control System? • Download protocol templates How To Fix Ac Control Panel Check if the display starts working. Hook up all the connectors that were removed from the old. Lift the front panel or grille out and remove the air filter. Clean any grime off and return the drain pan. Sometimes, a simple restart can resolve display issues. Turn off the unit, consult the user manual to find the drain pan, and. How To Fix Ac Control Panel.
From schematicenginebrooks.z6.web.core.windows.net
Mitsubishi Ac Wall Control How To Fix Ac Control Panel Check if the display starts working. Turn off the unit, consult the user manual to find the drain pan, and pull out the pan to check for debris. Slide the ac control unit into its slot enough to hook up the electrical connections. Lift the front panel or grille out and remove the air filter. Sometimes, a simple restart can. How To Fix Ac Control Panel.
From mbworld.org
Air Conditioner AC Control Panel Fix Illustrated Forums How To Fix Ac Control Panel Slide the ac control unit into its slot enough to hook up the electrical connections. Turn off the unit, consult the user manual to find the drain pan, and pull out the pan to check for debris. Check if the display starts working. Next, use a screwdriver to remove the screws holding the panel secure to the air. Sometimes, a. How To Fix Ac Control Panel.
From shop.imeshh.com
AC Control Panel 01 • iMeshh 3D Model for Blender 4.0+ How To Fix Ac Control Panel Next, use a screwdriver to remove the screws holding the panel secure to the air. Check if the display starts working. Here is how to reset a window air conditioner: Sometimes, a simple restart can resolve display issues. Turn off the unit, consult the user manual to find the drain pan, and pull out the pan to check for debris.. How To Fix Ac Control Panel.
From schematicfixheartly.z22.web.core.windows.net
How To Wire A Lighted Switch How To Fix Ac Control Panel Lift the front panel or grille out and remove the air filter. Sometimes, a simple restart can resolve display issues. Next, use a screwdriver to remove the screws holding the panel secure to the air. Turn off the ac control panel and then power it back on. Clean any grime off and return the drain pan. Pull out the unit’s. How To Fix Ac Control Panel.
From smartacsolutions.com
Ge Window Air Conditioner Control Panel Not Working? Step By Step Guide How To Fix Ac Control Panel Next, use a screwdriver to remove the screws holding the panel secure to the air. Check if the display starts working. Slide the ac control unit into its slot enough to hook up the electrical connections. Sometimes, a simple restart can resolve display issues. Turn off the unit, consult the user manual to find the drain pan, and pull out. How To Fix Ac Control Panel.
From www.scribd.com
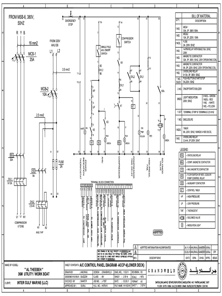
17.ac Control Panel Diagram Accp 4 (Lower Deck) PDF How To Fix Ac Control Panel Lift the front panel or grille out and remove the air filter. Turn off the ac control panel and then power it back on. Check if the display starts working. Sometimes, a simple restart can resolve display issues. Here is how to reset a window air conditioner: Clean any grime off and return the drain pan. Next, use a screwdriver. How To Fix Ac Control Panel.
From giomeqapc.blob.core.windows.net
Ruud Air Conditioner Reset Button at Danny Manuel blog How To Fix Ac Control Panel Check if the display starts working. Pull out the unit’s control panel (remove the screws first) and hold it above your ac. Turn off the ac control panel and then power it back on. Lift the front panel or grille out and remove the air filter. Slide the ac control unit into its slot enough to hook up the electrical. How To Fix Ac Control Panel.
From shopee.ph
433Mhz Wireless Smart Light Switch 86 Panel Remote Control Switch AC How To Fix Ac Control Panel Lift the front panel or grille out and remove the air filter. Next, use a screwdriver to remove the screws holding the panel secure to the air. Check if the display starts working. Sometimes, a simple restart can resolve display issues. Here is how to reset a window air conditioner: Hook up all the connectors that were removed from the. How To Fix Ac Control Panel.
From www.amazon.com
GZGN 599217 Front A/C Heater Climate Control Module Panel How To Fix Ac Control Panel Turn off the ac control panel and then power it back on. Turn off the unit, consult the user manual to find the drain pan, and pull out the pan to check for debris. Clean any grime off and return the drain pan. Pull out the unit’s control panel (remove the screws first) and hold it above your ac. Sometimes,. How To Fix Ac Control Panel.
From wannabeacar.blogspot.com
Ac Control Panel Wanna be a Car How To Fix Ac Control Panel Turn off the ac control panel and then power it back on. Pull out the unit’s control panel (remove the screws first) and hold it above your ac. Lift the front panel or grille out and remove the air filter. Clean any grime off and return the drain pan. Check if the display starts working. Slide the ac control unit. How To Fix Ac Control Panel.
From wirelistheartling.z21.web.core.windows.net
Air Conditioner Control Circuit Schematic Diagram How To Fix Ac Control Panel Here is how to reset a window air conditioner: Check if the display starts working. Pull out the unit’s control panel (remove the screws first) and hold it above your ac. Sometimes, a simple restart can resolve display issues. Next, use a screwdriver to remove the screws holding the panel secure to the air. Turn off the unit, consult the. How To Fix Ac Control Panel.
From schematictimbres.z21.web.core.windows.net
2004 Chevy Silverado 1500 Ac Actuator Fix How To Fix Ac Control Panel Lift the front panel or grille out and remove the air filter. Hook up all the connectors that were removed from the old. Here is how to reset a window air conditioner: Next, use a screwdriver to remove the screws holding the panel secure to the air. Check if the display starts working. Clean any grime off and return the. How To Fix Ac Control Panel.
From ubicaciondepersonas.cdmx.gob.mx
Air Conditioner Control Panel 3D Model ubicaciondepersonas.cdmx.gob.mx How To Fix Ac Control Panel Turn off the ac control panel and then power it back on. Clean any grime off and return the drain pan. Next, use a screwdriver to remove the screws holding the panel secure to the air. Slide the ac control unit into its slot enough to hook up the electrical connections. Lift the front panel or grille out and remove. How To Fix Ac Control Panel.
From www.youtube.com
Single phase air conditioners wiring diagrams YouTube How To Fix Ac Control Panel Here is how to reset a window air conditioner: Pull out the unit’s control panel (remove the screws first) and hold it above your ac. Clean any grime off and return the drain pan. Check if the display starts working. Next, use a screwdriver to remove the screws holding the panel secure to the air. Turn off the ac control. How To Fix Ac Control Panel.
From guidemanualmanganites.z21.web.core.windows.net
How To Wire Generator To Panel How To Fix Ac Control Panel Pull out the unit’s control panel (remove the screws first) and hold it above your ac. Next, use a screwdriver to remove the screws holding the panel secure to the air. Slide the ac control unit into its slot enough to hook up the electrical connections. Turn off the unit, consult the user manual to find the drain pan, and. How To Fix Ac Control Panel.
From workshopfixunforcible.z13.web.core.windows.net
Toyota Camry Air Conditioner How To Fix Ac Control Panel Turn off the unit, consult the user manual to find the drain pan, and pull out the pan to check for debris. Turn off the ac control panel and then power it back on. Slide the ac control unit into its slot enough to hook up the electrical connections. Hook up all the connectors that were removed from the old.. How To Fix Ac Control Panel.
From 2carpros.com
How Do I Replace Ac Control Panel How To Fix Ac Control Panel Here is how to reset a window air conditioner: Next, use a screwdriver to remove the screws holding the panel secure to the air. Turn off the ac control panel and then power it back on. Hook up all the connectors that were removed from the old. Lift the front panel or grille out and remove the air filter. Check. How To Fix Ac Control Panel.
From www.summitracing.com
ACDelco 15169225 ACDelco HVAC Control Panels Summit Racing How To Fix Ac Control Panel Check if the display starts working. Here is how to reset a window air conditioner: Clean any grime off and return the drain pan. Sometimes, a simple restart can resolve display issues. Slide the ac control unit into its slot enough to hook up the electrical connections. Turn off the unit, consult the user manual to find the drain pan,. How To Fix Ac Control Panel.