Windshield Wipers And Blinkers Not Working . One of the most common reasons why a windshield wiper is going to stop working is due to fuse problems. I have no headlights, signals, washer, wipers and i noticed that the esp will not deactivate with the console switch. Common signs include windshield wipers not turning on or off, not changing speed or settings, and the turn signals not working. Listed below are a few common signs of a windshield wiper relay problem. Learn about the four most common wiper problems and how to fix them. Windshield wipers stuck on one speed. The two most common failures are: One of the quickest indicators that a problem. A broken turn signal “canceling” mechanism that won’t shut off the “blinkers” after a turn, a. If your fuse goes out, then the wipers simply will not do.
from www.2carpros.com
One of the most common reasons why a windshield wiper is going to stop working is due to fuse problems. A broken turn signal “canceling” mechanism that won’t shut off the “blinkers” after a turn, a. Common signs include windshield wipers not turning on or off, not changing speed or settings, and the turn signals not working. The two most common failures are: I have no headlights, signals, washer, wipers and i noticed that the esp will not deactivate with the console switch. Listed below are a few common signs of a windshield wiper relay problem. Windshield wipers stuck on one speed. One of the quickest indicators that a problem. If your fuse goes out, then the wipers simply will not do. Learn about the four most common wiper problems and how to fix them.
Headlights, Windshield Wipers and Turn Signals Not Working?
Windshield Wipers And Blinkers Not Working The two most common failures are: Learn about the four most common wiper problems and how to fix them. I have no headlights, signals, washer, wipers and i noticed that the esp will not deactivate with the console switch. One of the most common reasons why a windshield wiper is going to stop working is due to fuse problems. Windshield wipers stuck on one speed. Common signs include windshield wipers not turning on or off, not changing speed or settings, and the turn signals not working. If your fuse goes out, then the wipers simply will not do. A broken turn signal “canceling” mechanism that won’t shut off the “blinkers” after a turn, a. One of the quickest indicators that a problem. Listed below are a few common signs of a windshield wiper relay problem. The two most common failures are:
From www.2carpros.com
Headlights, Windshield Wipers and Turn Signals Not Working? Windshield Wipers And Blinkers Not Working One of the quickest indicators that a problem. One of the most common reasons why a windshield wiper is going to stop working is due to fuse problems. Windshield wipers stuck on one speed. The two most common failures are: I have no headlights, signals, washer, wipers and i noticed that the esp will not deactivate with the console switch.. Windshield Wipers And Blinkers Not Working.
From www.reddit.com
Windshield wipers & Turn signals not working! r/Chrysler300 Windshield Wipers And Blinkers Not Working Learn about the four most common wiper problems and how to fix them. A broken turn signal “canceling” mechanism that won’t shut off the “blinkers” after a turn, a. The two most common failures are: One of the quickest indicators that a problem. Listed below are a few common signs of a windshield wiper relay problem. I have no headlights,. Windshield Wipers And Blinkers Not Working.
From www.youtube.com
Windshield Wipers Not Working? Easy Fix! YouTube Windshield Wipers And Blinkers Not Working Listed below are a few common signs of a windshield wiper relay problem. If your fuse goes out, then the wipers simply will not do. I have no headlights, signals, washer, wipers and i noticed that the esp will not deactivate with the console switch. The two most common failures are: One of the most common reasons why a windshield. Windshield Wipers And Blinkers Not Working.
From www.vautobasics.com
How to Turn on Windshield Wipers Windshield Wipers And Blinkers Not Working One of the quickest indicators that a problem. Listed below are a few common signs of a windshield wiper relay problem. Learn about the four most common wiper problems and how to fix them. I have no headlights, signals, washer, wipers and i noticed that the esp will not deactivate with the console switch. If your fuse goes out, then. Windshield Wipers And Blinkers Not Working.
From www.youtube.com
Here is why Only One windshield Wiper working/Windshield wiper not working on one side/wiper Windshield Wipers And Blinkers Not Working I have no headlights, signals, washer, wipers and i noticed that the esp will not deactivate with the console switch. If your fuse goes out, then the wipers simply will not do. One of the most common reasons why a windshield wiper is going to stop working is due to fuse problems. Listed below are a few common signs of. Windshield Wipers And Blinkers Not Working.
From ranwhenparked.net
Windshield Wipers Not Working Possible Causes and Solutions Ran When Parked Car, Vehicle Windshield Wipers And Blinkers Not Working One of the quickest indicators that a problem. A broken turn signal “canceling” mechanism that won’t shut off the “blinkers” after a turn, a. Windshield wipers stuck on one speed. Listed below are a few common signs of a windshield wiper relay problem. The two most common failures are: If your fuse goes out, then the wipers simply will not. Windshield Wipers And Blinkers Not Working.
From www.reddit.com
Car wont start. Wont turn on the ignition. Windshield wipers not working. Blinkers not working Windshield Wipers And Blinkers Not Working Learn about the four most common wiper problems and how to fix them. I have no headlights, signals, washer, wipers and i noticed that the esp will not deactivate with the console switch. One of the most common reasons why a windshield wiper is going to stop working is due to fuse problems. Windshield wipers stuck on one speed. A. Windshield Wipers And Blinkers Not Working.
From exonywjup.blob.core.windows.net
Windshield Wipers Won't Turn Off And Turn Signals Not Working at John Herbert blog Windshield Wipers And Blinkers Not Working A broken turn signal “canceling” mechanism that won’t shut off the “blinkers” after a turn, a. Common signs include windshield wipers not turning on or off, not changing speed or settings, and the turn signals not working. Windshield wipers stuck on one speed. Listed below are a few common signs of a windshield wiper relay problem. One of the most. Windshield Wipers And Blinkers Not Working.
From www.2carpros.com
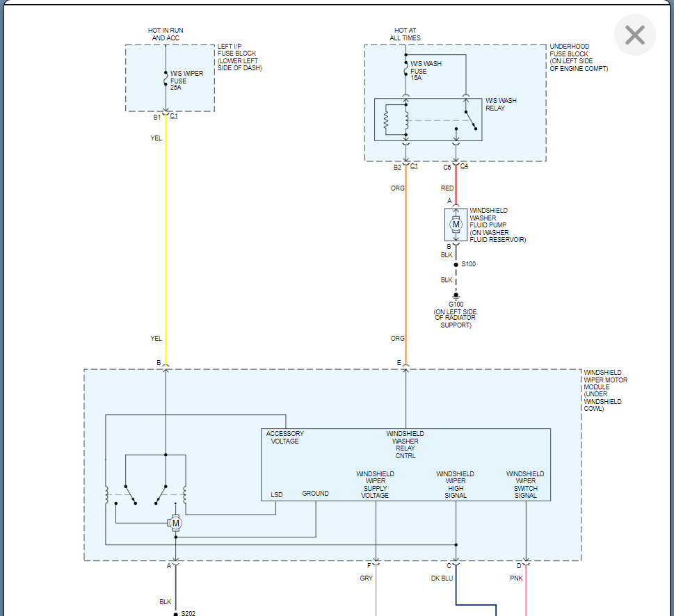
Wiring Diagram Needed Windshield Wipers Stopped Working,blinkers Windshield Wipers And Blinkers Not Working Common signs include windshield wipers not turning on or off, not changing speed or settings, and the turn signals not working. Listed below are a few common signs of a windshield wiper relay problem. Learn about the four most common wiper problems and how to fix them. A broken turn signal “canceling” mechanism that won’t shut off the “blinkers” after. Windshield Wipers And Blinkers Not Working.
From fixengineeff8e624r.z13.web.core.windows.net
Troubleshooting Windshield Wipers Not Working Windshield Wipers And Blinkers Not Working Listed below are a few common signs of a windshield wiper relay problem. Common signs include windshield wipers not turning on or off, not changing speed or settings, and the turn signals not working. If your fuse goes out, then the wipers simply will not do. One of the most common reasons why a windshield wiper is going to stop. Windshield Wipers And Blinkers Not Working.
From diagramlibraryfraises.z21.web.core.windows.net
Jeep Wrangler Wipers Not Working Windshield Wipers And Blinkers Not Working Windshield wipers stuck on one speed. I have no headlights, signals, washer, wipers and i noticed that the esp will not deactivate with the console switch. One of the quickest indicators that a problem. Common signs include windshield wipers not turning on or off, not changing speed or settings, and the turn signals not working. If your fuse goes out,. Windshield Wipers And Blinkers Not Working.
From www.2carpros.com
Headlights, Windshield Wipers and Turn Signals Not Working? Windshield Wipers And Blinkers Not Working If your fuse goes out, then the wipers simply will not do. The two most common failures are: Windshield wipers stuck on one speed. One of the most common reasons why a windshield wiper is going to stop working is due to fuse problems. I have no headlights, signals, washer, wipers and i noticed that the esp will not deactivate. Windshield Wipers And Blinkers Not Working.
From autoily.com
Windshield Wipers Not Working? (9 Reasons Why) Windshield Wipers And Blinkers Not Working Listed below are a few common signs of a windshield wiper relay problem. I have no headlights, signals, washer, wipers and i noticed that the esp will not deactivate with the console switch. Common signs include windshield wipers not turning on or off, not changing speed or settings, and the turn signals not working. The two most common failures are:. Windshield Wipers And Blinkers Not Working.
From vehiclechef.com
9 Reasons VW Windshield Wipers Not Working (Fixed!) VehicleChef Windshield Wipers And Blinkers Not Working One of the quickest indicators that a problem. Learn about the four most common wiper problems and how to fix them. Common signs include windshield wipers not turning on or off, not changing speed or settings, and the turn signals not working. A broken turn signal “canceling” mechanism that won’t shut off the “blinkers” after a turn, a. The two. Windshield Wipers And Blinkers Not Working.
From www.familyhandyman.com
How to Fix IntermittentWiper & Turn Signal Problems on the Multifunction Switch (DIY) Windshield Wipers And Blinkers Not Working I have no headlights, signals, washer, wipers and i noticed that the esp will not deactivate with the console switch. Windshield wipers stuck on one speed. A broken turn signal “canceling” mechanism that won’t shut off the “blinkers” after a turn, a. The two most common failures are: Common signs include windshield wipers not turning on or off, not changing. Windshield Wipers And Blinkers Not Working.
From www.reddit.com
Car wont start. Wont turn on the ignition. Windshield wipers not working. Blinkers not working Windshield Wipers And Blinkers Not Working One of the most common reasons why a windshield wiper is going to stop working is due to fuse problems. The two most common failures are: Learn about the four most common wiper problems and how to fix them. If your fuse goes out, then the wipers simply will not do. Listed below are a few common signs of a. Windshield Wipers And Blinkers Not Working.
From blog.1aauto.com
Windshield Wipers Not Working? Diagnose & Fix 1A Auto Windshield Wipers And Blinkers Not Working The two most common failures are: Listed below are a few common signs of a windshield wiper relay problem. A broken turn signal “canceling” mechanism that won’t shut off the “blinkers” after a turn, a. If your fuse goes out, then the wipers simply will not do. One of the quickest indicators that a problem. One of the most common. Windshield Wipers And Blinkers Not Working.
From www.2carpros.com
Headlights, Windshield Wipers and Turn Signals Not Working? Windshield Wipers And Blinkers Not Working I have no headlights, signals, washer, wipers and i noticed that the esp will not deactivate with the console switch. Windshield wipers stuck on one speed. Common signs include windshield wipers not turning on or off, not changing speed or settings, and the turn signals not working. One of the most common reasons why a windshield wiper is going to. Windshield Wipers And Blinkers Not Working.
From enginedesmacarwph.z21.web.core.windows.net
Troubleshooting Windshield Wipers Not Working Windshield Wipers And Blinkers Not Working One of the quickest indicators that a problem. One of the most common reasons why a windshield wiper is going to stop working is due to fuse problems. Common signs include windshield wipers not turning on or off, not changing speed or settings, and the turn signals not working. The two most common failures are: Listed below are a few. Windshield Wipers And Blinkers Not Working.
From www.autozone.com
Why are My Windshield Wipers Not Working? AutoZone Windshield Wipers And Blinkers Not Working I have no headlights, signals, washer, wipers and i noticed that the esp will not deactivate with the console switch. The two most common failures are: One of the quickest indicators that a problem. One of the most common reasons why a windshield wiper is going to stop working is due to fuse problems. If your fuse goes out, then. Windshield Wipers And Blinkers Not Working.
From www.youtube.com
EASY Fix for Ford Windshield Wipers that won't Turn OFF YouTube Windshield Wipers And Blinkers Not Working I have no headlights, signals, washer, wipers and i noticed that the esp will not deactivate with the console switch. Windshield wipers stuck on one speed. The two most common failures are: Learn about the four most common wiper problems and how to fix them. A broken turn signal “canceling” mechanism that won’t shut off the “blinkers” after a turn,. Windshield Wipers And Blinkers Not Working.
From www.2carpros.com
Blinkers and Windshield Wipers Are Not Working Windshield Wipers And Blinkers Not Working Common signs include windshield wipers not turning on or off, not changing speed or settings, and the turn signals not working. Windshield wipers stuck on one speed. Learn about the four most common wiper problems and how to fix them. If your fuse goes out, then the wipers simply will not do. One of the most common reasons why a. Windshield Wipers And Blinkers Not Working.
From www.2carpros.com
Blinkers and Windshield Wipers Are Not Working Windshield Wipers And Blinkers Not Working The two most common failures are: One of the most common reasons why a windshield wiper is going to stop working is due to fuse problems. If your fuse goes out, then the wipers simply will not do. A broken turn signal “canceling” mechanism that won’t shut off the “blinkers” after a turn, a. Windshield wipers stuck on one speed.. Windshield Wipers And Blinkers Not Working.
From exonywjup.blob.core.windows.net
Windshield Wipers Won't Turn Off And Turn Signals Not Working at John Herbert blog Windshield Wipers And Blinkers Not Working Listed below are a few common signs of a windshield wiper relay problem. Windshield wipers stuck on one speed. Learn about the four most common wiper problems and how to fix them. I have no headlights, signals, washer, wipers and i noticed that the esp will not deactivate with the console switch. Common signs include windshield wipers not turning on. Windshield Wipers And Blinkers Not Working.
From www.easyautoslife.com
Ford F150 Windshield Wiper Problems/Not Working Causes and Solutions Easy Autos Life Windshield Wipers And Blinkers Not Working One of the quickest indicators that a problem. Listed below are a few common signs of a windshield wiper relay problem. Common signs include windshield wipers not turning on or off, not changing speed or settings, and the turn signals not working. One of the most common reasons why a windshield wiper is going to stop working is due to. Windshield Wipers And Blinkers Not Working.
From www.2carpros.com
Headlights, Windshield Wipers and Turn Signals Not Working? Windshield Wipers And Blinkers Not Working A broken turn signal “canceling” mechanism that won’t shut off the “blinkers” after a turn, a. Windshield wipers stuck on one speed. One of the quickest indicators that a problem. Learn about the four most common wiper problems and how to fix them. I have no headlights, signals, washer, wipers and i noticed that the esp will not deactivate with. Windshield Wipers And Blinkers Not Working.
From www.2carpros.com
Headlights, Windshield Wipers and Turn Signals Not Working? Windshield Wipers And Blinkers Not Working Common signs include windshield wipers not turning on or off, not changing speed or settings, and the turn signals not working. Learn about the four most common wiper problems and how to fix them. I have no headlights, signals, washer, wipers and i noticed that the esp will not deactivate with the console switch. If your fuse goes out, then. Windshield Wipers And Blinkers Not Working.
From www.2carpros.com
Headlights, Windshield Wipers and Turn Signals Not Working? Windshield Wipers And Blinkers Not Working Common signs include windshield wipers not turning on or off, not changing speed or settings, and the turn signals not working. I have no headlights, signals, washer, wipers and i noticed that the esp will not deactivate with the console switch. Learn about the four most common wiper problems and how to fix them. One of the quickest indicators that. Windshield Wipers And Blinkers Not Working.
From www.2carpros.com
Headlights, Windshield Wipers, Turn Signals Not Working Properly Windshield Wipers And Blinkers Not Working One of the quickest indicators that a problem. Learn about the four most common wiper problems and how to fix them. A broken turn signal “canceling” mechanism that won’t shut off the “blinkers” after a turn, a. Common signs include windshield wipers not turning on or off, not changing speed or settings, and the turn signals not working. Windshield wipers. Windshield Wipers And Blinkers Not Working.
From www.reddit.com
Car wont start. Wont turn on the ignition. Windshield wipers not working. Blinkers not working Windshield Wipers And Blinkers Not Working The two most common failures are: Common signs include windshield wipers not turning on or off, not changing speed or settings, and the turn signals not working. Learn about the four most common wiper problems and how to fix them. One of the most common reasons why a windshield wiper is going to stop working is due to fuse problems.. Windshield Wipers And Blinkers Not Working.
From www.2carpros.com
Headlights, Windshield Wipers and Turn Signals Not Working? Windshield Wipers And Blinkers Not Working Listed below are a few common signs of a windshield wiper relay problem. Windshield wipers stuck on one speed. I have no headlights, signals, washer, wipers and i noticed that the esp will not deactivate with the console switch. Common signs include windshield wipers not turning on or off, not changing speed or settings, and the turn signals not working.. Windshield Wipers And Blinkers Not Working.
From www.2carpros.com
Headlights, Windshield Wipers and Turn Signals Not Working? Windshield Wipers And Blinkers Not Working Listed below are a few common signs of a windshield wiper relay problem. I have no headlights, signals, washer, wipers and i noticed that the esp will not deactivate with the console switch. Learn about the four most common wiper problems and how to fix them. One of the quickest indicators that a problem. The two most common failures are:. Windshield Wipers And Blinkers Not Working.
From exonywjup.blob.core.windows.net
Windshield Wipers Won't Turn Off And Turn Signals Not Working at John Herbert blog Windshield Wipers And Blinkers Not Working A broken turn signal “canceling” mechanism that won’t shut off the “blinkers” after a turn, a. Listed below are a few common signs of a windshield wiper relay problem. Windshield wipers stuck on one speed. I have no headlights, signals, washer, wipers and i noticed that the esp will not deactivate with the console switch. Learn about the four most. Windshield Wipers And Blinkers Not Working.
From ranwhenparked.net
Windshield Wipers Not Working Possible Causes and Solutions Ran When Parked Car, Vehicle Windshield Wipers And Blinkers Not Working If your fuse goes out, then the wipers simply will not do. The two most common failures are: Learn about the four most common wiper problems and how to fix them. Common signs include windshield wipers not turning on or off, not changing speed or settings, and the turn signals not working. Listed below are a few common signs of. Windshield Wipers And Blinkers Not Working.
From workshopkdronetnhc.z21.web.core.windows.net
Blinkers Stopped Working Windshield Wipers And Blinkers Not Working One of the quickest indicators that a problem. A broken turn signal “canceling” mechanism that won’t shut off the “blinkers” after a turn, a. One of the most common reasons why a windshield wiper is going to stop working is due to fuse problems. Listed below are a few common signs of a windshield wiper relay problem. Learn about the. Windshield Wipers And Blinkers Not Working.