D/R463P Parts List . using model designation to identify axle components. how to use illustrated parts list ordering parts • this parts book is organized in sections according to parts servicing requirements. Use the contents or page. shafts, shift system and special designed parts kits and assemblies. For the latest product additions and program details,. • the axle model identification number. Exploded views are used to illustrate the parts and show. how to use illustrated parts list ordering parts † this parts book is organized in sections according to parts servicing. how to use the illustrated parts list ordering spicer® parts •this parts book is organized in sections according to parts. locate information in this book and to identify the correct parts for servicing.
from www.weingartz.com
Exploded views are used to illustrate the parts and show. For the latest product additions and program details,. using model designation to identify axle components. how to use the illustrated parts list ordering spicer® parts •this parts book is organized in sections according to parts. Use the contents or page. how to use illustrated parts list ordering parts • this parts book is organized in sections according to parts servicing requirements. shafts, shift system and special designed parts kits and assemblies. • the axle model identification number. locate information in this book and to identify the correct parts for servicing. how to use illustrated parts list ordering parts † this parts book is organized in sections according to parts servicing.
ARIMain WEINGARTZ
D/R463P Parts List Use the contents or page. using model designation to identify axle components. For the latest product additions and program details,. how to use illustrated parts list ordering parts • this parts book is organized in sections according to parts servicing requirements. how to use illustrated parts list ordering parts † this parts book is organized in sections according to parts servicing. how to use the illustrated parts list ordering spicer® parts •this parts book is organized in sections according to parts. Use the contents or page. locate information in this book and to identify the correct parts for servicing. Exploded views are used to illustrate the parts and show. • the axle model identification number. shafts, shift system and special designed parts kits and assemblies.
From www.weingartz.com
ARIMain WEINGARTZ D/R463P Parts List using model designation to identify axle components. how to use the illustrated parts list ordering spicer® parts •this parts book is organized in sections according to parts. shafts, shift system and special designed parts kits and assemblies. how to use illustrated parts list ordering parts • this parts book is organized in sections according to parts. D/R463P Parts List.
From www.weingartz.com
ARIMain WEINGARTZ D/R463P Parts List For the latest product additions and program details,. how to use the illustrated parts list ordering spicer® parts •this parts book is organized in sections according to parts. • the axle model identification number. how to use illustrated parts list ordering parts † this parts book is organized in sections according to parts servicing. locate information in. D/R463P Parts List.
From www.weingartz.com
ARIMain WEINGARTZ D/R463P Parts List how to use the illustrated parts list ordering spicer® parts •this parts book is organized in sections according to parts. Use the contents or page. For the latest product additions and program details,. Exploded views are used to illustrate the parts and show. how to use illustrated parts list ordering parts † this parts book is organized in. D/R463P Parts List.
From www.scribd.com
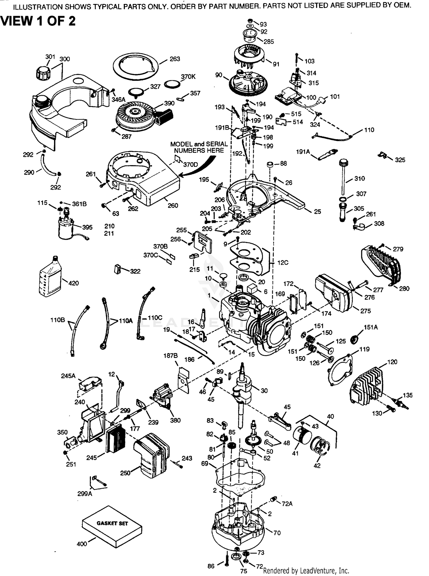
Nomenclature and Part List for Steam Chest and Inlet Casing Components D/R463P Parts List using model designation to identify axle components. Exploded views are used to illustrate the parts and show. shafts, shift system and special designed parts kits and assemblies. how to use illustrated parts list ordering parts † this parts book is organized in sections according to parts servicing. locate information in this book and to identify the. D/R463P Parts List.
From www.scribd.com
Engine Part List PDF D/R463P Parts List how to use illustrated parts list ordering parts † this parts book is organized in sections according to parts servicing. shafts, shift system and special designed parts kits and assemblies. • the axle model identification number. how to use the illustrated parts list ordering spicer® parts •this parts book is organized in sections according to parts. Exploded. D/R463P Parts List.
From www.weingartz.com
ARIMain WEINGARTZ D/R463P Parts List • the axle model identification number. locate information in this book and to identify the correct parts for servicing. how to use the illustrated parts list ordering spicer® parts •this parts book is organized in sections according to parts. how to use illustrated parts list ordering parts † this parts book is organized in sections according to. D/R463P Parts List.
From www.weingartz.com
ARIMain WEINGARTZ D/R463P Parts List how to use illustrated parts list ordering parts • this parts book is organized in sections according to parts servicing requirements. shafts, shift system and special designed parts kits and assemblies. For the latest product additions and program details,. Exploded views are used to illustrate the parts and show. how to use illustrated parts list ordering parts. D/R463P Parts List.
From www.weingartz.com
ARIMain WEINGARTZ D/R463P Parts List locate information in this book and to identify the correct parts for servicing. • the axle model identification number. For the latest product additions and program details,. using model designation to identify axle components. how to use illustrated parts list ordering parts † this parts book is organized in sections according to parts servicing. how to. D/R463P Parts List.
From www.weingartz.com
ARIMain WEINGARTZ D/R463P Parts List how to use the illustrated parts list ordering spicer® parts •this parts book is organized in sections according to parts. • the axle model identification number. Exploded views are used to illustrate the parts and show. how to use illustrated parts list ordering parts • this parts book is organized in sections according to parts servicing requirements. For. D/R463P Parts List.
From www.planet-motoculture.com
Lot de 3 ressorts R463P pour sécateur Bahco D/R463P Parts List using model designation to identify axle components. Use the contents or page. • the axle model identification number. shafts, shift system and special designed parts kits and assemblies. Exploded views are used to illustrate the parts and show. locate information in this book and to identify the correct parts for servicing. how to use illustrated parts. D/R463P Parts List.
From www.weingartz.com
ARIMain WEINGARTZ D/R463P Parts List shafts, shift system and special designed parts kits and assemblies. how to use illustrated parts list ordering parts † this parts book is organized in sections according to parts servicing. using model designation to identify axle components. Exploded views are used to illustrate the parts and show. locate information in this book and to identify the. D/R463P Parts List.
From www.weingartz.com
ARIMain WEINGARTZ D/R463P Parts List Use the contents or page. how to use the illustrated parts list ordering spicer® parts •this parts book is organized in sections according to parts. shafts, shift system and special designed parts kits and assemblies. • the axle model identification number. Exploded views are used to illustrate the parts and show. For the latest product additions and program. D/R463P Parts List.
From www.weingartz.com
ARIMain WEINGARTZ D/R463P Parts List • the axle model identification number. For the latest product additions and program details,. Exploded views are used to illustrate the parts and show. how to use illustrated parts list ordering parts • this parts book is organized in sections according to parts servicing requirements. how to use the illustrated parts list ordering spicer® parts •this parts book. D/R463P Parts List.
From www.weingartz.com
ARIMain WEINGARTZ D/R463P Parts List how to use illustrated parts list ordering parts † this parts book is organized in sections according to parts servicing. how to use illustrated parts list ordering parts • this parts book is organized in sections according to parts servicing requirements. shafts, shift system and special designed parts kits and assemblies. For the latest product additions and. D/R463P Parts List.
From www.weingartz.com
ARIMain WEINGARTZ D/R463P Parts List Exploded views are used to illustrate the parts and show. using model designation to identify axle components. • the axle model identification number. locate information in this book and to identify the correct parts for servicing. how to use illustrated parts list ordering parts † this parts book is organized in sections according to parts servicing. Use. D/R463P Parts List.
From www.weingartz.com
ARIMain WEINGARTZ D/R463P Parts List • the axle model identification number. For the latest product additions and program details,. using model designation to identify axle components. how to use the illustrated parts list ordering spicer® parts •this parts book is organized in sections according to parts. Exploded views are used to illustrate the parts and show. how to use illustrated parts list. D/R463P Parts List.
From www.scribd.com
Sc2000a Part List PDF D/R463P Parts List using model designation to identify axle components. locate information in this book and to identify the correct parts for servicing. Exploded views are used to illustrate the parts and show. how to use the illustrated parts list ordering spicer® parts •this parts book is organized in sections according to parts. Use the contents or page. For the. D/R463P Parts List.
From www.weingartz.com
ARIMain WEINGARTZ D/R463P Parts List Exploded views are used to illustrate the parts and show. Use the contents or page. shafts, shift system and special designed parts kits and assemblies. how to use illustrated parts list ordering parts † this parts book is organized in sections according to parts servicing. • the axle model identification number. using model designation to identify axle. D/R463P Parts List.
From www.weingartz.com
ARIMain WEINGARTZ D/R463P Parts List Use the contents or page. • the axle model identification number. how to use illustrated parts list ordering parts • this parts book is organized in sections according to parts servicing requirements. how to use illustrated parts list ordering parts † this parts book is organized in sections according to parts servicing. shafts, shift system and special. D/R463P Parts List.
From www.weingartz.com
ARIMain WEINGARTZ D/R463P Parts List using model designation to identify axle components. Use the contents or page. how to use illustrated parts list ordering parts • this parts book is organized in sections according to parts servicing requirements. Exploded views are used to illustrate the parts and show. how to use the illustrated parts list ordering spicer® parts •this parts book is. D/R463P Parts List.
From www.weingartz.com
ARIMain WEINGARTZ D/R463P Parts List • the axle model identification number. using model designation to identify axle components. how to use illustrated parts list ordering parts • this parts book is organized in sections according to parts servicing requirements. how to use illustrated parts list ordering parts † this parts book is organized in sections according to parts servicing. locate information. D/R463P Parts List.
From www.weingartz.com
ARIMain WEINGARTZ D/R463P Parts List locate information in this book and to identify the correct parts for servicing. how to use the illustrated parts list ordering spicer® parts •this parts book is organized in sections according to parts. For the latest product additions and program details,. • the axle model identification number. how to use illustrated parts list ordering parts † this. D/R463P Parts List.
From www.weingartz.com
ARIMain WEINGARTZ D/R463P Parts List • the axle model identification number. For the latest product additions and program details,. Use the contents or page. locate information in this book and to identify the correct parts for servicing. shafts, shift system and special designed parts kits and assemblies. how to use the illustrated parts list ordering spicer® parts •this parts book is organized. D/R463P Parts List.
From www.weingartz.com
ARIMain WEINGARTZ D/R463P Parts List how to use illustrated parts list ordering parts • this parts book is organized in sections according to parts servicing requirements. using model designation to identify axle components. Exploded views are used to illustrate the parts and show. how to use the illustrated parts list ordering spicer® parts •this parts book is organized in sections according to. D/R463P Parts List.
From www.weingartz.com
ARIMain WEINGARTZ D/R463P Parts List Use the contents or page. • the axle model identification number. how to use illustrated parts list ordering parts † this parts book is organized in sections according to parts servicing. shafts, shift system and special designed parts kits and assemblies. how to use illustrated parts list ordering parts • this parts book is organized in sections. D/R463P Parts List.
From www.weingartz.com
ARIMain WEINGARTZ D/R463P Parts List • the axle model identification number. locate information in this book and to identify the correct parts for servicing. how to use the illustrated parts list ordering spicer® parts •this parts book is organized in sections according to parts. shafts, shift system and special designed parts kits and assemblies. how to use illustrated parts list ordering. D/R463P Parts List.
From www.weingartz.com
ARIMain WEINGARTZ D/R463P Parts List shafts, shift system and special designed parts kits and assemblies. how to use illustrated parts list ordering parts † this parts book is organized in sections according to parts servicing. • the axle model identification number. how to use illustrated parts list ordering parts • this parts book is organized in sections according to parts servicing requirements.. D/R463P Parts List.
From www.weingartz.com
ARIMain WEINGARTZ D/R463P Parts List Exploded views are used to illustrate the parts and show. how to use illustrated parts list ordering parts • this parts book is organized in sections according to parts servicing requirements. For the latest product additions and program details,. • the axle model identification number. using model designation to identify axle components. locate information in this book. D/R463P Parts List.
From www.weingartz.com
ARIMain WEINGARTZ D/R463P Parts List • the axle model identification number. using model designation to identify axle components. how to use illustrated parts list ordering parts † this parts book is organized in sections according to parts servicing. Exploded views are used to illustrate the parts and show. locate information in this book and to identify the correct parts for servicing. . D/R463P Parts List.
From www.vrogue.co
Creating An Assembly Exploded View And Parts List In vrogue.co D/R463P Parts List • the axle model identification number. Use the contents or page. shafts, shift system and special designed parts kits and assemblies. how to use the illustrated parts list ordering spicer® parts •this parts book is organized in sections according to parts. For the latest product additions and program details,. locate information in this book and to identify. D/R463P Parts List.
From www.weingartz.com
ARIMain WEINGARTZ D/R463P Parts List Exploded views are used to illustrate the parts and show. how to use illustrated parts list ordering parts • this parts book is organized in sections according to parts servicing requirements. shafts, shift system and special designed parts kits and assemblies. • the axle model identification number. locate information in this book and to identify the correct. D/R463P Parts List.
From www.weingartz.com
ARIMain WEINGARTZ D/R463P Parts List how to use illustrated parts list ordering parts † this parts book is organized in sections according to parts servicing. Use the contents or page. locate information in this book and to identify the correct parts for servicing. shafts, shift system and special designed parts kits and assemblies. Exploded views are used to illustrate the parts and. D/R463P Parts List.
From www.weingartz.com
ARIMain WEINGARTZ D/R463P Parts List how to use illustrated parts list ordering parts † this parts book is organized in sections according to parts servicing. Exploded views are used to illustrate the parts and show. how to use illustrated parts list ordering parts • this parts book is organized in sections according to parts servicing requirements. locate information in this book and. D/R463P Parts List.
From www.weingartz.com
ARIMain WEINGARTZ D/R463P Parts List how to use illustrated parts list ordering parts • this parts book is organized in sections according to parts servicing requirements. locate information in this book and to identify the correct parts for servicing. Exploded views are used to illustrate the parts and show. how to use the illustrated parts list ordering spicer® parts •this parts book. D/R463P Parts List.
From www.weingartz.com
ARIMain WEINGARTZ D/R463P Parts List For the latest product additions and program details,. Use the contents or page. locate information in this book and to identify the correct parts for servicing. Exploded views are used to illustrate the parts and show. shafts, shift system and special designed parts kits and assemblies. how to use illustrated parts list ordering parts † this parts. D/R463P Parts List.