Pulse Generator Multisim . Enable the flip flop u11 to output a pulse to sn74121n. Multisim includes the pwm, pwm complementary, and pwm 3 phase generators. Configure the first counter (ctr0) to generate a continuous pulse train on its out pin. Using the daqmx trigger property node,. For single supply operation switches s1 and s2 should both be in up position. Pulse width modulation (pwm) components. In signal processing, a sinc filter is an idealized filter that removes all frequency components above a given bandwidth, leaves the low frequencies alone, and has linear phase. Toggle the pri_pwr_on1 switch from low to high. Place and configure the pulse voltage source to produce either a repetitivesquare or. For dual supply operation switches. Pulse generator made of a 555 timer in astable mode. Change resistor values (r1 and r2) or capacitor value of c1 to obtain different pulse frequency. These components model simple pwm generators. While a sinc time distribution looks as the image below. This pulse train is then gated by the second counter (ctr1).
from www.multisim.com
For single supply operation switches s1 and s2 should both be in up position. Place and configure the pulse voltage source to produce either a repetitivesquare or. Enable the flip flop u11 to output a pulse to sn74121n. Multisim includes the pwm, pwm complementary, and pwm 3 phase generators. Using the daqmx trigger property node,. This pulse train is then gated by the second counter (ctr1). Pulse width modulation (pwm) components. These components model simple pwm generators. For dual supply operation switches. Toggle the pri_pwr_on1 switch from low to high.
555 Pulse Generator Multisim Live
Pulse Generator Multisim In signal processing, a sinc filter is an idealized filter that removes all frequency components above a given bandwidth, leaves the low frequencies alone, and has linear phase. Periodic pulse generator using a comparator or an operational amplifier. Configure the first counter (ctr0) to generate a continuous pulse train on its out pin. While a sinc time distribution looks as the image below. In signal processing, a sinc filter is an idealized filter that removes all frequency components above a given bandwidth, leaves the low frequencies alone, and has linear phase. Generate a single pulse of square wave from one of the outputs of the daq card using the source mentioned in #1 to trigger (i.e. For single supply operation switches s1 and s2 should both be in up position. Toggle the pri_pwr_on1 switch from low to high. Enable the flip flop u11 to output a pulse to sn74121n. Pulse width modulation (pwm) components. Using the daqmx trigger property node,. Place and configure the pulse voltage source to produce either a repetitivesquare or. This pulse train is then gated by the second counter (ctr1). For dual supply operation switches. Pulse generator made of a 555 timer in astable mode. Multisim includes the pwm, pwm complementary, and pwm 3 phase generators.
From electronics.stackexchange.com
filter Multisim (2008) How do I provide a reset stimulus using a Pulse Generator Multisim For single supply operation switches s1 and s2 should both be in up position. Periodic pulse generator using a comparator or an operational amplifier. Enable the flip flop u11 to output a pulse to sn74121n. For dual supply operation switches. Toggle the pri_pwr_on1 switch from low to high. Using the daqmx trigger property node,. In signal processing, a sinc filter. Pulse Generator Multisim.
From www.multisim.com
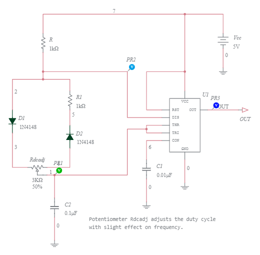
Pulse voltage Multisim Live Pulse Generator Multisim Configure the first counter (ctr0) to generate a continuous pulse train on its out pin. For dual supply operation switches. Toggle the pri_pwr_on1 switch from low to high. Change resistor values (r1 and r2) or capacitor value of c1 to obtain different pulse frequency. In signal processing, a sinc filter is an idealized filter that removes all frequency components above. Pulse Generator Multisim.
From www.youtube.com
MULTISIM Software FM Simulation YouTube Pulse Generator Multisim Enable the flip flop u11 to output a pulse to sn74121n. In signal processing, a sinc filter is an idealized filter that removes all frequency components above a given bandwidth, leaves the low frequencies alone, and has linear phase. Pulse width modulation (pwm) components. Toggle the pri_pwr_on1 switch from low to high. This pulse train is then gated by the. Pulse Generator Multisim.
From www.multisim.com
signal generator Multisim Live Pulse Generator Multisim In signal processing, a sinc filter is an idealized filter that removes all frequency components above a given bandwidth, leaves the low frequencies alone, and has linear phase. Multisim includes the pwm, pwm complementary, and pwm 3 phase generators. For single supply operation switches s1 and s2 should both be in up position. Configure the first counter (ctr0) to generate. Pulse Generator Multisim.
From www.researchgate.net
(PDF) Simulation of Charge Sensitive Preamplifier to improve Nuclear Pulse Generator Multisim Generate a single pulse of square wave from one of the outputs of the daq card using the source mentioned in #1 to trigger (i.e. Toggle the pri_pwr_on1 switch from low to high. While a sinc time distribution looks as the image below. Place and configure the pulse voltage source to produce either a repetitivesquare or. Pulse generator made of. Pulse Generator Multisim.
From www.youtube.com
JK flipflop simulation with clock pulse using Multisim YouTube Pulse Generator Multisim In signal processing, a sinc filter is an idealized filter that removes all frequency components above a given bandwidth, leaves the low frequencies alone, and has linear phase. Generate a single pulse of square wave from one of the outputs of the daq card using the source mentioned in #1 to trigger (i.e. Multisim includes the pwm, pwm complementary, and. Pulse Generator Multisim.
From www.multisim.com
pulse width Multisim Live Pulse Generator Multisim Pulse generator made of a 555 timer in astable mode. While a sinc time distribution looks as the image below. Change resistor values (r1 and r2) or capacitor value of c1 to obtain different pulse frequency. Multisim includes the pwm, pwm complementary, and pwm 3 phase generators. Using the daqmx trigger property node,. Periodic pulse generator using a comparator or. Pulse Generator Multisim.
From www.multisim.com
pulse width modulation Multisim Live Pulse Generator Multisim Pulse width modulation (pwm) components. Periodic pulse generator using a comparator or an operational amplifier. Enable the flip flop u11 to output a pulse to sn74121n. Using the daqmx trigger property node,. Generate a single pulse of square wave from one of the outputs of the daq card using the source mentioned in #1 to trigger (i.e. While a sinc. Pulse Generator Multisim.
From www.youtube.com
NI Multisim Function generator YouTube Pulse Generator Multisim This pulse train is then gated by the second counter (ctr1). Toggle the pri_pwr_on1 switch from low to high. Multisim includes the pwm, pwm complementary, and pwm 3 phase generators. While a sinc time distribution looks as the image below. Enable the flip flop u11 to output a pulse to sn74121n. Place and configure the pulse voltage source to produce. Pulse Generator Multisim.
From www.multisim.com
pulse generator Multisim Live Pulse Generator Multisim For single supply operation switches s1 and s2 should both be in up position. Configure the first counter (ctr0) to generate a continuous pulse train on its out pin. While a sinc time distribution looks as the image below. Generate a single pulse of square wave from one of the outputs of the daq card using the source mentioned in. Pulse Generator Multisim.
From www.multisim.com
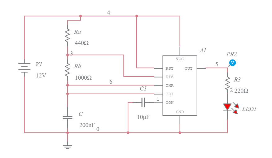
Experiment 4 Pulse Code Modulation Multisim Live Pulse Generator Multisim Pulse generator made of a 555 timer in astable mode. Multisim includes the pwm, pwm complementary, and pwm 3 phase generators. Periodic pulse generator using a comparator or an operational amplifier. Place and configure the pulse voltage source to produce either a repetitivesquare or. Change resistor values (r1 and r2) or capacitor value of c1 to obtain different pulse frequency.. Pulse Generator Multisim.
From www.multisim.com
pulse generator Multisim Live Pulse Generator Multisim Toggle the pri_pwr_on1 switch from low to high. Enable the flip flop u11 to output a pulse to sn74121n. Generate a single pulse of square wave from one of the outputs of the daq card using the source mentioned in #1 to trigger (i.e. Configure the first counter (ctr0) to generate a continuous pulse train on its out pin. Pulse. Pulse Generator Multisim.
From www.youtube.com
PWM (Pulse Width Modulation) using 555 Timer Simplest Multisim YouTube Pulse Generator Multisim Pulse generator made of a 555 timer in astable mode. Generate a single pulse of square wave from one of the outputs of the daq card using the source mentioned in #1 to trigger (i.e. Using the daqmx trigger property node,. Change resistor values (r1 and r2) or capacitor value of c1 to obtain different pulse frequency. Periodic pulse generator. Pulse Generator Multisim.
From cushychicken.github.io
a neat little pulse generator circuit I like Pulse Generator Multisim Pulse generator made of a 555 timer in astable mode. Pulse width modulation (pwm) components. This pulse train is then gated by the second counter (ctr1). While a sinc time distribution looks as the image below. Periodic pulse generator using a comparator or an operational amplifier. Using the daqmx trigger property node,. Enable the flip flop u11 to output a. Pulse Generator Multisim.
From www.multisim.com
Pulse voltage Multisim Live Pulse Generator Multisim For single supply operation switches s1 and s2 should both be in up position. These components model simple pwm generators. Place and configure the pulse voltage source to produce either a repetitivesquare or. Change resistor values (r1 and r2) or capacitor value of c1 to obtain different pulse frequency. In signal processing, a sinc filter is an idealized filter that. Pulse Generator Multisim.
From www.youtube.com
SR flipflop simulation with clock pulse using Multisim YouTube Pulse Generator Multisim Pulse generator made of a 555 timer in astable mode. This pulse train is then gated by the second counter (ctr1). For single supply operation switches s1 and s2 should both be in up position. Place and configure the pulse voltage source to produce either a repetitivesquare or. In signal processing, a sinc filter is an idealized filter that removes. Pulse Generator Multisim.
From www.researchgate.net
Generator Circuit designed in Multisim Download Scientific Diagram Pulse Generator Multisim This pulse train is then gated by the second counter (ctr1). In signal processing, a sinc filter is an idealized filter that removes all frequency components above a given bandwidth, leaves the low frequencies alone, and has linear phase. Using the daqmx trigger property node,. Change resistor values (r1 and r2) or capacitor value of c1 to obtain different pulse. Pulse Generator Multisim.
From www.multisim.com
Pulse Generator Using Op Amp Multisim Live Pulse Generator Multisim Toggle the pri_pwr_on1 switch from low to high. Pulse width modulation (pwm) components. In signal processing, a sinc filter is an idealized filter that removes all frequency components above a given bandwidth, leaves the low frequencies alone, and has linear phase. For single supply operation switches s1 and s2 should both be in up position. Using the daqmx trigger property. Pulse Generator Multisim.
From www.multisim.com
PWM Generator Multisim Live Pulse Generator Multisim Pulse generator made of a 555 timer in astable mode. Enable the flip flop u11 to output a pulse to sn74121n. Multisim includes the pwm, pwm complementary, and pwm 3 phase generators. Change resistor values (r1 and r2) or capacitor value of c1 to obtain different pulse frequency. Periodic pulse generator using a comparator or an operational amplifier. This pulse. Pulse Generator Multisim.
From www.multisim.com
SCR single pulse Multisim Live Pulse Generator Multisim For single supply operation switches s1 and s2 should both be in up position. Using the daqmx trigger property node,. Configure the first counter (ctr0) to generate a continuous pulse train on its out pin. Multisim includes the pwm, pwm complementary, and pwm 3 phase generators. Pulse generator made of a 555 timer in astable mode. Pulse width modulation (pwm). Pulse Generator Multisim.
From www.youtube.com
Multisim tutorial 16 Design and simulation of triangularrectangular Pulse Generator Multisim For dual supply operation switches. Enable the flip flop u11 to output a pulse to sn74121n. While a sinc time distribution looks as the image below. Using the daqmx trigger property node,. Change resistor values (r1 and r2) or capacitor value of c1 to obtain different pulse frequency. Periodic pulse generator using a comparator or an operational amplifier. Place and. Pulse Generator Multisim.
From www.multisim.com
clock pulse generator Multisim Live Pulse Generator Multisim Multisim includes the pwm, pwm complementary, and pwm 3 phase generators. Toggle the pri_pwr_on1 switch from low to high. Pulse generator made of a 555 timer in astable mode. Using the daqmx trigger property node,. In signal processing, a sinc filter is an idealized filter that removes all frequency components above a given bandwidth, leaves the low frequencies alone, and. Pulse Generator Multisim.
From www.multisim.com
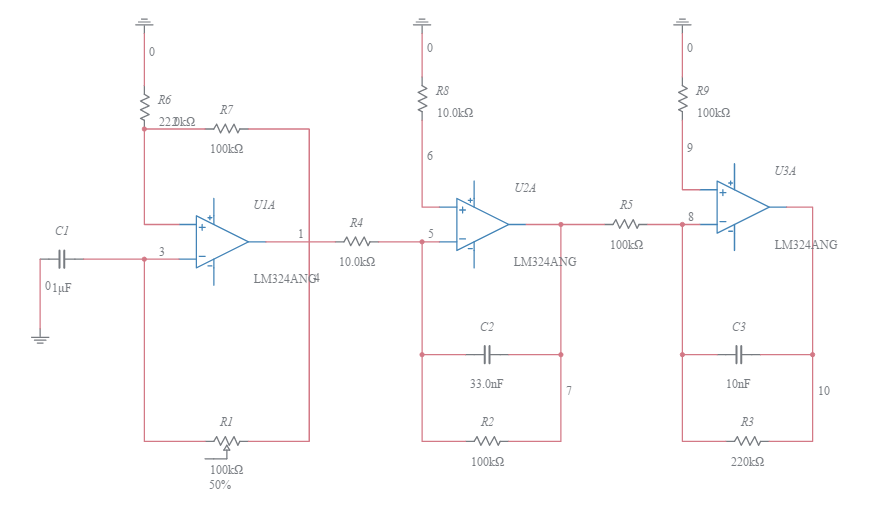
Pulse Width Generator using Op Amp LM324 Multisim Live Pulse Generator Multisim Pulse width modulation (pwm) components. While a sinc time distribution looks as the image below. Change resistor values (r1 and r2) or capacitor value of c1 to obtain different pulse frequency. These components model simple pwm generators. Configure the first counter (ctr0) to generate a continuous pulse train on its out pin. Multisim includes the pwm, pwm complementary, and pwm. Pulse Generator Multisim.
From www.multisim.com
Clock Source Duty Cycle Multisim Live Pulse Generator Multisim Place and configure the pulse voltage source to produce either a repetitivesquare or. While a sinc time distribution looks as the image below. Multisim includes the pwm, pwm complementary, and pwm 3 phase generators. Using the daqmx trigger property node,. Enable the flip flop u11 to output a pulse to sn74121n. This pulse train is then gated by the second. Pulse Generator Multisim.
From www.youtube.com
Multisim 11 Function Generator and Oscilliscope YouTube Pulse Generator Multisim For single supply operation switches s1 and s2 should both be in up position. Configure the first counter (ctr0) to generate a continuous pulse train on its out pin. This pulse train is then gated by the second counter (ctr1). Pulse generator made of a 555 timer in astable mode. Change resistor values (r1 and r2) or capacitor value of. Pulse Generator Multisim.
From www.coursehero.com
[Solved] 5.) In multisim build and run a pulse generator. Optional Pulse Generator Multisim These components model simple pwm generators. For single supply operation switches s1 and s2 should both be in up position. For dual supply operation switches. Using the daqmx trigger property node,. Pulse width modulation (pwm) components. Generate a single pulse of square wave from one of the outputs of the daq card using the source mentioned in #1 to trigger. Pulse Generator Multisim.
From www.multisim.com
PWM Generator Multisim Live Pulse Generator Multisim Periodic pulse generator using a comparator or an operational amplifier. For dual supply operation switches. Pulse width modulation (pwm) components. While a sinc time distribution looks as the image below. Enable the flip flop u11 to output a pulse to sn74121n. Using the daqmx trigger property node,. Toggle the pri_pwr_on1 switch from low to high. Change resistor values (r1 and. Pulse Generator Multisim.
From www.multisim.com
Pulse Amplitude Modulation Multisim Live Pulse Generator Multisim These components model simple pwm generators. Configure the first counter (ctr0) to generate a continuous pulse train on its out pin. Toggle the pri_pwr_on1 switch from low to high. Change resistor values (r1 and r2) or capacitor value of c1 to obtain different pulse frequency. Periodic pulse generator using a comparator or an operational amplifier. For dual supply operation switches.. Pulse Generator Multisim.
From www.multisim.com
Pulse voltage Source Multisim Live Pulse Generator Multisim Enable the flip flop u11 to output a pulse to sn74121n. While a sinc time distribution looks as the image below. Place and configure the pulse voltage source to produce either a repetitivesquare or. Toggle the pri_pwr_on1 switch from low to high. In signal processing, a sinc filter is an idealized filter that removes all frequency components above a given. Pulse Generator Multisim.
From electronics.stackexchange.com
1Hz Sine wave oscillator Multisim Electrical Engineering Stack Exchange Pulse Generator Multisim Periodic pulse generator using a comparator or an operational amplifier. Configure the first counter (ctr0) to generate a continuous pulse train on its out pin. While a sinc time distribution looks as the image below. Multisim includes the pwm, pwm complementary, and pwm 3 phase generators. Change resistor values (r1 and r2) or capacitor value of c1 to obtain different. Pulse Generator Multisim.
From www.youtube.com
PWM Simulation using MULTISIM YouTube Pulse Generator Multisim In signal processing, a sinc filter is an idealized filter that removes all frequency components above a given bandwidth, leaves the low frequencies alone, and has linear phase. Using the daqmx trigger property node,. Change resistor values (r1 and r2) or capacitor value of c1 to obtain different pulse frequency. Pulse generator made of a 555 timer in astable mode.. Pulse Generator Multisim.
From www.multisim.com
555 Pulse Generator Multisim Live Pulse Generator Multisim Change resistor values (r1 and r2) or capacitor value of c1 to obtain different pulse frequency. Configure the first counter (ctr0) to generate a continuous pulse train on its out pin. Periodic pulse generator using a comparator or an operational amplifier. Multisim includes the pwm, pwm complementary, and pwm 3 phase generators. Toggle the pri_pwr_on1 switch from low to high.. Pulse Generator Multisim.
From www.multisim.com
555 Pulse Generator Multisim Live Pulse Generator Multisim Multisim includes the pwm, pwm complementary, and pwm 3 phase generators. Generate a single pulse of square wave from one of the outputs of the daq card using the source mentioned in #1 to trigger (i.e. Toggle the pri_pwr_on1 switch from low to high. Periodic pulse generator using a comparator or an operational amplifier. For single supply operation switches s1. Pulse Generator Multisim.
From www.youtube.com
NI Multisim Pulse voltage source YouTube Pulse Generator Multisim Generate a single pulse of square wave from one of the outputs of the daq card using the source mentioned in #1 to trigger (i.e. Place and configure the pulse voltage source to produce either a repetitivesquare or. These components model simple pwm generators. This pulse train is then gated by the second counter (ctr1). Periodic pulse generator using a. Pulse Generator Multisim.
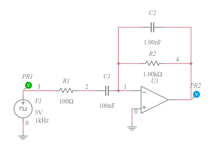
From www.multisim.com
Pulse generator Differentiator op amp Multisim Live Pulse Generator Multisim While a sinc time distribution looks as the image below. Toggle the pri_pwr_on1 switch from low to high. Change resistor values (r1 and r2) or capacitor value of c1 to obtain different pulse frequency. This pulse train is then gated by the second counter (ctr1). Generate a single pulse of square wave from one of the outputs of the daq. Pulse Generator Multisim.