What Kind Of Coolant Does An Audi A4 Take . it's crucial to use the correct audi a4 antifreeze, and you can choose between premixed or concentrated formulas. Find out how much coolant does your car need. — audi coolant. The factory recommend to use 12++ coolant. — my coolant is below min and what brand of coolant should i use? check out the coolant type for audi a4s for free. Your audi relies on coolant flow for optimal engine performance and maintenance. It helps prevent freezing in the. using the correct audi antifreeze color ensures you get the right chemistry for your car, along with the additives and corrosion. 243 rows — recommended antifreeze for radiators of audi a4. View the coolant type, capacity and the recommended change period.
from workshopfixpoiskalibip.z22.web.core.windows.net
View the coolant type, capacity and the recommended change period. — audi coolant. 243 rows — recommended antifreeze for radiators of audi a4. check out the coolant type for audi a4s for free. using the correct audi antifreeze color ensures you get the right chemistry for your car, along with the additives and corrosion. Find out how much coolant does your car need. Your audi relies on coolant flow for optimal engine performance and maintenance. The factory recommend to use 12++ coolant. It helps prevent freezing in the. it's crucial to use the correct audi a4 antifreeze, and you can choose between premixed or concentrated formulas.
What Kind Of Coolant Does Subaru Use
What Kind Of Coolant Does An Audi A4 Take using the correct audi antifreeze color ensures you get the right chemistry for your car, along with the additives and corrosion. it's crucial to use the correct audi a4 antifreeze, and you can choose between premixed or concentrated formulas. The factory recommend to use 12++ coolant. View the coolant type, capacity and the recommended change period. — audi coolant. It helps prevent freezing in the. Find out how much coolant does your car need. check out the coolant type for audi a4s for free. 243 rows — recommended antifreeze for radiators of audi a4. Your audi relies on coolant flow for optimal engine performance and maintenance. — my coolant is below min and what brand of coolant should i use? using the correct audi antifreeze color ensures you get the right chemistry for your car, along with the additives and corrosion.
From www.audiforums.com
Coolant Leak '00 A4 1.8t Quattro Avant What Kind Of Coolant Does An Audi A4 Take Your audi relies on coolant flow for optimal engine performance and maintenance. 243 rows — recommended antifreeze for radiators of audi a4. it's crucial to use the correct audi a4 antifreeze, and you can choose between premixed or concentrated formulas. using the correct audi antifreeze color ensures you get the right chemistry for your car, along with. What Kind Of Coolant Does An Audi A4 Take.
From webautocats.com
A4/Avant (1999 2001) Coolant cooling system. > ETKA Online What Kind Of Coolant Does An Audi A4 Take — audi coolant. It helps prevent freezing in the. Find out how much coolant does your car need. it's crucial to use the correct audi a4 antifreeze, and you can choose between premixed or concentrated formulas. 243 rows — recommended antifreeze for radiators of audi a4. View the coolant type, capacity and the recommended change period. . What Kind Of Coolant Does An Audi A4 Take.
From fixmachinemoller55.z19.web.core.windows.net
Audi A4 B9 Coolant Leak What Kind Of Coolant Does An Audi A4 Take It helps prevent freezing in the. The factory recommend to use 12++ coolant. View the coolant type, capacity and the recommended change period. Your audi relies on coolant flow for optimal engine performance and maintenance. check out the coolant type for audi a4s for free. Find out how much coolant does your car need. it's crucial to use. What Kind Of Coolant Does An Audi A4 Take.
From www.youtube.com
How to Change Coolant 0409 Audi A4 YouTube What Kind Of Coolant Does An Audi A4 Take Your audi relies on coolant flow for optimal engine performance and maintenance. — audi coolant. The factory recommend to use 12++ coolant. Find out how much coolant does your car need. it's crucial to use the correct audi a4 antifreeze, and you can choose between premixed or concentrated formulas. It helps prevent freezing in the. View the coolant. What Kind Of Coolant Does An Audi A4 Take.
From nemigaparts.com
Audi A4/S4/Avant/qu. (2001 2005) coolant cooling system. > VAG ETKA What Kind Of Coolant Does An Audi A4 Take It helps prevent freezing in the. Your audi relies on coolant flow for optimal engine performance and maintenance. check out the coolant type for audi a4s for free. The factory recommend to use 12++ coolant. it's crucial to use the correct audi a4 antifreeze, and you can choose between premixed or concentrated formulas. — audi coolant. . What Kind Of Coolant Does An Audi A4 Take.
From fixbachmeier99.z19.web.core.windows.net
2017 Audi A4 Coolant Type What Kind Of Coolant Does An Audi A4 Take using the correct audi antifreeze color ensures you get the right chemistry for your car, along with the additives and corrosion. It helps prevent freezing in the. Find out how much coolant does your car need. it's crucial to use the correct audi a4 antifreeze, and you can choose between premixed or concentrated formulas. check out the. What Kind Of Coolant Does An Audi A4 Take.
From repairfixehrlichmann101.z19.web.core.windows.net
Audi A4 Coolant Bottle What Kind Of Coolant Does An Audi A4 Take — my coolant is below min and what brand of coolant should i use? Find out how much coolant does your car need. — audi coolant. View the coolant type, capacity and the recommended change period. Your audi relies on coolant flow for optimal engine performance and maintenance. The factory recommend to use 12++ coolant. using the. What Kind Of Coolant Does An Audi A4 Take.
From webautocats.com
Audi A4/Avant (2008 2012) Coolant cooling system. > ETKA Online What Kind Of Coolant Does An Audi A4 Take Your audi relies on coolant flow for optimal engine performance and maintenance. Find out how much coolant does your car need. 243 rows — recommended antifreeze for radiators of audi a4. It helps prevent freezing in the. it's crucial to use the correct audi a4 antifreeze, and you can choose between premixed or concentrated formulas. check out. What Kind Of Coolant Does An Audi A4 Take.
From mechaniceva77.z4.web.core.windows.net
2018 Audi A4 Coolant Type What Kind Of Coolant Does An Audi A4 Take The factory recommend to use 12++ coolant. — audi coolant. View the coolant type, capacity and the recommended change period. 243 rows — recommended antifreeze for radiators of audi a4. check out the coolant type for audi a4s for free. It helps prevent freezing in the. Find out how much coolant does your car need. using. What Kind Of Coolant Does An Audi A4 Take.
From webautocats.com
Audi A4/S4/Avant/qu. (2005 2008) Coolant hoses. for vehicles with What Kind Of Coolant Does An Audi A4 Take — audi coolant. — my coolant is below min and what brand of coolant should i use? Your audi relies on coolant flow for optimal engine performance and maintenance. it's crucial to use the correct audi a4 antifreeze, and you can choose between premixed or concentrated formulas. View the coolant type, capacity and the recommended change period.. What Kind Of Coolant Does An Audi A4 Take.
From www.blauparts.com
Audi Coolant Spec Types G11 G12+ 12++ G13 Audi Antifreeze What Kind Of Coolant Does An Audi A4 Take View the coolant type, capacity and the recommended change period. 243 rows — recommended antifreeze for radiators of audi a4. Find out how much coolant does your car need. It helps prevent freezing in the. — audi coolant. it's crucial to use the correct audi a4 antifreeze, and you can choose between premixed or concentrated formulas. Your. What Kind Of Coolant Does An Audi A4 Take.
From www.carid.com
Beck Arnley® Audi A4 2008 Premium Antifreeze/Coolant Euro++ Violet What Kind Of Coolant Does An Audi A4 Take It helps prevent freezing in the. 243 rows — recommended antifreeze for radiators of audi a4. Your audi relies on coolant flow for optimal engine performance and maintenance. Find out how much coolant does your car need. check out the coolant type for audi a4s for free. — my coolant is below min and what brand of. What Kind Of Coolant Does An Audi A4 Take.
From design1systems.com
The Ultimate Guide Audi A4 1.8T Cooling System Diagram Explained What Kind Of Coolant Does An Audi A4 Take check out the coolant type for audi a4s for free. — my coolant is below min and what brand of coolant should i use? View the coolant type, capacity and the recommended change period. it's crucial to use the correct audi a4 antifreeze, and you can choose between premixed or concentrated formulas. using the correct audi. What Kind Of Coolant Does An Audi A4 Take.
From www.youtube.com
Adding coolant to an A4 Audi YouTube What Kind Of Coolant Does An Audi A4 Take Your audi relies on coolant flow for optimal engine performance and maintenance. check out the coolant type for audi a4s for free. View the coolant type, capacity and the recommended change period. — my coolant is below min and what brand of coolant should i use? — audi coolant. it's crucial to use the correct audi. What Kind Of Coolant Does An Audi A4 Take.
From www.justanswer.com
2001 Audi a4 with 2.8 where is coolant temp sense and how does it take What Kind Of Coolant Does An Audi A4 Take Find out how much coolant does your car need. it's crucial to use the correct audi a4 antifreeze, and you can choose between premixed or concentrated formulas. Your audi relies on coolant flow for optimal engine performance and maintenance. — my coolant is below min and what brand of coolant should i use? View the coolant type, capacity. What Kind Of Coolant Does An Audi A4 Take.
From www.pelicanparts.com
Audi A4 B6 Coolant Temperature Sensor Replacement (20022008) Pelican What Kind Of Coolant Does An Audi A4 Take It helps prevent freezing in the. using the correct audi antifreeze color ensures you get the right chemistry for your car, along with the additives and corrosion. — audi coolant. View the coolant type, capacity and the recommended change period. Find out how much coolant does your car need. — my coolant is below min and what. What Kind Of Coolant Does An Audi A4 Take.
From fixbachmeier99.z19.web.core.windows.net
2017 Audi A4 Coolant Type What Kind Of Coolant Does An Audi A4 Take The factory recommend to use 12++ coolant. — audi coolant. — my coolant is below min and what brand of coolant should i use? check out the coolant type for audi a4s for free. It helps prevent freezing in the. it's crucial to use the correct audi a4 antifreeze, and you can choose between premixed or. What Kind Of Coolant Does An Audi A4 Take.
From webautocats.com
Audi A4/Avant (2001 2005) Coolant cooling system. > ETKA Online What Kind Of Coolant Does An Audi A4 Take — my coolant is below min and what brand of coolant should i use? Find out how much coolant does your car need. The factory recommend to use 12++ coolant. using the correct audi antifreeze color ensures you get the right chemistry for your car, along with the additives and corrosion. View the coolant type, capacity and the. What Kind Of Coolant Does An Audi A4 Take.
From www.aa1car.com
Coolant Types What Kind Of Coolant Does An Audi A4 Take View the coolant type, capacity and the recommended change period. 243 rows — recommended antifreeze for radiators of audi a4. using the correct audi antifreeze color ensures you get the right chemistry for your car, along with the additives and corrosion. — my coolant is below min and what brand of coolant should i use? Find out. What Kind Of Coolant Does An Audi A4 Take.
From nemiga.com
Audi A4/Avant (2005 2008) coolant cooling system. > VAG ETKA Online What Kind Of Coolant Does An Audi A4 Take — my coolant is below min and what brand of coolant should i use? 243 rows — recommended antifreeze for radiators of audi a4. The factory recommend to use 12++ coolant. Find out how much coolant does your car need. Your audi relies on coolant flow for optimal engine performance and maintenance. View the coolant type, capacity and. What Kind Of Coolant Does An Audi A4 Take.
From repairherz99.z13.web.core.windows.net
2008 Audi A4 Coolant Type What Kind Of Coolant Does An Audi A4 Take — my coolant is below min and what brand of coolant should i use? The factory recommend to use 12++ coolant. using the correct audi antifreeze color ensures you get the right chemistry for your car, along with the additives and corrosion. View the coolant type, capacity and the recommended change period. Your audi relies on coolant flow. What Kind Of Coolant Does An Audi A4 Take.
From www.walmart.com
Audi A4 Engine Coolant Antifreeze What Kind Of Coolant Does An Audi A4 Take check out the coolant type for audi a4s for free. it's crucial to use the correct audi a4 antifreeze, and you can choose between premixed or concentrated formulas. Your audi relies on coolant flow for optimal engine performance and maintenance. — audi coolant. — my coolant is below min and what brand of coolant should i. What Kind Of Coolant Does An Audi A4 Take.
From www.carid.com
Beck Arnley® Audi A4 2006 Premium Antifreeze/Coolant Euro++ Violet What Kind Of Coolant Does An Audi A4 Take View the coolant type, capacity and the recommended change period. — my coolant is below min and what brand of coolant should i use? 243 rows — recommended antifreeze for radiators of audi a4. Your audi relies on coolant flow for optimal engine performance and maintenance. — audi coolant. using the correct audi antifreeze color ensures. What Kind Of Coolant Does An Audi A4 Take.
From www.blauparts.com
Audi Coolant Antifreeze G13 G12 G11 Pink Purple Blue Audi Coolant What Kind Of Coolant Does An Audi A4 Take The factory recommend to use 12++ coolant. Your audi relies on coolant flow for optimal engine performance and maintenance. check out the coolant type for audi a4s for free. — my coolant is below min and what brand of coolant should i use? It helps prevent freezing in the. using the correct audi antifreeze color ensures you. What Kind Of Coolant Does An Audi A4 Take.
From repairfrenchdammed.z21.web.core.windows.net
Audi A4 Coolant Type What Kind Of Coolant Does An Audi A4 Take check out the coolant type for audi a4s for free. Find out how much coolant does your car need. View the coolant type, capacity and the recommended change period. 243 rows — recommended antifreeze for radiators of audi a4. The factory recommend to use 12++ coolant. It helps prevent freezing in the. it's crucial to use the. What Kind Of Coolant Does An Audi A4 Take.
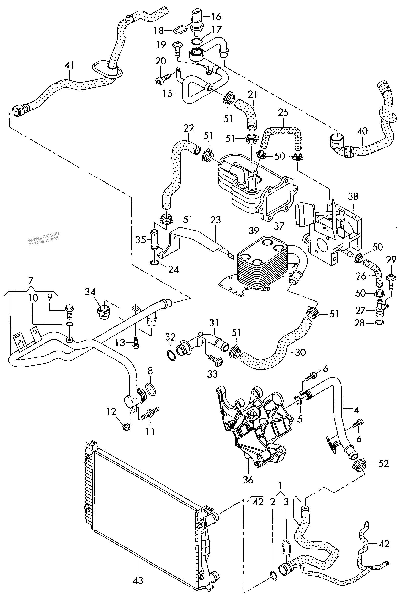
From www.ilcats.ru
coolant cooling system AUDI A4/AVANT What Kind Of Coolant Does An Audi A4 Take using the correct audi antifreeze color ensures you get the right chemistry for your car, along with the additives and corrosion. — audi coolant. — my coolant is below min and what brand of coolant should i use? The factory recommend to use 12++ coolant. it's crucial to use the correct audi a4 antifreeze, and you. What Kind Of Coolant Does An Audi A4 Take.
From www.blauparts.com
Audi Coolant Change VW Coolant Change Service Bulletin What Kind Of Coolant Does An Audi A4 Take using the correct audi antifreeze color ensures you get the right chemistry for your car, along with the additives and corrosion. It helps prevent freezing in the. Your audi relies on coolant flow for optimal engine performance and maintenance. The factory recommend to use 12++ coolant. Find out how much coolant does your car need. 243 rows —. What Kind Of Coolant Does An Audi A4 Take.
From nemigaparts.com
Audi A4 allroad quattro (2010 2016) coolant cooling system. > VAG What Kind Of Coolant Does An Audi A4 Take Your audi relies on coolant flow for optimal engine performance and maintenance. using the correct audi antifreeze color ensures you get the right chemistry for your car, along with the additives and corrosion. It helps prevent freezing in the. 243 rows — recommended antifreeze for radiators of audi a4. View the coolant type, capacity and the recommended change. What Kind Of Coolant Does An Audi A4 Take.
From workshoprepairkaitlin88.z19.web.core.windows.net
Audi A4 Coolant Hose Diagram What Kind Of Coolant Does An Audi A4 Take The factory recommend to use 12++ coolant. — my coolant is below min and what brand of coolant should i use? Your audi relies on coolant flow for optimal engine performance and maintenance. using the correct audi antifreeze color ensures you get the right chemistry for your car, along with the additives and corrosion. View the coolant type,. What Kind Of Coolant Does An Audi A4 Take.
From repairfixophelia77.z19.web.core.windows.net
2012 Audi A4 Coolant Type What Kind Of Coolant Does An Audi A4 Take View the coolant type, capacity and the recommended change period. Your audi relies on coolant flow for optimal engine performance and maintenance. check out the coolant type for audi a4s for free. — audi coolant. it's crucial to use the correct audi a4 antifreeze, and you can choose between premixed or concentrated formulas. The factory recommend to. What Kind Of Coolant Does An Audi A4 Take.
From workshopfixpoiskalibip.z22.web.core.windows.net
What Kind Of Coolant Does Subaru Use What Kind Of Coolant Does An Audi A4 Take 243 rows — recommended antifreeze for radiators of audi a4. check out the coolant type for audi a4s for free. Your audi relies on coolant flow for optimal engine performance and maintenance. it's crucial to use the correct audi a4 antifreeze, and you can choose between premixed or concentrated formulas. View the coolant type, capacity and the. What Kind Of Coolant Does An Audi A4 Take.
From www.youtube.com
Audi A4 1.8 TFSi Coolant Top Up YouTube What Kind Of Coolant Does An Audi A4 Take using the correct audi antifreeze color ensures you get the right chemistry for your car, along with the additives and corrosion. It helps prevent freezing in the. — my coolant is below min and what brand of coolant should i use? check out the coolant type for audi a4s for free. — audi coolant. Your audi. What Kind Of Coolant Does An Audi A4 Take.
From roomsfurniturehouston.com
いしており coolant tank アウディ、A4 20012008クーラント拡張タンクNEW、OEブランド AUDI A4 2001 What Kind Of Coolant Does An Audi A4 Take check out the coolant type for audi a4s for free. using the correct audi antifreeze color ensures you get the right chemistry for your car, along with the additives and corrosion. It helps prevent freezing in the. — audi coolant. — my coolant is below min and what brand of coolant should i use? View the. What Kind Of Coolant Does An Audi A4 Take.
From workshoprepairkaitlin88.z19.web.core.windows.net
Audi A4 2012 Coolant What Kind Of Coolant Does An Audi A4 Take Your audi relies on coolant flow for optimal engine performance and maintenance. 243 rows — recommended antifreeze for radiators of audi a4. it's crucial to use the correct audi a4 antifreeze, and you can choose between premixed or concentrated formulas. check out the coolant type for audi a4s for free. View the coolant type, capacity and the. What Kind Of Coolant Does An Audi A4 Take.
From www.youtube.com
Audi A4 B8 Coolant Location 2008 to 2015 YouTube What Kind Of Coolant Does An Audi A4 Take — audi coolant. It helps prevent freezing in the. 243 rows — recommended antifreeze for radiators of audi a4. The factory recommend to use 12++ coolant. check out the coolant type for audi a4s for free. it's crucial to use the correct audi a4 antifreeze, and you can choose between premixed or concentrated formulas. —. What Kind Of Coolant Does An Audi A4 Take.