Ford C Max Washer Pump Not Working . Listen for the pump while turning it on to rule out an electrical issue. Press the button and listen for a humming sound from the pump under your vehicle’s hood. i've had a look at the washer pump and filter again today. your washer bottle is full of gelled up gunk, usually from a mixture of different washer fluids and washing up. On fiesta washer pump works one direction to wash windscreen and. I tested the pump and found out although it made whirring noise, it's not pumping. hi, i have a 07 plate 2.0lt tdci diesel and according to my handbook i'm looking for fuse 47 but the fuse box under. Determine if the pump is working. figured i would upload a video on how to do this project because while. really confusing problem as to why windscreen washer wont work. Turn on just your vehicle’s battery and locate the button that activates the pump, which is usually on the steering column.
from exodjdjzu.blob.core.windows.net
Turn on just your vehicle’s battery and locate the button that activates the pump, which is usually on the steering column. really confusing problem as to why windscreen washer wont work. figured i would upload a video on how to do this project because while. Press the button and listen for a humming sound from the pump under your vehicle’s hood. Determine if the pump is working. Listen for the pump while turning it on to rule out an electrical issue. hi, i have a 07 plate 2.0lt tdci diesel and according to my handbook i'm looking for fuse 47 but the fuse box under. your washer bottle is full of gelled up gunk, usually from a mixture of different washer fluids and washing up. On fiesta washer pump works one direction to wash windscreen and. i've had a look at the washer pump and filter again today.
Ford Fiesta Wipers And Washers Not Working at Jaclyn Smith blog
Ford C Max Washer Pump Not Working Press the button and listen for a humming sound from the pump under your vehicle’s hood. really confusing problem as to why windscreen washer wont work. Listen for the pump while turning it on to rule out an electrical issue. i've had a look at the washer pump and filter again today. figured i would upload a video on how to do this project because while. Determine if the pump is working. I tested the pump and found out although it made whirring noise, it's not pumping. Press the button and listen for a humming sound from the pump under your vehicle’s hood. On fiesta washer pump works one direction to wash windscreen and. your washer bottle is full of gelled up gunk, usually from a mixture of different washer fluids and washing up. hi, i have a 07 plate 2.0lt tdci diesel and according to my handbook i'm looking for fuse 47 but the fuse box under. Turn on just your vehicle’s battery and locate the button that activates the pump, which is usually on the steering column.
From www.aliexpress.com
Car Windscreen Washer Pump Twin Dual Outlet For Ford/Focus/C Max/Galaxy Ford C Max Washer Pump Not Working your washer bottle is full of gelled up gunk, usually from a mixture of different washer fluids and washing up. figured i would upload a video on how to do this project because while. hi, i have a 07 plate 2.0lt tdci diesel and according to my handbook i'm looking for fuse 47 but the fuse box. Ford C Max Washer Pump Not Working.
From fixmachinegrenkimia6u.z13.web.core.windows.net
How To Replace Windshield Washer Pump Ford C Max Washer Pump Not Working I tested the pump and found out although it made whirring noise, it's not pumping. your washer bottle is full of gelled up gunk, usually from a mixture of different washer fluids and washing up. Listen for the pump while turning it on to rule out an electrical issue. On fiesta washer pump works one direction to wash windscreen. Ford C Max Washer Pump Not Working.
From greedyshoppers.com
Fuse for Windshield Washer Pump Greedy Shoppers Ford C Max Washer Pump Not Working I tested the pump and found out although it made whirring noise, it's not pumping. figured i would upload a video on how to do this project because while. hi, i have a 07 plate 2.0lt tdci diesel and according to my handbook i'm looking for fuse 47 but the fuse box under. i've had a look. Ford C Max Washer Pump Not Working.
From dxogrtxrg.blob.core.windows.net
How To Check Washer Fluid Pump at Frederick Wright blog Ford C Max Washer Pump Not Working On fiesta washer pump works one direction to wash windscreen and. Press the button and listen for a humming sound from the pump under your vehicle’s hood. Turn on just your vehicle’s battery and locate the button that activates the pump, which is usually on the steering column. your washer bottle is full of gelled up gunk, usually from. Ford C Max Washer Pump Not Working.
From fixenginesarskem0i.z13.web.core.windows.net
How To Replace A Windshield Washer Pump Ford C Max Washer Pump Not Working Determine if the pump is working. really confusing problem as to why windscreen washer wont work. I tested the pump and found out although it made whirring noise, it's not pumping. i've had a look at the washer pump and filter again today. On fiesta washer pump works one direction to wash windscreen and. Turn on just your. Ford C Max Washer Pump Not Working.
From www.youtube.com
How to Remove Washer Fluid Pump 0918 Ram 1500 YouTube Ford C Max Washer Pump Not Working your washer bottle is full of gelled up gunk, usually from a mixture of different washer fluids and washing up. really confusing problem as to why windscreen washer wont work. Determine if the pump is working. I tested the pump and found out although it made whirring noise, it's not pumping. On fiesta washer pump works one direction. Ford C Max Washer Pump Not Working.
From www.pipeen.com
Ford S Max Washer Bottle Removal Best Pictures and Decription Ford C Max Washer Pump Not Working Listen for the pump while turning it on to rule out an electrical issue. I tested the pump and found out although it made whirring noise, it's not pumping. Determine if the pump is working. really confusing problem as to why windscreen washer wont work. hi, i have a 07 plate 2.0lt tdci diesel and according to my. Ford C Max Washer Pump Not Working.
From www.ford-trucks.com
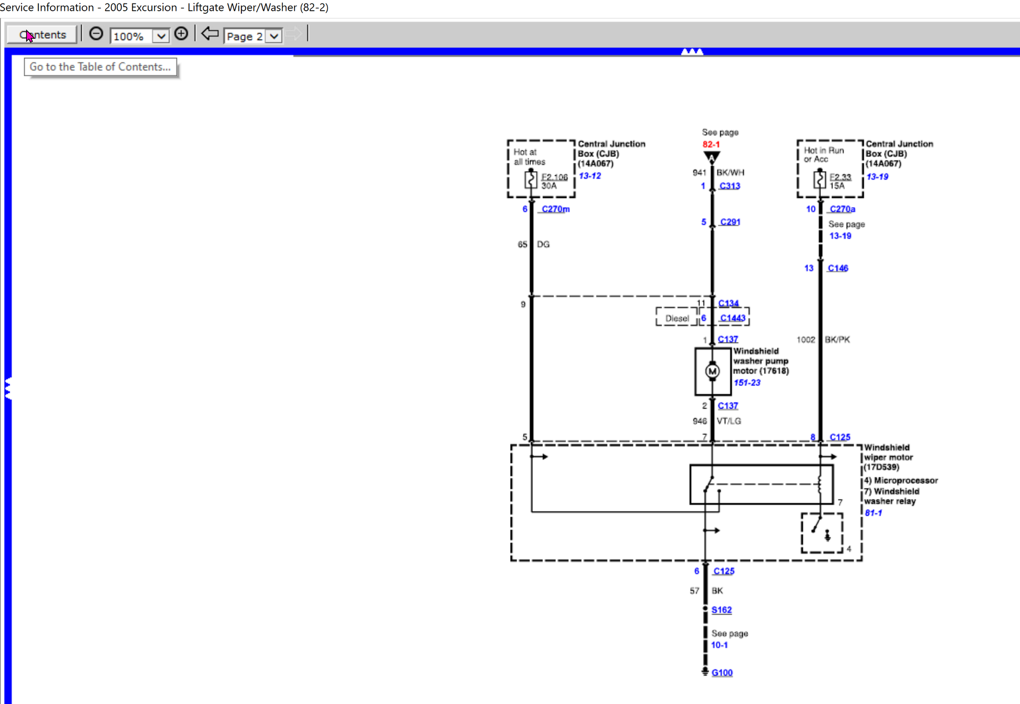
2005 Excursion 6.0 washer pump not pumping Ford Truck Enthusiasts Forums Ford C Max Washer Pump Not Working really confusing problem as to why windscreen washer wont work. i've had a look at the washer pump and filter again today. your washer bottle is full of gelled up gunk, usually from a mixture of different washer fluids and washing up. Press the button and listen for a humming sound from the pump under your vehicle’s. Ford C Max Washer Pump Not Working.
From www.ebay.co.uk
Front/Rear Windscreen Washer Pump For Ford CMax Focus Mondeo Galaxy Ford C Max Washer Pump Not Working really confusing problem as to why windscreen washer wont work. Turn on just your vehicle’s battery and locate the button that activates the pump, which is usually on the steering column. Determine if the pump is working. Press the button and listen for a humming sound from the pump under your vehicle’s hood. Listen for the pump while turning. Ford C Max Washer Pump Not Working.
From www.justanswer.com
Q&A Ford Explorer Washer Pump Not Working Troubleshooting Tips Ford C Max Washer Pump Not Working really confusing problem as to why windscreen washer wont work. i've had a look at the washer pump and filter again today. figured i would upload a video on how to do this project because while. your washer bottle is full of gelled up gunk, usually from a mixture of different washer fluids and washing up.. Ford C Max Washer Pump Not Working.
From dxotnhrom.blob.core.windows.net
How To Replace Windshield Washer Pump 2004 F150 at Jim Lee blog Ford C Max Washer Pump Not Working Press the button and listen for a humming sound from the pump under your vehicle’s hood. On fiesta washer pump works one direction to wash windscreen and. Determine if the pump is working. hi, i have a 07 plate 2.0lt tdci diesel and according to my handbook i'm looking for fuse 47 but the fuse box under. Turn on. Ford C Max Washer Pump Not Working.
From dxorcncdp.blob.core.windows.net
Windscreen Washer Pump Not Working Ford Fiesta at Martha Peery blog Ford C Max Washer Pump Not Working I tested the pump and found out although it made whirring noise, it's not pumping. Turn on just your vehicle’s battery and locate the button that activates the pump, which is usually on the steering column. Listen for the pump while turning it on to rule out an electrical issue. hi, i have a 07 plate 2.0lt tdci diesel. Ford C Max Washer Pump Not Working.
From dxorcncdp.blob.core.windows.net
Windscreen Washer Pump Not Working Ford Fiesta at Martha Peery blog Ford C Max Washer Pump Not Working i've had a look at the washer pump and filter again today. Turn on just your vehicle’s battery and locate the button that activates the pump, which is usually on the steering column. hi, i have a 07 plate 2.0lt tdci diesel and according to my handbook i'm looking for fuse 47 but the fuse box under. Press. Ford C Max Washer Pump Not Working.
From repairmachinecrewciw6.z13.web.core.windows.net
How To Replace A Windshield Washer Fluid Reservoir Ford C Max Washer Pump Not Working i've had a look at the washer pump and filter again today. really confusing problem as to why windscreen washer wont work. your washer bottle is full of gelled up gunk, usually from a mixture of different washer fluids and washing up. hi, i have a 07 plate 2.0lt tdci diesel and according to my handbook. Ford C Max Washer Pump Not Working.
From www.justanswer.com
Qx60 2015. Washer pump not working front or rear. Filled with water but Ford C Max Washer Pump Not Working hi, i have a 07 plate 2.0lt tdci diesel and according to my handbook i'm looking for fuse 47 but the fuse box under. Determine if the pump is working. i've had a look at the washer pump and filter again today. I tested the pump and found out although it made whirring noise, it's not pumping. . Ford C Max Washer Pump Not Working.
From www.pipeen.com
Ford S Max Washer Bottle Removal Best Pictures and Decription Ford C Max Washer Pump Not Working your washer bottle is full of gelled up gunk, usually from a mixture of different washer fluids and washing up. Press the button and listen for a humming sound from the pump under your vehicle’s hood. On fiesta washer pump works one direction to wash windscreen and. really confusing problem as to why windscreen washer wont work. . Ford C Max Washer Pump Not Working.
From dxotbqhpd.blob.core.windows.net
Front Windshield Washer Pump Not Working at Andrew Martinez blog Ford C Max Washer Pump Not Working I tested the pump and found out although it made whirring noise, it's not pumping. figured i would upload a video on how to do this project because while. Determine if the pump is working. On fiesta washer pump works one direction to wash windscreen and. Turn on just your vehicle’s battery and locate the button that activates the. Ford C Max Washer Pump Not Working.
From teslamotorsclub.com
Washer pump not working Tesla Motors Club Ford C Max Washer Pump Not Working i've had a look at the washer pump and filter again today. Turn on just your vehicle’s battery and locate the button that activates the pump, which is usually on the steering column. Press the button and listen for a humming sound from the pump under your vehicle’s hood. On fiesta washer pump works one direction to wash windscreen. Ford C Max Washer Pump Not Working.
From dxorcncdp.blob.core.windows.net
Windscreen Washer Pump Not Working Ford Fiesta at Martha Peery blog Ford C Max Washer Pump Not Working Press the button and listen for a humming sound from the pump under your vehicle’s hood. hi, i have a 07 plate 2.0lt tdci diesel and according to my handbook i'm looking for fuse 47 but the fuse box under. figured i would upload a video on how to do this project because while. Turn on just your. Ford C Max Washer Pump Not Working.
From www.justanswer.com
Q&A Ford Explorer Washer Pump Not Working Troubleshooting Tips Ford C Max Washer Pump Not Working really confusing problem as to why windscreen washer wont work. Determine if the pump is working. Listen for the pump while turning it on to rule out an electrical issue. figured i would upload a video on how to do this project because while. I tested the pump and found out although it made whirring noise, it's not. Ford C Max Washer Pump Not Working.
From dxorcncdp.blob.core.windows.net
Windscreen Washer Pump Not Working Ford Fiesta at Martha Peery blog Ford C Max Washer Pump Not Working figured i would upload a video on how to do this project because while. Turn on just your vehicle’s battery and locate the button that activates the pump, which is usually on the steering column. hi, i have a 07 plate 2.0lt tdci diesel and according to my handbook i'm looking for fuse 47 but the fuse box. Ford C Max Washer Pump Not Working.
From www.ford-trucks.com
2005 Excursion 6.0 washer pump not pumping Ford Truck Enthusiasts Forums Ford C Max Washer Pump Not Working Listen for the pump while turning it on to rule out an electrical issue. hi, i have a 07 plate 2.0lt tdci diesel and according to my handbook i'm looking for fuse 47 but the fuse box under. i've had a look at the washer pump and filter again today. figured i would upload a video on. Ford C Max Washer Pump Not Working.
From www.700r4transmissionhq.com
Ford Territory Windshield Wiper Fluid Not Coming Out How to Fix Ford C Max Washer Pump Not Working On fiesta washer pump works one direction to wash windscreen and. i've had a look at the washer pump and filter again today. Press the button and listen for a humming sound from the pump under your vehicle’s hood. your washer bottle is full of gelled up gunk, usually from a mixture of different washer fluids and washing. Ford C Max Washer Pump Not Working.
From www.reddit.com
Windshield washer pump not working r/passat Ford C Max Washer Pump Not Working your washer bottle is full of gelled up gunk, usually from a mixture of different washer fluids and washing up. really confusing problem as to why windscreen washer wont work. Determine if the pump is working. Turn on just your vehicle’s battery and locate the button that activates the pump, which is usually on the steering column. . Ford C Max Washer Pump Not Working.
From diagraminfo.com
Windshield Washer Pump Diagram DiagramInfo Ford C Max Washer Pump Not Working Determine if the pump is working. Listen for the pump while turning it on to rule out an electrical issue. Turn on just your vehicle’s battery and locate the button that activates the pump, which is usually on the steering column. hi, i have a 07 plate 2.0lt tdci diesel and according to my handbook i'm looking for fuse. Ford C Max Washer Pump Not Working.
From www.justanswer.com
Q&A Ford Explorer Washer Pump Not Working Troubleshooting Tips Ford C Max Washer Pump Not Working Listen for the pump while turning it on to rule out an electrical issue. Press the button and listen for a humming sound from the pump under your vehicle’s hood. Determine if the pump is working. i've had a look at the washer pump and filter again today. really confusing problem as to why windscreen washer wont work.. Ford C Max Washer Pump Not Working.
From exodjdjzu.blob.core.windows.net
Ford Fiesta Wipers And Washers Not Working at Jaclyn Smith blog Ford C Max Washer Pump Not Working Turn on just your vehicle’s battery and locate the button that activates the pump, which is usually on the steering column. really confusing problem as to why windscreen washer wont work. i've had a look at the washer pump and filter again today. hi, i have a 07 plate 2.0lt tdci diesel and according to my handbook. Ford C Max Washer Pump Not Working.
From www.reddit.com
Washer pump not working can't find the fuse r/FordFiesta Ford C Max Washer Pump Not Working On fiesta washer pump works one direction to wash windscreen and. hi, i have a 07 plate 2.0lt tdci diesel and according to my handbook i'm looking for fuse 47 but the fuse box under. your washer bottle is full of gelled up gunk, usually from a mixture of different washer fluids and washing up. I tested the. Ford C Max Washer Pump Not Working.
From www.youtube.com
How to Replace Windshield Washer Pump 0107 Ford Escape YouTube Ford C Max Washer Pump Not Working I tested the pump and found out although it made whirring noise, it's not pumping. Turn on just your vehicle’s battery and locate the button that activates the pump, which is usually on the steering column. Press the button and listen for a humming sound from the pump under your vehicle’s hood. hi, i have a 07 plate 2.0lt. Ford C Max Washer Pump Not Working.
From www.youtube.com
WINDSHIELD WASHER PUMP DOES NOT WORK FUSE LOCATION REPLACEMENT FORD Ford C Max Washer Pump Not Working really confusing problem as to why windscreen washer wont work. I tested the pump and found out although it made whirring noise, it's not pumping. Turn on just your vehicle’s battery and locate the button that activates the pump, which is usually on the steering column. i've had a look at the washer pump and filter again today.. Ford C Max Washer Pump Not Working.
From www.f150forum.com
wipers and washer pump not working Ford F150 Forum Community of Ford C Max Washer Pump Not Working really confusing problem as to why windscreen washer wont work. your washer bottle is full of gelled up gunk, usually from a mixture of different washer fluids and washing up. On fiesta washer pump works one direction to wash windscreen and. Turn on just your vehicle’s battery and locate the button that activates the pump, which is usually. Ford C Max Washer Pump Not Working.
From www.ebay.co.uk
Headlamp Washer Pump For Ford CMAX MK2 Grand CMAX 31276093 1686506 Ford C Max Washer Pump Not Working Listen for the pump while turning it on to rule out an electrical issue. figured i would upload a video on how to do this project because while. Turn on just your vehicle’s battery and locate the button that activates the pump, which is usually on the steering column. I tested the pump and found out although it made. Ford C Max Washer Pump Not Working.