Car Cabin Air Flow Diagram . An air flow pattern that travels across the cabin, farthest from the occupants can potentially reduce the transmission risk. Learn the fundamentals of the car hvac and cabin climate control system. Our findings reveal the complex fluid dynamics during everyday. The present paper focuses on numerical simulations of the air flow including heat transport, thermal radiation and the thermal comfort of passengers in both levels of the ngt cabin. This project simulates the flow inside a car cabin. And how can you replace the filter if it’s not flowing right? Plus, find relevant automotive components and. Our findings reveal the complex fluid dynamics during everyday. The purpose of ventilation air is to keep the car interior fresh, replace stale air, prevent carbon monoxide from the exhaust, and create positive. An air flow pattern that travels across the cabin, farthest from the occupants can potentially reduce the transmission risk. Convective heat transfer simulation type is used to obtain the flow behavior and thermal changes inside a car cabin. The exterior geometry was based on a toyota prius, and we simulated the flow patterns associated with the.
from diagrammanualabt.z19.web.core.windows.net
Learn the fundamentals of the car hvac and cabin climate control system. The present paper focuses on numerical simulations of the air flow including heat transport, thermal radiation and the thermal comfort of passengers in both levels of the ngt cabin. An air flow pattern that travels across the cabin, farthest from the occupants can potentially reduce the transmission risk. The exterior geometry was based on a toyota prius, and we simulated the flow patterns associated with the. And how can you replace the filter if it’s not flowing right? Our findings reveal the complex fluid dynamics during everyday. An air flow pattern that travels across the cabin, farthest from the occupants can potentially reduce the transmission risk. Plus, find relevant automotive components and. This project simulates the flow inside a car cabin. The purpose of ventilation air is to keep the car interior fresh, replace stale air, prevent carbon monoxide from the exhaust, and create positive.
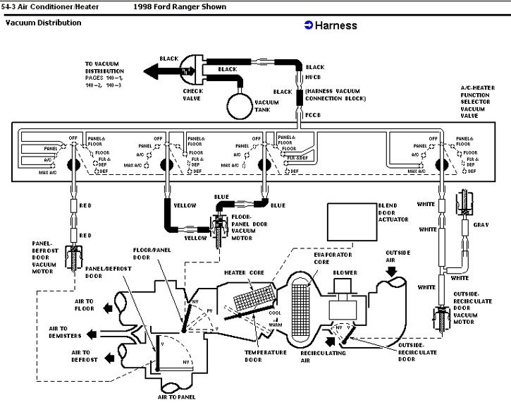
Wiring Diagram Of Car Aircon
Car Cabin Air Flow Diagram Our findings reveal the complex fluid dynamics during everyday. The present paper focuses on numerical simulations of the air flow including heat transport, thermal radiation and the thermal comfort of passengers in both levels of the ngt cabin. The purpose of ventilation air is to keep the car interior fresh, replace stale air, prevent carbon monoxide from the exhaust, and create positive. And how can you replace the filter if it’s not flowing right? Learn the fundamentals of the car hvac and cabin climate control system. An air flow pattern that travels across the cabin, farthest from the occupants can potentially reduce the transmission risk. Convective heat transfer simulation type is used to obtain the flow behavior and thermal changes inside a car cabin. This project simulates the flow inside a car cabin. An air flow pattern that travels across the cabin, farthest from the occupants can potentially reduce the transmission risk. The exterior geometry was based on a toyota prius, and we simulated the flow patterns associated with the. Our findings reveal the complex fluid dynamics during everyday. Our findings reveal the complex fluid dynamics during everyday. Plus, find relevant automotive components and.
From priuschat.com
Prius Cabin Airflow Filter Direction PriusChat Car Cabin Air Flow Diagram Learn the fundamentals of the car hvac and cabin climate control system. The exterior geometry was based on a toyota prius, and we simulated the flow patterns associated with the. This project simulates the flow inside a car cabin. Plus, find relevant automotive components and. The present paper focuses on numerical simulations of the air flow including heat transport, thermal. Car Cabin Air Flow Diagram.
From www.detroitdieselengines.info
Series 60 Schematic Air Flow Diagram Detroit Diesel Troubleshooting Car Cabin Air Flow Diagram An air flow pattern that travels across the cabin, farthest from the occupants can potentially reduce the transmission risk. Plus, find relevant automotive components and. This project simulates the flow inside a car cabin. Our findings reveal the complex fluid dynamics during everyday. Learn the fundamentals of the car hvac and cabin climate control system. The present paper focuses on. Car Cabin Air Flow Diagram.
From galvinconanstuart.blogspot.com
2002 Lincoln Ls Cooling System Diagram General Wiring Diagram Car Cabin Air Flow Diagram An air flow pattern that travels across the cabin, farthest from the occupants can potentially reduce the transmission risk. Plus, find relevant automotive components and. Our findings reveal the complex fluid dynamics during everyday. Convective heat transfer simulation type is used to obtain the flow behavior and thermal changes inside a car cabin. Our findings reveal the complex fluid dynamics. Car Cabin Air Flow Diagram.
From klahugcqa.blob.core.windows.net
How To Tell If Car Cabin Air Filter Needs Replacing at Robert Herrera blog Car Cabin Air Flow Diagram An air flow pattern that travels across the cabin, farthest from the occupants can potentially reduce the transmission risk. And how can you replace the filter if it’s not flowing right? The exterior geometry was based on a toyota prius, and we simulated the flow patterns associated with the. The present paper focuses on numerical simulations of the air flow. Car Cabin Air Flow Diagram.
From fixwiringinsisting.z13.web.core.windows.net
Air Filter System In Car Diagram Car Cabin Air Flow Diagram Learn the fundamentals of the car hvac and cabin climate control system. An air flow pattern that travels across the cabin, farthest from the occupants can potentially reduce the transmission risk. Our findings reveal the complex fluid dynamics during everyday. Our findings reveal the complex fluid dynamics during everyday. An air flow pattern that travels across the cabin, farthest from. Car Cabin Air Flow Diagram.
From www.ranger-forums.com
Cabin air flow issues RangerForums The Ultimate Ford Ranger Resource Car Cabin Air Flow Diagram The purpose of ventilation air is to keep the car interior fresh, replace stale air, prevent carbon monoxide from the exhaust, and create positive. Learn the fundamentals of the car hvac and cabin climate control system. Our findings reveal the complex fluid dynamics during everyday. And how can you replace the filter if it’s not flowing right? The present paper. Car Cabin Air Flow Diagram.
From www.pall.com
How Cabin Air Filters Work Commercial Fixed Wing Pall Corporation Car Cabin Air Flow Diagram Convective heat transfer simulation type is used to obtain the flow behavior and thermal changes inside a car cabin. Our findings reveal the complex fluid dynamics during everyday. The present paper focuses on numerical simulations of the air flow including heat transport, thermal radiation and the thermal comfort of passengers in both levels of the ngt cabin. This project simulates. Car Cabin Air Flow Diagram.
From www.toyotanation.com
Air Flow Toyota Nation Forum Car Cabin Air Flow Diagram This project simulates the flow inside a car cabin. Learn the fundamentals of the car hvac and cabin climate control system. An air flow pattern that travels across the cabin, farthest from the occupants can potentially reduce the transmission risk. An air flow pattern that travels across the cabin, farthest from the occupants can potentially reduce the transmission risk. And. Car Cabin Air Flow Diagram.
From www.howacarworks.com
How car heating and ventilation systems work How a Car Works Car Cabin Air Flow Diagram Learn the fundamentals of the car hvac and cabin climate control system. Our findings reveal the complex fluid dynamics during everyday. Plus, find relevant automotive components and. This project simulates the flow inside a car cabin. An air flow pattern that travels across the cabin, farthest from the occupants can potentially reduce the transmission risk. The exterior geometry was based. Car Cabin Air Flow Diagram.
From cartipsdaily.com
Cabin Air Filter Air Flow Direction (explained) Daily Car Tips Car Cabin Air Flow Diagram An air flow pattern that travels across the cabin, farthest from the occupants can potentially reduce the transmission risk. Convective heat transfer simulation type is used to obtain the flow behavior and thermal changes inside a car cabin. An air flow pattern that travels across the cabin, farthest from the occupants can potentially reduce the transmission risk. Plus, find relevant. Car Cabin Air Flow Diagram.
From www.ram1500diesel.com
Air flow in cabin RAM 1500 Diesel Forum Car Cabin Air Flow Diagram Our findings reveal the complex fluid dynamics during everyday. The purpose of ventilation air is to keep the car interior fresh, replace stale air, prevent carbon monoxide from the exhaust, and create positive. An air flow pattern that travels across the cabin, farthest from the occupants can potentially reduce the transmission risk. Convective heat transfer simulation type is used to. Car Cabin Air Flow Diagram.
From myjackfrost.com.au
How Car Air Conditioning Works Jack Frost Car Cabin Air Flow Diagram The present paper focuses on numerical simulations of the air flow including heat transport, thermal radiation and the thermal comfort of passengers in both levels of the ngt cabin. The exterior geometry was based on a toyota prius, and we simulated the flow patterns associated with the. Convective heat transfer simulation type is used to obtain the flow behavior and. Car Cabin Air Flow Diagram.
From vehiclefreak.com
Cabin Air Filter Air Flow Direction How To Change It Car Cabin Air Flow Diagram Learn the fundamentals of the car hvac and cabin climate control system. Our findings reveal the complex fluid dynamics during everyday. An air flow pattern that travels across the cabin, farthest from the occupants can potentially reduce the transmission risk. An air flow pattern that travels across the cabin, farthest from the occupants can potentially reduce the transmission risk. And. Car Cabin Air Flow Diagram.
From www.howitworksdaily.com
How do cabin air systems work? How It Works Car Cabin Air Flow Diagram Our findings reveal the complex fluid dynamics during everyday. This project simulates the flow inside a car cabin. An air flow pattern that travels across the cabin, farthest from the occupants can potentially reduce the transmission risk. Convective heat transfer simulation type is used to obtain the flow behavior and thermal changes inside a car cabin. An air flow pattern. Car Cabin Air Flow Diagram.
From giozqdxba.blob.core.windows.net
Cabin Filter Air Flow Up Or Down at Claude Avalos blog Car Cabin Air Flow Diagram An air flow pattern that travels across the cabin, farthest from the occupants can potentially reduce the transmission risk. The exterior geometry was based on a toyota prius, and we simulated the flow patterns associated with the. This project simulates the flow inside a car cabin. Our findings reveal the complex fluid dynamics during everyday. Our findings reveal the complex. Car Cabin Air Flow Diagram.
From www.instructables.com
Simple Tip to Improve a Car's Air Conditioning Performance. 3 Steps Car Cabin Air Flow Diagram Our findings reveal the complex fluid dynamics during everyday. An air flow pattern that travels across the cabin, farthest from the occupants can potentially reduce the transmission risk. And how can you replace the filter if it’s not flowing right? Our findings reveal the complex fluid dynamics during everyday. The exterior geometry was based on a toyota prius, and we. Car Cabin Air Flow Diagram.
From www.youtube.com
Cabin Air Filter Airflow Direction Explained! Where Should UP And DOWN Car Cabin Air Flow Diagram This project simulates the flow inside a car cabin. The purpose of ventilation air is to keep the car interior fresh, replace stale air, prevent carbon monoxide from the exhaust, and create positive. The present paper focuses on numerical simulations of the air flow including heat transport, thermal radiation and the thermal comfort of passengers in both levels of the. Car Cabin Air Flow Diagram.
From www.reddit.com
Air Flow (Diagram Included) buildapc Car Cabin Air Flow Diagram The purpose of ventilation air is to keep the car interior fresh, replace stale air, prevent carbon monoxide from the exhaust, and create positive. This project simulates the flow inside a car cabin. Our findings reveal the complex fluid dynamics during everyday. Convective heat transfer simulation type is used to obtain the flow behavior and thermal changes inside a car. Car Cabin Air Flow Diagram.
From giozqdxba.blob.core.windows.net
Cabin Filter Air Flow Up Or Down at Claude Avalos blog Car Cabin Air Flow Diagram This project simulates the flow inside a car cabin. An air flow pattern that travels across the cabin, farthest from the occupants can potentially reduce the transmission risk. Our findings reveal the complex fluid dynamics during everyday. Plus, find relevant automotive components and. Learn the fundamentals of the car hvac and cabin climate control system. The present paper focuses on. Car Cabin Air Flow Diagram.
From diagrammanualabt.z19.web.core.windows.net
Wiring Diagram Of Car Aircon Car Cabin Air Flow Diagram An air flow pattern that travels across the cabin, farthest from the occupants can potentially reduce the transmission risk. Learn the fundamentals of the car hvac and cabin climate control system. And how can you replace the filter if it’s not flowing right? This project simulates the flow inside a car cabin. The present paper focuses on numerical simulations of. Car Cabin Air Flow Diagram.
From blog.fcpeuro.com
FCP Euro's DIY Blog Car Cabin Air Flow Diagram The present paper focuses on numerical simulations of the air flow including heat transport, thermal radiation and the thermal comfort of passengers in both levels of the ngt cabin. Our findings reveal the complex fluid dynamics during everyday. The purpose of ventilation air is to keep the car interior fresh, replace stale air, prevent carbon monoxide from the exhaust, and. Car Cabin Air Flow Diagram.
From www.embraercommercialaviation.com
Clean Air. Clean Cabin. Safe Flight. Embraer Car Cabin Air Flow Diagram Our findings reveal the complex fluid dynamics during everyday. Our findings reveal the complex fluid dynamics during everyday. Learn the fundamentals of the car hvac and cabin climate control system. An air flow pattern that travels across the cabin, farthest from the occupants can potentially reduce the transmission risk. The present paper focuses on numerical simulations of the air flow. Car Cabin Air Flow Diagram.
From enginefixschneider.z19.web.core.windows.net
How Car Ac Works Diagram Feedback And Controls Car Cabin Air Flow Diagram Plus, find relevant automotive components and. The present paper focuses on numerical simulations of the air flow including heat transport, thermal radiation and the thermal comfort of passengers in both levels of the ngt cabin. An air flow pattern that travels across the cabin, farthest from the occupants can potentially reduce the transmission risk. Convective heat transfer simulation type is. Car Cabin Air Flow Diagram.
From circuitwiringchaw.z21.web.core.windows.net
Flow Chart Of Air Conditioning System Car Cabin Air Flow Diagram Learn the fundamentals of the car hvac and cabin climate control system. An air flow pattern that travels across the cabin, farthest from the occupants can potentially reduce the transmission risk. The purpose of ventilation air is to keep the car interior fresh, replace stale air, prevent carbon monoxide from the exhaust, and create positive. Plus, find relevant automotive components. Car Cabin Air Flow Diagram.
From www.autozone.com
Learn how to repair an automotive air conditioning system Car Cabin Air Flow Diagram An air flow pattern that travels across the cabin, farthest from the occupants can potentially reduce the transmission risk. Our findings reveal the complex fluid dynamics during everyday. An air flow pattern that travels across the cabin, farthest from the occupants can potentially reduce the transmission risk. Learn the fundamentals of the car hvac and cabin climate control system. Plus,. Car Cabin Air Flow Diagram.
From www.youtube.com
01 Cabin Air Flow YouTube Car Cabin Air Flow Diagram The purpose of ventilation air is to keep the car interior fresh, replace stale air, prevent carbon monoxide from the exhaust, and create positive. Plus, find relevant automotive components and. Our findings reveal the complex fluid dynamics during everyday. And how can you replace the filter if it’s not flowing right? Convective heat transfer simulation type is used to obtain. Car Cabin Air Flow Diagram.
From www.testingautos.com
Car heating system how it works Car Cabin Air Flow Diagram Our findings reveal the complex fluid dynamics during everyday. An air flow pattern that travels across the cabin, farthest from the occupants can potentially reduce the transmission risk. Convective heat transfer simulation type is used to obtain the flow behavior and thermal changes inside a car cabin. Plus, find relevant automotive components and. This project simulates the flow inside a. Car Cabin Air Flow Diagram.
From userlibnicholas.z6.web.core.windows.net
Car Ac Air Flow Diagram Car Cabin Air Flow Diagram The purpose of ventilation air is to keep the car interior fresh, replace stale air, prevent carbon monoxide from the exhaust, and create positive. Plus, find relevant automotive components and. An air flow pattern that travels across the cabin, farthest from the occupants can potentially reduce the transmission risk. The exterior geometry was based on a toyota prius, and we. Car Cabin Air Flow Diagram.
From www.wonderfulandmarvelous.com
Airplane Cabin Air Flow Cabin Photos Collections Car Cabin Air Flow Diagram Our findings reveal the complex fluid dynamics during everyday. Plus, find relevant automotive components and. This project simulates the flow inside a car cabin. An air flow pattern that travels across the cabin, farthest from the occupants can potentially reduce the transmission risk. Convective heat transfer simulation type is used to obtain the flow behavior and thermal changes inside a. Car Cabin Air Flow Diagram.
From fixdiagramleslie.z6.web.core.windows.net
How Does A Car Heating System Work Car Cabin Air Flow Diagram This project simulates the flow inside a car cabin. An air flow pattern that travels across the cabin, farthest from the occupants can potentially reduce the transmission risk. The exterior geometry was based on a toyota prius, and we simulated the flow patterns associated with the. Our findings reveal the complex fluid dynamics during everyday. An air flow pattern that. Car Cabin Air Flow Diagram.
From www.simscale.com
CFD Simulation of Airflow inside a Car Cabin by Ali_Arafat SimScale Car Cabin Air Flow Diagram And how can you replace the filter if it’s not flowing right? The exterior geometry was based on a toyota prius, and we simulated the flow patterns associated with the. This project simulates the flow inside a car cabin. The purpose of ventilation air is to keep the car interior fresh, replace stale air, prevent carbon monoxide from the exhaust,. Car Cabin Air Flow Diagram.
From www.justanswer.com
Kia Mass Air Flow Sensor Location Q&A Guide for 20082016 Kia Models Car Cabin Air Flow Diagram Learn the fundamentals of the car hvac and cabin climate control system. The purpose of ventilation air is to keep the car interior fresh, replace stale air, prevent carbon monoxide from the exhaust, and create positive. And how can you replace the filter if it’s not flowing right? An air flow pattern that travels across the cabin, farthest from the. Car Cabin Air Flow Diagram.
From wrench.com
Everything you Need to Know about your Car's Cabin Airfilter Car Cabin Air Flow Diagram The present paper focuses on numerical simulations of the air flow including heat transport, thermal radiation and the thermal comfort of passengers in both levels of the ngt cabin. The exterior geometry was based on a toyota prius, and we simulated the flow patterns associated with the. Plus, find relevant automotive components and. An air flow pattern that travels across. Car Cabin Air Flow Diagram.
From www.samarins.com
Intake manifold, how it works, problems, replacement cost Car Cabin Air Flow Diagram The purpose of ventilation air is to keep the car interior fresh, replace stale air, prevent carbon monoxide from the exhaust, and create positive. The exterior geometry was based on a toyota prius, and we simulated the flow patterns associated with the. Our findings reveal the complex fluid dynamics during everyday. Our findings reveal the complex fluid dynamics during everyday.. Car Cabin Air Flow Diagram.
From www.theseus-fe.com
Electric Vehicle Thermal Management Simulation Car Cabin Air Flow Diagram An air flow pattern that travels across the cabin, farthest from the occupants can potentially reduce the transmission risk. The exterior geometry was based on a toyota prius, and we simulated the flow patterns associated with the. Learn the fundamentals of the car hvac and cabin climate control system. An air flow pattern that travels across the cabin, farthest from. Car Cabin Air Flow Diagram.