Diagrama Electrico Toyota 22r 84

does anyone have toyota wiring diagrams for an 1984 22r i need ignition switch ones would be helpful any and all pls thx.

22r Diagrama electrico - Free download as PDF File (.pdf), Text File (.txt) or read online for free. The document provides wiring diagrams and component locations for a 1993 Toyota pickup truck. It lists over 50 components and their corresponding figure numbers and locations on wiring diagrams. The wiring diagrams illustrate the electrical circuits for the engine compartment, headlights.

View and Download Toyota 22R-E service manual online. 22R-E engine pdf manual download. Also for: 22r3vz.

22r diagrama powertrain - Free download as PDF File (.pdf), Text File (.txt) or read online for free. The document contains wiring diagrams for a 1993 Toyota truck pickup with a 2.4L engine, including a 3-part engine control wiring diagram, automatic and manual transmission starting and ignition wiring diagrams displayed across 7 pages. The diagrams show the electrical components and wiring.

1984 Toyota Pickup Wiring Diagrams - Wiring Diagram

1984 Toyota Pickup Wiring Diagrams - Wiring Diagram

84 22r Wiring Diagram Schematic For anyone who is an auto proprietor, you'll delight in incredible benefits by making use of a 84 22r Wiring Diagram Schematic diagram. When you need to alter the 84 22r Wiring Diagram Schematic, an accurate diagram for your car or truck is a must-have. The Benefits.

my brother has a carb'ed 85 yota and the wiring harness is a major rat nest. i'm going to rewire it for him, but would like to have a basic idea of what is needed to make it run. it has no lights at all on it, so all it needs to do is run.

View and Download Toyota 22R-E service manual online. 22R-E engine pdf manual download. Also for: 22r3vz.

does anyone have toyota wiring diagrams for an 1984 22r i need ignition switch ones would be helpful any and all pls thx.

Toyota Diagramas Esquemas

toyota Diagramas Esquemas

View and Download Toyota 22R-E service manual online. 22R-E engine pdf manual download. Also for: 22r3vz.

84 22r Wiring Diagram Schematic For anyone who is an auto proprietor, you'll delight in incredible benefits by making use of a 84 22r Wiring Diagram Schematic diagram. When you need to alter the 84 22r Wiring Diagram Schematic, an accurate diagram for your car or truck is a must-have. The Benefits.

22r diagrama powertrain - Free download as PDF File (.pdf), Text File (.txt) or read online for free. The document contains wiring diagrams for a 1993 Toyota truck pickup with a 2.4L engine, including a 3-part engine control wiring diagram, automatic and manual transmission starting and ignition wiring diagrams displayed across 7 pages. The diagrams show the electrical components and wiring.

my brother has a carb'ed 85 yota and the wiring harness is a major rat nest. i'm going to rewire it for him, but would like to have a basic idea of what is needed to make it run. it has no lights at all on it, so all it needs to do is run.

Diagrama De Motor 22r Toyota 22r Diagrama Motor

Diagrama De Motor 22r Toyota 22r Diagrama Motor

my brother has a carb'ed 85 yota and the wiring harness is a major rat nest. i'm going to rewire it for him, but would like to have a basic idea of what is needed to make it run. it has no lights at all on it, so all it needs to do is run.

View and Download Toyota 22R-E service manual online. 22R-E engine pdf manual download. Also for: 22r3vz.

22r diagrama powertrain - Free download as PDF File (.pdf), Text File (.txt) or read online for free. The document contains wiring diagrams for a 1993 Toyota truck pickup with a 2.4L engine, including a 3-part engine control wiring diagram, automatic and manual transmission starting and ignition wiring diagrams displayed across 7 pages. The diagrams show the electrical components and wiring.

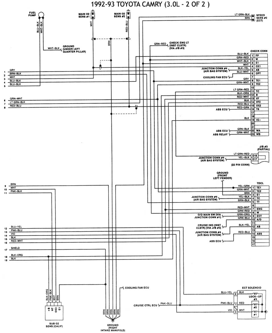
22r Diagrama electrico - Free download as PDF File (.pdf), Text File (.txt) or read online for free. The document provides wiring diagrams and component locations for a 1993 Toyota pickup truck. It lists over 50 components and their corresponding figure numbers and locations on wiring diagrams. The wiring diagrams illustrate the electrical circuits for the engine compartment, headlights.

[DIAGRAM] Toyota Hilux 22r Engine Diagram - MYDIAGRAM.ONLINE

[DIAGRAM] Toyota Hilux 22r Engine Diagram - MYDIAGRAM.ONLINE

22r Diagrama electrico - Free download as PDF File (.pdf), Text File (.txt) or read online for free. The document provides wiring diagrams and component locations for a 1993 Toyota pickup truck. It lists over 50 components and their corresponding figure numbers and locations on wiring diagrams. The wiring diagrams illustrate the electrical circuits for the engine compartment, headlights.

- Fuel Injection - Toyota Pick-ups - Diagramas, Esquemas 1986/93 - Que es un Diagrama?, para que sirve un Diagrama electrico automotriz?. En Mecanica: Podemos describir un Diagrama, como: Grafica que representa la relacion entre los diferentes componentes de un conjunto, o sistema electrico; permitiendonos ubicarlos dentro de un circuito.

84 22r Wiring Diagram Schematic For anyone who is an auto proprietor, you'll delight in incredible benefits by making use of a 84 22r Wiring Diagram Schematic diagram. When you need to alter the 84 22r Wiring Diagram Schematic, an accurate diagram for your car or truck is a must-have. The Benefits.

En este v??deo aprender??s a interpretar los diagramas el??ctricos de un Toyota 22R, a su vez cada uno de los elementos que lo conforman tales c??mo; fusibles, rel?? de luces, mandos de luces.

Diagrama Modulo De Encendido Toyota 22r Toyota No Prende No

Diagrama Modulo De Encendido Toyota 22r Toyota No Prende No

22r diagrama powertrain - Free download as PDF File (.pdf), Text File (.txt) or read online for free. The document contains wiring diagrams for a 1993 Toyota truck pickup with a 2.4L engine, including a 3-part engine control wiring diagram, automatic and manual transmission starting and ignition wiring diagrams displayed across 7 pages. The diagrams show the electrical components and wiring.

- Fuel Injection - Toyota Pick-ups - Diagramas, Esquemas 1986/93 - Que es un Diagrama?, para que sirve un Diagrama electrico automotriz?. En Mecanica: Podemos describir un Diagrama, como: Grafica que representa la relacion entre los diferentes componentes de un conjunto, o sistema electrico; permitiendonos ubicarlos dentro de un circuito.

Descarga el manual de mecanica Toyota 22R Este manual cuenta los datos del fabricante para el diagnostico y reparaci??n.

84 22r Wiring Diagram Schematic For anyone who is an auto proprietor, you'll delight in incredible benefits by making use of a 84 22r Wiring Diagram Schematic diagram. When you need to alter the 84 22r Wiring Diagram Schematic, an accurate diagram for your car or truck is a must-have. The Benefits.

TOYOTA | ESQUEMAS | DIAGRAMAS | GRAPHICS

TOYOTA | ESQUEMAS | DIAGRAMAS | GRAPHICS

Descarga el manual de mecanica Toyota 22R Este manual cuenta los datos del fabricante para el diagnostico y reparaci??n.

22r Diagrama electrico - Free download as PDF File (.pdf), Text File (.txt) or read online for free. The document provides wiring diagrams and component locations for a 1993 Toyota pickup truck. It lists over 50 components and their corresponding figure numbers and locations on wiring diagrams. The wiring diagrams illustrate the electrical circuits for the engine compartment, headlights.

my brother has a carb'ed 85 yota and the wiring harness is a major rat nest. i'm going to rewire it for him, but would like to have a basic idea of what is needed to make it run. it has no lights at all on it, so all it needs to do is run.

View and Download Toyota 22R-E service manual online. 22R-E engine pdf manual download. Also for: 22r3vz.

Diagramas El??ctricos Toyota Hilux 22R-E 1991

Diagramas el??ctricos Toyota Hilux 22R-E 1991

Descarga el manual de mecanica Toyota 22R Este manual cuenta los datos del fabricante para el diagnostico y reparaci??n.

does anyone have toyota wiring diagrams for an 1984 22r i need ignition switch ones would be helpful any and all pls thx.

1985 Toyota Pickup 22r Wiring Diagram form - Electrical 1985 Toyota Pickup 22r Wiring Diagrams can be found in differing kinds including triplex, panel feed, main feeder, single strand and nonmetallic sheathed 1985 Toyota Pickup 22r Wiring Diagrams.

22r diagrama powertrain - Free download as PDF File (.pdf), Text File (.txt) or read online for free. The document contains wiring diagrams for a 1993 Toyota truck pickup with a 2.4L engine, including a 3-part engine control wiring diagram, automatic and manual transmission starting and ignition wiring diagrams displayed across 7 pages. The diagrams show the electrical components and wiring.

TOYOTA | ESQUEMAS | DIAGRAMAS | GRAPHICS

TOYOTA | ESQUEMAS | DIAGRAMAS | GRAPHICS

En este v??deo aprender??s a interpretar los diagramas el??ctricos de un Toyota 22R, a su vez cada uno de los elementos que lo conforman tales c??mo; fusibles, rel?? de luces, mandos de luces.

my brother has a carb'ed 85 yota and the wiring harness is a major rat nest. i'm going to rewire it for him, but would like to have a basic idea of what is needed to make it run. it has no lights at all on it, so all it needs to do is run.

Descarga el manual de mecanica Toyota 22R Este manual cuenta los datos del fabricante para el diagnostico y reparaci??n.

22r Diagrama electrico - Free download as PDF File (.pdf), Text File (.txt) or read online for free. The document provides wiring diagrams and component locations for a 1993 Toyota pickup truck. It lists over 50 components and their corresponding figure numbers and locations on wiring diagrams. The wiring diagrams illustrate the electrical circuits for the engine compartment, headlights.

Diagrama El??ctrico TOYOTA PICKUP 22R 1995???DESCARGA???

Diagrama El??ctrico TOYOTA PICKUP 22R 1995???DESCARGA???

84 22r Wiring Diagram Schematic For anyone who is an auto proprietor, you'll delight in incredible benefits by making use of a 84 22r Wiring Diagram Schematic diagram. When you need to alter the 84 22r Wiring Diagram Schematic, an accurate diagram for your car or truck is a must-have. The Benefits.

22r Diagrama electrico - Free download as PDF File (.pdf), Text File (.txt) or read online for free. The document provides wiring diagrams and component locations for a 1993 Toyota pickup truck. It lists over 50 components and their corresponding figure numbers and locations on wiring diagrams. The wiring diagrams illustrate the electrical circuits for the engine compartment, headlights.

does anyone have toyota wiring diagrams for an 1984 22r i need ignition switch ones would be helpful any and all pls thx.

22r diagrama powertrain - Free download as PDF File (.pdf), Text File (.txt) or read online for free. The document contains wiring diagrams for a 1993 Toyota truck pickup with a 2.4L engine, including a 3-part engine control wiring diagram, automatic and manual transmission starting and ignition wiring diagrams displayed across 7 pages. The diagrams show the electrical components and wiring.

Diagramas El??ctrico TOYOTA PICKUP 1989 | PDF

Diagramas El??ctrico TOYOTA PICKUP 1989 | PDF

84 22r Wiring Diagram Schematic For anyone who is an auto proprietor, you'll delight in incredible benefits by making use of a 84 22r Wiring Diagram Schematic diagram. When you need to alter the 84 22r Wiring Diagram Schematic, an accurate diagram for your car or truck is a must-have. The Benefits.

22r diagrama powertrain - Free download as PDF File (.pdf), Text File (.txt) or read online for free. The document contains wiring diagrams for a 1993 Toyota truck pickup with a 2.4L engine, including a 3-part engine control wiring diagram, automatic and manual transmission starting and ignition wiring diagrams displayed across 7 pages. The diagrams show the electrical components and wiring.

22r Diagrama electrico - Free download as PDF File (.pdf), Text File (.txt) or read online for free. The document provides wiring diagrams and component locations for a 1993 Toyota pickup truck. It lists over 50 components and their corresponding figure numbers and locations on wiring diagrams. The wiring diagrams illustrate the electrical circuits for the engine compartment, headlights.

View and Download Toyota 22R-E service manual online. 22R-E engine pdf manual download. Also for: 22r3vz.

[DIAGRAM] 84 22r Wiring Diagram Schematic - MYDIAGRAM.ONLINE

[DIAGRAM] 84 22r Wiring Diagram Schematic - MYDIAGRAM.ONLINE

En este v??deo aprender??s a interpretar los diagramas el??ctricos de un Toyota 22R, a su vez cada uno de los elementos que lo conforman tales c??mo; fusibles, rel?? de luces, mandos de luces.

22r Diagrama electrico - Free download as PDF File (.pdf), Text File (.txt) or read online for free. The document provides wiring diagrams and component locations for a 1993 Toyota pickup truck. It lists over 50 components and their corresponding figure numbers and locations on wiring diagrams. The wiring diagrams illustrate the electrical circuits for the engine compartment, headlights.

my brother has a carb'ed 85 yota and the wiring harness is a major rat nest. i'm going to rewire it for him, but would like to have a basic idea of what is needed to make it run. it has no lights at all on it, so all it needs to do is run.

- Fuel Injection - Toyota Pick-ups - Diagramas, Esquemas 1986/93 - Que es un Diagrama?, para que sirve un Diagrama electrico automotriz?. En Mecanica: Podemos describir un Diagrama, como: Grafica que representa la relacion entre los diferentes componentes de un conjunto, o sistema electrico; permitiendonos ubicarlos dentro de un circuito.

Diagrama Electrico Toyota 22r-e Motor L4(2.4 L) | MercadoLibre

Diagrama Electrico Toyota 22r-e Motor L4(2.4 L) | MercadoLibre

View and Download Toyota 22R-E service manual online. 22R-E engine pdf manual download. Also for: 22r3vz.

my brother has a carb'ed 85 yota and the wiring harness is a major rat nest. i'm going to rewire it for him, but would like to have a basic idea of what is needed to make it run. it has no lights at all on it, so all it needs to do is run.

does anyone have toyota wiring diagrams for an 1984 22r i need ignition switch ones would be helpful any and all pls thx.

- Fuel Injection - Toyota Pick-ups - Diagramas, Esquemas 1986/93 - Que es un Diagrama?, para que sirve un Diagrama electrico automotriz?. En Mecanica: Podemos describir un Diagrama, como: Grafica que representa la relacion entre los diferentes componentes de un conjunto, o sistema electrico; permitiendonos ubicarlos dentro de un circuito.

my brother has a carb'ed 85 yota and the wiring harness is a major rat nest. i'm going to rewire it for him, but would like to have a basic idea of what is needed to make it run. it has no lights at all on it, so all it needs to do is run.

84 22r Wiring Diagram Schematic For anyone who is an auto proprietor, you'll delight in incredible benefits by making use of a 84 22r Wiring Diagram Schematic diagram. When you need to alter the 84 22r Wiring Diagram Schematic, an accurate diagram for your car or truck is a must-have. The Benefits.

En este v??deo aprender??s a interpretar los diagramas el??ctricos de un Toyota 22R, a su vez cada uno de los elementos que lo conforman tales c??mo; fusibles, rel?? de luces, mandos de luces.

does anyone have toyota wiring diagrams for an 1984 22r i need ignition switch ones would be helpful any and all pls thx.

22r diagrama powertrain - Free download as PDF File (.pdf), Text File (.txt) or read online for free. The document contains wiring diagrams for a 1993 Toyota truck pickup with a 2.4L engine, including a 3-part engine control wiring diagram, automatic and manual transmission starting and ignition wiring diagrams displayed across 7 pages. The diagrams show the electrical components and wiring.

View and Download Toyota 22R-E service manual online. 22R-E engine pdf manual download. Also for: 22r3vz.

Descarga el manual de mecanica Toyota 22R Este manual cuenta los datos del fabricante para el diagnostico y reparaci??n.

- Fuel Injection - Toyota Pick-ups - Diagramas, Esquemas 1986/93 - Que es un Diagrama?, para que sirve un Diagrama electrico automotriz?. En Mecanica: Podemos describir un Diagrama, como: Grafica que representa la relacion entre los diferentes componentes de un conjunto, o sistema electrico; permitiendonos ubicarlos dentro de un circuito.

22r Diagrama electrico - Free download as PDF File (.pdf), Text File (.txt) or read online for free. The document provides wiring diagrams and component locations for a 1993 Toyota pickup truck. It lists over 50 components and their corresponding figure numbers and locations on wiring diagrams. The wiring diagrams illustrate the electrical circuits for the engine compartment, headlights.

1985 Toyota Pickup 22r Wiring Diagram form - Electrical 1985 Toyota Pickup 22r Wiring Diagrams can be found in differing kinds including triplex, panel feed, main feeder, single strand and nonmetallic sheathed 1985 Toyota Pickup 22r Wiring Diagrams.


Related Posts
Load Site Average 0,422 sec