1984 F150 Duraspark Wiring Diagram . The illustrated guide to the 1984 ford f150 wiring schematic makes understanding and working with the electrical components of this classic pickup easier than ever before. Learn about ford duraspark wiring and how to install it in your vehicle.
1984 F150 Wiring Diagram vrogue.co from www.vrogue.co
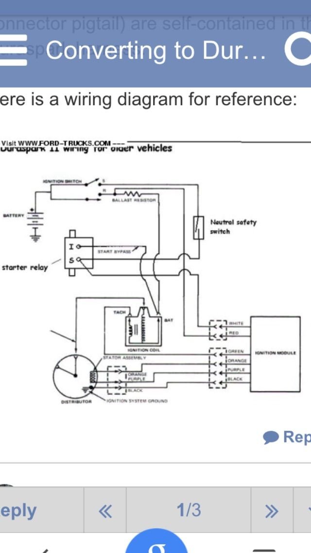
The diagram explains the wiring for the. Find a comprehensive wiring diagram for a 1984 ford f150 to help with your electrical troubleshooting and repairs. Get the complete wiring diagram for the ignition system of a 1984 ford f150 truck.
-->
1984 F150 Wiring Diagram vrogue.co
Find a duraspark wiring diagram for your vehicle's ignition system. Find a duraspark wiring diagram for your vehicle's ignition system. The illustrated guide to the 1984 ford f150 wiring schematic makes understanding and working with the electrical components of this classic pickup easier than ever before. Follow this guide for troubleshooting and repairs.
-->
Source: eleccircs.com
1984 F150 Duraspark Wiring Diagram - The illustrated guide to the 1984 ford f150 wiring schematic makes understanding and working with the electrical components of this classic pickup easier than ever before. Get the complete wiring diagram for the ignition system of a 1984 ford f150 truck. Find a comprehensive wiring diagram for a 1984 ford f150 to help with your electrical troubleshooting and repairs. The.
Source: userdiagramwirtz.z19.web.core.windows.net
1984 F150 Duraspark Wiring Diagram - Find a comprehensive wiring diagram for a 1984 ford f150 to help with your electrical troubleshooting and repairs. Learn about ford duraspark wiring and how to install it in your vehicle. The diagram explains the wiring for the. The illustrated guide to the 1984 ford f150 wiring schematic makes understanding and working with the electrical components of this classic pickup.
Source: guidelibraryelena.z22.web.core.windows.net
1984 F150 Duraspark Wiring Diagram - Get the complete wiring diagram for the ignition system of a 1984 ford f150 truck. Follow this guide for troubleshooting and repairs. The diagram explains the wiring for the. The illustrated guide to the 1984 ford f150 wiring schematic makes understanding and working with the electrical components of this classic pickup easier than ever before. Learn about ford duraspark wiring.
Source: wiringdiagram.2bitboer.com
1984 F150 Duraspark Wiring Diagram - Find a duraspark wiring diagram for your vehicle's ignition system. Get the complete wiring diagram for the ignition system of a 1984 ford f150 truck. Learn about ford duraspark wiring and how to install it in your vehicle. Find a comprehensive wiring diagram for a 1984 ford f150 to help with your electrical troubleshooting and repairs. The illustrated guide to.
Source: eleccircs.com
1984 F150 Duraspark Wiring Diagram - Find a comprehensive wiring diagram for a 1984 ford f150 to help with your electrical troubleshooting and repairs. Find a duraspark wiring diagram for your vehicle's ignition system. Get the complete wiring diagram for the ignition system of a 1984 ford f150 truck. Learn about ford duraspark wiring and how to install it in your vehicle. The diagram explains the.
Source: diagramweb.net
1984 F150 Duraspark Wiring Diagram - Follow this guide for troubleshooting and repairs. Get the complete wiring diagram for the ignition system of a 1984 ford f150 truck. Find a comprehensive wiring diagram for a 1984 ford f150 to help with your electrical troubleshooting and repairs. Find a duraspark wiring diagram for your vehicle's ignition system. The illustrated guide to the 1984 ford f150 wiring schematic.
Source: schematicmagdelone39.z21.web.core.windows.net
1984 F150 Duraspark Wiring Diagram - Get the complete wiring diagram for the ignition system of a 1984 ford f150 truck. The diagram explains the wiring for the. The illustrated guide to the 1984 ford f150 wiring schematic makes understanding and working with the electrical components of this classic pickup easier than ever before. Find a duraspark wiring diagram for your vehicle's ignition system. Learn about.
Source: schematicistopilojr.z21.web.core.windows.net
1984 F150 Duraspark Wiring Diagram - Find a comprehensive wiring diagram for a 1984 ford f150 to help with your electrical troubleshooting and repairs. Get the complete wiring diagram for the ignition system of a 1984 ford f150 truck. Learn about ford duraspark wiring and how to install it in your vehicle. Find a duraspark wiring diagram for your vehicle's ignition system. The illustrated guide to.
Source: aguntamajaya.blogspot.com
1984 F150 Duraspark Wiring Diagram - Follow this guide for troubleshooting and repairs. Find a duraspark wiring diagram for your vehicle's ignition system. Find a comprehensive wiring diagram for a 1984 ford f150 to help with your electrical troubleshooting and repairs. The diagram explains the wiring for the. Get the complete wiring diagram for the ignition system of a 1984 ford f150 truck.
Source: 2020cadillac.com
1984 F150 Duraspark Wiring Diagram - The illustrated guide to the 1984 ford f150 wiring schematic makes understanding and working with the electrical components of this classic pickup easier than ever before. The diagram explains the wiring for the. Find a duraspark wiring diagram for your vehicle's ignition system. Find a comprehensive wiring diagram for a 1984 ford f150 to help with your electrical troubleshooting and.
Source: guidedehartrigwiddies.z21.web.core.windows.net
1984 F150 Duraspark Wiring Diagram - Find a duraspark wiring diagram for your vehicle's ignition system. Get the complete wiring diagram for the ignition system of a 1984 ford f150 truck. Learn about ford duraspark wiring and how to install it in your vehicle. Find a comprehensive wiring diagram for a 1984 ford f150 to help with your electrical troubleshooting and repairs. The diagram explains the.
Source: schematicdatacurers55.z22.web.core.windows.net
1984 F150 Duraspark Wiring Diagram - Learn about ford duraspark wiring and how to install it in your vehicle. Follow this guide for troubleshooting and repairs. The illustrated guide to the 1984 ford f150 wiring schematic makes understanding and working with the electrical components of this classic pickup easier than ever before. Get the complete wiring diagram for the ignition system of a 1984 ford f150.
Source: www.ford-trucks.com
1984 F150 Duraspark Wiring Diagram - Follow this guide for troubleshooting and repairs. Learn about ford duraspark wiring and how to install it in your vehicle. Get the complete wiring diagram for the ignition system of a 1984 ford f150 truck. Find a comprehensive wiring diagram for a 1984 ford f150 to help with your electrical troubleshooting and repairs. Find a duraspark wiring diagram for your.
Source: userdiagramforsyth.z21.web.core.windows.net
1984 F150 Duraspark Wiring Diagram - Follow this guide for troubleshooting and repairs. Find a duraspark wiring diagram for your vehicle's ignition system. The illustrated guide to the 1984 ford f150 wiring schematic makes understanding and working with the electrical components of this classic pickup easier than ever before. Find a comprehensive wiring diagram for a 1984 ford f150 to help with your electrical troubleshooting and.
Source: schematicdbkasey.z21.web.core.windows.net
1984 F150 Duraspark Wiring Diagram - Follow this guide for troubleshooting and repairs. Find a comprehensive wiring diagram for a 1984 ford f150 to help with your electrical troubleshooting and repairs. The illustrated guide to the 1984 ford f150 wiring schematic makes understanding and working with the electrical components of this classic pickup easier than ever before. The diagram explains the wiring for the. Get the.
Source: wiringpictures.net
1984 F150 Duraspark Wiring Diagram - Get the complete wiring diagram for the ignition system of a 1984 ford f150 truck. Learn about ford duraspark wiring and how to install it in your vehicle. Find a comprehensive wiring diagram for a 1984 ford f150 to help with your electrical troubleshooting and repairs. Find a duraspark wiring diagram for your vehicle's ignition system. Follow this guide for.
Source: www.chanish.org
1984 F150 Duraspark Wiring Diagram - Get the complete wiring diagram for the ignition system of a 1984 ford f150 truck. The illustrated guide to the 1984 ford f150 wiring schematic makes understanding and working with the electrical components of this classic pickup easier than ever before. Follow this guide for troubleshooting and repairs. Find a comprehensive wiring diagram for a 1984 ford f150 to help.
Source: wiringdiagram.2bitboer.com
1984 F150 Duraspark Wiring Diagram - Follow this guide for troubleshooting and repairs. Learn about ford duraspark wiring and how to install it in your vehicle. Find a duraspark wiring diagram for your vehicle's ignition system. The diagram explains the wiring for the. The illustrated guide to the 1984 ford f150 wiring schematic makes understanding and working with the electrical components of this classic pickup easier.