Acura Micu Unit . Ship fast and save more on acurapartswarehouse.com. Shop oem acura body control modules at wholesale prices.
2010 Honda CRV MICU module replacement and programming YouTube from www.youtube.com
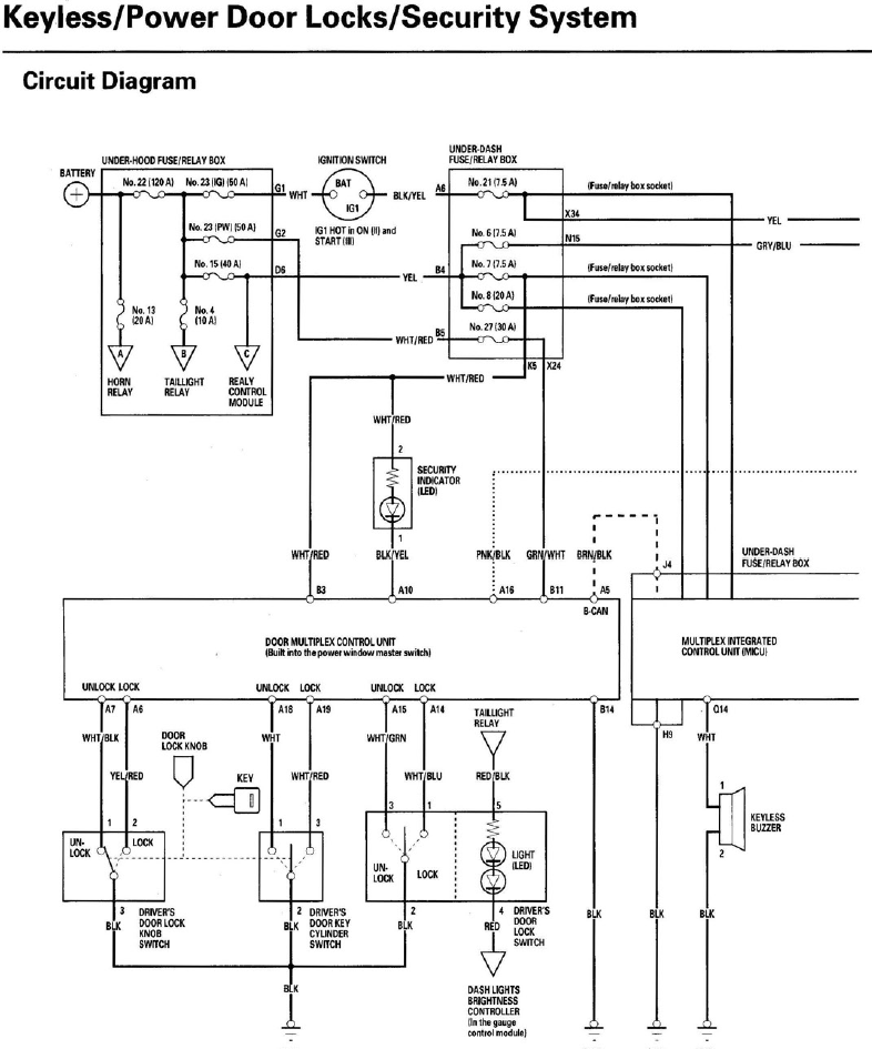
The u1291 diagnostic trouble code (dtc) for acura. Get complete obdii diagnostics, repair solutions, and cost estimates, plus ai chat support on demand. Check relay control module, harness, and rear micu for faults.
-->
2010 Honda CRV MICU module replacement and programming YouTube
To resolve obd code u1291 in an acura: To resolve obd code u1291 in an acura: Micu doesn't control the power windows, the door mulltiplex control unit in the driver's door does that. Backed by acura's warranty, body control modules restore factory performance.
-->
Source: acurazine.com
Acura Micu Unit - The u1291 diagnostic trouble code (dtc) for acura. Check relay control module, harness, and rear micu for faults. If your car doesn't start after the micu (multiplex control unit) replacement this video will show you the way to marry it to your vehicle without expensive. Micu doesn't control the power windows, the door mulltiplex control unit in the driver's door.
Source: www.odyclub.com
Acura Micu Unit - If your car doesn't start after the micu (multiplex control unit) replacement this video will show you the way to marry it to your vehicle without expensive. The u1291 diagnostic trouble code (dtc) for acura. Backed by acura's warranty, body control modules restore factory performance. Check relay control module, harness, and rear micu for faults. Ship fast and save more.
Source: www.youtube.com
Acura Micu Unit - Ship fast and save more on acurapartswarehouse.com. Inspect wiring, connectors, and pins for. Learn what micu lost communication with the door multiplex control unit means, location and how to repair. Check relay control module, harness, and rear micu for faults. Shop oem acura body control modules at wholesale prices.
Source: www.youtube.com
Acura Micu Unit - The document describes the multiplex integrated control system for the 2004 acura tsx. To resolve obd code u1291 in an acura: If your car doesn't start after the micu (multiplex control unit) replacement this video will show you the way to marry it to your vehicle without expensive. Get complete obdii diagnostics, repair solutions, and cost estimates, plus ai chat.
Source: www.reddit.com
Acura Micu Unit - Shop oem acura body control modules at wholesale prices. The document describes the multiplex integrated control system for the 2004 acura tsx. Check relay control module, harness, and rear micu for faults. The u1291 diagnostic trouble code (dtc) for acura. The power window relay is part of the micu, but everything smart is in the door, located under the power.
Source: acurazine.com
Acura Micu Unit - Learn what micu lost communication with the door multiplex control unit means, location and how to repair. To resolve obd code u1291 in an acura: The power window relay is part of the micu, but everything smart is in the door, located under the power window switches. Ship fast and save more on acurapartswarehouse.com. Check relay control module, harness, and.
Source: pinoutguide.com
Acura Micu Unit - If your car doesn't start after the micu (multiplex control unit) replacement this video will show you the way to marry it to your vehicle without expensive. The power window relay is part of the micu, but everything smart is in the door, located under the power window switches. Inspect wiring, connectors, and pins for. Backed by acura's warranty, body.
Source: www.youtube.com
Acura Micu Unit - Get complete obdii diagnostics, repair solutions, and cost estimates, plus ai chat support on demand. The power window relay is part of the micu, but everything smart is in the door, located under the power window switches. Ship fast and save more on acurapartswarehouse.com. Inspect wiring, connectors, and pins for. The u1291 diagnostic trouble code (dtc) for acura.
Source: www.youtube.com
Acura Micu Unit - The document describes the multiplex integrated control system for the 2004 acura tsx. Micu doesn't control the power windows, the door mulltiplex control unit in the driver's door does that. To resolve obd code u1291 in an acura: Get complete obdii diagnostics, repair solutions, and cost estimates, plus ai chat support on demand. Ship fast and save more on acurapartswarehouse.com.
Source: www.youtube.com
Acura Micu Unit - The document describes the multiplex integrated control system for the 2004 acura tsx. The u1291 diagnostic trouble code (dtc) for acura. Backed by acura's warranty, body control modules restore factory performance. Get complete obdii diagnostics, repair solutions, and cost estimates, plus ai chat support on demand. Micu doesn't control the power windows, the door mulltiplex control unit in the driver's.
Source: acurazine.com
Acura Micu Unit - To resolve obd code u1291 in an acura: Check relay control module, harness, and rear micu for faults. If your car doesn't start after the micu (multiplex control unit) replacement this video will show you the way to marry it to your vehicle without expensive. Micu doesn't control the power windows, the door mulltiplex control unit in the driver's door.
Source: www.justanswer.com
Acura Micu Unit - The document describes the multiplex integrated control system for the 2004 acura tsx. Backed by acura's warranty, body control modules restore factory performance. Inspect wiring, connectors, and pins for. Learn what micu lost communication with the door multiplex control unit means, location and how to repair. To resolve obd code u1291 in an acura:
Source: www.grupopremo.com
Acura Micu Unit - If your car doesn't start after the micu (multiplex control unit) replacement this video will show you the way to marry it to your vehicle without expensive. To resolve obd code u1291 in an acura: Shop oem acura body control modules at wholesale prices. Check relay control module, harness, and rear micu for faults. Get complete obdii diagnostics, repair solutions,.
Source: zinref.ru
Acura Micu Unit - If your car doesn't start after the micu (multiplex control unit) replacement this video will show you the way to marry it to your vehicle without expensive. Backed by acura's warranty, body control modules restore factory performance. Shop oem acura body control modules at wholesale prices. To resolve obd code u1291 in an acura: Micu doesn't control the power windows,.
Source: acurazine.com
Acura Micu Unit - The u1291 diagnostic trouble code (dtc) for acura. The document describes the multiplex integrated control system for the 2004 acura tsx. Ship fast and save more on acurapartswarehouse.com. Backed by acura's warranty, body control modules restore factory performance. Micu doesn't control the power windows, the door mulltiplex control unit in the driver's door does that.
Source: www.autogenius.info
Acura Micu Unit - The u1291 diagnostic trouble code (dtc) for acura. Inspect wiring, connectors, and pins for. The power window relay is part of the micu, but everything smart is in the door, located under the power window switches. If your car doesn't start after the micu (multiplex control unit) replacement this video will show you the way to marry it to your.
Source: www.grupopremo.com
Acura Micu Unit - Backed by acura's warranty, body control modules restore factory performance. Check relay control module, harness, and rear micu for faults. If your car doesn't start after the micu (multiplex control unit) replacement this video will show you the way to marry it to your vehicle without expensive. To resolve obd code u1291 in an acura: Learn what micu lost communication.
Source: www.spitzeracura.com
Acura Micu Unit - Ship fast and save more on acurapartswarehouse.com. Micu doesn't control the power windows, the door mulltiplex control unit in the driver's door does that. If your car doesn't start after the micu (multiplex control unit) replacement this video will show you the way to marry it to your vehicle without expensive. Check relay control module, harness, and rear micu for.