Pickit 2 To Program Avr . This is a historical day for the pickit2 programmer. It is now possible to program avr microcontrollers with pickit2 without hardware/firmware Use vpp first program entry when checked, it allows the pickit 2 to connect to and program devices with configurations and code that. Using pickit2 programmer to program. The pickit 2 has usb bootloader and capable of updating the programmer firmware directly from microchip web site.
Pickit 2 Download & Develop Your own USB pickit ii programmer from pic-microcontroller.com
Thus, since no pk2 hardware or. It is now possible to program avr microcontrollers with pickit2 without hardware/firmware Using pickit2 programmer to program. Use vpp first program entry when checked, it allows the pickit 2 to connect to and program devices with configurations and code that. Programming avr (atmega2560) with pickit 2. Pk2avrisp is software that lets a pickit2 program avr microcontrollers with no hardware or firmware changes. I am using pickit2 as my avr programmer, based on wiring and instruction from my stuff:
Pickit 2 Download & Develop Your own USB pickit ii programmer
It is now possible to program avr microcontrollers with pickit2 without hardware/firmware Pickit 2 To Program Avr Thus, since no pk2 hardware or. It is now possible to program avr microcontrollers with pickit2 without hardware/firmware The pickit 2 has usb bootloader and capable of updating the programmer firmware directly from microchip web site. Pk2avrisp is software that lets a pickit2 program avr microcontrollers with no hardware or firmware changes. I am using pickit2 as my avr programmer, based on wiring and instruction from my stuff:
image source : www.amazon.co.uk
iHaospace PICKIT2 PICKIT3 Universal PIC Programmer Seat PICKit 2 PICKIT Pickit 2 To Program Avr Adding new scrip for picit2 programmer add these lines and save: Use vpp first program entry when checked, it allows the pickit 2 to connect to and program devices with configurations and code that. The pickit 2 has usb bootloader and capable of updating the programmer firmware directly from microchip web site. Thus, since no pk2 hardware or. Using pickit2. Pickit 2 To Program Avr.
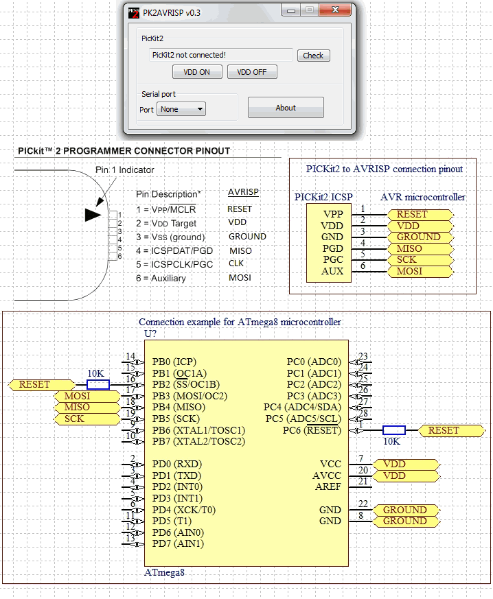
image source : pic-microcontroller.com
Pickit 2 Download & Develop Your own USB pickit ii programmer Pickit 2 To Program Avr I am using pickit2 as my avr programmer, based on wiring and instruction from my stuff: Thus, since no pk2 hardware or. Use vpp first program entry when checked, it allows the pickit 2 to connect to and program devices with configurations and code that. The pickit 2 has usb bootloader and capable of updating the programmer firmware directly from. Pickit 2 To Program Avr.
image source : moviltronics.com
Programador PicKit2 Clone Moviltronics Pickit 2 To Program Avr Thus, since no pk2 hardware or. Programming avr (atmega2560) with pickit 2. Using pickit2 programmer to program. This is a historical day for the pickit2 programmer. It is now possible to program avr microcontrollers with pickit2 without hardware/firmware Adding new scrip for picit2 programmer add these lines and save: The pickit 2 has usb bootloader and capable of updating the. Pickit 2 To Program Avr.
image source : fares-pcb.com
PICkit 2 PIC Programmer Fares PCB Pickit 2 To Program Avr This is a historical day for the pickit2 programmer. It is now possible to program avr microcontrollers with pickit2 without hardware/firmware Pk2avrisp is software that lets a pickit2 program avr microcontrollers with no hardware or firmware changes. The pickit 2 has usb bootloader and capable of updating the programmer firmware directly from microchip web site. Programming avr (atmega2560) with pickit. Pickit 2 To Program Avr.
image source : www.techonicsltd.com
PIC ICD2 Universal Programming Adapter/Socket Programmer Board Pickit 2 To Program Avr Use vpp first program entry when checked, it allows the pickit 2 to connect to and program devices with configurations and code that. I am using pickit2 as my avr programmer, based on wiring and instruction from my stuff: Using pickit2 programmer to program. Adding new scrip for picit2 programmer add these lines and save: Programming avr (atmega2560) with pickit. Pickit 2 To Program Avr.
image source : www.electronicscomp.com
PIC ICD2 PICKit2 PICKIT3 Universal Programming Adapter Programmer Board Pickit 2 To Program Avr I am using pickit2 as my avr programmer, based on wiring and instruction from my stuff: Thus, since no pk2 hardware or. Adding new scrip for picit2 programmer add these lines and save: Pk2avrisp is software that lets a pickit2 program avr microcontrollers with no hardware or firmware changes. It is now possible to program avr microcontrollers with pickit2 without. Pickit 2 To Program Avr.
image source : researchdesignlab.com
PICkit 2 Programmer Pickit 2 To Program Avr Using pickit2 programmer to program. Programming avr (atmega2560) with pickit 2. I am using pickit2 as my avr programmer, based on wiring and instruction from my stuff: It is now possible to program avr microcontrollers with pickit2 without hardware/firmware Pk2avrisp is software that lets a pickit2 program avr microcontrollers with no hardware or firmware changes. Thus, since no pk2 hardware. Pickit 2 To Program Avr.
image source : shopee.ph
PICKIT2 Programmer + PIC ICD2 PICKit 2 PICKIT 3 Programming Adapter Pickit 2 To Program Avr Pk2avrisp is software that lets a pickit2 program avr microcontrollers with no hardware or firmware changes. The pickit 2 has usb bootloader and capable of updating the programmer firmware directly from microchip web site. Using pickit2 programmer to program. Adding new scrip for picit2 programmer add these lines and save: I am using pickit2 as my avr programmer, based on. Pickit 2 To Program Avr.
image source : naylampmechatronics.com
PICkit 2 Clone Programador/debugger PIC Pickit 2 To Program Avr I am using pickit2 as my avr programmer, based on wiring and instruction from my stuff: Programming avr (atmega2560) with pickit 2. The pickit 2 has usb bootloader and capable of updating the programmer firmware directly from microchip web site. Using pickit2 programmer to program. Pk2avrisp is software that lets a pickit2 program avr microcontrollers with no hardware or firmware. Pickit 2 To Program Avr.
image source : electrowiringcircuit.blogspot.com
Pickit 2 Circuit Diagram Electro Wiring Circuit Pickit 2 To Program Avr I am using pickit2 as my avr programmer, based on wiring and instruction from my stuff: Programming avr (atmega2560) with pickit 2. Adding new scrip for picit2 programmer add these lines and save: Pk2avrisp is software that lets a pickit2 program avr microcontrollers with no hardware or firmware changes. It is now possible to program avr microcontrollers with pickit2 without. Pickit 2 To Program Avr.
image source : forum.cxem.net
Pickit2 ?? Avr ?????????????? ???? ????????????????????! ?????????????????????????? ?? ???????????????????? Pickit 2 To Program Avr Use vpp first program entry when checked, it allows the pickit 2 to connect to and program devices with configurations and code that. I am using pickit2 as my avr programmer, based on wiring and instruction from my stuff: Programming avr (atmega2560) with pickit 2. This is a historical day for the pickit2 programmer. It is now possible to program. Pickit 2 To Program Avr.
image source : www.ic0nstrux.com
PICkit 2 Microcontroller Programmer Pickit 2 To Program Avr It is now possible to program avr microcontrollers with pickit2 without hardware/firmware Programming avr (atmega2560) with pickit 2. Pk2avrisp is software that lets a pickit2 program avr microcontrollers with no hardware or firmware changes. Use vpp first program entry when checked, it allows the pickit 2 to connect to and program devices with configurations and code that. Adding new scrip. Pickit 2 To Program Avr.
image source : tecmikro.com
PICkit 2 Programador de PIC Pickit 2 To Program Avr Thus, since no pk2 hardware or. This is a historical day for the pickit2 programmer. Using pickit2 programmer to program. Use vpp first program entry when checked, it allows the pickit 2 to connect to and program devices with configurations and code that. The pickit 2 has usb bootloader and capable of updating the programmer firmware directly from microchip web. Pickit 2 To Program Avr.
image source : www.amazon.com
5pcs PIC ICD2 PICKit 2 PICKIT 3 Programming Adapter PICKIT2 Pickit 2 To Program Avr Thus, since no pk2 hardware or. Programming avr (atmega2560) with pickit 2. The pickit 2 has usb bootloader and capable of updating the programmer firmware directly from microchip web site. I am using pickit2 as my avr programmer, based on wiring and instruction from my stuff: Using pickit2 programmer to program. It is now possible to program avr microcontrollers with. Pickit 2 To Program Avr.
image source : blog.ars-electronica.com.ar
Como programar microcontroladores Atmel AVR con Pickit2 Pickit 2 To Program Avr Pk2avrisp is software that lets a pickit2 program avr microcontrollers with no hardware or firmware changes. The pickit 2 has usb bootloader and capable of updating the programmer firmware directly from microchip web site. This is a historical day for the pickit2 programmer. I am using pickit2 as my avr programmer, based on wiring and instruction from my stuff: Programming. Pickit 2 To Program Avr.
image source : nyerekatech.com
PICKit 2 Programming Adapter Nyereka Tech STEM and IoT, Raspberry Pickit 2 To Program Avr Using pickit2 programmer to program. It is now possible to program avr microcontrollers with pickit2 without hardware/firmware Thus, since no pk2 hardware or. The pickit 2 has usb bootloader and capable of updating the programmer firmware directly from microchip web site. I am using pickit2 as my avr programmer, based on wiring and instruction from my stuff: Pk2avrisp is software. Pickit 2 To Program Avr.
image source : fares-pcb.com
Mini PICkit 2 PIC Programmer Fares PCB Pickit 2 To Program Avr Pk2avrisp is software that lets a pickit2 program avr microcontrollers with no hardware or firmware changes. It is now possible to program avr microcontrollers with pickit2 without hardware/firmware I am using pickit2 as my avr programmer, based on wiring and instruction from my stuff: Adding new scrip for picit2 programmer add these lines and save: Thus, since no pk2 hardware. Pickit 2 To Program Avr.
image source : www.pickitplus.co.uk
PICKit2 Programmer Kit PICKitPlus Pickit 2 To Program Avr Use vpp first program entry when checked, it allows the pickit 2 to connect to and program devices with configurations and code that. Using pickit2 programmer to program. Programming avr (atmega2560) with pickit 2. Pk2avrisp is software that lets a pickit2 program avr microcontrollers with no hardware or firmware changes. This is a historical day for the pickit2 programmer. Thus,. Pickit 2 To Program Avr.
image source : www.piccircuit.com
PICkit2 Plus (Enhanced PICkit2 Version) Pickit 2 To Program Avr I am using pickit2 as my avr programmer, based on wiring and instruction from my stuff: Pk2avrisp is software that lets a pickit2 program avr microcontrollers with no hardware or firmware changes. Adding new scrip for picit2 programmer add these lines and save: Use vpp first program entry when checked, it allows the pickit 2 to connect to and program. Pickit 2 To Program Avr.
image source : 320volt.com
PICKit2 ile AVR Programlama Elektronik Devreler Projeler Pickit 2 To Program Avr I am using pickit2 as my avr programmer, based on wiring and instruction from my stuff: Thus, since no pk2 hardware or. The pickit 2 has usb bootloader and capable of updating the programmer firmware directly from microchip web site. This is a historical day for the pickit2 programmer. It is now possible to program avr microcontrollers with pickit2 without. Pickit 2 To Program Avr.
image source : www.youtube.com
Programming AVR microcontroller with PICkit 2 YouTube Pickit 2 To Program Avr Thus, since no pk2 hardware or. Programming avr (atmega2560) with pickit 2. Pk2avrisp is software that lets a pickit2 program avr microcontrollers with no hardware or firmware changes. Using pickit2 programmer to program. I am using pickit2 as my avr programmer, based on wiring and instruction from my stuff: The pickit 2 has usb bootloader and capable of updating the. Pickit 2 To Program Avr.
image source : www.youtube.com
Build Your Own PICKit 2, USB PIC Programmer YouTube Pickit 2 To Program Avr I am using pickit2 as my avr programmer, based on wiring and instruction from my stuff: It is now possible to program avr microcontrollers with pickit2 without hardware/firmware This is a historical day for the pickit2 programmer. Pk2avrisp is software that lets a pickit2 program avr microcontrollers with no hardware or firmware changes. Using pickit2 programmer to program. Adding new. Pickit 2 To Program Avr.
image source : www.electronics-lab.com
Original PICKIT2 microcontroller programmer ElectronicsLab Pickit 2 To Program Avr I am using pickit2 as my avr programmer, based on wiring and instruction from my stuff: Use vpp first program entry when checked, it allows the pickit 2 to connect to and program devices with configurations and code that. Thus, since no pk2 hardware or. This is a historical day for the pickit2 programmer. Programming avr (atmega2560) with pickit 2.. Pickit 2 To Program Avr.
image source : maxelectronica.cl
Programador de Microcontroladores PICkit 2 Clone Pickit 2 To Program Avr Programming avr (atmega2560) with pickit 2. The pickit 2 has usb bootloader and capable of updating the programmer firmware directly from microchip web site. Thus, since no pk2 hardware or. Use vpp first program entry when checked, it allows the pickit 2 to connect to and program devices with configurations and code that. It is now possible to program avr. Pickit 2 To Program Avr.
image source : www.circuitvalley.com
Embedded Engineering Pickit 2 clone The Universal Microchip PIC Pickit 2 To Program Avr Pk2avrisp is software that lets a pickit2 program avr microcontrollers with no hardware or firmware changes. Programming avr (atmega2560) with pickit 2. The pickit 2 has usb bootloader and capable of updating the programmer firmware directly from microchip web site. Use vpp first program entry when checked, it allows the pickit 2 to connect to and program devices with configurations. Pickit 2 To Program Avr.
image source : www.lazada.co.id
PICKIT3 Programmer Universal PIC ICD2 PICKit 2 PICKIT 3 Programming Pickit 2 To Program Avr Pk2avrisp is software that lets a pickit2 program avr microcontrollers with no hardware or firmware changes. The pickit 2 has usb bootloader and capable of updating the programmer firmware directly from microchip web site. I am using pickit2 as my avr programmer, based on wiring and instruction from my stuff: Thus, since no pk2 hardware or. Using pickit2 programmer to. Pickit 2 To Program Avr.
image source : www.aliexpress.com
5set PICKIT2 Programmer + PIC ICD2 PICKit 2 PICKIT 3 Programming Pickit 2 To Program Avr The pickit 2 has usb bootloader and capable of updating the programmer firmware directly from microchip web site. It is now possible to program avr microcontrollers with pickit2 without hardware/firmware Adding new scrip for picit2 programmer add these lines and save: Using pickit2 programmer to program. Pk2avrisp is software that lets a pickit2 program avr microcontrollers with no hardware or. Pickit 2 To Program Avr.
image source : www.aliexpress.com
PIC ICD2 PICKit 2 PICKIT 3 Programming Adapter PICKIT2 PICKIT3 Pickit 2 To Program Avr It is now possible to program avr microcontrollers with pickit2 without hardware/firmware Use vpp first program entry when checked, it allows the pickit 2 to connect to and program devices with configurations and code that. Using pickit2 programmer to program. I am using pickit2 as my avr programmer, based on wiring and instruction from my stuff: Adding new scrip for. Pickit 2 To Program Avr.
image source : hp.vector.co.jp
PICkit2 AVR etc Pickit 2 To Program Avr Use vpp first program entry when checked, it allows the pickit 2 to connect to and program devices with configurations and code that. Thus, since no pk2 hardware or. Using pickit2 programmer to program. The pickit 2 has usb bootloader and capable of updating the programmer firmware directly from microchip web site. Programming avr (atmega2560) with pickit 2. I am. Pickit 2 To Program Avr.
image source : www.lazada.com.my
PIC KIT2 PIC KIT3 PIC KIT3.5 PICKIT3 Programmer + PIC ICD2 PICKit 2 Pickit 2 To Program Avr Thus, since no pk2 hardware or. Using pickit2 programmer to program. Pk2avrisp is software that lets a pickit2 program avr microcontrollers with no hardware or firmware changes. Use vpp first program entry when checked, it allows the pickit 2 to connect to and program devices with configurations and code that. Adding new scrip for picit2 programmer add these lines and. Pickit 2 To Program Avr.
image source : programmator-ua.ucoz.ru
PICKIT2 ???????????????????????? ?????? PIC ?? AVR ????????????????????????. ?????? ?????????? Pickit 2 To Program Avr This is a historical day for the pickit2 programmer. It is now possible to program avr microcontrollers with pickit2 without hardware/firmware Use vpp first program entry when checked, it allows the pickit 2 to connect to and program devices with configurations and code that. Adding new scrip for picit2 programmer add these lines and save: Using pickit2 programmer to program.. Pickit 2 To Program Avr.
image source : naylampmechatronics.com
PICkit 2 Clone Programador/debugger PIC Pickit 2 To Program Avr The pickit 2 has usb bootloader and capable of updating the programmer firmware directly from microchip web site. Thus, since no pk2 hardware or. Programming avr (atmega2560) with pickit 2. I am using pickit2 as my avr programmer, based on wiring and instruction from my stuff: Adding new scrip for picit2 programmer add these lines and save: Pk2avrisp is software. Pickit 2 To Program Avr.
image source : exploreembedded.com
Uploading Hex File Using Pickit2 Tutorials Pickit 2 To Program Avr The pickit 2 has usb bootloader and capable of updating the programmer firmware directly from microchip web site. It is now possible to program avr microcontrollers with pickit2 without hardware/firmware Adding new scrip for picit2 programmer add these lines and save: Thus, since no pk2 hardware or. Programming avr (atmega2560) with pickit 2. Use vpp first program entry when checked,. Pickit 2 To Program Avr.
image source : electrosome.com
USB PIC Programmer PICKit2 Pickit 2 To Program Avr I am using pickit2 as my avr programmer, based on wiring and instruction from my stuff: Adding new scrip for picit2 programmer add these lines and save: The pickit 2 has usb bootloader and capable of updating the programmer firmware directly from microchip web site. This is a historical day for the pickit2 programmer. Pk2avrisp is software that lets a. Pickit 2 To Program Avr.
image source : easypicprogramming.blogspot.com
Easy Microchip PIC Programming using Pickit2 and Flowcode Pickit 2 To Program Avr Use vpp first program entry when checked, it allows the pickit 2 to connect to and program devices with configurations and code that. Programming avr (atmega2560) with pickit 2. Using pickit2 programmer to program. Pk2avrisp is software that lets a pickit2 program avr microcontrollers with no hardware or firmware changes. The pickit 2 has usb bootloader and capable of updating. Pickit 2 To Program Avr.