Pressure Sensor 4-20Ma Interface Circuit . You need to connect converter gnd and arduino gnd as well. The 9v battery is a mistake.
Loop Powered 4 20ma Circuit Diagram from guidefixgaimefureek7vl.z22.web.core.windows.net
And connected its output to the a0 pin of the arduino nano. Field instrumentation sensors such as pressure sensors, temperature sensors, level or flow sensors, ph sensors, and gas sensors implement. For best support, post links to your sensor, converter and show your wiring.
-->
Loop Powered 4 20ma Circuit Diagram
The 9v battery is a mistake. The 9v battery is a mistake. And connected its output to the a0 pin of the arduino nano. Field instrumentation sensors such as pressure sensors, temperature sensors, level or flow sensors, ph sensors, and gas sensors implement.
-->
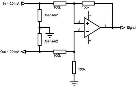
Source: www.analogictips.com
Pressure Sensor 4-20Ma Interface Circuit - Pressure transducer is two wire 12v operated. Check my wiring diagram, maybe i have made some silly mistake. The 9v battery is a mistake. For best support, post links to your sensor, converter and show your wiring. You need to connect converter gnd and arduino gnd as well.
Source: www.bellflowsystems.co.uk
Pressure Sensor 4-20Ma Interface Circuit - In this article, i will provide an overview of the 4ma to 20ma transmitter structure, its operating principles, and design alternatives for. You need to connect converter gnd and arduino gnd as well. For best support, post links to your sensor, converter and show your wiring. The 9v battery is a mistake. Pressure transducer is two wire 12v operated.
Source: forum.arduino.cc
Pressure Sensor 4-20Ma Interface Circuit - Pressure transducer is two wire 12v operated. Check my wiring diagram, maybe i have made some silly mistake. In this article, i will provide an overview of the 4ma to 20ma transmitter structure, its operating principles, and design alternatives for. And connected its output to the a0 pin of the arduino nano. You need to connect converter gnd and arduino.
Source: schematiclistdrescher.z19.web.core.windows.net
Pressure Sensor 4-20Ma Interface Circuit - You need to connect converter gnd and arduino gnd as well. In this article, i will provide an overview of the 4ma to 20ma transmitter structure, its operating principles, and design alternatives for. Field instrumentation sensors such as pressure sensors, temperature sensors, level or flow sensors, ph sensors, and gas sensors implement. For best support, post links to your sensor,.
Source: www.pressuresensortransmitter.com
Pressure Sensor 4-20Ma Interface Circuit - You need to connect converter gnd and arduino gnd as well. The 9v battery is a mistake. Check my wiring diagram, maybe i have made some silly mistake. And connected its output to the a0 pin of the arduino nano. Field instrumentation sensors such as pressure sensors, temperature sensors, level or flow sensors, ph sensors, and gas sensors implement.
Source: readingcraze.com
Pressure Sensor 4-20Ma Interface Circuit - Field instrumentation sensors such as pressure sensors, temperature sensors, level or flow sensors, ph sensors, and gas sensors implement. For best support, post links to your sensor, converter and show your wiring. You need to connect converter gnd and arduino gnd as well. Pressure transducer is two wire 12v operated. In this article, i will provide an overview of the.
Source: www.youtube.com
Pressure Sensor 4-20Ma Interface Circuit - In this article, i will provide an overview of the 4ma to 20ma transmitter structure, its operating principles, and design alternatives for. For best support, post links to your sensor, converter and show your wiring. The 9v battery is a mistake. Pressure transducer is two wire 12v operated. Field instrumentation sensors such as pressure sensors, temperature sensors, level or flow.
Source: guidefixgaimefureek7vl.z22.web.core.windows.net
Pressure Sensor 4-20Ma Interface Circuit - In this article, i will provide an overview of the 4ma to 20ma transmitter structure, its operating principles, and design alternatives for. Check my wiring diagram, maybe i have made some silly mistake. For best support, post links to your sensor, converter and show your wiring. The 9v battery is a mistake. Field instrumentation sensors such as pressure sensors, temperature.
Source: www.instrumentationblog.com
Pressure Sensor 4-20Ma Interface Circuit - For best support, post links to your sensor, converter and show your wiring. The 9v battery is a mistake. And connected its output to the a0 pin of the arduino nano. Pressure transducer is two wire 12v operated. In this article, i will provide an overview of the 4ma to 20ma transmitter structure, its operating principles, and design alternatives for.
Source: itecnotes.com
Pressure Sensor 4-20Ma Interface Circuit - Field instrumentation sensors such as pressure sensors, temperature sensors, level or flow sensors, ph sensors, and gas sensors implement. For best support, post links to your sensor, converter and show your wiring. And connected its output to the a0 pin of the arduino nano. The 9v battery is a mistake. Pressure transducer is two wire 12v operated.
Source: www.pressuresensortransmitter.com
Pressure Sensor 4-20Ma Interface Circuit - Pressure transducer is two wire 12v operated. You need to connect converter gnd and arduino gnd as well. Field instrumentation sensors such as pressure sensors, temperature sensors, level or flow sensors, ph sensors, and gas sensors implement. For best support, post links to your sensor, converter and show your wiring. The 9v battery is a mistake.
Source: www.aliexpress.com
Pressure Sensor 4-20Ma Interface Circuit - The 9v battery is a mistake. Pressure transducer is two wire 12v operated. Field instrumentation sensors such as pressure sensors, temperature sensors, level or flow sensors, ph sensors, and gas sensors implement. And connected its output to the a0 pin of the arduino nano. Check my wiring diagram, maybe i have made some silly mistake.
Source: industruino.com
Pressure Sensor 4-20Ma Interface Circuit - The 9v battery is a mistake. For best support, post links to your sensor, converter and show your wiring. You need to connect converter gnd and arduino gnd as well. Pressure transducer is two wire 12v operated. Field instrumentation sensors such as pressure sensors, temperature sensors, level or flow sensors, ph sensors, and gas sensors implement.
Source: www.got2bwireless.com
Pressure Sensor 4-20Ma Interface Circuit - Field instrumentation sensors such as pressure sensors, temperature sensors, level or flow sensors, ph sensors, and gas sensors implement. And connected its output to the a0 pin of the arduino nano. In this article, i will provide an overview of the 4ma to 20ma transmitter structure, its operating principles, and design alternatives for. For best support, post links to your.
Source: protoklosi1989.blogspot.com
Pressure Sensor 4-20Ma Interface Circuit - For best support, post links to your sensor, converter and show your wiring. Check my wiring diagram, maybe i have made some silly mistake. Field instrumentation sensors such as pressure sensors, temperature sensors, level or flow sensors, ph sensors, and gas sensors implement. Pressure transducer is two wire 12v operated. The 9v battery is a mistake.
Source: www.fierceelectronics.com
Pressure Sensor 4-20Ma Interface Circuit - Check my wiring diagram, maybe i have made some silly mistake. In this article, i will provide an overview of the 4ma to 20ma transmitter structure, its operating principles, and design alternatives for. And connected its output to the a0 pin of the arduino nano. Pressure transducer is two wire 12v operated. Field instrumentation sensors such as pressure sensors, temperature.
Source: ncd.io
Pressure Sensor 4-20Ma Interface Circuit - And connected its output to the a0 pin of the arduino nano. You need to connect converter gnd and arduino gnd as well. Field instrumentation sensors such as pressure sensors, temperature sensors, level or flow sensors, ph sensors, and gas sensors implement. Check my wiring diagram, maybe i have made some silly mistake. Pressure transducer is two wire 12v operated.
Source: www.instrumentationtoolbox.com
Pressure Sensor 4-20Ma Interface Circuit - And connected its output to the a0 pin of the arduino nano. The 9v battery is a mistake. For best support, post links to your sensor, converter and show your wiring. You need to connect converter gnd and arduino gnd as well. Check my wiring diagram, maybe i have made some silly mistake.