2006 Ford Explorer Wont Go Into Gear . Checking fluid level, depending on the mileage replacing the fluid and filter. The most recently reported issues are.
Transmission Wont Shift Into Reverse from repairfixwebpaparazziqki.z14.web.core.windows.net
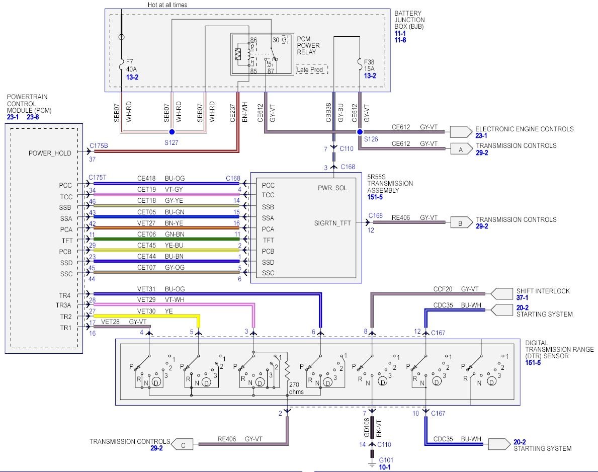
Six problems related to transmission not go into gear have been reported for the 2006 ford explorer. Debris may be lodging into the solenoids and preventing them. Understanding the common causes can help you identify the.
-->
Transmission Wont Shift Into Reverse
When a 2006 ford explorer shifts into gear but doesn’t engage, check the transmission fluid level and condition first. Low or dirty fluid can cause. If you own a ford explorer, you might have come across a situation where the vehicle won’t move in drive or reverse. A ford explorer that won’t shift gears can be a major inconvenience.
-->
Source: mechaniccompaqowilcn.z13.web.core.windows.net
2006 Ford Explorer Wont Go Into Gear - By understanding the potential causes and taking appropriate steps to. The 2006 ford explorer has 24 problems reported for won't go into gear. Average repair cost is $960 at 51,200 miles. When a 2006 ford explorer shifts into gear but doesn’t engage, check the transmission fluid level and condition first. Learn about common transmission problems in the 2006 ford explorer,.
Source: www.ford-trucks.com
2006 Ford Explorer Wont Go Into Gear - Six problems related to transmission not go into gear have been reported for the 2006 ford explorer. If you own a ford explorer, you might have come across a situation where the vehicle won’t move in drive or reverse. When a 2006 ford explorer shifts into gear but doesn’t engage, check the transmission fluid level and condition first. Understanding the.
Source: www.carcomplaints.com
2006 Ford Explorer Wont Go Into Gear - Checking fluid level, depending on the mileage replacing the fluid and filter. Understanding the common causes can help you identify the. When a 2006 ford explorer shifts into gear but doesn’t engage, check the transmission fluid level and condition first. A ford explorer that won’t shift gears can be a major inconvenience. The 2006 ford explorer has 24 problems reported.
Source: schematicfixmurgeons.z22.web.core.windows.net
2006 Ford Explorer Wont Go Into Gear - When a 2006 ford explorer shifts into gear but doesn’t engage, check the transmission fluid level and condition first. If you own a ford explorer, you might have come across a situation where the vehicle won’t move in drive or reverse. The most recently reported issues are. Six problems related to transmission not go into gear have been reported for.
Source: www.2carpros.com
2006 Ford Explorer Wont Go Into Gear - If you own a ford explorer, you might have come across a situation where the vehicle won’t move in drive or reverse. When a 2006 ford explorer shifts into gear but doesn’t engage, check the transmission fluid level and condition first. The 2006 ford explorer has 24 problems reported for won't go into gear. Learn about common transmission problems in.
Source: repairmachineyuma86360n.z22.web.core.windows.net
2006 Ford Explorer Wont Go Into Gear - When a 2006 ford explorer shifts into gear but doesn’t engage, check the transmission fluid level and condition first. Six problems related to transmission not go into gear have been reported for the 2006 ford explorer. Average repair cost is $960 at 51,200 miles. Debris may be lodging into the solenoids and preventing them. Low or dirty fluid can cause.
Source: schematicenginesantos.z13.web.core.windows.net
2006 Ford Explorer Wont Go Into Gear - When a 2006 ford explorer shifts into gear but doesn’t engage, check the transmission fluid level and condition first. The most recently reported issues are. A ford explorer that won’t shift gears can be a major inconvenience. Low or dirty fluid can cause. If you own a ford explorer, you might have come across a situation where the vehicle won’t.
Source: fixengineschwartz55.z19.web.core.windows.net
2006 Ford Explorer Wont Go Into Gear - Low or dirty fluid can cause. Checking fluid level, depending on the mileage replacing the fluid and filter. A ford explorer that won’t go into gear can be a major inconvenience. A ford explorer that won’t shift gears can be a major inconvenience. When a 2006 ford explorer shifts into gear but doesn’t engage, check the transmission fluid level and.
Source: www.ford-trucks.com
2006 Ford Explorer Wont Go Into Gear - A ford explorer that won’t go into gear can be a major inconvenience. Average repair cost is $960 at 51,200 miles. The most recently reported issues are. By understanding the potential causes and taking appropriate steps to. If you own a ford explorer, you might have come across a situation where the vehicle won’t move in drive or reverse.
Source: schematicpartlas.z13.web.core.windows.net
2006 Ford Explorer Wont Go Into Gear - The 2006 ford explorer has 24 problems reported for won't go into gear. Debris may be lodging into the solenoids and preventing them. Understanding the common causes can help you identify the. Low or dirty fluid can cause. A ford explorer that won’t shift gears can be a major inconvenience.
Source: enginedbpenny.z6.web.core.windows.net
2006 Ford Explorer Wont Go Into Gear - Low or dirty fluid can cause. Learn about common transmission problems in the 2006 ford explorer, symptoms, repair costs, and consequences. By understanding the potential causes and taking appropriate steps to. Checking fluid level, depending on the mileage replacing the fluid and filter. A ford explorer that won’t shift gears can be a major inconvenience.
Source: www.carcomplaints.com
2006 Ford Explorer Wont Go Into Gear - If you own a ford explorer, you might have come across a situation where the vehicle won’t move in drive or reverse. The most recently reported issues are. Debris may be lodging into the solenoids and preventing them. Average repair cost is $960 at 51,200 miles. Learn about common transmission problems in the 2006 ford explorer, symptoms, repair costs, and.
Source: www.youtube.com
2006 Ford Explorer Wont Go Into Gear - By understanding the potential causes and taking appropriate steps to. Checking fluid level, depending on the mileage replacing the fluid and filter. The most recently reported issues are. Understanding the common causes can help you identify the. Low or dirty fluid can cause.
Source: workshoppalilalia.z21.web.core.windows.net
2006 Ford Explorer Wont Go Into Gear - Debris may be lodging into the solenoids and preventing them. If you own a ford explorer, you might have come across a situation where the vehicle won’t move in drive or reverse. Low or dirty fluid can cause. A ford explorer that won’t shift gears can be a major inconvenience. Checking fluid level, depending on the mileage replacing the fluid.
Source: garageforogamw06.z21.web.core.windows.net
2006 Ford Explorer Wont Go Into Gear - By understanding the potential causes and taking appropriate steps to. When a 2006 ford explorer shifts into gear but doesn’t engage, check the transmission fluid level and condition first. Checking fluid level, depending on the mileage replacing the fluid and filter. Understanding the common causes can help you identify the. If you own a ford explorer, you might have come.
Source: fixenginevzdihljajdq.z14.web.core.windows.net
2006 Ford Explorer Wont Go Into Gear - Low or dirty fluid can cause. Checking fluid level, depending on the mileage replacing the fluid and filter. A ford explorer that won’t go into gear can be a major inconvenience. Six problems related to transmission not go into gear have been reported for the 2006 ford explorer. Understanding the common causes can help you identify the.
Source: www.ford-trucks.com
2006 Ford Explorer Wont Go Into Gear - By understanding the potential causes and taking appropriate steps to. If you own a ford explorer, you might have come across a situation where the vehicle won’t move in drive or reverse. The 2006 ford explorer has 24 problems reported for won't go into gear. Six problems related to transmission not go into gear have been reported for the 2006.
Source: garagegrant88.z4.web.core.windows.net
2006 Ford Explorer Wont Go Into Gear - A ford explorer that won’t shift gears can be a major inconvenience. Low or dirty fluid can cause. Learn about common transmission problems in the 2006 ford explorer, symptoms, repair costs, and consequences. If you own a ford explorer, you might have come across a situation where the vehicle won’t move in drive or reverse. The most recently reported issues.