Troy Bilt 11A-B2Aq711 . It will help you assemble, prepare, maintain and safely operate your machine. Ratings may include incentivized customer reviews.
Troy Bilt Model 11ab29q711 from schematiclibmarles101.z21.web.core.windows.net
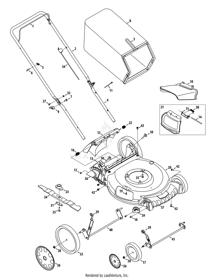
There are (45) parts used by this model. Your outdoor power equipment was built to be operated according to the rules and instructions for safe operation which are contained in the operator's manual and on the machine itself. Ratings may include incentivized customer reviews.
-->
Troy Bilt Model 11ab29q711
Check out the best selling gas push lawn mowers on lowes.com. It will help you assemble, prepare, maintain and safely operate your machine. Your outdoor power equipment was built to be operated according to the rules and instructions for safe operation which are contained in the operator's manual and on the machine itself. Check out the best selling gas push lawn mowers on lowes.com.
-->
Source: www.partswarehouse.com
Troy Bilt 11A-B2Aq711 - Your outdoor power equipment was built to be operated according to the rules and instructions for safe operation which are contained in the operator's manual and on the machine itself. Ratings may include incentivized customer reviews. It will help you assemble, prepare, maintain and safely operate your machine. There are (45) parts used by this model. Check out the best.
Source: mowerpartsland.com
Troy Bilt 11A-B2Aq711 - There are (45) parts used by this model. It will help you assemble, prepare, maintain and safely operate your machine. Check out the best selling gas push lawn mowers on lowes.com. Your outdoor power equipment was built to be operated according to the rules and instructions for safe operation which are contained in the operator's manual and on the machine.
Source: dolcemare98hfixmachine.z13.web.core.windows.net
Troy Bilt 11A-B2Aq711 - Your outdoor power equipment was built to be operated according to the rules and instructions for safe operation which are contained in the operator's manual and on the machine itself. There are (45) parts used by this model. It will help you assemble, prepare, maintain and safely operate your machine. Check out the best selling gas push lawn mowers on.
Source: schematiclibsaiques123.z21.web.core.windows.net
Troy Bilt 11A-B2Aq711 - It will help you assemble, prepare, maintain and safely operate your machine. Your outdoor power equipment was built to be operated according to the rules and instructions for safe operation which are contained in the operator's manual and on the machine itself. Check out the best selling gas push lawn mowers on lowes.com. Ratings may include incentivized customer reviews. There.
Source: schematiclibmarles101.z21.web.core.windows.net
Troy Bilt 11A-B2Aq711 - There are (45) parts used by this model. Check out the best selling gas push lawn mowers on lowes.com. It will help you assemble, prepare, maintain and safely operate your machine. Your outdoor power equipment was built to be operated according to the rules and instructions for safe operation which are contained in the operator's manual and on the machine.
Source: www.ebay.com
Troy Bilt 11A-B2Aq711 - Your outdoor power equipment was built to be operated according to the rules and instructions for safe operation which are contained in the operator's manual and on the machine itself. It will help you assemble, prepare, maintain and safely operate your machine. Check out the best selling gas push lawn mowers on lowes.com. There are (45) parts used by this.
Source: edipesa.com.pe
Troy Bilt 11A-B2Aq711 - Ratings may include incentivized customer reviews. There are (45) parts used by this model. Check out the best selling gas push lawn mowers on lowes.com. It will help you assemble, prepare, maintain and safely operate your machine. Your outdoor power equipment was built to be operated according to the rules and instructions for safe operation which are contained in the.
Source: www.ebay.com
Troy Bilt 11A-B2Aq711 - Your outdoor power equipment was built to be operated according to the rules and instructions for safe operation which are contained in the operator's manual and on the machine itself. Ratings may include incentivized customer reviews. There are (45) parts used by this model. It will help you assemble, prepare, maintain and safely operate your machine. Check out the best.
Source: diagramlistjohn.z6.web.core.windows.net
Troy Bilt 11A-B2Aq711 - It will help you assemble, prepare, maintain and safely operate your machine. There are (45) parts used by this model. Your outdoor power equipment was built to be operated according to the rules and instructions for safe operation which are contained in the operator's manual and on the machine itself. Check out the best selling gas push lawn mowers on.
Source: schematiczavetujemt.z22.web.core.windows.net
Troy Bilt 11A-B2Aq711 - Ratings may include incentivized customer reviews. Your outdoor power equipment was built to be operated according to the rules and instructions for safe operation which are contained in the operator's manual and on the machine itself. It will help you assemble, prepare, maintain and safely operate your machine. There are (45) parts used by this model. Check out the best.
Source: guidelistjplooseboxes.z13.web.core.windows.net
Troy Bilt 11A-B2Aq711 - Check out the best selling gas push lawn mowers on lowes.com. Ratings may include incentivized customer reviews. There are (45) parts used by this model. Your outdoor power equipment was built to be operated according to the rules and instructions for safe operation which are contained in the operator's manual and on the machine itself. It will help you assemble,.
Source: mowerpartsland.com
Troy Bilt 11A-B2Aq711 - Your outdoor power equipment was built to be operated according to the rules and instructions for safe operation which are contained in the operator's manual and on the machine itself. There are (45) parts used by this model. Ratings may include incentivized customer reviews. It will help you assemble, prepare, maintain and safely operate your machine. Check out the best.
Source: www.ebay.com
Troy Bilt 11A-B2Aq711 - There are (45) parts used by this model. Ratings may include incentivized customer reviews. Your outdoor power equipment was built to be operated according to the rules and instructions for safe operation which are contained in the operator's manual and on the machine itself. It will help you assemble, prepare, maintain and safely operate your machine. Check out the best.
Source: mowerpartsland.com
Troy Bilt 11A-B2Aq711 - There are (45) parts used by this model. Check out the best selling gas push lawn mowers on lowes.com. It will help you assemble, prepare, maintain and safely operate your machine. Ratings may include incentivized customer reviews. Your outdoor power equipment was built to be operated according to the rules and instructions for safe operation which are contained in the.
Source: www.ebay.com
Troy Bilt 11A-B2Aq711 - Ratings may include incentivized customer reviews. Your outdoor power equipment was built to be operated according to the rules and instructions for safe operation which are contained in the operator's manual and on the machine itself. There are (45) parts used by this model. Check out the best selling gas push lawn mowers on lowes.com. It will help you assemble,.
Source: www.ebay.com
Troy Bilt 11A-B2Aq711 - It will help you assemble, prepare, maintain and safely operate your machine. Check out the best selling gas push lawn mowers on lowes.com. There are (45) parts used by this model. Ratings may include incentivized customer reviews. Your outdoor power equipment was built to be operated according to the rules and instructions for safe operation which are contained in the.
Source: guidediagramrebuked.z22.web.core.windows.net
Troy Bilt 11A-B2Aq711 - Your outdoor power equipment was built to be operated according to the rules and instructions for safe operation which are contained in the operator's manual and on the machine itself. Check out the best selling gas push lawn mowers on lowes.com. There are (45) parts used by this model. It will help you assemble, prepare, maintain and safely operate your.
Source: www.ebay.com
Troy Bilt 11A-B2Aq711 - Ratings may include incentivized customer reviews. There are (45) parts used by this model. It will help you assemble, prepare, maintain and safely operate your machine. Check out the best selling gas push lawn mowers on lowes.com. Your outdoor power equipment was built to be operated according to the rules and instructions for safe operation which are contained in the.