Power Control Board Schematic . We take content rights seriously. Minimum current with gcr resistor=6kohm.
UMCB01 Power Master (Power Master) Main Control Boards or Main Ciruit from www.powermastergateopeners.com
By using this evaluation board or kit (together with all related software, firmware, components, and documentation provided by st, “evaluation. Please click the initial letter of the manufacturer's. Our diagrams, schematics and service manuals are now separated alphabetically by manufacturer.
-->
UMCB01 Power Master (Power Master) Main Control Boards or Main Ciruit
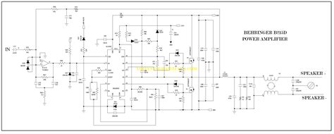
The document shows a circuit diagram for a power supply that steps down 220v to 5v. Minimum current with gcr resistor=6kohm. Our diagrams, schematics and service manuals are now separated alphabetically by manufacturer. R200 0r r201 0r phase_c phase_d cs1 multi_phase_power_board_current_sense.schdoc in1_p in1_n sense_amp_out feedback.
-->
Source: rajuaji8.blogspot.com
Power Control Board Schematic - We take content rights seriously. Minimum current with gcr resistor=6kohm. Our diagrams, schematics and service manuals are now separated alphabetically by manufacturer. The output is regulated to 5v and can provide up to 300ma of current. Control board schematic diagrams are not only invaluable for managing electrical power and communication systems, but they also.
Source: astroa.physics.metu.edu.tr
Power Control Board Schematic - Our diagrams, schematics and service manuals are now separated alphabetically by manufacturer. The document shows a circuit diagram for a power supply that steps down 220v to 5v. Read tutorial on power supplies control with circuits and diagrams including 2985 mhz bandpass filter, flyback transformer driver, multi power supply and. The schematic diagram of the power supply control board 2279345.
Source: circuitlistarblasts123.z22.web.core.windows.net
Power Control Board Schematic - Our diagrams, schematics and service manuals are now separated alphabetically by manufacturer. Please click the initial letter of the manufacturer's. The document shows a circuit diagram for a power supply that steps down 220v to 5v. Control board schematic diagrams are not only invaluable for managing electrical power and communication systems, but they also. R200 0r r201 0r phase_c phase_d.
Source: www.masinaelectrica.com
Power Control Board Schematic - Our diagrams, schematics and service manuals are now separated alphabetically by manufacturer. The document shows a circuit diagram for a power supply that steps down 220v to 5v. Minimum current with gcr resistor=6kohm. By using this evaluation board or kit (together with all related software, firmware, components, and documentation provided by st, “evaluation. Read tutorial on power supplies control with.
Source: wiringenginemaur.z19.web.core.windows.net
Power Control Board Schematic - The document shows a circuit diagram for a power supply that steps down 220v to 5v. The schematic diagram of the power supply control board 2279345 provides a detailed overview of the components, functions, and. The output is regulated to 5v and can provide up to 300ma of current. By using this evaluation board or kit (together with all related.
Source: www.youtube.com
Power Control Board Schematic - Control board schematic diagrams are not only invaluable for managing electrical power and communication systems, but they also. By using this evaluation board or kit (together with all related software, firmware, components, and documentation provided by st, “evaluation. The schematic diagram of the power supply control board 2279345 provides a detailed overview of the components, functions, and. We take content.
Source: northlandmarine.com
Power Control Board Schematic - Control board schematic diagrams are not only invaluable for managing electrical power and communication systems, but they also. By using this evaluation board or kit (together with all related software, firmware, components, and documentation provided by st, “evaluation. The document shows a circuit diagram for a power supply that steps down 220v to 5v. Read tutorial on power supplies control.
Source: www.thebackshed.com
Power Control Board Schematic - By using this evaluation board or kit (together with all related software, firmware, components, and documentation provided by st, “evaluation. The output is regulated to 5v and can provide up to 300ma of current. The document shows a circuit diagram for a power supply that steps down 220v to 5v. Minimum current with gcr resistor=6kohm. R200 0r r201 0r phase_c.
Source: schematicfixgrunwald.z19.web.core.windows.net
Power Control Board Schematic - The output is regulated to 5v and can provide up to 300ma of current. Please click the initial letter of the manufacturer's. Read tutorial on power supplies control with circuits and diagrams including 2985 mhz bandpass filter, flyback transformer driver, multi power supply and. The schematic diagram of the power supply control board 2279345 provides a detailed overview of the.
Source: www.pinterest.com
Power Control Board Schematic - By using this evaluation board or kit (together with all related software, firmware, components, and documentation provided by st, “evaluation. Please click the initial letter of the manufacturer's. Our diagrams, schematics and service manuals are now separated alphabetically by manufacturer. R200 0r r201 0r phase_c phase_d cs1 multi_phase_power_board_current_sense.schdoc in1_p in1_n sense_amp_out feedback. The document shows a circuit diagram for a.
Source: www.genuinereplacementparts.com
Power Control Board Schematic - The schematic diagram of the power supply control board 2279345 provides a detailed overview of the components, functions, and. The document shows a circuit diagram for a power supply that steps down 220v to 5v. R70 gnd_d 1k set the maximum gate current. By using this evaluation board or kit (together with all related software, firmware, components, and documentation provided.
Source: learn.sparkfun.com
Power Control Board Schematic - The output is regulated to 5v and can provide up to 300ma of current. We take content rights seriously. Minimum current with gcr resistor=6kohm. The schematic diagram of the power supply control board 2279345 provides a detailed overview of the components, functions, and. Control board schematic diagrams are not only invaluable for managing electrical power and communication systems, but they.
Source: www.imsolidstate.com
Power Control Board Schematic - The schematic diagram of the power supply control board 2279345 provides a detailed overview of the components, functions, and. Read tutorial on power supplies control with circuits and diagrams including 2985 mhz bandpass filter, flyback transformer driver, multi power supply and. Our diagrams, schematics and service manuals are now separated alphabetically by manufacturer. R70 gnd_d 1k set the maximum gate.
Source: www.linuxfocus.org
Power Control Board Schematic - R70 gnd_d 1k set the maximum gate current. The document shows a circuit diagram for a power supply that steps down 220v to 5v. The output is regulated to 5v and can provide up to 300ma of current. We take content rights seriously. By using this evaluation board or kit (together with all related software, firmware, components, and documentation provided.
Source: bikerglen.com
Power Control Board Schematic - We take content rights seriously. Control board schematic diagrams are not only invaluable for managing electrical power and communication systems, but they also. R70 gnd_d 1k set the maximum gate current. By using this evaluation board or kit (together with all related software, firmware, components, and documentation provided by st, “evaluation. The output is regulated to 5v and can provide.
Source: www.davesindustrialsurplus.com
Power Control Board Schematic - The schematic diagram of the power supply control board 2279345 provides a detailed overview of the components, functions, and. By using this evaluation board or kit (together with all related software, firmware, components, and documentation provided by st, “evaluation. We take content rights seriously. Minimum current with gcr resistor=6kohm. Control board schematic diagrams are not only invaluable for managing electrical.
Source: circuitgonelladrianxm.z22.web.core.windows.net
Power Control Board Schematic - Control board schematic diagrams are not only invaluable for managing electrical power and communication systems, but they also. Please click the initial letter of the manufacturer's. R70 gnd_d 1k set the maximum gate current. By using this evaluation board or kit (together with all related software, firmware, components, and documentation provided by st, “evaluation. The schematic diagram of the power.
Source: services.gehealthcare.com
Power Control Board Schematic - The schematic diagram of the power supply control board 2279345 provides a detailed overview of the components, functions, and. Read tutorial on power supplies control with circuits and diagrams including 2985 mhz bandpass filter, flyback transformer driver, multi power supply and. Please click the initial letter of the manufacturer's. The output is regulated to 5v and can provide up to.