Fuel Hose Mower . With just a couple of tools and a new replacement line, you’ll be able. Fuel resistant, high quality durable fuel line. My fuel line was old and needed to be replaced. Used for replacing fuel pipes for grass mowers, repairing pipes of. Select the department you want to search in Replacement low permeation fuel line. Check each product page for other buying options. 1m+ visitors in the past month Fuel pipe pipe pipe for grass mowers and grass trimmers. Whether your fuel line is damaged or just old, changing a fuel line isn’t as difficult as you might think. I like to go with the oem and this hose. 1/4 fuel line, fuel line hose 10 feet, nbr rubber gasoline tube with 20 pcs fuel line clamps,.
from www.supercheapauto.com.au
Fuel pipe pipe pipe for grass mowers and grass trimmers. Used for replacing fuel pipes for grass mowers, repairing pipes of. 1m+ visitors in the past month With just a couple of tools and a new replacement line, you’ll be able. I like to go with the oem and this hose. 1/4 fuel line, fuel line hose 10 feet, nbr rubber gasoline tube with 20 pcs fuel line clamps,. My fuel line was old and needed to be replaced. Select the department you want to search in Check each product page for other buying options. Replacement low permeation fuel line.
Mackay Emission & Fuel Vapour Hose 4mm (5/32 inch) Per Metre
Fuel Hose Mower Check each product page for other buying options. Fuel pipe pipe pipe for grass mowers and grass trimmers. Replacement low permeation fuel line. Used for replacing fuel pipes for grass mowers, repairing pipes of. 1m+ visitors in the past month Check each product page for other buying options. Select the department you want to search in With just a couple of tools and a new replacement line, you’ll be able. Fuel resistant, high quality durable fuel line. Whether your fuel line is damaged or just old, changing a fuel line isn’t as difficult as you might think. I like to go with the oem and this hose. 1/4 fuel line, fuel line hose 10 feet, nbr rubber gasoline tube with 20 pcs fuel line clamps,. My fuel line was old and needed to be replaced.
From nationalpetroleum.net
Reelcraft 1" NPT 50' Fuel Hose Reel w/ Hose National Petroleum Equipment Fuel Hose Mower Select the department you want to search in With just a couple of tools and a new replacement line, you’ll be able. Used for replacing fuel pipes for grass mowers, repairing pipes of. I like to go with the oem and this hose. 1/4 fuel line, fuel line hose 10 feet, nbr rubber gasoline tube with 20 pcs fuel line. Fuel Hose Mower.
From www.northerntool.com
Roughneck Nongrounded Multipurpose Fuel Hose — 3/4in. x 20Ft., Model Fuel Hose Mower Fuel pipe pipe pipe for grass mowers and grass trimmers. Fuel resistant, high quality durable fuel line. Select the department you want to search in Replacement low permeation fuel line. 1m+ visitors in the past month My fuel line was old and needed to be replaced. Whether your fuel line is damaged or just old, changing a fuel line isn’t. Fuel Hose Mower.
From www.walmart.com
MOTOKU 1/4" Gas Fuel Line Hose & Filter & Fuel inLine ShutOff Valve Fuel Hose Mower Select the department you want to search in Replacement low permeation fuel line. 1/4 fuel line, fuel line hose 10 feet, nbr rubber gasoline tube with 20 pcs fuel line clamps,. Whether your fuel line is damaged or just old, changing a fuel line isn’t as difficult as you might think. Fuel resistant, high quality durable fuel line. 1m+ visitors. Fuel Hose Mower.
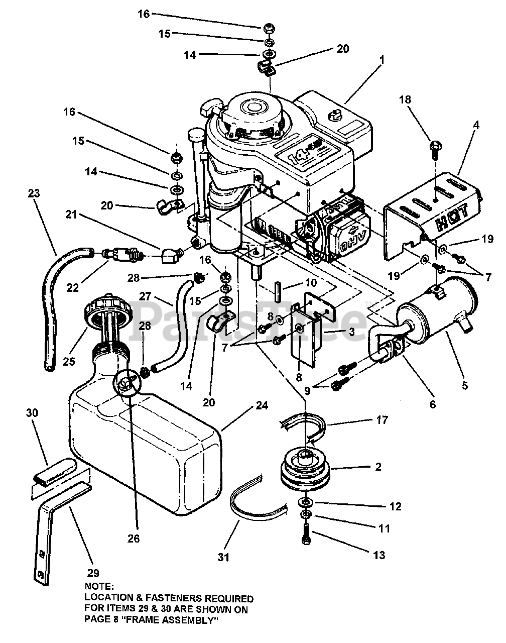
From www.partstree.com
Snapper 381451HBVE (84393) Snapper 38" RearEngine Riding Mower, 14hp Fuel Hose Mower Used for replacing fuel pipes for grass mowers, repairing pipes of. Check each product page for other buying options. 1m+ visitors in the past month My fuel line was old and needed to be replaced. Fuel pipe pipe pipe for grass mowers and grass trimmers. With just a couple of tools and a new replacement line, you’ll be able. 1/4. Fuel Hose Mower.
From gardenequipmentreview.com
Meter Fuel Hoses, Gasoline Line Carburetor Hose Gasoline Hose Lawnmower Fuel Hose Mower Fuel resistant, high quality durable fuel line. Check each product page for other buying options. 1m+ visitors in the past month Fuel pipe pipe pipe for grass mowers and grass trimmers. My fuel line was old and needed to be replaced. 1/4 fuel line, fuel line hose 10 feet, nbr rubber gasoline tube with 20 pcs fuel line clamps,. With. Fuel Hose Mower.
From bla.co.nz
Black Reinforced Fuel Hose E10 Resistant BLA Fuel Hose Mower My fuel line was old and needed to be replaced. Fuel resistant, high quality durable fuel line. I like to go with the oem and this hose. With just a couple of tools and a new replacement line, you’ll be able. Fuel pipe pipe pipe for grass mowers and grass trimmers. Used for replacing fuel pipes for grass mowers, repairing. Fuel Hose Mower.
From www.walmart.com
Fuel Hose Mower Engine Fuel Vacuum Hose Fuel Line Rubber Vacuum Hose Fuel Hose Mower Fuel resistant, high quality durable fuel line. Used for replacing fuel pipes for grass mowers, repairing pipes of. Whether your fuel line is damaged or just old, changing a fuel line isn’t as difficult as you might think. 1m+ visitors in the past month With just a couple of tools and a new replacement line, you’ll be able. Replacement low. Fuel Hose Mower.
From www.walmart.com
BENTISM Diesel Fuel Hose Reel 33'x1" Retractable Hose Reel for Oil Fuel Fuel Hose Mower Check each product page for other buying options. Fuel pipe pipe pipe for grass mowers and grass trimmers. Replacement low permeation fuel line. My fuel line was old and needed to be replaced. 1/4 fuel line, fuel line hose 10 feet, nbr rubber gasoline tube with 20 pcs fuel line clamps,. I like to go with the oem and this. Fuel Hose Mower.
From www.desertcart.jp
Buy DECARETA Fuel Line Hose Tube,Fuel Filters,4 Size Premium Petrol Fuel Hose Mower Whether your fuel line is damaged or just old, changing a fuel line isn’t as difficult as you might think. I like to go with the oem and this hose. My fuel line was old and needed to be replaced. 1/4 fuel line, fuel line hose 10 feet, nbr rubber gasoline tube with 20 pcs fuel line clamps,. Select the. Fuel Hose Mower.
From www.ebay.com
25 ft. Roll of 1/4" ID Fuel Line SAE 30R6 Lawn Mowers, Small Engines Fuel Hose Mower Fuel resistant, high quality durable fuel line. Check each product page for other buying options. I like to go with the oem and this hose. 1m+ visitors in the past month My fuel line was old and needed to be replaced. Used for replacing fuel pipes for grass mowers, repairing pipes of. Whether your fuel line is damaged or just. Fuel Hose Mower.
From atelier-yuwa.ciao.jp
Briggs Stratton Lawn Mower Accessory Fuel Hose With Clamps Bunnings Fuel Hose Mower Replacement low permeation fuel line. 1m+ visitors in the past month Check each product page for other buying options. Fuel resistant, high quality durable fuel line. My fuel line was old and needed to be replaced. Whether your fuel line is damaged or just old, changing a fuel line isn’t as difficult as you might think. Select the department you. Fuel Hose Mower.
From powermowersales.com
544128601 Husqvarna FUEL HOSE Fuel Hose Mower I like to go with the oem and this hose. Fuel resistant, high quality durable fuel line. With just a couple of tools and a new replacement line, you’ll be able. Replacement low permeation fuel line. My fuel line was old and needed to be replaced. 1/4 fuel line, fuel line hose 10 feet, nbr rubber gasoline tube with 20. Fuel Hose Mower.
From www.ebay.com
Small Engine, Lawn Mower, Tractor Fuel Line Kit Fits Engines With 1/4 Fuel Hose Mower Select the department you want to search in Used for replacing fuel pipes for grass mowers, repairing pipes of. Whether your fuel line is damaged or just old, changing a fuel line isn’t as difficult as you might think. 1m+ visitors in the past month My fuel line was old and needed to be replaced. Fuel pipe pipe pipe for. Fuel Hose Mower.
From www.amazon.com
4 Sizes Petrol Fuel Gas Line Pipe Hose Tubing For String Fuel Hose Mower I like to go with the oem and this hose. My fuel line was old and needed to be replaced. With just a couple of tools and a new replacement line, you’ll be able. Fuel resistant, high quality durable fuel line. 1/4 fuel line, fuel line hose 10 feet, nbr rubber gasoline tube with 20 pcs fuel line clamps,. Fuel. Fuel Hose Mower.
From ykparadise.en.made-in-china.com
Fuel Hose for FS120 FS200 FS250 Grass Trimmer China Fuel Hose for Fuel Hose Mower Fuel pipe pipe pipe for grass mowers and grass trimmers. Whether your fuel line is damaged or just old, changing a fuel line isn’t as difficult as you might think. With just a couple of tools and a new replacement line, you’ll be able. Check each product page for other buying options. 1/4 fuel line, fuel line hose 10 feet,. Fuel Hose Mower.
From toolsmoito.com
Compatible Fuel Tank Kit for John Deere LA105 Tractor (100 Series) wit Fuel Hose Mower I like to go with the oem and this hose. Whether your fuel line is damaged or just old, changing a fuel line isn’t as difficult as you might think. Replacement low permeation fuel line. Fuel resistant, high quality durable fuel line. Used for replacing fuel pipes for grass mowers, repairing pipes of. With just a couple of tools and. Fuel Hose Mower.
From wiringdiagramculpatory.z13.web.core.windows.net
Briggs And Stratton Fuel Line Diagram Fuel Hose Mower Check each product page for other buying options. Fuel resistant, high quality durable fuel line. I like to go with the oem and this hose. Select the department you want to search in Fuel pipe pipe pipe for grass mowers and grass trimmers. 1/4 fuel line, fuel line hose 10 feet, nbr rubber gasoline tube with 20 pcs fuel line. Fuel Hose Mower.
From www.supercheapauto.com.au
Mackay Emission & Fuel Vapour Hose 4mm (5/32 inch) Per Metre Fuel Hose Mower Fuel pipe pipe pipe for grass mowers and grass trimmers. Select the department you want to search in Whether your fuel line is damaged or just old, changing a fuel line isn’t as difficult as you might think. 1m+ visitors in the past month I like to go with the oem and this hose. Check each product page for other. Fuel Hose Mower.
From www.youtube.com
Replacing a Lawnmower Fuel Line YouTube Fuel Hose Mower With just a couple of tools and a new replacement line, you’ll be able. Fuel resistant, high quality durable fuel line. Replacement low permeation fuel line. Select the department you want to search in Whether your fuel line is damaged or just old, changing a fuel line isn’t as difficult as you might think. Fuel pipe pipe pipe for grass. Fuel Hose Mower.
From www.bunnings.com.au
Briggs & Stratton Lawn Mower Accessory Fuel Hose With Clamps Bunnings Fuel Hose Mower Fuel pipe pipe pipe for grass mowers and grass trimmers. Select the department you want to search in Whether your fuel line is damaged or just old, changing a fuel line isn’t as difficult as you might think. With just a couple of tools and a new replacement line, you’ll be able. Replacement low permeation fuel line. Fuel resistant, high. Fuel Hose Mower.
From www.probois-machinoutils.com
Fuel hose for Scheppach mower, tiller and vibrating plate Probois Fuel Hose Mower Check each product page for other buying options. My fuel line was old and needed to be replaced. Fuel resistant, high quality durable fuel line. 1m+ visitors in the past month With just a couple of tools and a new replacement line, you’ll be able. Replacement low permeation fuel line. Select the department you want to search in I like. Fuel Hose Mower.
From www.gravely.com
Lawn Mower Fuel Tank Vent Hose 04459400 Gravely Fuel Hose Mower Used for replacing fuel pipes for grass mowers, repairing pipes of. My fuel line was old and needed to be replaced. 1/4 fuel line, fuel line hose 10 feet, nbr rubber gasoline tube with 20 pcs fuel line clamps,. With just a couple of tools and a new replacement line, you’ll be able. Whether your fuel line is damaged or. Fuel Hose Mower.
From www.walmart.com
LAWN TRACTOR SMALL ENGINE FUEL LINE KIT WITH FILTER AND CLAMPS PART Fuel Hose Mower With just a couple of tools and a new replacement line, you’ll be able. Used for replacing fuel pipes for grass mowers, repairing pipes of. Replacement low permeation fuel line. Whether your fuel line is damaged or just old, changing a fuel line isn’t as difficult as you might think. 1/4 fuel line, fuel line hose 10 feet, nbr rubber. Fuel Hose Mower.
From www.probois-machinoutils.com
Fuel hose for Scheppach lawn mower Probois machinoutils Fuel Hose Mower Whether your fuel line is damaged or just old, changing a fuel line isn’t as difficult as you might think. Fuel pipe pipe pipe for grass mowers and grass trimmers. Fuel resistant, high quality durable fuel line. 1/4 fuel line, fuel line hose 10 feet, nbr rubber gasoline tube with 20 pcs fuel line clamps,. I like to go with. Fuel Hose Mower.
From www.badboylawnmowerparts.com
Bad Boy Mower Part, 2012 ZT FUEL TANK ASSEMBLY Fuel Hose Mower 1m+ visitors in the past month Replacement low permeation fuel line. Used for replacing fuel pipes for grass mowers, repairing pipes of. Select the department you want to search in Fuel pipe pipe pipe for grass mowers and grass trimmers. Fuel resistant, high quality durable fuel line. Check each product page for other buying options. I like to go with. Fuel Hose Mower.
From www.aliexpress.com
Carburetor Fuel Hose For HONDA GCV160 GCV 160 CARBURETOR HRB216 HRS216 Fuel Hose Mower Replacement low permeation fuel line. Fuel pipe pipe pipe for grass mowers and grass trimmers. My fuel line was old and needed to be replaced. Used for replacing fuel pipes for grass mowers, repairing pipes of. Fuel resistant, high quality durable fuel line. 1m+ visitors in the past month Check each product page for other buying options. 1/4 fuel line,. Fuel Hose Mower.
From www.lazada.com.my
Heavy Duty 2500 China Mini Chainsaw Fuel Hose Fuel Line Fuel Pipe Paip Fuel Hose Mower With just a couple of tools and a new replacement line, you’ll be able. Check each product page for other buying options. Fuel resistant, high quality durable fuel line. 1/4 fuel line, fuel line hose 10 feet, nbr rubber gasoline tube with 20 pcs fuel line clamps,. Select the department you want to search in 1m+ visitors in the past. Fuel Hose Mower.
From www.probois-machinoutils.com
Fuel hose for lawn mower Scheppach MS22553B Probois Fuel Hose Mower Fuel resistant, high quality durable fuel line. Select the department you want to search in With just a couple of tools and a new replacement line, you’ll be able. Replacement low permeation fuel line. Used for replacing fuel pipes for grass mowers, repairing pipes of. 1m+ visitors in the past month I like to go with the oem and this. Fuel Hose Mower.
From qatar.desertcart.com
Buy Diesel Fuel Hose Reel Retractable 1In x 50Ft 300 PSI Hose Spring Fuel Hose Mower Used for replacing fuel pipes for grass mowers, repairing pipes of. With just a couple of tools and a new replacement line, you’ll be able. Select the department you want to search in I like to go with the oem and this hose. Replacement low permeation fuel line. Fuel resistant, high quality durable fuel line. 1m+ visitors in the past. Fuel Hose Mower.
From www.partstree.com
Dixon ZTR 5020 Dixon ZeroTurn Mower (1998) FUEL/HYDRO TANKS AND Fuel Hose Mower I like to go with the oem and this hose. 1/4 fuel line, fuel line hose 10 feet, nbr rubber gasoline tube with 20 pcs fuel line clamps,. Fuel pipe pipe pipe for grass mowers and grass trimmers. Check each product page for other buying options. Select the department you want to search in My fuel line was old and. Fuel Hose Mower.
From www.ebay.com
Fuel Pump for John Deere Z225 Z245 Z425 Z445 Z465 ZERO TURN Z TRACK Fuel Hose Mower 1/4 fuel line, fuel line hose 10 feet, nbr rubber gasoline tube with 20 pcs fuel line clamps,. I like to go with the oem and this hose. Fuel resistant, high quality durable fuel line. My fuel line was old and needed to be replaced. Fuel pipe pipe pipe for grass mowers and grass trimmers. Check each product page for. Fuel Hose Mower.
From www.funnydog.tv
Installing Custom Lawn Mower Fuel Pump FunnyDog.TV Fuel Hose Mower Check each product page for other buying options. Replacement low permeation fuel line. 1m+ visitors in the past month Select the department you want to search in Whether your fuel line is damaged or just old, changing a fuel line isn’t as difficult as you might think. Fuel resistant, high quality durable fuel line. My fuel line was old and. Fuel Hose Mower.
From www.aliexpress.com
3pcs/lot Fuel Gas Line Hose For Honda GX200 GX160 GX140 GX120 GX110 Fuel Hose Mower Whether your fuel line is damaged or just old, changing a fuel line isn’t as difficult as you might think. 1m+ visitors in the past month Fuel resistant, high quality durable fuel line. Replacement low permeation fuel line. Used for replacing fuel pipes for grass mowers, repairing pipes of. With just a couple of tools and a new replacement line,. Fuel Hose Mower.
From www.partstree.com
Craftsman 247.290003 (13B226JD099) Craftsman R1000 RearEngine Riding Fuel Hose Mower Fuel resistant, high quality durable fuel line. Used for replacing fuel pipes for grass mowers, repairing pipes of. Fuel pipe pipe pipe for grass mowers and grass trimmers. Replacement low permeation fuel line. 1m+ visitors in the past month With just a couple of tools and a new replacement line, you’ll be able. 1/4 fuel line, fuel line hose 10. Fuel Hose Mower.
From www.flexiblerubberhoses.com
ID 3/16 Inch Smooth Fiber Rubber Fuel Hose Flexible Fuel Injection Hose Fuel Hose Mower With just a couple of tools and a new replacement line, you’ll be able. 1m+ visitors in the past month Fuel resistant, high quality durable fuel line. 1/4 fuel line, fuel line hose 10 feet, nbr rubber gasoline tube with 20 pcs fuel line clamps,. Fuel pipe pipe pipe for grass mowers and grass trimmers. Check each product page for. Fuel Hose Mower.