Amplifier Speaker Impedance Power . a practical explanation of speaker impedance (including video) and why speaker impedance is important when you add speakers to your amp. speaker impedance, measured in ohms (ω), is the electrical impedance (ac resistance) encountered by the audio. Mismatched impedance can result in inefficient power transfer, potential damage to the amplifier or speaker, and compromised audio performance. it is important that the output impedance of your amplifier matches the overall equivalent impedance of your speaker (s) for maximum power. so if the amplifier delivers 100 w of power to the speaker (at a 45 degree phase shift), it will heat up like it’s delivering 400 w. Speaker impedance is crucial for matching speakers to amplifiers. an amplifier must be capable of handling the speaker’s impedance to produce clear, undistorted audio.
from tronicspro.com
a practical explanation of speaker impedance (including video) and why speaker impedance is important when you add speakers to your amp. it is important that the output impedance of your amplifier matches the overall equivalent impedance of your speaker (s) for maximum power. an amplifier must be capable of handling the speaker’s impedance to produce clear, undistorted audio. speaker impedance, measured in ohms (ω), is the electrical impedance (ac resistance) encountered by the audio. Speaker impedance is crucial for matching speakers to amplifiers. Mismatched impedance can result in inefficient power transfer, potential damage to the amplifier or speaker, and compromised audio performance. so if the amplifier delivers 100 w of power to the speaker (at a 45 degree phase shift), it will heat up like it’s delivering 400 w.
Input Impedance Booster Amplifier OpAmp Circuit TRONICSpro
Amplifier Speaker Impedance Power Mismatched impedance can result in inefficient power transfer, potential damage to the amplifier or speaker, and compromised audio performance. so if the amplifier delivers 100 w of power to the speaker (at a 45 degree phase shift), it will heat up like it’s delivering 400 w. Speaker impedance is crucial for matching speakers to amplifiers. an amplifier must be capable of handling the speaker’s impedance to produce clear, undistorted audio. it is important that the output impedance of your amplifier matches the overall equivalent impedance of your speaker (s) for maximum power. speaker impedance, measured in ohms (ω), is the electrical impedance (ac resistance) encountered by the audio. Mismatched impedance can result in inefficient power transfer, potential damage to the amplifier or speaker, and compromised audio performance. a practical explanation of speaker impedance (including video) and why speaker impedance is important when you add speakers to your amp.
From www.youtube.com
General Amplifier Theory (Part 2a) Input Impedance (Zin) YouTube Amplifier Speaker Impedance Power it is important that the output impedance of your amplifier matches the overall equivalent impedance of your speaker (s) for maximum power. speaker impedance, measured in ohms (ω), is the electrical impedance (ac resistance) encountered by the audio. Speaker impedance is crucial for matching speakers to amplifiers. a practical explanation of speaker impedance (including video) and why. Amplifier Speaker Impedance Power.
From diysard.blogspot.com
Speaker Impedance Wiring Diagram Diysard Amplifier Speaker Impedance Power speaker impedance, measured in ohms (ω), is the electrical impedance (ac resistance) encountered by the audio. it is important that the output impedance of your amplifier matches the overall equivalent impedance of your speaker (s) for maximum power. so if the amplifier delivers 100 w of power to the speaker (at a 45 degree phase shift), it. Amplifier Speaker Impedance Power.
From wiring.hpricorpcom.com
2 Channel Amplifier Wiring Diagram Wiring Diagram and Schematic Amplifier Speaker Impedance Power Speaker impedance is crucial for matching speakers to amplifiers. speaker impedance, measured in ohms (ω), is the electrical impedance (ac resistance) encountered by the audio. Mismatched impedance can result in inefficient power transfer, potential damage to the amplifier or speaker, and compromised audio performance. an amplifier must be capable of handling the speaker’s impedance to produce clear, undistorted. Amplifier Speaker Impedance Power.
From www.pinterest.fr
DENON POAA1HD Reference Power Amplifier 10channel power amp capable Amplifier Speaker Impedance Power so if the amplifier delivers 100 w of power to the speaker (at a 45 degree phase shift), it will heat up like it’s delivering 400 w. Mismatched impedance can result in inefficient power transfer, potential damage to the amplifier or speaker, and compromised audio performance. an amplifier must be capable of handling the speaker’s impedance to produce. Amplifier Speaker Impedance Power.
From audiouniversityonline.com
Choosing the Right Amplifier for Speakers A SIMPLE RULE Audio Amplifier Speaker Impedance Power an amplifier must be capable of handling the speaker’s impedance to produce clear, undistorted audio. Speaker impedance is crucial for matching speakers to amplifiers. Mismatched impedance can result in inefficient power transfer, potential damage to the amplifier or speaker, and compromised audio performance. speaker impedance, measured in ohms (ω), is the electrical impedance (ac resistance) encountered by the. Amplifier Speaker Impedance Power.
From international.mtx.com
Why Add a Car Audio Amplifier? MTX Audio Amplifier Speaker Impedance Power speaker impedance, measured in ohms (ω), is the electrical impedance (ac resistance) encountered by the audio. Mismatched impedance can result in inefficient power transfer, potential damage to the amplifier or speaker, and compromised audio performance. so if the amplifier delivers 100 w of power to the speaker (at a 45 degree phase shift), it will heat up like. Amplifier Speaker Impedance Power.
From www.youtube.com
Impedance Coupled Amplifier YouTube Amplifier Speaker Impedance Power an amplifier must be capable of handling the speaker’s impedance to produce clear, undistorted audio. it is important that the output impedance of your amplifier matches the overall equivalent impedance of your speaker (s) for maximum power. Mismatched impedance can result in inefficient power transfer, potential damage to the amplifier or speaker, and compromised audio performance. so. Amplifier Speaker Impedance Power.
From soundcertified.com
How To Add A Resistor To A Speaker To Change Impedance Sound Certified Amplifier Speaker Impedance Power speaker impedance, measured in ohms (ω), is the electrical impedance (ac resistance) encountered by the audio. Speaker impedance is crucial for matching speakers to amplifiers. an amplifier must be capable of handling the speaker’s impedance to produce clear, undistorted audio. it is important that the output impedance of your amplifier matches the overall equivalent impedance of your. Amplifier Speaker Impedance Power.
From electronics.stackexchange.com
audio Calculating impedance in a twoway speaker crossover Amplifier Speaker Impedance Power so if the amplifier delivers 100 w of power to the speaker (at a 45 degree phase shift), it will heat up like it’s delivering 400 w. it is important that the output impedance of your amplifier matches the overall equivalent impedance of your speaker (s) for maximum power. speaker impedance, measured in ohms (ω), is the. Amplifier Speaker Impedance Power.
From www.eleccircuit.com
simple audio amplifier circuit diagram using transistor Amplifier Speaker Impedance Power so if the amplifier delivers 100 w of power to the speaker (at a 45 degree phase shift), it will heat up like it’s delivering 400 w. speaker impedance, measured in ohms (ω), is the electrical impedance (ac resistance) encountered by the audio. a practical explanation of speaker impedance (including video) and why speaker impedance is important. Amplifier Speaker Impedance Power.
From avgadgets.com
Speaker Impedance Rating Explained AV Gadgets Amplifier Speaker Impedance Power Speaker impedance is crucial for matching speakers to amplifiers. Mismatched impedance can result in inefficient power transfer, potential damage to the amplifier or speaker, and compromised audio performance. so if the amplifier delivers 100 w of power to the speaker (at a 45 degree phase shift), it will heat up like it’s delivering 400 w. an amplifier must. Amplifier Speaker Impedance Power.
From www.guitarworld.com
Amp impedance explained how to connect your amp head to your Amplifier Speaker Impedance Power so if the amplifier delivers 100 w of power to the speaker (at a 45 degree phase shift), it will heat up like it’s delivering 400 w. Mismatched impedance can result in inefficient power transfer, potential damage to the amplifier or speaker, and compromised audio performance. Speaker impedance is crucial for matching speakers to amplifiers. speaker impedance, measured. Amplifier Speaker Impedance Power.
From centerspeakerzone.com
What Is Impedance in Audio Center Speaker Reviews and Buyer's Guides Amplifier Speaker Impedance Power so if the amplifier delivers 100 w of power to the speaker (at a 45 degree phase shift), it will heat up like it’s delivering 400 w. Mismatched impedance can result in inefficient power transfer, potential damage to the amplifier or speaker, and compromised audio performance. speaker impedance, measured in ohms (ω), is the electrical impedance (ac resistance). Amplifier Speaker Impedance Power.
From www.slideserve.com
PPT Chapter 11 Amplifiers Specifications and External Amplifier Speaker Impedance Power speaker impedance, measured in ohms (ω), is the electrical impedance (ac resistance) encountered by the audio. it is important that the output impedance of your amplifier matches the overall equivalent impedance of your speaker (s) for maximum power. Mismatched impedance can result in inefficient power transfer, potential damage to the amplifier or speaker, and compromised audio performance. Speaker. Amplifier Speaker Impedance Power.
From smileysaudiovisual.com
Smiley's Audio Visual. AMP225 2channel 25W Modular Power Amplifier Amplifier Speaker Impedance Power so if the amplifier delivers 100 w of power to the speaker (at a 45 degree phase shift), it will heat up like it’s delivering 400 w. it is important that the output impedance of your amplifier matches the overall equivalent impedance of your speaker (s) for maximum power. Speaker impedance is crucial for matching speakers to amplifiers.. Amplifier Speaker Impedance Power.
From soundcertified.com
What Is Car Speaker Impedance? Speaker Impedance Explained Sound Amplifier Speaker Impedance Power Speaker impedance is crucial for matching speakers to amplifiers. so if the amplifier delivers 100 w of power to the speaker (at a 45 degree phase shift), it will heat up like it’s delivering 400 w. Mismatched impedance can result in inefficient power transfer, potential damage to the amplifier or speaker, and compromised audio performance. an amplifier must. Amplifier Speaker Impedance Power.
From www.ecler.com
Ecler HSA300 High Impedance Amplifier Amplifier Speaker Impedance Power Mismatched impedance can result in inefficient power transfer, potential damage to the amplifier or speaker, and compromised audio performance. Speaker impedance is crucial for matching speakers to amplifiers. speaker impedance, measured in ohms (ω), is the electrical impedance (ac resistance) encountered by the audio. so if the amplifier delivers 100 w of power to the speaker (at a. Amplifier Speaker Impedance Power.
From soundcertified.com
How To Tell The Impedance of A Speaker A Guide For Everyone Amplifier Speaker Impedance Power an amplifier must be capable of handling the speaker’s impedance to produce clear, undistorted audio. a practical explanation of speaker impedance (including video) and why speaker impedance is important when you add speakers to your amp. Mismatched impedance can result in inefficient power transfer, potential damage to the amplifier or speaker, and compromised audio performance. Speaker impedance is. Amplifier Speaker Impedance Power.
From soundcertified.com
How To Tell The Impedance of A Speaker A Guide For Everyone Amplifier Speaker Impedance Power it is important that the output impedance of your amplifier matches the overall equivalent impedance of your speaker (s) for maximum power. so if the amplifier delivers 100 w of power to the speaker (at a 45 degree phase shift), it will heat up like it’s delivering 400 w. a practical explanation of speaker impedance (including video). Amplifier Speaker Impedance Power.
From soundcertified.com
The Speaker Wiring Diagram And Connection Guide The Basics You Need Amplifier Speaker Impedance Power an amplifier must be capable of handling the speaker’s impedance to produce clear, undistorted audio. so if the amplifier delivers 100 w of power to the speaker (at a 45 degree phase shift), it will heat up like it’s delivering 400 w. Speaker impedance is crucial for matching speakers to amplifiers. a practical explanation of speaker impedance. Amplifier Speaker Impedance Power.
From tronicspro.com
Input Impedance Booster Amplifier OpAmp Circuit TRONICSpro Amplifier Speaker Impedance Power Speaker impedance is crucial for matching speakers to amplifiers. so if the amplifier delivers 100 w of power to the speaker (at a 45 degree phase shift), it will heat up like it’s delivering 400 w. an amplifier must be capable of handling the speaker’s impedance to produce clear, undistorted audio. a practical explanation of speaker impedance. Amplifier Speaker Impedance Power.
From soundcertified.com
How Does Increasing Speaker Impedance Affect dB & Power? Sound Certified Amplifier Speaker Impedance Power Mismatched impedance can result in inefficient power transfer, potential damage to the amplifier or speaker, and compromised audio performance. an amplifier must be capable of handling the speaker’s impedance to produce clear, undistorted audio. it is important that the output impedance of your amplifier matches the overall equivalent impedance of your speaker (s) for maximum power. a. Amplifier Speaker Impedance Power.
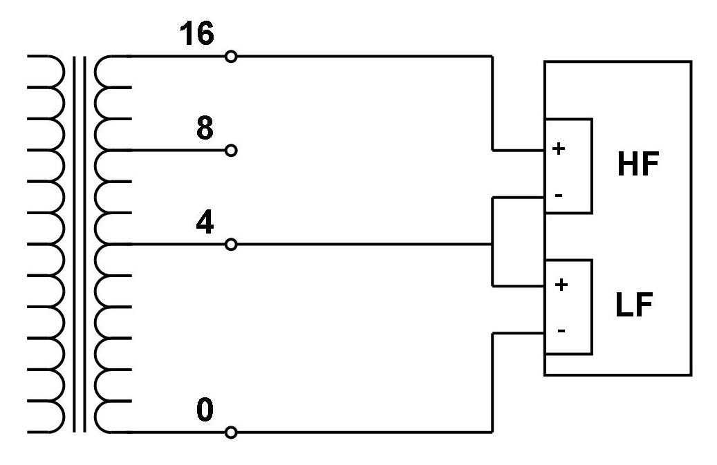
From vinylsavor.blogspot.com
VinylSavor Speaker impedance and amplifier output taps Amplifier Speaker Impedance Power Speaker impedance is crucial for matching speakers to amplifiers. it is important that the output impedance of your amplifier matches the overall equivalent impedance of your speaker (s) for maximum power. a practical explanation of speaker impedance (including video) and why speaker impedance is important when you add speakers to your amp. an amplifier must be capable. Amplifier Speaker Impedance Power.
From www.the-home-cinema-guide.com
Speaker Impedance Matching Ohms & Speakers Explained Home Cinema Guide Amplifier Speaker Impedance Power an amplifier must be capable of handling the speaker’s impedance to produce clear, undistorted audio. so if the amplifier delivers 100 w of power to the speaker (at a 45 degree phase shift), it will heat up like it’s delivering 400 w. Mismatched impedance can result in inefficient power transfer, potential damage to the amplifier or speaker, and. Amplifier Speaker Impedance Power.
From arworld.us
Resource RF Amplifier Output Voltage, Current, Power, and Impedance Amplifier Speaker Impedance Power Speaker impedance is crucial for matching speakers to amplifiers. speaker impedance, measured in ohms (ω), is the electrical impedance (ac resistance) encountered by the audio. a practical explanation of speaker impedance (including video) and why speaker impedance is important when you add speakers to your amp. Mismatched impedance can result in inefficient power transfer, potential damage to the. Amplifier Speaker Impedance Power.
From www.youtube.com
week 61 DiffAmp Input Impedance/ Input resistance YouTube Amplifier Speaker Impedance Power Mismatched impedance can result in inefficient power transfer, potential damage to the amplifier or speaker, and compromised audio performance. a practical explanation of speaker impedance (including video) and why speaker impedance is important when you add speakers to your amp. so if the amplifier delivers 100 w of power to the speaker (at a 45 degree phase shift),. Amplifier Speaker Impedance Power.
From www.youtube.com
Smith Chart Impedance Matching for RF Amplifier YouTube Amplifier Speaker Impedance Power Speaker impedance is crucial for matching speakers to amplifiers. an amplifier must be capable of handling the speaker’s impedance to produce clear, undistorted audio. speaker impedance, measured in ohms (ω), is the electrical impedance (ac resistance) encountered by the audio. Mismatched impedance can result in inefficient power transfer, potential damage to the amplifier or speaker, and compromised audio. Amplifier Speaker Impedance Power.
From www.circuits-diy.com
183+ Audio Amplifier Circuits Amplifier Speaker Impedance Power a practical explanation of speaker impedance (including video) and why speaker impedance is important when you add speakers to your amp. it is important that the output impedance of your amplifier matches the overall equivalent impedance of your speaker (s) for maximum power. Speaker impedance is crucial for matching speakers to amplifiers. so if the amplifier delivers. Amplifier Speaker Impedance Power.
From geoffthegreygeek.com
Understanding Speaker Impedance Geoff the Grey Geek Amplifier Speaker Impedance Power it is important that the output impedance of your amplifier matches the overall equivalent impedance of your speaker (s) for maximum power. a practical explanation of speaker impedance (including video) and why speaker impedance is important when you add speakers to your amp. so if the amplifier delivers 100 w of power to the speaker (at a. Amplifier Speaker Impedance Power.
From audiouniversityonline.com
SERIES vs PARALLEL Speaker Impedance Explained Audio University Amplifier Speaker Impedance Power a practical explanation of speaker impedance (including video) and why speaker impedance is important when you add speakers to your amp. it is important that the output impedance of your amplifier matches the overall equivalent impedance of your speaker (s) for maximum power. an amplifier must be capable of handling the speaker’s impedance to produce clear, undistorted. Amplifier Speaker Impedance Power.
From diagramofwiring.blogspot.com
70v Speaker Impedance Calculator Electrical Wiring Amplifier Speaker Impedance Power so if the amplifier delivers 100 w of power to the speaker (at a 45 degree phase shift), it will heat up like it’s delivering 400 w. Mismatched impedance can result in inefficient power transfer, potential damage to the amplifier or speaker, and compromised audio performance. speaker impedance, measured in ohms (ω), is the electrical impedance (ac resistance). Amplifier Speaker Impedance Power.
From www.aliexpress.com
Aiyima TDA7498 Amplifiers Digital Stereo Power Audio Amplifier Board Amplifier Speaker Impedance Power Mismatched impedance can result in inefficient power transfer, potential damage to the amplifier or speaker, and compromised audio performance. an amplifier must be capable of handling the speaker’s impedance to produce clear, undistorted audio. a practical explanation of speaker impedance (including video) and why speaker impedance is important when you add speakers to your amp. Speaker impedance is. Amplifier Speaker Impedance Power.
From www.desertcart.ae
Buy Lanzar HTG157 3000W Mono MOSFET Car Audio Power Amplifier Amp Amplifier Speaker Impedance Power so if the amplifier delivers 100 w of power to the speaker (at a 45 degree phase shift), it will heat up like it’s delivering 400 w. an amplifier must be capable of handling the speaker’s impedance to produce clear, undistorted audio. it is important that the output impedance of your amplifier matches the overall equivalent impedance. Amplifier Speaker Impedance Power.
From www.norwegiancreations.com
Impedance How to Optimally Connect Speakers to an Amplifier Amplifier Speaker Impedance Power Mismatched impedance can result in inefficient power transfer, potential damage to the amplifier or speaker, and compromised audio performance. so if the amplifier delivers 100 w of power to the speaker (at a 45 degree phase shift), it will heat up like it’s delivering 400 w. Speaker impedance is crucial for matching speakers to amplifiers. an amplifier must. Amplifier Speaker Impedance Power.
From smileysaudiovisual.com
Smiley's Audio Visual. AMP225 2channel 25W Modular Power Amplifier Amplifier Speaker Impedance Power so if the amplifier delivers 100 w of power to the speaker (at a 45 degree phase shift), it will heat up like it’s delivering 400 w. Speaker impedance is crucial for matching speakers to amplifiers. a practical explanation of speaker impedance (including video) and why speaker impedance is important when you add speakers to your amp. . Amplifier Speaker Impedance Power.