Jaguar Xj6 Fuel System Diagram . quick video showing the location of the electronic fuel pump. Roger bywater of aj6 engineering, former power units engineer at jaguar. Vehicle service manualis dart of a set of service literature which covers diagnosis and rectification. this is an ascii art diagram of the xj6 fuel system (as installed on a series ii and excluding vapor lines etc, this is the. fuel injection and the jaguar xj6 4.2 series 3 / aj6 engineering. Series ii and it only has 1 fuel pump, it has a tank switching valve (1 of 3 required) mounted in trunk. The dashboard switch applies or removes voltage from all. i have a 1979 f.i. the fuel system uses three solenoid operated valves to direct fuel.
from userguidewiring99.s3-website-us-east-1.amazonaws.com
i have a 1979 f.i. Roger bywater of aj6 engineering, former power units engineer at jaguar. fuel injection and the jaguar xj6 4.2 series 3 / aj6 engineering. the fuel system uses three solenoid operated valves to direct fuel. quick video showing the location of the electronic fuel pump. The dashboard switch applies or removes voltage from all. Series ii and it only has 1 fuel pump, it has a tank switching valve (1 of 3 required) mounted in trunk. Vehicle service manualis dart of a set of service literature which covers diagnosis and rectification. this is an ascii art diagram of the xj6 fuel system (as installed on a series ii and excluding vapor lines etc, this is the.
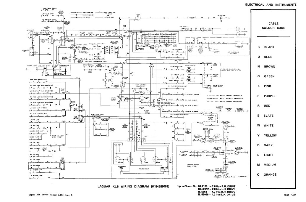
jaguar xj6 4 2 wiring diagram
Jaguar Xj6 Fuel System Diagram this is an ascii art diagram of the xj6 fuel system (as installed on a series ii and excluding vapor lines etc, this is the. Series ii and it only has 1 fuel pump, it has a tank switching valve (1 of 3 required) mounted in trunk. the fuel system uses three solenoid operated valves to direct fuel. Vehicle service manualis dart of a set of service literature which covers diagnosis and rectification. this is an ascii art diagram of the xj6 fuel system (as installed on a series ii and excluding vapor lines etc, this is the. fuel injection and the jaguar xj6 4.2 series 3 / aj6 engineering. i have a 1979 f.i. quick video showing the location of the electronic fuel pump. The dashboard switch applies or removes voltage from all. Roger bywater of aj6 engineering, former power units engineer at jaguar.
From guidefixknivealiakn.z21.web.core.windows.net
1986 Jaguar Xj6 Fuel Pump Wiring Diagram Jaguar Xj6 Fuel System Diagram quick video showing the location of the electronic fuel pump. i have a 1979 f.i. Vehicle service manualis dart of a set of service literature which covers diagnosis and rectification. fuel injection and the jaguar xj6 4.2 series 3 / aj6 engineering. Roger bywater of aj6 engineering, former power units engineer at jaguar. Series ii and it. Jaguar Xj6 Fuel System Diagram.
From www.justanswer.com
86 jag xj6 where is the fuel pump located and is there an in line Jaguar Xj6 Fuel System Diagram Series ii and it only has 1 fuel pump, it has a tank switching valve (1 of 3 required) mounted in trunk. fuel injection and the jaguar xj6 4.2 series 3 / aj6 engineering. quick video showing the location of the electronic fuel pump. the fuel system uses three solenoid operated valves to direct fuel. The dashboard. Jaguar Xj6 Fuel System Diagram.
From www.justanswer.com
Jaguar XJ6 Fuel Pump Problems Q&A on Wiring Diagrams & Tank Capacity Jaguar Xj6 Fuel System Diagram Roger bywater of aj6 engineering, former power units engineer at jaguar. the fuel system uses three solenoid operated valves to direct fuel. The dashboard switch applies or removes voltage from all. this is an ascii art diagram of the xj6 fuel system (as installed on a series ii and excluding vapor lines etc, this is the. Series ii. Jaguar Xj6 Fuel System Diagram.
From www.justanswer.com
89 jag xj6 excellent spark... 45 lbs fuel pressue... I found that Jaguar Xj6 Fuel System Diagram this is an ascii art diagram of the xj6 fuel system (as installed on a series ii and excluding vapor lines etc, this is the. i have a 1979 f.i. Roger bywater of aj6 engineering, former power units engineer at jaguar. Series ii and it only has 1 fuel pump, it has a tank switching valve (1 of. Jaguar Xj6 Fuel System Diagram.
From www.justanswer.com
Where and how do you measure the fuel pressure on a 1986 Jaguar XJ6 Jaguar Xj6 Fuel System Diagram this is an ascii art diagram of the xj6 fuel system (as installed on a series ii and excluding vapor lines etc, this is the. The dashboard switch applies or removes voltage from all. quick video showing the location of the electronic fuel pump. Vehicle service manualis dart of a set of service literature which covers diagnosis and. Jaguar Xj6 Fuel System Diagram.
From www.jaguarforums.com
Rebuilding the fuel lines Jaguar Forums Jaguar Enthusiasts Forum Jaguar Xj6 Fuel System Diagram the fuel system uses three solenoid operated valves to direct fuel. The dashboard switch applies or removes voltage from all. this is an ascii art diagram of the xj6 fuel system (as installed on a series ii and excluding vapor lines etc, this is the. i have a 1979 f.i. quick video showing the location of. Jaguar Xj6 Fuel System Diagram.
From circuitsnevajs.z22.web.core.windows.net
Jaguar Engine Vacuum Diagram Jaguar Xj6 Fuel System Diagram Series ii and it only has 1 fuel pump, it has a tank switching valve (1 of 3 required) mounted in trunk. Roger bywater of aj6 engineering, former power units engineer at jaguar. The dashboard switch applies or removes voltage from all. the fuel system uses three solenoid operated valves to direct fuel. fuel injection and the jaguar. Jaguar Xj6 Fuel System Diagram.
From www.jaguarforums.com
Rebuilding the fuel lines Jaguar Forums Jaguar Enthusiasts Forum Jaguar Xj6 Fuel System Diagram quick video showing the location of the electronic fuel pump. i have a 1979 f.i. the fuel system uses three solenoid operated valves to direct fuel. this is an ascii art diagram of the xj6 fuel system (as installed on a series ii and excluding vapor lines etc, this is the. The dashboard switch applies or. Jaguar Xj6 Fuel System Diagram.
From guidepartflosses.z19.web.core.windows.net
Jaguar Xj6 Wiring Diagrams Jaguar Xj6 Fuel System Diagram the fuel system uses three solenoid operated valves to direct fuel. Vehicle service manualis dart of a set of service literature which covers diagnosis and rectification. Series ii and it only has 1 fuel pump, it has a tank switching valve (1 of 3 required) mounted in trunk. quick video showing the location of the electronic fuel pump.. Jaguar Xj6 Fuel System Diagram.
From www.jagweb.com
Fuel injection and the Jaguar XJ6 4.2 Series 3 / AJ6 Engineering Jaguar Xj6 Fuel System Diagram Vehicle service manualis dart of a set of service literature which covers diagnosis and rectification. Series ii and it only has 1 fuel pump, it has a tank switching valve (1 of 3 required) mounted in trunk. The dashboard switch applies or removes voltage from all. the fuel system uses three solenoid operated valves to direct fuel. i. Jaguar Xj6 Fuel System Diagram.
From www.jaguarforums.com
Rebuilding the fuel lines Jaguar Forums Jaguar Enthusiasts Forum Jaguar Xj6 Fuel System Diagram Roger bywater of aj6 engineering, former power units engineer at jaguar. Series ii and it only has 1 fuel pump, it has a tank switching valve (1 of 3 required) mounted in trunk. the fuel system uses three solenoid operated valves to direct fuel. this is an ascii art diagram of the xj6 fuel system (as installed on. Jaguar Xj6 Fuel System Diagram.
From www.youtube.com
Replacing the Fuel Hoses on a Jaguar XJ6 series 3 YouTube Jaguar Xj6 Fuel System Diagram the fuel system uses three solenoid operated valves to direct fuel. fuel injection and the jaguar xj6 4.2 series 3 / aj6 engineering. Vehicle service manualis dart of a set of service literature which covers diagnosis and rectification. Roger bywater of aj6 engineering, former power units engineer at jaguar. The dashboard switch applies or removes voltage from all.. Jaguar Xj6 Fuel System Diagram.
From forums.jag-lovers.com
XJ6 Series 1 4.2 litre wiring diagram XJ Jaglovers Forums Jaguar Xj6 Fuel System Diagram the fuel system uses three solenoid operated valves to direct fuel. Roger bywater of aj6 engineering, former power units engineer at jaguar. Series ii and it only has 1 fuel pump, it has a tank switching valve (1 of 3 required) mounted in trunk. quick video showing the location of the electronic fuel pump. this is an. Jaguar Xj6 Fuel System Diagram.
From userguidewiring99.s3-website-us-east-1.amazonaws.com
jaguar xj6 4 2 wiring diagram Jaguar Xj6 Fuel System Diagram Roger bywater of aj6 engineering, former power units engineer at jaguar. the fuel system uses three solenoid operated valves to direct fuel. Vehicle service manualis dart of a set of service literature which covers diagnosis and rectification. The dashboard switch applies or removes voltage from all. quick video showing the location of the electronic fuel pump. i. Jaguar Xj6 Fuel System Diagram.
From www.justanswer.com
Jaguar XJ6 Series 3 Wiring Diagrams Q&A on ECU Power & Fuel Pump Relay Jaguar Xj6 Fuel System Diagram The dashboard switch applies or removes voltage from all. quick video showing the location of the electronic fuel pump. Vehicle service manualis dart of a set of service literature which covers diagnosis and rectification. the fuel system uses three solenoid operated valves to direct fuel. i have a 1979 f.i. Series ii and it only has 1. Jaguar Xj6 Fuel System Diagram.
From forums.jag-lovers.com
Fuel injector and rail replacement parts XJ Jaglovers Forums Jaguar Xj6 Fuel System Diagram fuel injection and the jaguar xj6 4.2 series 3 / aj6 engineering. the fuel system uses three solenoid operated valves to direct fuel. The dashboard switch applies or removes voltage from all. Vehicle service manualis dart of a set of service literature which covers diagnosis and rectification. this is an ascii art diagram of the xj6 fuel. Jaguar Xj6 Fuel System Diagram.
From schematicsdiagram.blogspot.com
schematics and diagrams Jaguar Fuel Pump Jaguar Xj6 Fuel System Diagram Vehicle service manualis dart of a set of service literature which covers diagnosis and rectification. this is an ascii art diagram of the xj6 fuel system (as installed on a series ii and excluding vapor lines etc, this is the. the fuel system uses three solenoid operated valves to direct fuel. Roger bywater of aj6 engineering, former power. Jaguar Xj6 Fuel System Diagram.
From www.jaguarforums.com
1985 Jaguar Fuel Line Diagram (XJ6 Series 3) Jaguar Forums Jaguar Jaguar Xj6 Fuel System Diagram this is an ascii art diagram of the xj6 fuel system (as installed on a series ii and excluding vapor lines etc, this is the. Series ii and it only has 1 fuel pump, it has a tank switching valve (1 of 3 required) mounted in trunk. fuel injection and the jaguar xj6 4.2 series 3 / aj6. Jaguar Xj6 Fuel System Diagram.
From www.jaguarforums.com
1985 Jaguar Fuel Line Diagram (XJ6 Series 3) Jaguar Forums Jaguar Jaguar Xj6 Fuel System Diagram Roger bywater of aj6 engineering, former power units engineer at jaguar. this is an ascii art diagram of the xj6 fuel system (as installed on a series ii and excluding vapor lines etc, this is the. the fuel system uses three solenoid operated valves to direct fuel. The dashboard switch applies or removes voltage from all. fuel. Jaguar Xj6 Fuel System Diagram.
From parts.jaguarpalmbeach.com
Jaguar XJ6 Fuel tank assembly. Liter, wsupercharger, sedan NNA5908HL Jaguar Xj6 Fuel System Diagram The dashboard switch applies or removes voltage from all. Vehicle service manualis dart of a set of service literature which covers diagnosis and rectification. the fuel system uses three solenoid operated valves to direct fuel. quick video showing the location of the electronic fuel pump. this is an ascii art diagram of the xj6 fuel system (as. Jaguar Xj6 Fuel System Diagram.
From atelier-yuwa.ciao.jp
Jaguar Xj6 Fuel Tank Switch atelieryuwa.ciao.jp Jaguar Xj6 Fuel System Diagram quick video showing the location of the electronic fuel pump. fuel injection and the jaguar xj6 4.2 series 3 / aj6 engineering. i have a 1979 f.i. Roger bywater of aj6 engineering, former power units engineer at jaguar. The dashboard switch applies or removes voltage from all. Vehicle service manualis dart of a set of service literature. Jaguar Xj6 Fuel System Diagram.
From www.jaguarforums.com
97 XJ6L Need help locating the fuel lines Jaguar Forums Jaguar Jaguar Xj6 Fuel System Diagram the fuel system uses three solenoid operated valves to direct fuel. The dashboard switch applies or removes voltage from all. Vehicle service manualis dart of a set of service literature which covers diagnosis and rectification. quick video showing the location of the electronic fuel pump. Series ii and it only has 1 fuel pump, it has a tank. Jaguar Xj6 Fuel System Diagram.
From www.worthpoint.com
JAGUAR XJ6 FUEL INJECTION SERIES 2 DRIVERS HANDBOOK. 1776290291 Jaguar Xj6 Fuel System Diagram Series ii and it only has 1 fuel pump, it has a tank switching valve (1 of 3 required) mounted in trunk. fuel injection and the jaguar xj6 4.2 series 3 / aj6 engineering. The dashboard switch applies or removes voltage from all. Roger bywater of aj6 engineering, former power units engineer at jaguar. i have a 1979. Jaguar Xj6 Fuel System Diagram.
From schematicsdiagram.blogspot.com
schematics and diagrams Jaguar Fuel Pump Jaguar Xj6 Fuel System Diagram The dashboard switch applies or removes voltage from all. Roger bywater of aj6 engineering, former power units engineer at jaguar. fuel injection and the jaguar xj6 4.2 series 3 / aj6 engineering. the fuel system uses three solenoid operated valves to direct fuel. this is an ascii art diagram of the xj6 fuel system (as installed on. Jaguar Xj6 Fuel System Diagram.
From usermanualrhabdoms.z21.web.core.windows.net
1986 Jaguar Xj6 Fuel Pump Wiring Diagram Jaguar Xj6 Fuel System Diagram Series ii and it only has 1 fuel pump, it has a tank switching valve (1 of 3 required) mounted in trunk. Roger bywater of aj6 engineering, former power units engineer at jaguar. the fuel system uses three solenoid operated valves to direct fuel. The dashboard switch applies or removes voltage from all. quick video showing the location. Jaguar Xj6 Fuel System Diagram.
From www.justanswer.com
Jaguar ECU Location Find Expert Q&A on XJ6 Fuel Control JustAnswer Jaguar Xj6 Fuel System Diagram the fuel system uses three solenoid operated valves to direct fuel. quick video showing the location of the electronic fuel pump. The dashboard switch applies or removes voltage from all. fuel injection and the jaguar xj6 4.2 series 3 / aj6 engineering. i have a 1979 f.i. Roger bywater of aj6 engineering, former power units engineer. Jaguar Xj6 Fuel System Diagram.
From www.youtube.com
JAGUAR XJ6 Series 3.Cranking fuel system after a long stand. YouTube Jaguar Xj6 Fuel System Diagram the fuel system uses three solenoid operated valves to direct fuel. this is an ascii art diagram of the xj6 fuel system (as installed on a series ii and excluding vapor lines etc, this is the. Roger bywater of aj6 engineering, former power units engineer at jaguar. Series ii and it only has 1 fuel pump, it has. Jaguar Xj6 Fuel System Diagram.
From schematicweachstikid.z4.web.core.windows.net
Jaguar Xj6 Series 3 Wiring Diagram Jaguar Xj6 Fuel System Diagram Roger bywater of aj6 engineering, former power units engineer at jaguar. this is an ascii art diagram of the xj6 fuel system (as installed on a series ii and excluding vapor lines etc, this is the. The dashboard switch applies or removes voltage from all. i have a 1979 f.i. Series ii and it only has 1 fuel. Jaguar Xj6 Fuel System Diagram.
From enginefault.com
Jaguar XJ6 & XJ12 Twin Fuel Tanks Explained Jaguar Xj6 Fuel System Diagram Vehicle service manualis dart of a set of service literature which covers diagnosis and rectification. quick video showing the location of the electronic fuel pump. Roger bywater of aj6 engineering, former power units engineer at jaguar. fuel injection and the jaguar xj6 4.2 series 3 / aj6 engineering. this is an ascii art diagram of the xj6. Jaguar Xj6 Fuel System Diagram.
From circuitholzhaubedx.z14.web.core.windows.net
1986 Jaguar Xj6 Fuel Pump Wiring Diagram Jaguar Xj6 Fuel System Diagram Series ii and it only has 1 fuel pump, it has a tank switching valve (1 of 3 required) mounted in trunk. The dashboard switch applies or removes voltage from all. Roger bywater of aj6 engineering, former power units engineer at jaguar. i have a 1979 f.i. Vehicle service manualis dart of a set of service literature which covers. Jaguar Xj6 Fuel System Diagram.
From portal-diagnostov.com
TRUNK, TAILGATE, FUEL DOOR Jaguar XJ6 1990 SYSTEM WIRING DIAGRAMS Jaguar Xj6 Fuel System Diagram Roger bywater of aj6 engineering, former power units engineer at jaguar. fuel injection and the jaguar xj6 4.2 series 3 / aj6 engineering. the fuel system uses three solenoid operated valves to direct fuel. The dashboard switch applies or removes voltage from all. i have a 1979 f.i. this is an ascii art diagram of the. Jaguar Xj6 Fuel System Diagram.
From forums.jag-lovers.com
[xj] Fuel Tank Switching Problems XJ Jaglovers Forums Jaguar Xj6 Fuel System Diagram fuel injection and the jaguar xj6 4.2 series 3 / aj6 engineering. The dashboard switch applies or removes voltage from all. this is an ascii art diagram of the xj6 fuel system (as installed on a series ii and excluding vapor lines etc, this is the. the fuel system uses three solenoid operated valves to direct fuel.. Jaguar Xj6 Fuel System Diagram.
From www.jaguarforums.com
Rebuilding the fuel lines Jaguar Forums Jaguar Enthusiasts Forum Jaguar Xj6 Fuel System Diagram the fuel system uses three solenoid operated valves to direct fuel. Series ii and it only has 1 fuel pump, it has a tank switching valve (1 of 3 required) mounted in trunk. quick video showing the location of the electronic fuel pump. The dashboard switch applies or removes voltage from all. Roger bywater of aj6 engineering, former. Jaguar Xj6 Fuel System Diagram.
From www.justanswer.com
Jaguar XJ6 Series 3 Wiring Diagrams Q&A on ECU Power & Fuel Pump Relay Jaguar Xj6 Fuel System Diagram quick video showing the location of the electronic fuel pump. The dashboard switch applies or removes voltage from all. Series ii and it only has 1 fuel pump, it has a tank switching valve (1 of 3 required) mounted in trunk. the fuel system uses three solenoid operated valves to direct fuel. Vehicle service manualis dart of a. Jaguar Xj6 Fuel System Diagram.
From www.justanswer.com
Q&A 1994 Jaguar XJ6 Service Road Assistance JustAnswer Jaguar Xj6 Fuel System Diagram Roger bywater of aj6 engineering, former power units engineer at jaguar. i have a 1979 f.i. Series ii and it only has 1 fuel pump, it has a tank switching valve (1 of 3 required) mounted in trunk. fuel injection and the jaguar xj6 4.2 series 3 / aj6 engineering. The dashboard switch applies or removes voltage from. Jaguar Xj6 Fuel System Diagram.