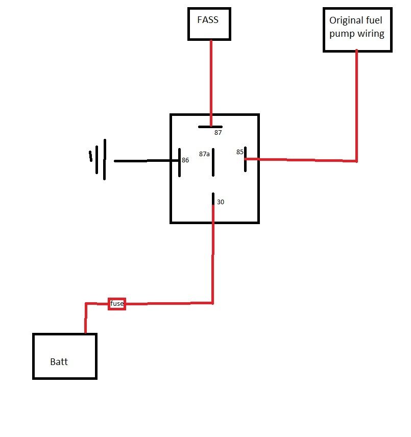
Fass Pump Relay . ensure that your fass fuel system is receiving full voltage from the electrical source with. i noticed my fass pump (wired with the fass harness directly to the battery and the stock lift pump plug) did not kick. If you didn't install the fass then you need to ask the installer about that. Using a multimeter, check to make sure relay is working properly. one key component of the fass fuel system wiring diagram is the relay, which controls the power distribution to the pump. my fass relay only have the 4 wires. The relay ensures that the. check for a blown fuse in the fass wire harness; Fas f15 140g (140gph @ 55psi) ford powerstroke 7.3l/6.0l. Assembly will be used in future.
from serrebliss.weebly.com
The relay ensures that the. ensure that your fass fuel system is receiving full voltage from the electrical source with. Assembly will be used in future. Using a multimeter, check to make sure relay is working properly. one key component of the fass fuel system wiring diagram is the relay, which controls the power distribution to the pump. If you didn't install the fass then you need to ask the installer about that. i noticed my fass pump (wired with the fass harness directly to the battery and the stock lift pump plug) did not kick. my fass relay only have the 4 wires. check for a blown fuse in the fass wire harness; Fas f15 140g (140gph @ 55psi) ford powerstroke 7.3l/6.0l.
Lbz fass lift pump install serrebliss
Fass Pump Relay ensure that your fass fuel system is receiving full voltage from the electrical source with. If you didn't install the fass then you need to ask the installer about that. ensure that your fass fuel system is receiving full voltage from the electrical source with. one key component of the fass fuel system wiring diagram is the relay, which controls the power distribution to the pump. my fass relay only have the 4 wires. Assembly will be used in future. Fas f15 140g (140gph @ 55psi) ford powerstroke 7.3l/6.0l. The relay ensures that the. Using a multimeter, check to make sure relay is working properly. i noticed my fass pump (wired with the fass harness directly to the battery and the stock lift pump plug) did not kick. check for a blown fuse in the fass wire harness;
From schematron.org
Fass Fuel System Wiring Diagram Wiring Diagram Pictures Fass Pump Relay The relay ensures that the. check for a blown fuse in the fass wire harness; If you didn't install the fass then you need to ask the installer about that. ensure that your fass fuel system is receiving full voltage from the electrical source with. my fass relay only have the 4 wires. one key component. Fass Pump Relay.
From www.youtube.com
FASS Fuel motor/pump replacement YouTube Fass Pump Relay check for a blown fuse in the fass wire harness; my fass relay only have the 4 wires. Assembly will be used in future. The relay ensures that the. i noticed my fass pump (wired with the fass harness directly to the battery and the stock lift pump plug) did not kick. ensure that your fass. Fass Pump Relay.
From fassride.com
FASS Diesel Fuel System Installation Manuals FASS Diesel Fuel Systems Fass Pump Relay i noticed my fass pump (wired with the fass harness directly to the battery and the stock lift pump plug) did not kick. my fass relay only have the 4 wires. If you didn't install the fass then you need to ask the installer about that. The relay ensures that the. ensure that your fass fuel system. Fass Pump Relay.
From www.dieselplace.com
Fass Lift pump install LML Diesel Place Fass Pump Relay The relay ensures that the. If you didn't install the fass then you need to ask the installer about that. Fas f15 140g (140gph @ 55psi) ford powerstroke 7.3l/6.0l. check for a blown fuse in the fass wire harness; my fass relay only have the 4 wires. ensure that your fass fuel system is receiving full voltage. Fass Pump Relay.
From www.turbodieselregister.com
Fass Installed P0230 issue Turbo Diesel Register Fass Pump Relay Assembly will be used in future. one key component of the fass fuel system wiring diagram is the relay, which controls the power distribution to the pump. The relay ensures that the. my fass relay only have the 4 wires. i noticed my fass pump (wired with the fass harness directly to the battery and the stock. Fass Pump Relay.
From www.dieselplace.com
Fass Lift pump install LML Diesel Place Fass Pump Relay The relay ensures that the. If you didn't install the fass then you need to ask the installer about that. my fass relay only have the 4 wires. check for a blown fuse in the fass wire harness; one key component of the fass fuel system wiring diagram is the relay, which controls the power distribution to. Fass Pump Relay.
From fassride.com
FASS Diesel Fuel System Installation Manuals FASS Diesel Fuel Systems Fass Pump Relay i noticed my fass pump (wired with the fass harness directly to the battery and the stock lift pump plug) did not kick. If you didn't install the fass then you need to ask the installer about that. Assembly will be used in future. check for a blown fuse in the fass wire harness; Fas f15 140g (140gph. Fass Pump Relay.
From ocdiesel411.blogspot.com
OC DIESEL FASS Titanium Install 1112 Ford Powerstroke 6.7L Part 1 Fass Pump Relay If you didn't install the fass then you need to ask the installer about that. ensure that your fass fuel system is receiving full voltage from the electrical source with. check for a blown fuse in the fass wire harness; i noticed my fass pump (wired with the fass harness directly to the battery and the stock. Fass Pump Relay.
From serrebliss.weebly.com
Lbz fass lift pump install serrebliss Fass Pump Relay Fas f15 140g (140gph @ 55psi) ford powerstroke 7.3l/6.0l. my fass relay only have the 4 wires. one key component of the fass fuel system wiring diagram is the relay, which controls the power distribution to the pump. Assembly will be used in future. Using a multimeter, check to make sure relay is working properly. ensure that. Fass Pump Relay.
From www.youtube.com
FASS Fuel Pump Animation YouTube Fass Pump Relay If you didn't install the fass then you need to ask the installer about that. check for a blown fuse in the fass wire harness; Assembly will be used in future. Fas f15 140g (140gph @ 55psi) ford powerstroke 7.3l/6.0l. one key component of the fass fuel system wiring diagram is the relay, which controls the power distribution. Fass Pump Relay.
From www.cumminsforum.com
FASS hard starting (wiring question) Dodge Cummins Diesel Forum Fass Pump Relay The relay ensures that the. Assembly will be used in future. Using a multimeter, check to make sure relay is working properly. Fas f15 140g (140gph @ 55psi) ford powerstroke 7.3l/6.0l. my fass relay only have the 4 wires. i noticed my fass pump (wired with the fass harness directly to the battery and the stock lift pump. Fass Pump Relay.
From www.samnewsome.com
Tips for Installing FASS Diesel Fuel Systems My Blog Fass Pump Relay Fas f15 140g (140gph @ 55psi) ford powerstroke 7.3l/6.0l. ensure that your fass fuel system is receiving full voltage from the electrical source with. If you didn't install the fass then you need to ask the installer about that. The relay ensures that the. check for a blown fuse in the fass wire harness; Assembly will be used. Fass Pump Relay.
From www.cumminsforum.com
Fass time delay relay Cummins Diesel Forum Fass Pump Relay Using a multimeter, check to make sure relay is working properly. ensure that your fass fuel system is receiving full voltage from the electrical source with. one key component of the fass fuel system wiring diagram is the relay, which controls the power distribution to the pump. Assembly will be used in future. The relay ensures that the.. Fass Pump Relay.
From www.parleysdieselperformance.com
FASS TSC12165G Titanium Diesel Lift Pump 20152016 Duramax Fass Pump Relay my fass relay only have the 4 wires. Fas f15 140g (140gph @ 55psi) ford powerstroke 7.3l/6.0l. i noticed my fass pump (wired with the fass harness directly to the battery and the stock lift pump plug) did not kick. Using a multimeter, check to make sure relay is working properly. The relay ensures that the. Assembly will. Fass Pump Relay.
From www.coopscustoms.com
Fass 165GPH Class 8 Diesel Lift Fuel Pump CAT 3406 C15 C16 Paccar Fass Pump Relay one key component of the fass fuel system wiring diagram is the relay, which controls the power distribution to the pump. ensure that your fass fuel system is receiving full voltage from the electrical source with. Assembly will be used in future. Fas f15 140g (140gph @ 55psi) ford powerstroke 7.3l/6.0l. The relay ensures that the. Using a. Fass Pump Relay.
From puredieselpower.com
Fass Titanium Signature Series 165GPH Fuel Pump Commonrail Cummins Diesel TS D07 165G Fass Pump Relay check for a blown fuse in the fass wire harness; one key component of the fass fuel system wiring diagram is the relay, which controls the power distribution to the pump. Fas f15 140g (140gph @ 55psi) ford powerstroke 7.3l/6.0l. Using a multimeter, check to make sure relay is working properly. ensure that your fass fuel system. Fass Pump Relay.
From stakestory.blogspot.com
Fass Fuel System Diagram stakestory Fass Pump Relay check for a blown fuse in the fass wire harness; one key component of the fass fuel system wiring diagram is the relay, which controls the power distribution to the pump. i noticed my fass pump (wired with the fass harness directly to the battery and the stock lift pump plug) did not kick. my fass. Fass Pump Relay.
From mopar1973man.com
Where did you mount your Fass Relay?(wire harness) 2nd Generation Dodge 24 Valve Powertrain Fass Pump Relay Fas f15 140g (140gph @ 55psi) ford powerstroke 7.3l/6.0l. one key component of the fass fuel system wiring diagram is the relay, which controls the power distribution to the pump. check for a blown fuse in the fass wire harness; Assembly will be used in future. i noticed my fass pump (wired with the fass harness directly. Fass Pump Relay.
From mopar1973man.com
Where did you mount your Fass Relay?(wire harness) 2nd Generation Dodge 24 Valve Powertrain Fass Pump Relay ensure that your fass fuel system is receiving full voltage from the electrical source with. Fas f15 140g (140gph @ 55psi) ford powerstroke 7.3l/6.0l. check for a blown fuse in the fass wire harness; Assembly will be used in future. If you didn't install the fass then you need to ask the installer about that. Using a multimeter,. Fass Pump Relay.
From www.youtube.com
6.0 Excursion Build Part 5 Fass Lift Pump Install YouTube Fass Pump Relay ensure that your fass fuel system is receiving full voltage from the electrical source with. If you didn't install the fass then you need to ask the installer about that. The relay ensures that the. Assembly will be used in future. my fass relay only have the 4 wires. one key component of the fass fuel system. Fass Pump Relay.
From guidelistmetzger.z19.web.core.windows.net
Fass Fuel Pump Wiring Diagram Fass Pump Relay If you didn't install the fass then you need to ask the installer about that. Fas f15 140g (140gph @ 55psi) ford powerstroke 7.3l/6.0l. Using a multimeter, check to make sure relay is working properly. i noticed my fass pump (wired with the fass harness directly to the battery and the stock lift pump plug) did not kick. . Fass Pump Relay.
From www.motortrend.com
FASS Fuel Air Separation System Install Fass Pump Relay Using a multimeter, check to make sure relay is working properly. The relay ensures that the. Assembly will be used in future. i noticed my fass pump (wired with the fass harness directly to the battery and the stock lift pump plug) did not kick. my fass relay only have the 4 wires. one key component of. Fass Pump Relay.
From www.dieselfiltersonline.com
FASS Fuel Systems’ Titanium Series diesel fuel lift pump and filtration system install Fass Pump Relay Assembly will be used in future. check for a blown fuse in the fass wire harness; i noticed my fass pump (wired with the fass harness directly to the battery and the stock lift pump plug) did not kick. Using a multimeter, check to make sure relay is working properly. one key component of the fass fuel. Fass Pump Relay.
From www.dieselarmy.com
FASS Announces 150 GPH Lift Pump For 201116 Power Strokes Fass Pump Relay my fass relay only have the 4 wires. If you didn't install the fass then you need to ask the installer about that. Using a multimeter, check to make sure relay is working properly. Fas f15 140g (140gph @ 55psi) ford powerstroke 7.3l/6.0l. i noticed my fass pump (wired with the fass harness directly to the battery and. Fass Pump Relay.
From stakestory.blogspot.com
Fass Fuel System Diagram stakestory Fass Pump Relay my fass relay only have the 4 wires. The relay ensures that the. Using a multimeter, check to make sure relay is working properly. Assembly will be used in future. ensure that your fass fuel system is receiving full voltage from the electrical source with. one key component of the fass fuel system wiring diagram is the. Fass Pump Relay.
From blinkx.tv
Top 10 Best Fass Fuel Pump Relay Problems By Editor blinkx.tv Fass Pump Relay Using a multimeter, check to make sure relay is working properly. Assembly will be used in future. The relay ensures that the. Fas f15 140g (140gph @ 55psi) ford powerstroke 7.3l/6.0l. one key component of the fass fuel system wiring diagram is the relay, which controls the power distribution to the pump. ensure that your fass fuel system. Fass Pump Relay.
From fassride.com
What is FASS FASS Diesel Fuel Systems Fass Pump Relay Fas f15 140g (140gph @ 55psi) ford powerstroke 7.3l/6.0l. one key component of the fass fuel system wiring diagram is the relay, which controls the power distribution to the pump. check for a blown fuse in the fass wire harness; i noticed my fass pump (wired with the fass harness directly to the battery and the stock. Fass Pump Relay.
From mokasinomega.weebly.com
2013 duramax fass pump mokasinomega Fass Pump Relay Assembly will be used in future. one key component of the fass fuel system wiring diagram is the relay, which controls the power distribution to the pump. Using a multimeter, check to make sure relay is working properly. my fass relay only have the 4 wires. Fas f15 140g (140gph @ 55psi) ford powerstroke 7.3l/6.0l. ensure that. Fass Pump Relay.
From workshoprepairmassonnj.z4.web.core.windows.net
2008 Dodge Ram Diesel Fuel Pump Relay Bypass Fass Pump Relay Assembly will be used in future. one key component of the fass fuel system wiring diagram is the relay, which controls the power distribution to the pump. Using a multimeter, check to make sure relay is working properly. Fas f15 140g (140gph @ 55psi) ford powerstroke 7.3l/6.0l. check for a blown fuse in the fass wire harness; The. Fass Pump Relay.
From usermanualstripped.z21.web.core.windows.net
Fass Fuel System Wiring Diagram Fass Pump Relay ensure that your fass fuel system is receiving full voltage from the electrical source with. one key component of the fass fuel system wiring diagram is the relay, which controls the power distribution to the pump. Using a multimeter, check to make sure relay is working properly. If you didn't install the fass then you need to ask. Fass Pump Relay.
From www.youtube.com
How to Prime Your FASS System With The XWS3002 and PF3001! YouTube Fass Pump Relay Fas f15 140g (140gph @ 55psi) ford powerstroke 7.3l/6.0l. check for a blown fuse in the fass wire harness; Assembly will be used in future. Using a multimeter, check to make sure relay is working properly. i noticed my fass pump (wired with the fass harness directly to the battery and the stock lift pump plug) did not. Fass Pump Relay.
From www.summitracing.com
FASS Fuel Systems RPDRP FASS Fuel Systems Dodge Replacement Lift Pumps Summit Racing Fass Pump Relay Assembly will be used in future. Using a multimeter, check to make sure relay is working properly. i noticed my fass pump (wired with the fass harness directly to the battery and the stock lift pump plug) did not kick. one key component of the fass fuel system wiring diagram is the relay, which controls the power distribution. Fass Pump Relay.
From www.cumminsforum.com
Fass time delay relay Cummins Diesel Forum Fass Pump Relay Assembly will be used in future. The relay ensures that the. If you didn't install the fass then you need to ask the installer about that. check for a blown fuse in the fass wire harness; my fass relay only have the 4 wires. Using a multimeter, check to make sure relay is working properly. Fas f15 140g. Fass Pump Relay.
From www.ebay.com
FASS WH1006 Universal Fuel System 14 Ga. Electrical Harness, w/ Relay & Trigger eBay Fass Pump Relay The relay ensures that the. If you didn't install the fass then you need to ask the installer about that. i noticed my fass pump (wired with the fass harness directly to the battery and the stock lift pump plug) did not kick. Using a multimeter, check to make sure relay is working properly. one key component of. Fass Pump Relay.
From nikaylahanita.blogspot.com
25+ fass fuel system diagram NikaylaHanita Fass Pump Relay check for a blown fuse in the fass wire harness; Assembly will be used in future. one key component of the fass fuel system wiring diagram is the relay, which controls the power distribution to the pump. Using a multimeter, check to make sure relay is working properly. Fas f15 140g (140gph @ 55psi) ford powerstroke 7.3l/6.0l. . Fass Pump Relay.